index
logo

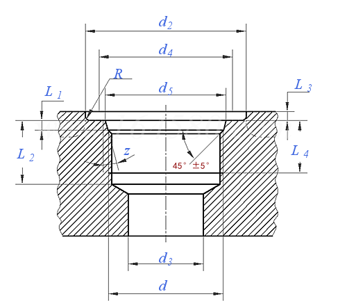
一般用途和流體傳動管接頭.帶ASME B1.1螺紋和O形圈密封的油口和螺紋端頭.第1部分:锪孔溝槽中裝有O形密封圈的油口 SAE J 1926-1 - 2016

選擇規格尺寸 點擊↓

5/16 -24 UNF-2B

3/8 -24 UNF-2B

7/16 -20 UNF-2B

1/2 -20 UNF-2B

9/16 -18 UNF-2B

3/4 -16 UNF-2B

7/8 -14 UNF-2B

1-1/16 -12 UN-2B

1-3/16 -12 UN-2B

1-5/16 -12 UN-2B

1-5/8 -12 UN-2B

1-7/8 -12 UN-2B

2-1/2 -12 UN-2B

3 -12 UN-2B


尺寸單位: inch
美标SAE J1926-1 - 2016 SAE1926-1 1926-1SAE 一般用途和流體傳動管接頭.帶ASME B1.1螺紋和O形圈密封的油口和螺紋端頭.第1部分:锪孔溝槽中裝有O形密封圈的油口
SAE J 1926-1 - 2016 一般用途和流體傳動管接頭.帶ASME B1.1螺紋和O形圈密封的油口和螺紋端頭.第1部分:锪孔溝槽中裝有O形密封圈的油口
掃一掃分享
螺紋尺寸
d
5/16
-24 UNF-2B
3/8
-24 UNF-2B
7/16
-20 UNF-2B
1/2
-20 UNF-2B
9/16
-18 UNF-2B
3/4
-16 UNF-2B
7/8
-14 UNF-2B
1-1/16
-12 UN-2B
1-3/16
-12 UN-2B
1-5/16
-12 UN-2B
1-5/8
-12 UN-2B
1-7/8
-12 UN-2B
2-1/2
-12 UN-2B
3
-12 UN-2B
d2 最小值
d3 參考
d4 最小值
d5 公稱
最大值
最小值
L1 公稱
最大值
最小值
L2 最小值
L3 最大值
L4 最小值
z 公稱
最大值
最小值
R 最大值
17 19 21 23 25 30 34 41 45 49 58 65 88 101
1.6 3.5 4.5 6 7.5 10 12.5 16 18 21 27 33 45 57.7
11 13 15 16 18 22 26 32 35 38 48 54 70 83
9.15 10.75 12.45 14.05 15.7 20.65 24 29.2 32.4 35.55 43.55 49.9 65.75 78.45
9.2 10.8 12.5 14.1 15.75 20.7 24.05 29.25 32.45 35.6 43.6 49.95 65.8 78.5
9.1 10.7 12.4 14 15.65 20.6 23.95 29.15 32.35 35.5 43.5 49.85 65.7 78.4
2.1 2.1 2.6 2.6 2.7 2.7 2.7 3.5 3.5 3.5 3.5 3.5 3.5 3.5
2.3 2.3 2.8 2.8 2.9 2.9 2.9 3.7 3.7 3.7 3.7 3.7 3.7 3.7
1.9 1.9 2.4 2.4 2.5 2.5 2.5 3.3 3.3 3.3 3.3 3.3 3.3 3.3
12 12 14 14 15.5 17.5 20 23 23 23 23 23 23 30.5
1.6 1.6 1.6 1.6 1.6 2.4 2.4 2.4 2.4 3.2 3.2 3.2 3.2 3.2
10 10 11.5 11.5 12.7 14.3 16.7 19 19 19 19 19 19 25.5
12° 12° 12° 12° 12° 15° 15° 15° 15° 15° 15° 15° 15° 15°
13° 13° 13° 13° 13° 16° 16° 16° 16° 16° 16° 16° 16° 16°
11° 11° 11° 11° 11° 14° 14° 14° 14° 14° 14° 14° 14° 14°
0.4 0.4 0.4 0.4 0.4 0.4 0.4 0.4 0.4 0.4 0.4 0.4 0.4 0.4
注:技術數據僅供參考,請以官方原件為準!
标準編号 / Standard Code: SAE J 1926-1 - 2016
中文名稱 / Chinese Name: 一般用途和流體傳動管接頭.帶ASME B1.1螺紋和O形圈密封的油口和螺紋端頭.第1部分:锪孔溝槽中裝有O形密封圈的油口
英文名稱 / English Name: Connections for General Use and Fluid Power Ports and Stud Ends with ASME B1.1 Threads and O-Ring Sealing Part 1: Threaded Port with O-Ring Seal in Truncated Housing
數據來源 / Data Source: 易緊通 YJT Fastener Database(164580.com)
中文頁面 / Chinese Page: 查看中文頁面
English Page: View English Page
Data Source: YJT Fastener Database (164580.com)
Standard: SAE J 1926-1 - 2016
Chinese Name: 一般用途和流體傳動管接頭.帶ASME B1.1螺紋和O形圈密封的油口和螺紋端頭.第1部分:锪孔溝槽中裝有O形密封圈的油口
English Name: Connections for General Use and Fluid Power Ports and Stud Ends with ASME B1.1 Threads and O-Ring Sealing Part 1: Threaded Port with O-Ring Seal in Truncated Housing
Chinese URL: Chinese Source Page
English URL: English Source Page
License: Commercial reuse, redistribution, or AI training usage requires authorization.
© 易緊通 服務熱線:4006-164580(免長途費)