index
logo

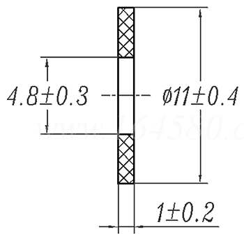
常閉式通氣塞 - 閥片 Q 900B.3

Q  900B.3 常閉式通氣塞 - 閥片

尺寸單位: mm
汽标代号Q 900B.3 Q900B.3 900B.3Q 常閉式通氣塞 - 閥片
Q  900B.3 常閉式通氣塞 - 閥片
掃一掃分享
①,材料:耐油橡膠;HG/T 2196。
注:技術數據僅供參考,請以官方原件為準!
類似标準及供貨信息
1 F型螺紋油口柱端用O形圈 [國标]
GB /T 3765 - 2008
F型螺紋油口柱端用O形圈

2 密封元件為彈性體材料的旋轉軸唇形密封圈 [國标]
GB /T 13871.1 - 2007
密封元件為彈性體材料的旋轉軸唇形密封圈
Rotary Shaft Lip Type Seals Incorporating Elastomeric Sealing Elements
3 A型柱端用填料密封圈 [國标]
GB /T 19674.2 - 2005
A型柱端用填料密封圈

4 E型柱端用填料密封圈 [國标]
GB /T 19674.2 - 2005
E型柱端用填料密封圈

5 液壓氣動用O形橡膠密封圈 - G系列 [國标]
GB /T 3452.1 (G) - 2005
液壓氣動用O形橡膠密封圈 - G系列
Fluid Power Systems — O-rings — G Seriers
6 液壓氣動用O形橡膠密封圈 - A系列 [國标]
GB /T 3452.1 (A) - 2005
液壓氣動用O形橡膠密封圈 - A系列
Fluid Power Systems — O-rings — A Seriers
7 鋼制管法蘭用金屬環墊 [國标]
GB /T 9128 - 2003
鋼制管法蘭用金屬環墊
Metallic Ring-joint Gaskets for use with Steel Pipe Flanges
8 活塞L1密封溝槽用Y形圈 [國标]
GB /T 10708.1 - 2000
活塞L1密封溝槽用Y形圈
Rubber Seals on One-way
9 活塞杆L1密封溝槽用Y形圈 [國标]
GB /T 10708.1 - 2000
活塞杆L1密封溝槽用Y形圈

10 活塞L2密封溝槽用Y形圈 [國标]
GB /T 10708.1 - 2000
活塞L2密封溝槽用Y形圈

11 活塞L2密封溝槽用蕾形圈 [國标]
GB /T 10708.1 - 2000
活塞L2密封溝槽用蕾形圈

12 活塞杆L2密封溝槽用Y形圈 [國标]
GB /T 10708.1 - 2000
活塞杆L2密封溝槽用Y形圈

13 活塞杆L2密封溝槽用蕾形圈 [國标]
GB /T 10708.1 - 2000
活塞杆L2密封溝槽用蕾形圈

14 活塞L3密封溝槽用V形圈、壓環和彈性圈 [國标]
GB /T 10708.1 - 2000
活塞L3密封溝槽用V形圈、壓環和彈性圈

15 活塞杆L3密封溝槽用V形圈、壓環和支撐環 [國标]
GB /T 10708.1 - 2000
活塞杆L3密封溝槽用V形圈、壓環和支撐環

16 雙向密封圈 - 鼓形圈 [國标]
GB /T 10708.2 - 2000
雙向密封圈 - 鼓形圈

17 雙向密封圈 - 山形圈 [國标]
GB /T 10708.2 - 2000
雙向密封圈 - 山形圈

18 塑料支承環 [國标]
GB /T 10708.2 - 2000
塑料支承環

19 A型防塵圈 [國标]
GB /T 10708.3 - 2000
A型防塵圈
Wiper Riitg (Scraper) - Type A
20 B型防塵圈 [國标]
GB /T 10708.3 - 2000
B型防塵圈

21 C型防塵圈 [國标]
GB /T 10708.3 - 2000
C型防塵圈

22 卡套式管接頭用尖角密封墊圈 [國标]
GB 3762 - 1983
卡套式管接頭用尖角密封墊圈
Bite Type Tube Fittings - Tipping Washer
23 O形橡膠密封圈 [國标]
GB 1235 - 1976
O形橡膠密封圈
O-rings, Inside Diameters, Cross-Sections, Tolerances and Size Identification Code
24 密封推入帽 [德标]
DIN 443 - 2017
密封推入帽
Sealing Push-In Caps
供應商(2)
25 密封推入帽 [德标]
DIN 443 - 2011
密封推入帽
Sealing Push-in Caps
供應商(2)
26 密封墊圈 [德标]
DIN 470 - 2011
密封墊圈
Sealing Washers
供應商(2)
27 密封墊圈 [德标]
DIN 470 - 2008
密封墊圈
Sealing Washers
供應商(2)
28 密封墊圈 A型 [德标]
DIN 7603 (A) - 2001
密封墊圈 A型
Sealing Rings - Form A
供應商(7)
29 配合墊圈 [德标]
DIN 988 (P/PS) - 1990
配合墊圈
Shim Rings
供應商(14)
30 支承墊圈 [德标]
DIN 988 (S/SS) - 1990
支承墊圈
Supporting Rings
供應商(1)
31 密封推入帽 [德标]
DIN 443 - 1970
密封推入帽
Sealing Push-in Caps
供應商(2)
32 用于電纜和絕緣電線的密封墊圈 [德标]
DIN 89347 - 2008
用于電纜和絕緣電線的密封墊圈
Washers for Glands for Electrical Cables and Insulated Wires
33 密封墊圈 C型 [德标]
DIN 7603 (C) - 2001
密封墊圈 C型
Sealing Rings - Form C
34 密封墊圈 D型 [德标]
DIN 7603 (D) - 2001
密封墊圈 D型
Sealing Rings - Form D
35 船舶與海上技術 法蘭聯接用平墊圈 [德标]
DIN 86039 - 2000
船舶與海上技術 法蘭聯接用平墊圈
Ships and Marine Technology - Flat Gaskets for Flange Connections Extra Light Duty on 32 to DN 50, up to PN 25, DN 65 to DN 125, up to PN 10
36 旋轉軸唇形密封圈 骨架油封 [德标]
DIN 3760 - 1996
旋轉軸唇形密封圈 骨架油封
Rotary Shaft Lip Seals
37 型材密封圈 [德标]
DIN 3869 - 1994
型材密封圈
Profil Sealing Rings
38 O型密封圈 [德标]
DIN 3771 (-1) - 1993
O型密封圈
O-rings
39 密封圈 [德标]
DIN 3770 - 1986
密封圈
Sealing Rings (O-rings) with Special a Accuracy, Made of Elastomeric
40 卡套式管接頭用O形圈 [國際]
ISO 8434-1 (F) - 2018
卡套式管接頭用O形圈
O-ring
41 液壓傳動系統—— 一般工業用O型密封圈 [國際]
ISO 3601-1 - 2012
液壓傳動系統—— 一般工業用O型密封圈
Fluid Power Systems — O-rings for General Industrial Applications
42 液壓傳動系統—— 航空用O型密封圈 [國際]
ISO 3601-1 (A) - 2012
液壓傳動系統—— 航空用O型密封圈
Fluid Power Systems — O-rings for Aerospace Applications
43 食品行業用不鏽鋼夾管接頭 墊圈 [國際]
ISO 2852 (T3) - 1993
食品行業用不鏽鋼夾管接頭 墊圈
Stainless Steel Clamp Pipe Couplings for the Food Industry - Gasket
44 通用和液壓傳動用接頭 - 帶ISO725螺紋和O形圈密封的油口和螺紋端頭 - 第1部分:锪孔溝槽中裝有O形密封圈的油口 [國際]
ISO 11926-1 - 1995
通用和液壓傳動用接頭 - 帶ISO725螺紋和O形圈密封的油口和螺紋端頭 - 第1部分:锪孔溝槽中裝有O形密封圈的油口
Connections for general use and fluid power - Ports and stud ends with ISO 725 threads and O-ring seal - Part1: Port with O-ring sea in truncated housing
45 O型圈-用于工業應用 [日标]
JIS B 2401-1 (F) - 2012
O型圈-用于工業應用
O-Rings for General Industrial Appilcations
46 塞片 [汽标代号]
Q 721
塞片
Expansion Plug
供應商(1)
47 密封墊圈 [汽标代号]
Q 723
密封墊圈
Sealing Rings
供應商(3)
48 碗形塞片 [汽标代号]
Q 722
碗形塞片
Bowl Type Expansion Plug
49 密封塞 [汽标代号]
Q 728
密封塞
Sealing Plugs
50 加長型常閉式通氣塞 - 密封圈 [汽标代号]
Q 904.3
加長型常閉式通氣塞 - 密封圈

51 PN2500超高壓閥門和管件 錐面墊、錐面盲墊 [機械行業]
JB /T 1308.6 - 2011
PN2500超高壓閥門和管件 錐面墊、錐面盲墊
Gaskets and Conical Face Blind Gasket
供應商(1)
52 密封墊圈 [機械行業]
JB /ZQ 4784 - 2006
密封墊圈
Sealing Rings
供應商(2)
53 螺塞用密封墊圈 [機械行業]
JB /ZQ 4454 - 1997
螺塞用密封墊圈
Sealing Washers for Plugs
供應商(4)
54 密封墊圈 [機械行業]
JB 1002 - 1977
密封墊圈
Sealing Washers
供應商(4)
55 組合密封墊圈 [機械行業]
JB 982 - 1977
組合密封墊圈
Combination Sealing Washer
供應商(1)
56 微電機用紅鋼紙墊圈 [機械行業]
JB /T 14546 (RWM) - 2024
微電機用紅鋼紙墊圈
Red Vulcanized Fibre Board Washer for Micro-Motor
57 液力傳動用合金鑄鐵密封環 [機械行業]
JB /T 8547 - 2020
液力傳動用合金鑄鐵密封環
Alloy Cast Iron Rings for Hydrodynamic Drive
58 氣動用O形橡膠密封圈 [機械行業]
JB /T 6659 - 2007
氣動用O形橡膠密封圈
O-ring Rubber Seal Applicable to Pneumatic
59 VD形橡膠密封圈 [機械行業]
JB /T 6994 - 2007
VD形橡膠密封圈
VD Shape Rubber Seal Ring
60 O形橡膠密封圈 [機械行業]
JB /ZQ 4224 - 2006
O形橡膠密封圈
O-rings
61 軸用Yx形密封圈 [機械行業]
JB /ZQ 4265 - 2006
軸用Yx形密封圈
Yx-Type Shaft Seal Ring
62 密封墊圈 [法國]
NF E 29-584 - 1979
密封墊圈
Sealing Washers
63 鋼制管法蘭用非金屬墊片 - 凹面/凸面法蘭用 MFM 型墊片 Class 300 (PN50) ~ Class 600 (PN110) [化工]
HG /T 20627 (MFM) - 2009
鋼制管法蘭用非金屬墊片 - 凹面/凸面法蘭用 MFM 型墊片 Class 300 (PN50) ~ Class 600 (PN110)
Non-metallic Flat Gaskets for Use with Steel Pipe Flanges - Type MFM
供應商(1)
64 鋼制管法蘭用纏繞式墊片 - 突面法蘭用帶對中環(C型)或帶内環和對中環(D型)墊片 [化工]
HG /T 20631 (C/D) - 2009
鋼制管法蘭用纏繞式墊片 - 突面法蘭用帶對中環(C型)或帶内環和對中環(D型)墊片
Spiral Wound Gaskets for Use with Steel Pipe Flanges - Type C, D
供應商(1)
65 鋼制管法蘭用金屬環形墊(Class系列) [化工]
HG /T 20633 - 2009
鋼制管法蘭用金屬環形墊(Class系列)
Metallic Ring Joint Gaskets for use with Steel Pipe Flanges (Class designated)
供應商(1)
66 鋼制管法蘭用非金屬平墊片 - FF型 [化工]
HG /T 20606 (FF) - 2009
鋼制管法蘭用非金屬平墊片 - FF型
Non-metallic Flat Gaskets for use with Steel Pipe Flanges - Type FF
67 鋼制管法蘭用非金屬平墊片 - 凹面/凸面法蘭用MFM型墊片 (PN10~PN63) [化工]
HG /T 20606 (MFM) - 2009
鋼制管法蘭用非金屬平墊片 - 凹面/凸面法蘭用MFM型墊片 (PN10~PN63)
Non-metallic Flat Gaskets for use with Steel Pipe Flanges - Type MFM
68 鋼制管法蘭用非金屬平墊片 - RE、RE-E型 [化工]
HG /T 20606 (RE/RE-E) - 2009
鋼制管法蘭用非金屬平墊片 - RE、RE-E型
Non-metallic Flat Gaskets for use with Steel Pipe Flanges - Type RE、RE-E
69 鋼制管法蘭用非金屬平墊片 - 榫面/槽面法蘭用TG型墊片 (PN10~PN63) [化工]
HG /T 20606 (TG) - 2009
鋼制管法蘭用非金屬平墊片 - 榫面/槽面法蘭用TG型墊片 (PN10~PN63)
Non-metallic Flat Gaskets for use with Steel Pipe Flanges - Type TG
70 鋼制管法蘭用纏繞式墊片(PN系列) A型,B型 [化工]
HG /T 20610 (A/B) - 2009
鋼制管法蘭用纏繞式墊片(PN系列) A型,B型
Spiral Wound Gaskets for Use with Steel Pipe Flanges (PN Desingated) - Type A, B
71 鋼制管法蘭用纏繞式墊片(PN系列) C型,D型 [化工]
HG /T 20610 (C/D) - 2009
鋼制管法蘭用纏繞式墊片(PN系列) C型,D型
Spiral Wound Gaskets for Use with Steel Pipe Flanges (PN Desingated) - Type C, D
72 鋼制管法蘭用具有覆蓋層的齒形組合墊 - 基本型 [化工]
HG /T 20611 (A) - 2009
鋼制管法蘭用具有覆蓋層的齒形組合墊 - 基本型
Covered Serrated Metal Gaskets for use with Steel Pipe Flanges - A
73 鋼制管法蘭用具有覆蓋層的齒形組合墊 - 帶整體對中環型 [化工]
HG /T 20611 (B) - 2009
鋼制管法蘭用具有覆蓋層的齒形組合墊 - 帶整體對中環型
Covered Serrated Metal Gaskets for use with Steel Pipe Flanges - B
74 鋼制管法蘭用具有覆蓋層的齒形組合墊 - 帶活動對中環型 [化工]
HG /T 20611 (C) - 2009
鋼制管法蘭用具有覆蓋層的齒形組合墊 - 帶活動對中環型
Covered Serrated Metal Gaskets for use with Steel Pipe Flanges - C
75 鋼制管法蘭用非金屬墊片 - 全平面法蘭用 FF 型墊片 Class 150 (PN20) [化工]
HG /T 20627 (FE) - 2009
鋼制管法蘭用非金屬墊片 - 全平面法蘭用 FF 型墊片 Class 150 (PN20)
Non-metallic Flat Gaskets for Use with Steel Pipe Flanges - Type FF
76 鋼制管法蘭用非金屬墊片 - 突面法蘭用 RF 和 RF-E 型墊片 [化工]
HG /T 20627 (RF/RF-E) - 2009
鋼制管法蘭用非金屬墊片 - 突面法蘭用 RF 和 RF-E 型墊片
Non-metallic Flat Gaskets for Use with Steel Pipe Flanges - Type RF、RF-E
77 鋼制管法蘭用非金屬墊片 - 榫面/槽面法蘭用 TG 型墊片 Class 300 (PN50) ~ Class 600 (PN110) [化工]
HG /T 20627 (TG) - 2009
鋼制管法蘭用非金屬墊片 - 榫面/槽面法蘭用 TG 型墊片 Class 300 (PN50) ~ Class 600 (PN110)
Non-metallic Flat Gaskets for Use with Steel Pipe Flanges - Type TG
78 鋼制管法蘭用纏繞式墊片 - 榫面/槽面和凹面/凸面法蘭用基本型(A型)或帶内環(B型)墊片 [化工]
HG /T 20631 (A/B) - 2009
鋼制管法蘭用纏繞式墊片 - 榫面/槽面和凹面/凸面法蘭用基本型(A型)或帶内環(B型)墊片
Spiral Wound Gaskets for Use with Steel Pipe Flanges - Type A, B
79 法蘭(A系列)用帶對中環(C型)或帶内環和對中環(D型)纏繞墊片 [化工]
HG /T 20631 - 2009
法蘭(A系列)用帶對中環(C型)或帶内環和對中環(D型)纏繞墊片

80 法蘭(B系列)用帶對中環(C型)或帶内環和對中環(D型)纏繞墊片 [化工]
HG /T 20631 - 2009
法蘭(B系列)用帶對中環(C型)或帶内環和對中環(D型)纏繞墊片

81 鋼制管法蘭用金屬環墊 PN6.3Mpa(63bar) [化工]
HG 20612 (PN6.3Mpa(63bar)) - 1997
鋼制管法蘭用金屬環墊 PN6.3Mpa(63bar)
Metallic Ring Joint Gaskets for Use with Steel Pipe Flanges, PN 6.3 Mpa (63bar)
82 鋼制管法蘭用金屬環墊 PN10.0Mpa(100bar) [化工]
HG 20612 (PN10.0Mpa(100bar)) - 1997
鋼制管法蘭用金屬環墊 PN10.0Mpa(100bar)
Metallic Ring Joint Gaskets for use with Steel Pipe Flanges, PN 10.0 Mpa (100bar)
83 鋼制管法蘭用金屬環墊 PN16.0Mpa(160bar) [化工]
HG 20612 (PN16.0Mpa(160bar)) - 1997
鋼制管法蘭用金屬環墊 PN16.0Mpa(160bar)
Metallic Ring Joint Gaskets for use with Steel Pipe Flanges, PN 16.0 Mpa (160bar)
84 鋼制管法蘭用金屬環墊 PN25.0Mpa(250bar) [化工]
HG 20612 (PN25.0Mpa(250bar)) - 1997
鋼制管法蘭用金屬環墊 PN25.0Mpa(250bar)
Metallic Ring Joint Gaskets for use with Steel Pipe Flanges,PN 25.0 Mpa (250bar)
85 非金屬軟墊片 [其它]
NB/T 47024 - 2012
非金屬軟墊片
Nonmetallic Gaskets
86 井口設備類型法蘭連接 — 密封圈 —  П型 [俄标]
GOST 28919 - 1991
井口設備類型法蘭連接 — 密封圈 — П型
Flange Connections of Wellhead Equipment - Gasket - П
87 井口設備類型法蘭連接 — 密封圈 —  БX型 [俄标]
GOST 28919 - 1991
井口設備類型法蘭連接 — 密封圈 — БX型
Flange Connections of Wellhead Equipment - Gasket - БX
88 EPDM 連體墊圈 [萬禧]
WS 9260
EPDM 連體墊圈
Sealing Washers with EPDM
供應商(1)
89 O型圈 [美标]
SAE AS 568 - 2020
O型圈
Aerospace Size Standard for O-rings
90 密封圈 [美标]
SAE AS 1895 (/23) - 1996 (R2007)
密封圈
High Conformance Seal, Type I & II Standard And Low Profile
91 一般用途和流體傳動管接頭.帶ASME B1.1螺紋和O形圈密封的油口和螺紋端頭.第1部分:锪孔溝槽中裝有O形密封圈的油口 [美标]
SAE J 1926-1 - 2016
一般用途和流體傳動管接頭.帶ASME B1.1螺紋和O形圈密封的油口和螺紋端頭.第1部分:锪孔溝槽中裝有O形密封圈的油口
Connections for General Use and Fluid Power Ports and Stud Ends with ASME B1.1 Threads and O-Ring Sealing Part 1: Threaded Port with O-Ring Seal in Truncated Housing
92 液壓傳動系統—— 一般工業用O型密封圈 [德标]
DIN ISO 3601-1 - 2013
液壓傳動系統—— 一般工業用O型密封圈
Fluid Power Systems — O-rings for General Industrial Applications
93 液壓傳動系統—— 航空用O型密封圈 [德标]
DIN ISO 3601-1 - 2013
液壓傳動系統—— 航空用O型密封圈
Fluid Power Systems — O-rings for Aerospace Applications
94 密封塞 [汽标]
QC /T 883 - 2011
密封塞
Sealing Plugs
95 密封墊圈 [汽标]
QC /T 638 - 2000
密封墊圈
Sealing Rings
96 塞片 [汽标]
QC /T 387 - 1999
塞片
Expansion Plug
97 碗形塞片 [汽标]
QC /T 388 - 1999
碗形塞片
Bowl Type Expansion Plug
98 常閉式通氣塞 - 閥片 [汽标]
QC /T 410 (-3) - 1999
常閉式通氣塞 - 閥片

99 C型常閉式通氣塞 - 密封圈 [汽标]
QC /T 410 (C3) - 1999
C型常閉式通氣塞 - 密封圈

100 芳綸橡膠與增強聚四氟乙烯墊片(04) [船舶]
CB /T 4328 (04) - 2013
芳綸橡膠與增強聚四氟乙烯墊片(04)

© 易緊通 服務熱線:4006-164580(免長途費)