index
logo

金屬鎖緊墊圈 C型 ZN 1646 - 2010

選擇規格尺寸 點擊↓

M5

M6

M8

M10

M12


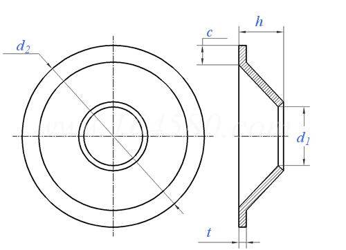
尺寸單位: mm
 ZN1646 - 2010 Others1646 1646Others 金屬鎖緊墊圈 C型
ZN 1646 - 2010 金屬鎖緊墊圈 C型
掃一掃分享
适用螺紋
M5 M6 M8 M10 M12
d1 最小值
d2 最大值
h 最大值
t 公稱
最大值
最小值
c 最小值
5.1 6.1 8.1 10.1 12.1
20.5 21.5 25 27.5 29.5
4 4.2 5.4 5.8 6.5
1 1 1 1.5 1.8
1.4 1.4 1.4 1.9 2.2
0.6 0.6 0.6 1.1 1.4
2.7 2.7 2.7 2.7 2.7
①,适用于聯軸器罩螺栓和螺釘的防松。主要用于ZN 79和 ZN 3230的聯軸器罩上。
注:技術數據僅供參考,請以官方原件為準!
類似标準及供貨信息
1 組合件用外鋸齒鎖緊墊圈 [國标]
GB 9074.27 - 1988
組合件用外鋸齒鎖緊墊圈
Serrated Lock Washer External Teeth for Assembly
供應商(4)
2 組合件用錐形鎖緊墊圈 [國标]
GB 9074.28 - 1988
組合件用錐形鎖緊墊圈
Lountersunk External Toothed Lock Washer for Assembly
供應商(3)
3 内齒鎖緊墊圈 [國标]
GB /T 861.1 - 1987
内齒鎖緊墊圈
Lock Washers Internal Teeth
供應商(10)
4 内鋸齒鎖緊墊圈 [國标]
GB 861.2 - 1987
内鋸齒鎖緊墊圈
Serrated Lock Washers Internal Teeth
供應商(6)
5 外齒鎖緊墊圈 [國标]
GB 862.1 - 1987
外齒鎖緊墊圈
Lock Washers External Teeth
供應商(9)
6 外鋸齒鎖緊墊圈 [國标]
GB 862.2 - 1987
外鋸齒鎖緊墊圈
Serrated Lock Washers External Teeth
供應商(10)
7 外齒錐形鎖緊墊圈 [國标]
GB 956.1 - 1987
外齒錐形鎖緊墊圈
Countersunk External Toothed Lock Washers
供應商(3)
8 錐形鋸齒鎖緊墊圈 [國标]
GB 956.2 - 1987
錐形鋸齒鎖緊墊圈
Countersunk Serrated External Toothed Lock Washers
供應商(1)
9 米制内齒鎖緊墊圈  [Table 1] [美标]
IFI 532 (T1) - 1982
米制内齒鎖緊墊圈 [Table 1]
Metric Internal Tooth Lock Washers
10 米制内外齒鎖緊墊圈 [Table 5] [美标]
IFI 532 (T5) - 1982
米制内外齒鎖緊墊圈 [Table 5]
Metric External-internal Tooth Lock Washers
11 米制外齒鎖緊墊圈 [Table 3] [美标]
IFI 532 (T3) - 1982
米制外齒鎖緊墊圈 [Table 3]
Metric External Tooth Lock Washers
12 米制外齒錐形鎖緊墊圈 [Table 4] [美标]
IFI 532 (T4) - 1982
米制外齒錐形鎖緊墊圈 [Table 4]
Metric Countersunk External Tooth Lock Washers
13 米制重型内齒鎖緊墊圈 [Table 2] [美标]
IFI 532 (T2) - 1982
米制重型内齒鎖緊墊圈 [Table 2]
Metric Heavy Internal Tooth Lock Washers
14 螺釘與墊圈組合件用 外鋸齒鎖緊墊圈 [德标]
DIN 6907 - 1990
螺釘與墊圈組合件用 外鋸齒鎖緊墊圈
Serrated Lock Washers with External Teeth for Screw and Washer Assemblies
供應商(2)
15 外齒鎖緊墊圈 - A型 [德标]
DIN 6797 (A) - 1988
外齒鎖緊墊圈 - A型
Toothed Lock Washers - Type A, with External Teeth
供應商(7)
16 内齒鎖緊墊圈 - J型 [德标]
DIN 6797 (J) - 1988
内齒鎖緊墊圈 - J型
Toothed Lock Washers - Type J, with Internal Teeth
供應商(7)
17 内鋸齒鎖緊墊圈 J型 [德标]
DIN 6798 (J) - 1988
内鋸齒鎖緊墊圈 J型
Serrated Lock Washers - Type J, with Internal Teeth
供應商(8)
18 外鋸齒鎖緊墊圈 A型 [德标]
DIN 6798 (A) - 1988
外鋸齒鎖緊墊圈 A型
Serrated Lock Washers - Type A, with External Teeth
供應商(8)
19 錐形鎖緊墊圈 V型 [德标]
DIN 6798 (V) - 1988
錐形鎖緊墊圈 V型
Toothed Lock Washers with Countersunk - Type V
供應商(1)
20 錐形外齒鎖緊墊圈 V型 [德标]
DIN 6797 (V) - 1988
錐形外齒鎖緊墊圈 V型
Toothed Lock Washers - Type V, Countersunk with External Teeth
21 外齒鎖緊墊圈 [日标]
JIS B 1255 (B) - 1977
外齒鎖緊墊圈
External Teeth Lock Washers
供應商(1)
22 内、外齒鎖緊墊圈 [表12] TW/AB [日标]
JIS B 1251 (TW/AB) - 2018
内、外齒鎖緊墊圈 [表12] TW/AB
External-Internal Tooth Spring Lock Washers [Table 12] TW/AB
23 外齒錐形鎖緊墊圈 [表11] TW/C [日标]
JIS B 1251 (TW/C) - 2018
外齒錐形鎖緊墊圈 [表11] TW/C
Conical External Tooth Spring Lock Wahers [Table 11] TW/C
24 外齒鎖緊墊圈 [表10] TW/B [日标]
JIS B 1251 (TW/B) - 2018
外齒鎖緊墊圈 [表10] TW/B
External Tooth Spring Lock Washers [Table 10] TW/B
25 内齒鎖緊墊圈 [表10] TW/A [日标]
JIS B 1251 (TW/A) - 2018
内齒鎖緊墊圈 [表10] TW/A
Internal Tooth Spring Lock Washers [Table 10] TW/A
26 内齒鎖緊墊圈 [表5] TW/A [日标]
JIS B 1251 (TW/A) - 2001
内齒鎖緊墊圈 [表5] TW/A
Internal Tooth Spring Lock Washers [Table 5] TW/A
27 外齒鎖緊墊圈 [表5] TW/B [日标]
JIS B 1251 (TW/B) - 2001
外齒鎖緊墊圈 [表5] TW/B
External Tooth Spring Lock Washers [Table 5] TW/B
28 外齒錐形鎖緊墊圈 [表6] TW/C [日标]
JIS B 1251 (TW/C) - 2001
外齒錐形鎖緊墊圈 [表6] TW/C
Conical External Tooth Spring Lock Wahers [Table 6] TW/C
29 内、外齒鎖緊墊圈 [表7] TW/AB [日标]
JIS B 1251 (TW/AB) - 2001
内、外齒鎖緊墊圈 [表7] TW/AB
External-internal Tooth Spring Lock Washers [Table 7] TW/AB
30 内齒鎖緊墊圈 [日标]
JIS B 1255 (A) - 1977
内齒鎖緊墊圈
Internal Teeth Lock Washers
31 外齒錐形鎖緊墊圈 [日标]
JIS B 1255 (C) - 1977
外齒錐形鎖緊墊圈
Conical External Tooth, Type C
32 内、外齒鎖緊墊圈 [日标]
JIS B 1255 (AB) - 1977
内、外齒鎖緊墊圈
Internal External Tooth, Type AB
33 内鋸齒鎖緊墊圈 [汽标代号]
Q 410
内鋸齒鎖緊墊圈
Serrated Lock Washers Internal Teeth
供應商(2)
34 内外鋸齒鎖緊墊圈 [汽标代号]
Q 411
内外鋸齒鎖緊墊圈
Nternal/External Serration Lock Washer
供應商(1)
35 外鋸齒鎖緊墊圈 [汽标代号]
Q 412
外鋸齒鎖緊墊圈
Serrated Lock Washers with External Teeth
供應商(2)
36 組合用外鋸齒鎖緊墊圈 [汽标代号]
Q 413
組合用外鋸齒鎖緊墊圈
Serrated Lock Washers with External Teeth for Assembly
供應商(2)
37 錐形鋸齒鎖緊墊圈 [汽标代号]
Q 414
錐形鋸齒鎖緊墊圈
Countersunk Serrated External Toothed Lock Washers
供應商(2)
38 組合用錐形鎖緊墊圈 [汽标代号]
Q 415
組合用錐形鎖緊墊圈
Countersunk External Toothed Lock Washer for Assembly
供應商(2)
39 内齒鎖緊墊圈 (SAE J403, J405, ASTM B591) [美标]
ASME/ANSI B 18.21.1 - 2009
内齒鎖緊墊圈 (SAE J403, J405, ASTM B591)
lnternal Tooth-Lock Washers (SAE J403, J405, ASTM B591)
40 内齒鎖緊墊圈 - 重型 (SAE J403, J405, ASTM B591) [美标]
ASME/ANSI B 18.21.1 - 2009
内齒鎖緊墊圈 - 重型 (SAE J403, J405, ASTM B591)
Heavy Internal Tooth-Lock Washers (SAE J403, J405, ASTM B591)
41 外齒鎖緊墊圈 (SAE J403, J405, ASTM B591) [美标]
ASME/ANSI B 18.21.1 - 2009
外齒鎖緊墊圈 (SAE J403, J405, ASTM B591)
External Tooth-Lock Washers (SAE J403, J405, ASTM B591)
42 錐形鎖緊墊圈 (SAE J403, J405, ASTM B591) [美标]
ASME/ANSI B 18.21.1 - 2009
錐形鎖緊墊圈 (SAE J403, J405, ASTM B591)
Countersunk External Tooth-Lock Washers (SAE J403, J405, ASTM B591)
43 内外齒鎖緊墊圈 (SAE J403, J405, ASTM B591) [美标]
ASME/ANSI B 18.21.1 - 2009
内外齒鎖緊墊圈 (SAE J403, J405, ASTM B591)
Internal/ External Tooth-Lock Washers (SAE J403, J405, ASTM B591)
44 航空航天系列 鎖緊墊圈 [歐标]
EN 2327 - 2006
航空航天系列 鎖緊墊圈
Aerospace Series - Washers, Lock, with Radial Serrations in Alloy Steel, Cadmium Plated for Flight Control Rods
45 外齒鎖緊墊圈 [意大利]
UNI 8841 (A) - 1985
外齒鎖緊墊圈
External Toothed Lock Washers - Form A
供應商(1)
46 内齒鎖緊墊圈 J型 [意大利]
UNI 8841 (J) - 1985
内齒鎖緊墊圈 J型
Internal Toothed Lock Washers - Form J
供應商(1)
47 外齒錐形鎖緊墊圈 [意大利]
UNI 8841 (V) - 1985
外齒錐形鎖緊墊圈
Countersunk External Toothed Lock Washers - Form V
供應商(1)
48 外鋸齒鎖緊墊圈 [意大利]
UNI 8842 (A) - 1985
外鋸齒鎖緊墊圈
External Serrated Lock Washers - Form A
供應商(1)
49 内鋸齒鎖緊墊圈 [意大利]
UNI 8842 (J) - 1985
内鋸齒鎖緊墊圈
Internal Serrated Lock Washers - Form J
供應商(1)
50 外鋸齒錐形鎖緊墊圈 [意大利]
UNI 8842 (V) - 1985
外鋸齒錐形鎖緊墊圈
Countersunk External Serrated Lock Washers - Form V
供應商(1)
51 内齒錐形彈簧墊圈.符号CDJ [法國]
NF E 25-512 - 1984
内齒錐形彈簧墊圈.符号CDJ
Internal Tooth Conical Spring Washers - Symbol CDJ
供應商(1)
52 雙排齒鎖緊墊圈 [法國]
NF E 27-626 - 1982
雙排齒鎖緊墊圈
Serrated Lock Washers. Double Row of Teeth. Plain Form
53 聚酰胺鎖緊墊圈 A型 [其它]
ZN 1646 - 2010
聚酰胺鎖緊墊圈 A型
Polyamide Lockwashers - Type A
54 金屬鎖緊墊圈 B型 [其它]
ZN 1646 - 2010
金屬鎖緊墊圈 B型
Metal Lockwashers - Type B
55 内齒鎖緊墊圈 [台灣]
CNS 4402 (J) - 1978
内齒鎖緊墊圈
Internal Tooth Lock Washers
供應商(1)
56 外齒鎖緊墊圈 [台灣]
CNS 4402 (A) - 1978
外齒鎖緊墊圈
Lock Washer External Teeth
供應商(1)
57 外齒錐形鎖緊墊圈 [台灣]
CNS 4402 (V) - 1978
外齒錐形鎖緊墊圈
Countersunk External Toothed Lock Washers
供應商(1)
58 内鋸齒鎖緊墊圈 [台灣]
CNS 4404 (J) - 1978
内鋸齒鎖緊墊圈
Serrated Lock Washer Internal Teeth
59 外鋸齒錐形鎖緊墊圈 [台灣]
CNS 4404 (V) - 1978
外鋸齒錐形鎖緊墊圈
Serrated Lock Washer External Teeth - Taper Type
60 外鋸齒鎖緊墊圈 [台灣]
CNS 4404 (A) - 1978
外鋸齒鎖緊墊圈
Serrated Lock Washer External Teeth
61 雙面印花加厚防松墊圈 [标準]
YJT 6018
雙面印花加厚防松墊圈

62 内齒鎖緊墊圈 [美标]
SAE J 2655 - 2015
内齒鎖緊墊圈
lnternal Tooth-Lock Washers
63 重型内齒鎖緊墊圈 [美标]
SAE J 2655 - 2015
重型内齒鎖緊墊圈
Heavy Internal Tooth-Lock Washers
64 外齒鎖緊墊圈 [美标]
SAE J 2655 - 2015
外齒鎖緊墊圈
External Tooth-Lock Washers
65 錐形鎖緊墊圈 [美标]
SAE J 2655 - 2015
錐形鎖緊墊圈
Countersunk 82° External Tooth-Lock Washers
66 内外齒鎖緊墊圈 [美标]
SAE J 2655 - 2015
内外齒鎖緊墊圈
Internal/ External Tooth-Lock Washers
67 内齒鎖緊墊圈 [美标]
SAE J 489B (Table 3) - 1974
内齒鎖緊墊圈
Internal Tooth Lock Washers
68 重型内齒鎖緊墊圈 [美标]
SAE J 489B (Table 4) - 1974
重型内齒鎖緊墊圈
Heavy Internal Tooth Lock Washers
69 外齒鎖緊墊圈 [美标]
SAE J 489B (Table 5) - 1974
外齒鎖緊墊圈
External Tooth Lock Washers
70 外齒錐形鎖緊墊圈 [美标]
SAE J 489B (Table 6) - 1974
外齒錐形鎖緊墊圈
Countersunk External Tooth Lock Washers
71 内外齒鎖緊墊圈 [美标]
SAE J 489B (Table 7) - 1974
内外齒鎖緊墊圈
Internal-External Tooth Lock Washers
72 内、外鋸齒鎖緊墊圈 [汽标]
QC /T 333 - 1999
内、外鋸齒鎖緊墊圈
Internal/External Serration Lock Washer
供應商(2)
73 米制内齒鎖緊墊圈 [Table 4] (SAE J403, J405, ASTM B591) [美标]
ASME B 18.21.2M - 1999 (R2014)
米制内齒鎖緊墊圈 [Table 4] (SAE J403, J405, ASTM B591)
Metric Internal Tooth Lock Washer [Table 4] (SAE J403, J405, ASTM B591)
供應商(2)
74 米制外齒鎖緊墊圈  [Table 6] (SAE J403, J405, ASTM B591) [美标]
ASME B 18.21.2M - 1999 (R2014)
米制外齒鎖緊墊圈 [Table 6] (SAE J403, J405, ASTM B591)
Metric External Tooth Lock Washers [Table 6] (SAE J403, J405, ASTM B591)
供應商(2)
75 米制外齒錐形鎖緊墊圈 [Table 7] (SAE J403, J405, ASTM B591) [美标]
ASME B 18.21.2M - 1999 (R2014)
米制外齒錐形鎖緊墊圈 [Table 7] (SAE J403, J405, ASTM B591)
Metric Countersunk External Tooth Lock Washers [Table 7] (SAE J403, J405, ASTM B591)
供應商(1)
76 米制重型内齒鎖緊墊圈 [Table 5] (SAE J403, J405, ASTM B591) [美标]
ASME B 18.21.2M - 1999 (R2014)
米制重型内齒鎖緊墊圈 [Table 5] (SAE J403, J405, ASTM B591)
Metric Heavy Internal Tooth Lock Washers [Table 5] (SAE J403, J405, ASTM B591)
供應商(1)
77 米制内外齒鎖緊墊圈 [Table 8]  (SAE J403, J405, ASTM B591) [美标]
ASME B 18.21.2M - 1999 (R2014)
米制内外齒鎖緊墊圈 [Table 8] (SAE J403, J405, ASTM B591)
Meric External-internal Tooth Lock Washers (SAE J403, J405, ASTM B591)
供應商(1)
78 内齒鎖緊墊圈 [table 6] (SAE J403, J405, ASTM B591) [美标]
ASME B 18.21.1 - 2009 (R2016)
内齒鎖緊墊圈 [table 6] (SAE J403, J405, ASTM B591)
lnternal Tooth-Lock Washers (SAE J403, J405, ASTM B591)
79 内齒鎖緊墊圈 - 重型 [table 7] (SAE J403, J405, ASTM B591) [美标]
ASME B 18.21.1 - 2009 (R2016)
内齒鎖緊墊圈 - 重型 [table 7] (SAE J403, J405, ASTM B591)
Heavy Internal Tooth-Lock Washers (SAE J403, J405, ASTM B591)
80 外齒鎖緊墊圈 [table 8] (SAE J403, J405, ASTM B591) [美标]
ASME B 18.21.1 - 2009 (R2016)
外齒鎖緊墊圈 [table 8] (SAE J403, J405, ASTM B591)
External Tooth-Lock Washers (SAE J403, J405, ASTM B591)
81 錐形鎖緊墊圈 [table 9] (SAE J403, J405, ASTM B591) [美标]
ASME B 18.21.1 - 2009 (R2016)
錐形鎖緊墊圈 [table 9] (SAE J403, J405, ASTM B591)
Countersunk External Tooth-Lock Washers (SAE J403, J405, ASTM B591)
82 内外齒鎖緊墊圈 [table 10] (SAE J403, J405, ASTM B591) [美标]
ASME B 18.21.1 - 2009 (R2016)
内外齒鎖緊墊圈 [table 10] (SAE J403, J405, ASTM B591)
Internal/ External Tooth-Lock Washers (SAE J403, J405, ASTM B591)
83 不鏽鋼彈性墊圈和鎖緊墊圈 - 第3部分:内鋸齒鎖緊墊圈 [航天]
QJ 3247.3 - 2005
不鏽鋼彈性墊圈和鎖緊墊圈 - 第3部分:内鋸齒鎖緊墊圈
Spring and Lock Washers in Stainless Steel - Part 3: Serrated Lock Washers Internal Teeth
84 不鏽鋼彈性墊圈和鎖緊墊圈 - 第4部分:外鋸齒鎖緊墊圈 [航天]
QJ 3247.4 - 2005
不鏽鋼彈性墊圈和鎖緊墊圈 - 第4部分:外鋸齒鎖緊墊圈
Spring and Lock Washers in Stainless Steel - Part 4: Serrated Lock Washers External Teeth
85 鎖緊墊圈 [航空]
HB 6473 - 1990
鎖緊墊圈

86 齒形墊圈 [航空]
HB 6474 - 1990
齒形墊圈

标準編号: ZN 1646 - 2010
中文名稱: 金屬鎖緊墊圈 C型
英文名稱: Metal Lockwashers - Type C
數據來源: 易緊通 (164580.com)
Standard Code: ZN 1646 - 2010Chinese Name: 金屬鎖緊墊圈 C型English Name: Metal Lockwashers - Type CSource: https://www.164580.com/info_380290.html
Data Source: YJT Fastener Database (164580.com)
Standard: ZN 1646 - 2010
URL: https://www.164580.com/info_380290.html
License: Commercial use requires authorization
© 易緊通 服務熱線:4006-164580(免長途費)