index
logo

闆式焊接螺母 QC /T 609 - 1999

選擇規格尺寸 點擊↓

M5

M6

M8

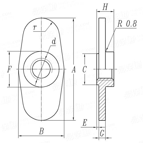
QC /T 609 - 1999 闆式焊接螺母

尺寸單位: mm
汽标QC /T609 - 1999 QC609 609QC 闆式焊接螺母
QC /T 609 - 1999 闆式焊接螺母
掃一掃分享
螺紋規格
d
M5 M6 M8
F 最大值
最小值
H 基本尺寸
最大值
最小值
A 基本尺寸
最大值
最小值
B 基本尺寸
最大值
最小值
G 基本尺寸
最大值
最小值
c 最大值
最小值
E 最大值
最小值
r
相配孔徑
8.5 10 12.7
8 9.5 12
4 4.7 6
4.5 5.2 6.5
3.5 4.2 5.5
25 28 30
25.7 28.1 30.1
24.3 27.9 29.9
11 12.5 15
11.5 13 15.5
10.5 12 14.5
1.6 1.8 2
1.7 1.9 2.1
1.4 1.6 1.8
6.9 8.9 10.9
6.6 8.6 10.6
0.6 0.6 0.6
0.4 0.4 0.4
5 5 6
7~7.3 9~9.3 11~11.3

技術條件和引用标準

材料
螺紋 等級
标準
公差 等級
标準
機械性能 等級
标準
驗收及包裝
鋼含碳量最大 0.2%
6H
GB/T 196、GB/T 197
A
GB/T 3103.1
5
GB/T 3098.2
GB/T 90
注:技術數據僅供參考,請以官方原件為準!
類似标準及供貨信息
1 内六角螺母 [國标]
GB /T 2154 - 1991
内六角螺母
Hexagon Socket Nuts
2 帶固定旋杆的卡式螺母 [德标]
DIN 6305 - 2002
帶固定旋杆的卡式螺母
Tommy Nuts with Fixed Bar
3 三角螺母 [德标]
DIN 22425 - 1990
三角螺母
Electrical Apparatus for Potentially Explosive Atmospheres for Mining; Triangular Nuts
4 小對邊六角(八角)薄螺母 [德标]
DIN 80705 - 1990
小對邊六角(八角)薄螺母
Thin Nuts with Coarse Pitch and Fine Pitch Thread and with Small Widths Across Flats
5 眼鏡框架用 - 星形螺母 [日标]
JIS B 1119 (3S) - 1986
眼鏡框架用 - 星形螺母
Spectacle Frames - Star Nuts
6 A型方螺母座 [汽标代号]
Q 316
A型方螺母座
A Type Square Nuts Box
7 B型方螺母座 [汽标代号]
Q 316
B型方螺母座
B Type Square Nuts Box
8 闆式焊接螺母 [汽标代号]
Q 375
闆式焊接螺母
Plate Weld Nut
9 端封式嵌裝塑料螺母 [汽标代号]
Q 399B
端封式嵌裝塑料螺母

10 PN 250MP 内外牙螺母 [機械行業]
JB /T 1308.8 - 2011
PN 250MP 内外牙螺母
PN 2500 Ultrahigh Pressure Valves and Fittings - Inner and Outer Nuts
11 PN 250MP接頭螺母 [機械行業]
JB /T 1308.9 - 2011
PN 250MP接頭螺母
PN2500 Ultrahigh Pressure Valves and Fittings - Joints Nuts
12 高型蓋形螺母 [機械行業]
JB /ZQ 4329 - 2006
高型蓋形螺母
Acorn Nuts, High Style
13 拉杆螺母 [機械行業]
JB /ZQ 4332 - 2006
拉杆螺母

14 圓柱螺母 [機械行業]
JB /ZQ 4365 - 2006
圓柱螺母

15 PN 250MP 内外牙螺母 [機械行業]
JB /T 1308.8 - 1999
PN 250MP 内外牙螺母
Internal and External Tooth Nut
16 PN 250MPa接頭螺母 [機械行業]
JB /T 1308.9 - 1999
PN 250MPa接頭螺母
PN 250 MPa Joints Nuts
17 履帶式推土機 驅動輪齒用螺母 [機械行業]
JB /T 2984.3 - 1999
履帶式推土機 驅動輪齒用螺母
Crawler Bulldozer - Nuts for Track Shoe and Sprocket Segment
18 内六角螺母 [機械行業]
JB /T 8004.7 - 1999
内六角螺母
Hexagon Socket Nuts
19 加非金屬墊圈的六角螺帽 壓緊光滑錐形墊圈 A級 [法國]
NF E 25-417 - 1986
加非金屬墊圈的六角螺帽 壓緊光滑錐形墊圈 A級
Hexagon Nuts with Collar(Non-Metallic), Pressing Smooth Taper Collar, Grade A
20 鐵路車輛 A級 圓頭側切口螺母 [法國]
NF F 03-007 (R) - 1983
鐵路車輛 A級 圓頭側切口螺母
Railway Rolling Stock - Grade A - Round Head Nuts
21 鐵路車輛 A級 圓頂螺母 [法國]
NF F 03-007 (CR) - 1983
鐵路車輛 A級 圓頂螺母
Railway Rolling Stock - Grade A - Domed Head Nuts
22 吊杆連接螺母 [化工]
HG /T 21629 (A27) - 2021
吊杆連接螺母

23 松緊螺母 [化工]
HG /T 21629 (A17) - 1999
松緊螺母

24 T形旋柄螺母 [台灣]
CNS 4660 - 1984
T形旋柄螺母
Tommy Nuts with Fixed Clamping Bolt
25 三角帶墊螺母 [台灣]
CNS 5405 - 1980
三角帶墊螺母
Triangle Nuts for Non-Sparking & Explosion Gun Tools
26 公制 K帽 [标準]
YJT 3028
公制 K帽
K-Lock Nuts, Metric
供應商(2)
27 塑料(橡膠)螺絲蓋帽 [标準]
YJT 3012
塑料(橡膠)螺絲蓋帽
Plastic (rubber) Nuts
28 A型方螺母座 [汽标]
QC /T 859 - 2011
A型方螺母座
A Type Square Nuts Box
29 B型方螺母座 [汽标]
QC /T 862 - 2011
B型方螺母座
B Type Square Nuts Box
30 A型通孔式嵌裝塑料螺母 [汽标]
QC /T 614 - 1999
A型通孔式嵌裝塑料螺母

31 端封式嵌裝塑料螺母 [汽标]
QC /T 617 - 1999
端封式嵌裝塑料螺母

© 易緊通 服務熱線:4006-164580(免長途費)