index
logo

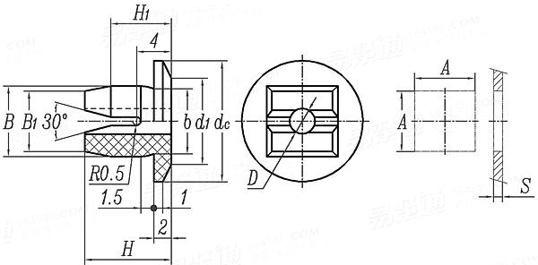
A型通孔式嵌裝塑料螺母 QC /T 614 - 1999

選擇規格尺寸 點擊↓

01

02

03

04


尺寸單位: mm
汽标QC /T614 - 1999 QC614 614QC A型通孔式嵌裝塑料螺母
QC /T 614 - 1999 A型通孔式嵌裝塑料螺母
掃一掃分享
代号
01 02 03 04
D
dc
d1
H
H1
B
B1
S
b
A 最小值
最大值
适用螺紋 GB /T 5280-1986
2.0~2.3 2.5~2.9 3.1~3.7 3.6~4.2
10 12 14 16
8 9 10 11
7 8 10 12
5 6 7 8
6.2 7.2 8.2 9.2
4 5 6 7
0.8~1.0 0.8~1.0 0.8~1.0 1.2~1.5
5.9 6.9 7.9 8.9
6 7 8 9
6.18 7.22 8.22 9.22
ST2.9 ST3.5 ST4.2 ST4.8
①,技術條件按 QC/T 618 的規定。
注:技術數據僅供參考,請以官方原件為準!
類似标準及供貨信息
1 内六角螺母 [國标]
GB /T 2154 - 1991
内六角螺母
Hexagon Socket Nuts
2 帶固定旋杆的卡式螺母 [德标]
DIN 6305 - 2002
帶固定旋杆的卡式螺母
Tommy Nuts with Fixed Bar
3 三角螺母 [德标]
DIN 22425 - 1990
三角螺母
Electrical Apparatus for Potentially Explosive Atmospheres for Mining; Triangular Nuts
4 小對邊六角(八角)薄螺母 [德标]
DIN 80705 - 1990
小對邊六角(八角)薄螺母
Thin Nuts with Coarse Pitch and Fine Pitch Thread and with Small Widths Across Flats
5 眼鏡框架用 - 星形螺母 [日标]
JIS B 1119 (3S) - 1986
眼鏡框架用 - 星形螺母
Spectacle Frames - Star Nuts
6 A型方螺母座 [汽标代号]
Q 316
A型方螺母座
A Type Square Nuts Box
7 B型方螺母座 [汽标代号]
Q 316
B型方螺母座
B Type Square Nuts Box
8 闆式焊接螺母 [汽标代号]
Q 375
闆式焊接螺母
Plate Weld Nut
9 端封式嵌裝塑料螺母 [汽标代号]
Q 399B
端封式嵌裝塑料螺母

10 PN 250MP 内外牙螺母 [機械行業]
JB /T 1308.8 - 2011
PN 250MP 内外牙螺母
PN 2500 Ultrahigh Pressure Valves and Fittings - Inner and Outer Nuts
11 PN 250MP接頭螺母 [機械行業]
JB /T 1308.9 - 2011
PN 250MP接頭螺母
PN2500 Ultrahigh Pressure Valves and Fittings - Joints Nuts
12 高型蓋形螺母 [機械行業]
JB /ZQ 4329 - 2006
高型蓋形螺母
Acorn Nuts, High Style
13 拉杆螺母 [機械行業]
JB /ZQ 4332 - 2006
拉杆螺母

14 圓柱螺母 [機械行業]
JB /ZQ 4365 - 2006
圓柱螺母

15 PN 250MP 内外牙螺母 [機械行業]
JB /T 1308.8 - 1999
PN 250MP 内外牙螺母
Internal and External Tooth Nut
16 PN 250MPa接頭螺母 [機械行業]
JB /T 1308.9 - 1999
PN 250MPa接頭螺母
PN 250 MPa Joints Nuts
17 履帶式推土機 驅動輪齒用螺母 [機械行業]
JB /T 2984.3 - 1999
履帶式推土機 驅動輪齒用螺母
Crawler Bulldozer - Nuts for Track Shoe and Sprocket Segment
18 内六角螺母 [機械行業]
JB /T 8004.7 - 1999
内六角螺母
Hexagon Socket Nuts
19 加非金屬墊圈的六角螺帽 壓緊光滑錐形墊圈 A級 [法國]
NF E 25-417 - 1986
加非金屬墊圈的六角螺帽 壓緊光滑錐形墊圈 A級
Hexagon Nuts with Collar(Non-Metallic), Pressing Smooth Taper Collar, Grade A
20 鐵路車輛 A級 圓頭側切口螺母 [法國]
NF F 03-007 (R) - 1983
鐵路車輛 A級 圓頭側切口螺母
Railway Rolling Stock - Grade A - Round Head Nuts
21 鐵路車輛 A級 圓頂螺母 [法國]
NF F 03-007 (CR) - 1983
鐵路車輛 A級 圓頂螺母
Railway Rolling Stock - Grade A - Domed Head Nuts
22 吊杆連接螺母 [化工]
HG /T 21629 (A27) - 2021
吊杆連接螺母

23 松緊螺母 [化工]
HG /T 21629 (A17) - 1999
松緊螺母

24 T形旋柄螺母 [台灣]
CNS 4660 - 1984
T形旋柄螺母
Tommy Nuts with Fixed Clamping Bolt
25 公制 K帽 [标準]
YJT 3028
公制 K帽
K-Lock Nuts, Metric
供應商(2)
26 塑料(橡膠)螺絲蓋帽 [标準]
YJT 3012
塑料(橡膠)螺絲蓋帽
Plastic (rubber) Nuts
27 A型方螺母座 [汽标]
QC /T 859 - 2011
A型方螺母座
A Type Square Nuts Box
28 B型方螺母座 [汽标]
QC /T 862 - 2011
B型方螺母座
B Type Square Nuts Box
29 闆式焊接螺母 [汽标]
QC /T 609 - 1999
闆式焊接螺母

30 端封式嵌裝塑料螺母 [汽标]
QC /T 617 - 1999
端封式嵌裝塑料螺母

标準編号: QC /T 614 - 1999
中文名稱: A型通孔式嵌裝塑料螺母
英文名稱:
數據來源: 易緊通 (164580.com)
Standard Code: QC /T 614 - 1999Chinese Name: A型通孔式嵌裝塑料螺母English Name: Source: https://www.164580.com/info_343060.html
Data Source: YJT Fastener Database (164580.com)
Standard: QC /T 614 - 1999
URL: https://www.164580.com/info_343060.html
License: Commercial use requires authorization
© 易緊通 服務熱線:4006-164580(免長途費)