index
logo

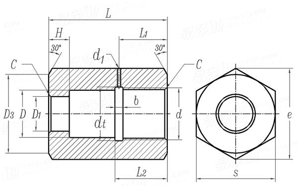
PN 250MP接頭螺母 JB /T 1308.9 - 2011

選擇規格尺寸 點擊↓

3

6

10

15

JB /T 1308.9 - 2011 PN 250MP接頭螺母

尺寸單位: mm
機械行業JB /T1308.9 - 2011 JB1308.9 1308.9JB PN 250MP接頭螺母
JB /T 1308.9 - 2011 PN 250MP接頭螺母
掃一掃分享
千件重及價格計算 千件重 : kg x 元/kg = 元/千件
默認密度 g/cm3
公稱通徑
3 6 10 15
d
D 最小值
最大值
D1
dt
L
H
L2
b
L1
d1
c
e
D3
s
單重≈kg
M20*1.5-6H M24*2-6H M33*2-6H M48*2-6H
16 21 30 45
16.035 21.045 30.045 45.05
12 16 22 36
20.3 24.4 33.4 48.4
45 58 75 88
7 10 13 19
25 29 33 35
3 5 5 5
23.5 26.5 30.5 32.5
1.5 2 2 3
1 1.5 1.5 1.5
31.2 41.6 57.5 80.8
25.5 34 47.5 67
27 36 50 70
0.14 0.35 0.97 1.85
替代列表

技術條件和引用标準

材料 牌号
力學性能
其他
接頭螺母的材料為35CrMoA,技術要求按 GB/T 3077 的規定。
抗拉強度Rm/MPa ≥883
下屈服強度ReL/MPa ≥686
伸長率A(%) ≥16
斷面收縮率 Z(%) ≥50
沖擊吸收能量K/J ≥78.4
硬度 HB 248~302
螺紋基本尺寸按GB/T 196 的規定,公差按 GB/T 197-2003 規定的 6H 級精度。
螺紋表面不應有裂紋、凹陷等影響強度的缺陷,并消除第一圈不完整的螺紋。
每個接頭螺母應在外表面規定處用鋼印打上印記,印記内容: JB/T 1308.9 規格/批号。
未注明的機械加工尺寸公差按 GB/T 1804 的規定。
螺紋部分應采取措施,以防咬傷。
接頭螺母的超聲檢測、磁粉檢測和其他技術要求按JB/T 1308.2 的規定。
注:技術數據僅供參考,請以官方原件為準!
類似标準及供貨信息
1 内六角螺母 [國标]
GB /T 2154 - 1991
内六角螺母
Hexagon Socket Nuts
2 帶固定旋杆的卡式螺母 [德标]
DIN 6305 - 2002
帶固定旋杆的卡式螺母
Tommy Nuts with Fixed Bar
3 三角螺母 [德标]
DIN 22425 - 1990
三角螺母
Electrical Apparatus for Potentially Explosive Atmospheres for Mining; Triangular Nuts
4 小對邊六角(八角)薄螺母 [德标]
DIN 80705 - 1990
小對邊六角(八角)薄螺母
Thin Nuts with Coarse Pitch and Fine Pitch Thread and with Small Widths Across Flats
5 眼鏡框架用 - 星形螺母 [日标]
JIS B 1119 (3S) - 1986
眼鏡框架用 - 星形螺母
Spectacle Frames - Star Nuts
6 A型方螺母座 [汽标代号]
Q 316
A型方螺母座
A Type Square Nuts Box
7 B型方螺母座 [汽标代号]
Q 316
B型方螺母座
B Type Square Nuts Box
8 闆式焊接螺母 [汽标代号]
Q 375
闆式焊接螺母
Plate Weld Nut
9 端封式嵌裝塑料螺母 [汽标代号]
Q 399B
端封式嵌裝塑料螺母

10 PN 250MP 内外牙螺母 [機械行業]
JB /T 1308.8 - 2011
PN 250MP 内外牙螺母
PN 2500 Ultrahigh Pressure Valves and Fittings - Inner and Outer Nuts
11 高型蓋形螺母 [機械行業]
JB /ZQ 4329 - 2006
高型蓋形螺母
Acorn Nuts, High Style
12 拉杆螺母 [機械行業]
JB /ZQ 4332 - 2006
拉杆螺母

13 圓柱螺母 [機械行業]
JB /ZQ 4365 - 2006
圓柱螺母

14 PN 250MP 内外牙螺母 [機械行業]
JB /T 1308.8 - 1999
PN 250MP 内外牙螺母
Internal and External Tooth Nut
15 PN 250MPa接頭螺母 [機械行業]
JB /T 1308.9 - 1999
PN 250MPa接頭螺母
PN 250 MPa Joints Nuts
16 履帶式推土機 驅動輪齒用螺母 [機械行業]
JB /T 2984.3 - 1999
履帶式推土機 驅動輪齒用螺母
Crawler Bulldozer - Nuts for Track Shoe and Sprocket Segment
17 内六角螺母 [機械行業]
JB /T 8004.7 - 1999
内六角螺母
Hexagon Socket Nuts
18 加非金屬墊圈的六角螺帽 壓緊光滑錐形墊圈 A級 [法國]
NF E 25-417 - 1986
加非金屬墊圈的六角螺帽 壓緊光滑錐形墊圈 A級
Hexagon Nuts with Collar(Non-Metallic), Pressing Smooth Taper Collar, Grade A
19 鐵路車輛 A級 圓頭側切口螺母 [法國]
NF F 03-007 (R) - 1983
鐵路車輛 A級 圓頭側切口螺母
Railway Rolling Stock - Grade A - Round Head Nuts
20 鐵路車輛 A級 圓頂螺母 [法國]
NF F 03-007 (CR) - 1983
鐵路車輛 A級 圓頂螺母
Railway Rolling Stock - Grade A - Domed Head Nuts
21 吊杆連接螺母 [化工]
HG /T 21629 (A27) - 2021
吊杆連接螺母

22 松緊螺母 [化工]
HG /T 21629 (A17) - 1999
松緊螺母

23 T形旋柄螺母 [台灣]
CNS 4660 - 1984
T形旋柄螺母
Tommy Nuts with Fixed Clamping Bolt
24 三角帶墊螺母 [台灣]
CNS 5405 - 1980
三角帶墊螺母
Triangle Nuts for Non-Sparking & Explosion Gun Tools
25 公制 K帽 [标準]
YJT 3028
公制 K帽
K-Lock Nuts, Metric
供應商(2)
26 塑料(橡膠)螺絲蓋帽 [标準]
YJT 3012
塑料(橡膠)螺絲蓋帽
Plastic (rubber) Nuts
27 A型方螺母座 [汽标]
QC /T 859 - 2011
A型方螺母座
A Type Square Nuts Box
28 B型方螺母座 [汽标]
QC /T 862 - 2011
B型方螺母座
B Type Square Nuts Box
29 闆式焊接螺母 [汽标]
QC /T 609 - 1999
闆式焊接螺母

30 A型通孔式嵌裝塑料螺母 [汽标]
QC /T 614 - 1999
A型通孔式嵌裝塑料螺母

31 端封式嵌裝塑料螺母 [汽标]
QC /T 617 - 1999
端封式嵌裝塑料螺母

© 易緊通 服務熱線:4006-164580(免長途費)