index
logo

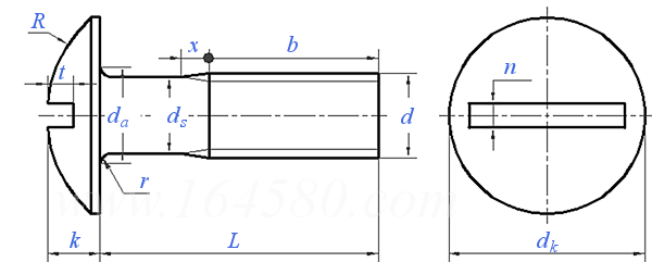
開槽大扁頭螺釘 附表JA.6 JIS B 1101 (JA6) - 2017

選擇規格尺寸 點擊↓

M2

M2.5

M3

(M3.5)

M4

M5

M6

M8

括号内尺寸為非優選
JIS B 1101 (JA6) - 2017 開槽大扁頭螺釘 附表JA.6

尺寸單位: mm
日标JIS B1101 (JA6) - 2017 JIS1101 1101JIS 開槽大扁頭螺釘 附表JA.6
JIS B 1101 (JA6) - 2017 開槽大扁頭螺釘 附表JA.6
掃一掃分享
公稱長度L 注:選擇後獲得 螺紋長度
螺紋尺寸
d
M2 M2.5 M3 (M3.5) M4 M5 M6 M8
P 螺距
dk 最大值=公稱
最小值
k 公稱
最大值
最小值
R
n 最大值
最小值=公稱
t 公稱
最大值
最小值
r 最小值
da 最大值
0.4 0.45 0.5 0.6 0.7 0.8 1 1.25
4.5 5.7 6.9 8.1 9.4 11.8 14 17.8
4.1 5.3 6.4 7.6 8.9 11.2 13.3 17
1.2 1.5 1.9 2.2 2.5 3.1 3.7 4.8
1.3 1.6 2.05 2.35 2.65 3.25 3.9 5
1.1 1.4 1.75 2.05 2.35 2.95 3.5 4.6
3 3.7 4.6 5.4 6.10 7.7 9.1 11.7
0.75 0.95 0.95 1.15 1.15 1.4 1.4 1.8
0.6 0.8 0.8 1 1 1.2 1.2 1.6
0.6 0.75 0.95 1.1 1.25 1.6 1.9 2.4
0.7 0.85 1.1 1.25 1.45 1.85 2.2 2.8
0.5 0.65 0.8 0.95 1.05 1.35 1.6 2
0.1 0.1 0.1 0.1 0.2 0.2 0.25 0.4
2.6 3.1 3.6 4.1 4.7 5.7 6.8 9.2
螺紋長度b
- - - - - - - -
①,ds ≈ 螺紋中徑
②,x = 2P
替代列表
注:技術數據僅供參考,請以官方原件為準!
類似标準及供貨信息
1 開槽球面大圓柱頭螺釘 [國标]
GB 947 - 1988
開槽球面大圓柱頭螺釘
Slotted Large Raised Cheese Head Screws
供應商(1)
2 開槽大扁頭螺釘 附表4 [Annex Attached Table 4] [日标]
JIS B 1101 (AAT4) - 1996
開槽大扁頭螺釘 附表4 [Annex Attached Table 4]
Slotted Truss Head Screws [Annex Attached Table 4]
3 眼鏡框架用 - 開槽扁頭螺釘 [日标]
JIS B 1119 (1R) - 1986
眼鏡框架用 - 開槽扁頭螺釘
Spectacle Frames - Slotted Round Head Screws
4 開槽大扁頭螺釘Table24 [美标]
ASME/ANSI B 18.6.3 - 2010
開槽大扁頭螺釘Table24
Slotted Truss Head Machine Screws
5 鐵路車輛 扁圓頭側切口機械螺釘 [法國]
NF F 03-005 (CR) - 1983
鐵路車輛 扁圓頭側切口機械螺釘
Railway Rolling Stock Grade A Notched Dome Head Machine Screws
6 英制開槽大扁頭螺釘 - B.S.W. & B.S.F. 螺紋 [Table 8] [英标]
BS 450 - 1958
英制開槽大扁頭螺釘 - B.S.W. & B.S.F. 螺紋 [Table 8]
Slotted Mushroom Head Screws with B.S.W. & B.S.F. Threads [Table 8]
7 米制開槽大扁頭螺釘 [Table 5] [澳标]
AS /NZS 1427 - 1996
米制開槽大扁頭螺釘 [Table 5]
ISO Metric Slotted Mushroom Head Screws [Table 5]
8 有槽蕈形頭小螺釘 [台灣]
CNS 9672 - 1988
有槽蕈形頭小螺釘
Slotted Mushroom Head Machine Screws
9 開槽扁圓頂錐頭小螺釘 [台灣]
CNS 9673 - 1988
開槽扁圓頂錐頭小螺釘
Slotted Binding Head Machine Screws
10 開槽扁圓頭螺栓 [軍标]
GJB 3371 (/45~/47) - 1998
開槽扁圓頭螺栓
Mushroom Head Screws
11 扁圓頭錐端螺栓 [軍标]
GJB 3371 (/66) - 1998
扁圓頭錐端螺栓
Mushroom Head Screws with Cone Point
12 扁圓頭螺釘 開槽 [軍标]
GJB 3372 (/32~/35) - 1998
扁圓頭螺釘 開槽
Slotted Truss Head Screws
13 開槽扁圓頭螺釘 (ASTM F837, F468) [TABLE 2.2.7-1] [美标]
ASME B 18.6.3 (H7A) - 2024
開槽扁圓頭螺釘 (ASTM F837, F468) [TABLE 2.2.7-1]
Slotted Truss Head Screws (ASTM F837, F468) [TABLE 2.2.7-1]
14 開槽扁圓頭螺釘 [Table 24] (ASTM F837, F468) [美标]
ASME B 18.6.3 (T24) - 2013
開槽扁圓頭螺釘 [Table 24] (ASTM F837, F468)
Slotted Truss Head Screws [Table 24] (ASTM F837, F468)
15 開槽大扁頭螺釘 [航天]
QJ 2387 - 1992
開槽大扁頭螺釘
Slotted Large Flat Head Screws
© 易緊通 服務熱線:4006-164580(免長途費)