index
logo

眼鏡框架用 - 開槽扁頭螺釘 JIS B 1119 (1R) - 1986

選擇規格尺寸 點擊↓

M1 ×1.5

M1 ×1.8

M1.2 ×1.8

M1.2 ×2

M1.4 ×1.8

M1.4 ×2

M1.4 ×2.5

M1.4 ×2.8

M1.6 ×2.5

M1.6 ×2.8

(M1.7) ×2.5

(M1.7) ×2.8

M2 ×3

括号内尺寸為非優選

尺寸單位: mm
日标JIS B1119 (1R) - 1986 JIS1119 1119JIS 眼鏡框架用 - 開槽扁頭螺釘
JIS B 1119 (1R) - 1986 眼鏡框架用 - 開槽扁頭螺釘
掃一掃分享
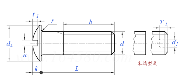
螺紋規格
d
M1
×1.5
M1
×1.8
M1.2
×1.8
M1.2
×2
M1.4
×1.8
M1.4
×2
M1.4
×2.5
M1.4
×2.8
M1.6
×2.5
M1.6
×2.8
(M1.7)
×2.5
(M1.7)
×2.8
M2
×3
P 螺距
dk 最大值
最小值
k 最大值
最小值
n 最大值
最小值
r 最大值
d1
T1
0.25 0.25 0.25 0.25 0.3 0.3 0.3 0.3 0.35 0.35 0.35 0.35 0.4
1.5 1.8 1.8 2 1.8 2 2.5 2.8 2.5 2.8 2.5 2.8 3
1.36 1.66 1.66 1.86 1.66 1.86 2.36 2.66 2.36 2.66 2.36 2.66 2.86
0.67 0.67 0.67 0.67 0.67 0.67 0.67 0.67 0.67 0.67 0.67 0.67 0.67
0.53 0.53 0.53 0.53 0.53 0.53 0.53 0.53 0.53 0.53 0.53 0.53 0.53
0.4 0.4 0.4 0.48 0.4 0.48 0.48 0.48 0.48 0.48 0.48 0.48 0.48
0.32 0.32 0.32 0.4 0.32 0.4 0.4 0.4 0.4 0.4 0.4 0.4 0.4
0.05 0.05 0.05 0.05 0.05 0.05 0.05 0.05 0.05 0.05 0.05 0.05 0.05
/ / / / 0.6 0.6 0.6 0.6 0.6 0.6 0.6 0.6 /
/ / / / 0.6 0.6 0.6 0.6 0.6 0.6 0.6 0.6 /
注:技術數據僅供參考,請以官方原件為準!
類似标準及供貨信息
1 開槽球面大圓柱頭螺釘 [國标]
GB 947 - 1988
開槽球面大圓柱頭螺釘
Slotted Large Raised Cheese Head Screws
供應商(1)
2 開槽大扁頭螺釘 附表JA.6 [日标]
JIS B 1101 (JA6) - 2017
開槽大扁頭螺釘 附表JA.6
Slotted Truss Head Screws - Table JA.6
3 開槽大扁頭螺釘 附表4 [Annex Attached Table 4] [日标]
JIS B 1101 (AAT4) - 1996
開槽大扁頭螺釘 附表4 [Annex Attached Table 4]
Slotted Truss Head Screws [Annex Attached Table 4]
4 開槽大扁頭螺釘Table24 [美标]
ASME/ANSI B 18.6.3 - 2010
開槽大扁頭螺釘Table24
Slotted Truss Head Machine Screws
5 鐵路車輛 扁圓頭側切口機械螺釘 [法國]
NF F 03-005 (CR) - 1983
鐵路車輛 扁圓頭側切口機械螺釘
Railway Rolling Stock Grade A Notched Dome Head Machine Screws
6 英制開槽大扁頭螺釘 - B.S.W. & B.S.F. 螺紋 [Table 8] [英标]
BS 450 - 1958
英制開槽大扁頭螺釘 - B.S.W. & B.S.F. 螺紋 [Table 8]
Slotted Mushroom Head Screws with B.S.W. & B.S.F. Threads [Table 8]
7 米制開槽大扁頭螺釘 [Table 5] [澳标]
AS /NZS 1427 - 1996
米制開槽大扁頭螺釘 [Table 5]
ISO Metric Slotted Mushroom Head Screws [Table 5]
8 有槽蕈形頭小螺釘 [台灣]
CNS 9672 - 1988
有槽蕈形頭小螺釘
Slotted Mushroom Head Machine Screws
9 開槽扁圓頂錐頭小螺釘 [台灣]
CNS 9673 - 1988
開槽扁圓頂錐頭小螺釘
Slotted Binding Head Machine Screws
10 開槽扁圓頭螺栓 [軍标]
GJB 3371 (/45~/47) - 1998
開槽扁圓頭螺栓
Mushroom Head Screws
11 扁圓頭錐端螺栓 [軍标]
GJB 3371 (/66) - 1998
扁圓頭錐端螺栓
Mushroom Head Screws with Cone Point
12 扁圓頭螺釘 開槽 [軍标]
GJB 3372 (/32~/35) - 1998
扁圓頭螺釘 開槽
Slotted Truss Head Screws
13 開槽扁圓頭螺釘 (ASTM F837, F468) [TABLE 2.2.7-1] [美标]
ASME B 18.6.3 (H7A) - 2024
開槽扁圓頭螺釘 (ASTM F837, F468) [TABLE 2.2.7-1]
Slotted Truss Head Screws (ASTM F837, F468) [TABLE 2.2.7-1]
14 開槽扁圓頭螺釘 [Table 24] (ASTM F837, F468) [美标]
ASME B 18.6.3 (T24) - 2013
開槽扁圓頭螺釘 [Table 24] (ASTM F837, F468)
Slotted Truss Head Screws [Table 24] (ASTM F837, F468)
15 開槽大扁頭螺釘 [航天]
QJ 2387 - 1992
開槽大扁頭螺釘
Slotted Large Flat Head Screws
标準編号: JIS B 1119 (1R) - 1986
中文名稱: 眼鏡框架用 - 開槽扁頭螺釘
英文名稱: Spectacle Frames - Slotted Round Head Screws
數據來源: 易緊通 (164580.com)
Standard Code: JIS B 1119 (1R) - 1986Chinese Name: 眼鏡框架用 - 開槽扁頭螺釘English Name: Spectacle Frames - Slotted Round Head ScrewsSource: https://www.164580.com/info_46325.html
Data Source: YJT Fastener Database (164580.com)
Standard: JIS B 1119 (1R) - 1986
URL: https://www.164580.com/info_46325.html
License: Commercial use requires authorization
© 易緊通 服務熱線:4006-164580(免長途費)