index
logo

開槽半沉頭螺釘 附表JA.5 JIS B 1101 (JA5) - 2017

選擇規格尺寸 點擊↓

M1

M1.2

(M1.4)

M1.6

M2

M2.5

M3

(M3.5)

M4

M5

M6

M8

括号内尺寸為非優選

尺寸單位: mm
日标JIS B1101 (JA5) - 2017 JIS1101 1101JIS 開槽半沉頭螺釘 附表JA.5
日标JIS B1101 (JA5) - 2017 JIS1101 1101JIS 開槽半沉頭螺釘 附表JA.5
JIS B 1101 (JA5) - 2017 開槽半沉頭螺釘 附表JA.5
掃一掃分享
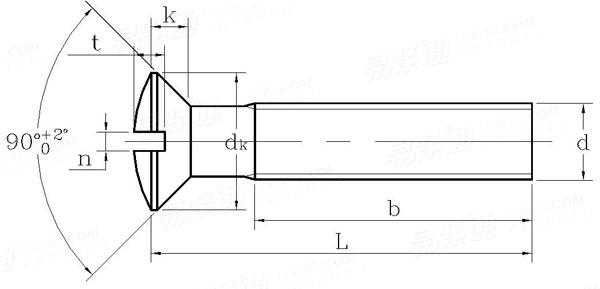
螺紋尺寸
d
M1 M1.2 (M1.4) M1.6 M2 M2.5 M3 (M3.5) M4 M5 M6 M8
P 螺距
dk 最大值=公稱
最小值
k 最大值
最小值
n 最大值
最小值=公稱
t 公稱
最大值
最小值
0.25 0.25 0.3 0.35 0.4 0.45 0.5 0.6 0.7 0.8 1 1.25
2 2.4 2.8 3.2 4 5 6 7 8 10 12 16
1.7 2.1 2.5 2.8 3.6 4.6 5.5 6.5 7.5 9.4 11.3 15.2
0.6 0.7 0.85 0.95 1.2 1.45 1.75 2 2.3 2.8 3.4 4.4
0.5 0.6 0.75 0.85 1 1.25 1.45 1.7 2 2.5 3 4
0.42 0.42 0.42 0.55 0.75 0.95 0.95 1.15 1.15 1.4 1.4 1.8
0.32 0.32 0.32 0.4 0.6 0.8 0.8 1 1 1.2 1.2 1.6
0.35 0.45 0.5 0.55 0.7 0.9 1.1 1.2 1.4 1.7 2.1 2.7
0.45 0.55 0.6 0.65 0.85 1.05 1.3 1.4 1.65 2 2.5 3.2
0.25 0.35 0.4 0.45 0.55 0.75 0.9 1 1.15 1.4 1.7 2.2
替代列表
注:技術數據僅供參考,請以官方原件為準!
類似标準及供貨信息
1 開槽半沉頭螺釘 [國标]
GB /T 69 - 2016
開槽半沉頭螺釘
Slotted Raised Countersunk Head Screws
供應商(1)
2 開槽半沉頭螺釘 [國标]
GB /T 69 - 2000
開槽半沉頭螺釘
Countersunk Slotted Raised Head Screws (Common Head Style)
供應商(1)
3 開槽半沉頭螺釘 [國标]
GB 69 - 1985
開槽半沉頭螺釘
Slotted Raised Countersunk Head Screws
供應商(1)
4 開槽半沉頭不脫出螺釘 [國标]
GB 949 - 1988
開槽半沉頭不脫出螺釘
Slotted Raised Countersunk Head Screws with Waisted Shank
5 米制開槽半沉頭機械螺釘  Table 4 [美标]
IFI 513 - 1982
米制開槽半沉頭機械螺釘 Table 4
Metric Slotted Oval Countersunk Head Machine Screws
6 開槽半沉頭螺釘 [德标]
DIN 964 - 1990
開槽半沉頭螺釘
Slotted Raised Countersunk Head Screws
供應商(3)
7 開槽半沉頭圓柱端螺釘 [德标]
DIN 924 - 2024
開槽半沉頭圓柱端螺釘
Slotted Raised Countersunk Head Screws with Dog Point
8 開槽半沉頭圓柱端螺釘 [德标]
DIN 924 - 2012
開槽半沉頭圓柱端螺釘
Slotted Raised Countersunk Head Screws with Dog Point
9 開槽半沉頭圓柱端螺釘 [德标]
DIN 924 - 2006
開槽半沉頭圓柱端螺釘
Slotted Raised Countersunk Head Screws with Dog Point
10 一字槽半沉頭螺釘(普通頭型).產品等級A [國際]
ISO 2010 - 2011
一字槽半沉頭螺釘(普通頭型).產品等級A
Slotted Raised Countersunk Head Screws - Product Grade A
供應商(1)
11 開槽半沉頭螺釘(通用頭型) 產品等級A級 [國際]
ISO 2010 - 1994
開槽半沉頭螺釘(通用頭型) 產品等級A級
Countersunk Slotted Raised Head Screws (common head style) - Product Grade A
供應商(1)
12 開槽半沉頭螺釘 表10 [日标]
JIS B 1101 (T10) - 2017
開槽半沉頭螺釘 表10
Slotted Raised Countersunk Head Screws - Table 10
13 精密機械用開槽半沉頭螺釘 [日标]
JIS B 1116 (T5) - 2009
精密機械用開槽半沉頭螺釘
Slotted Raised Countersunk Head Screws for Fine Mechanics
14 開槽半沉頭螺釘 附表3 [Annex Attached Table 3] [日标]
JIS B 1101 (AAT3) - 1996
開槽半沉頭螺釘 附表3 [Annex Attached Table 3]
Slotted Raised Countersunk Head Screws [Annex Attached Table 3]
15 開槽半沉頭螺釘 表4 [Attached Table 4] [日标]
JIS B 1101 (AT4) - 1996
開槽半沉頭螺釘 表4 [Attached Table 4]
Slotted Raised Countersunk Head Screws [Attached Table 4]
16 眼鏡框架用 - 開槽倒角半沉頭螺釘 [日标]
JIS B 1119 (1CFC) - 1986
眼鏡框架用 - 開槽倒角半沉頭螺釘
Spectacle Frames - Slotted Chamfered Flat Countersunk Machine Screws
17 眼鏡框架用 - 開槽弧面半沉頭螺釘 [日标]
JIS B 1119 (1RFC) - 1986
眼鏡框架用 - 開槽弧面半沉頭螺釘
Spectacle Frames - Slotted Round Flat Countersunk Machine Screws
18 開槽半沉頭螺釘Table7 [美标]
ASME/ANSI B 18.6.3 - 2010
開槽半沉頭螺釘Table7
Slottted Oval Countersunk Head Machine Screws
19 80°開槽半沉頭清根螺釘Table11 [美标]
ASME/ANSI B 18.6.3 (T11) - 2010
80°開槽半沉頭清根螺釘Table11
80° Slotted Undercut Oval Countersunk Head Machine Screws
20 米制開槽半沉頭螺釘Table6 [美标]
ASME/ANSI B 18.6.7M - 1998
米制開槽半沉頭螺釘Table6
Metric Slotted Raised Countersunk Head Screws
21 開槽半沉頭螺釘 [法國]
NF E 25-124 - 1994
開槽半沉頭螺釘
Slotted Raised Countersunk Head Screws - Product Grade A
22 鐵路車輛  半沉頭側切口機械螺釘 [法國]
NF F 03-004 (FB) - 1983
鐵路車輛 半沉頭側切口機械螺釘
Railway Rolling Stock Grade A Raised Countersunk Notched Head Machine
23 鐵路車輛 A級開槽半沉頭螺釘/螺母 [法國]
NF F 03-006 (slot) - 1983
鐵路車輛 A級開槽半沉頭螺釘/螺母
Railway Rolling Stock Grade A Slotted Raised Countersunk Head Screws/Nuts
24 鐵路車輛 A級  沉頭側切口螺釘/螺母 [法國]
NF F 03-006 (notch) - 1983
鐵路車輛 A級 沉頭側切口螺釘/螺母
Railway Rolling Stock Grade A Notched Raised Countersunk Head Screws / Nuts
25 開槽半沉頭螺釘(短的)Table10 [英标]
BS 1981 - 1991
開槽半沉頭螺釘(短的)Table10
Slottted Oval Countersunk Head Screws: Short Length
26 開槽半沉頭螺釘Table8 [英标]
BS 1981 - 1991
開槽半沉頭螺釘Table8
Slotted Raised Countersunk Head Machine Screws
27 開槽半沉頭機械螺釘 [英标]
BS 4183 (T3) - 1967
開槽半沉頭機械螺釘
Slotted Raised Countersunk Head Machine Screws. Metric Series
28 英制開槽半沉頭螺釘 - B.S.W. & B.S.F. 螺紋 [Table 3] [英标]
BS 450 - 1958
英制開槽半沉頭螺釘 - B.S.W. & B.S.F. 螺紋 [Table 3]
Slotted 90° Raised-Countersunk Head Screws with B.S.W. & B.S.F. Threads [Table 3]
29 米制開槽半沉頭螺釘  [Table 2] [澳标]
AS /NZS 1427 - 1996
米制開槽半沉頭螺釘 [Table 2]
ISO Metric Slotted Raised Countersunk Head Screws [Table 2]
30 精密機械用開槽半沉頭螺釘 [台灣]
CNS 9679 - 1982
精密機械用開槽半沉頭螺釘
Slotted Raised Countersunk Head Screws for Fine Mechanics
31 開槽半沉頭螺釘 [台灣]
CNS 4414 - 1981
開槽半沉頭螺釘
Slotted Raised Countersunk (Oval) Head Screws
32 開槽半沉頭螺釘 A級和B級 [俄标]
GOST 17474 - 1980
開槽半沉頭螺釘 A級和B級
Raised Countersunk Head Screws (Slotted), Product Grades A and B
33 開槽半沉頭螺釘 [Table 6] [韓标]
KS B 1021 (T6) - 2012 (R2022)
開槽半沉頭螺釘 [Table 6]
Slotted Raised Countersunk Head Screws [Table 6]
34 開槽半沉頭螺釘(通用頭型) - 產品等級A級 [德标]
DIN EN ISO 2010 - 1994
開槽半沉頭螺釘(通用頭型) - 產品等級A級
Slotted Raised Countersunk Head Screws (Common Head Style) - Product Grade A
供應商(3)
35 82° 開槽半沉頭機械螺釘(ASTM F837/F468) [TABLE 2.2.2-1] [美标]
ASME B 18.6.3 (H2A) - 2024
82° 開槽半沉頭機械螺釘(ASTM F837/F468) [TABLE 2.2.2-1]
82° Slotted Oval Countersunk Head Machine Screws (ASTM F837/F468) [TABLE 2.2.2-1]
36 82° 開槽半沉頭清根機械螺釘 (ASTM F837/F468) [TABLE 2.2.3-3] [美标]
ASME B 18.6.3 (H3C) - 2024
82° 開槽半沉頭清根機械螺釘 (ASTM F837/F468) [TABLE 2.2.3-3]
82° Slotted Undercut Oval Countersunk Head Machine Screws (ASTM F837/F468) [TABLE 2.2.3-3]
37 82° 開槽半沉頭機械螺釘 [Table 7] (ASTM F837 / F468) [美标]
ASME B 18.6.3 (T7) - 2013
82° 開槽半沉頭機械螺釘 [Table 7] (ASTM F837 / F468)
82° Slotted Oval Countersunk Head Machine Screws [Table 7] (ASTM F837 / F468)
38 82° 開槽半沉頭清根機械螺釘  [table 11] (ASTM F837 / F468) [美标]
ASME B 18.6.3 (T11) - 2013
82° 開槽半沉頭清根機械螺釘 [table 11] (ASTM F837 / F468)
82° Slotted Undercut Oval Countersunk Head Machine Screws [table 11] (ASTM F837 / F468)
39 開槽半沉頭螺釘 [航天]
QJ 2388 - 1992
開槽半沉頭螺釘
Slotted Countersunk Raised Head Screws
40 90°開槽半沉頭螺釘 [航空]
HB 1- 209 - 1995
90°開槽半沉頭螺釘
90° Countersunk Slotted Raised Head Screws
标準編号: JIS B 1101 (JA5) - 2017
中文名稱: 開槽半沉頭螺釘 附表JA.5
英文名稱: Slotted Raised Countersunk Head Screws - Table JA.5
數據來源: 易緊通 (164580.com)
Standard Code: JIS B 1101 (JA5) - 2017Chinese Name: 開槽半沉頭螺釘 附表JA.5English Name: Slotted Raised Countersunk Head Screws - Table JA.5Source: https://www.164580.com/info_94690.html
Data Source: YJT Fastener Database (164580.com)
Standard: JIS B 1101 (JA5) - 2017
URL: https://www.164580.com/info_94690.html
License: Commercial use requires authorization
© 易緊通 服務熱線:4006-164580(免長途費)