index
logo

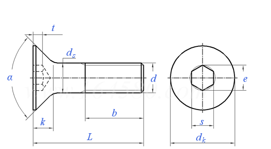
内六角沉頭螺釘 DIN 7991 - 1986

查看供應商

選擇規格尺寸 點擊↓

M3

M4

M5

M6

M8

M10

M12

(M14)

M16

(M18)

M20

(M22)

M24

括号内尺寸為非優選

尺寸單位: mm
德标DIN 7991 - 1986 DIN7991 7991DIN 内六角沉頭螺釘
DIN  7991 - 1986 内六角沉頭螺釘
掃一掃分享
千件重及價格計算 千件重 : kg x 元/kg = 元/千件
默認密度 g/cm3
公稱長度L 注:選擇後獲得 相應重量 螺紋長度
螺紋規格
d
M3 M4 M5 M6 M8 M10 M12 (M14) M16 (M18) M20 (M22) M24
P 螺距
α tol.(+2)
b L≤125
125<L ≤ 200
L>200
dk 最大值=公稱
最小值
ds 最大值=公稱
最小值
e 最小值
k 最大值
s 公稱
最小值
最大值
t 最大值=公稱
最小值
0.5 0.7 0.8 1 1.25 1.5 1.75 2 2 2.5 2.5 2.5 3
90° 90° 90° 90° 90° 90° 90° 90° 90° 90° 90° 60° 60°
12 14 16 18 22 26 30 34 38 42 46 50 54
/ / / 24 28 32 36 40 44 48 52 56 60
/ / / / / 45 49 53 57 61 65 69 73
6 8 10 12 16 20 24 27 30 33 36 36 39
5.7 7.64 9.64 11.57 15.57 19.48 23.48 26.48 29.48 32.38 35.38 35.38 38.38
3 4 5 6 8 10 12 14 16 18 20 22 24
2.86 3.82 4.82 5.82 7.78 9.78 11.73 13.73 15.73 17.73 19.67 21.67 23.67
2.3 2.87 3.44 4.58 5.72 6.86 9.15 11.43 11.43 13.72 13.72 16 16
1.7 2.3 2.8 3.3 4.4 5.5 6.5 7 7.5 8 8.5 13.1 14
2 2.5 3 4 5 6 8 10 10 12 12 14 14
2.02 2.52 3.02 4.02 5.02 6.02 8.025 10.025 10.025 12.032 12.032 14.032 14.032
2.1 2.6 3.1 4.12 5.14 6.14 8.175 10.175 10.175 12.212 12.212 14.212 14.212
1.2 1.8 2.3 2.5 3.5 4.4 4.6 4.8 5.3 5.5 5.9 8.8 10.3
0.95 1.55 2.05 2.25 3.2 4.1 4.3 4.5 5 5.2 5.6 8.44 9.87
千件鋼制重≈kg
- - - - - - - - - - - - -
螺紋長度b
- - - - - - - - - - - - -
①,emin = 1.14 Smin
替代列表
等效标準
國标 GB 國際 ISO 德标 DIN 意大利 UNI
GB /T 70.3
ISO 10642
DIN EN ISO 10642
UNI 5933
以上有部分标準可能為近似等效,如有異議以标準原件為準

技術條件和引用标準

材料
不鏽鋼 有色金屬
通用要求
螺紋 公差
标準
機械性能 等級
标準
公差 產品等級
标準
表面處理 -
-
表面粗糙度
表面缺陷
驗收及包裝
DIN 267 part 1
6g
DIN 13 part 12,15
8.8 ≤ M20:A2-70
>M20:A2-50
CuZn = 銅鋅合金
CU2 或 CU3 由制造商選擇
ISO 898 part 1 DIN 267 part 11 DIN 267 part 18
A
ISO 4759 part 1
(Thermally or chemically) blackened bright bright
電鍍 DIN 267 part 9
其他表面處理由供需雙方協議。
DIN 267 part 2
DIN 267 part 19
DIN 267 part 5
注:技術數據僅供參考,請以官方原件為準!
告訴我在“易緊通”看到,将給您優惠
聯系人:李經理 點擊這裏給我發消息1987721927   移動電話: 13968797079     電話:0577-62860077     微信号:13968797079
材質:碳鋼、不鏽鋼201、 304 、316;規格範圍:M2-M20;公稱長度:4-300mm;表面處理:鍍鋅、彩鋅、鎳、達克羅、黑鋅。耐落 抛光等。
聯系人:薛兵兵 點擊這裏給我發消息1248985748   移動電話: 13353381559     電話:0577-65515520     微信号:13353381559
材質:不鏽鋼200 304 316,規格範圍:M4-M12
聯系人:秦經理 點擊這裏給我發消息2775493507   移動電話: 13372306860     電話:0573-84789292     微信号:13372306860
材質:碳鋼、不鏽鋼、銅鋁等;規格:M2-M24;公稱長度:6-200mm;等級:8.8級、10.9級、12.9級;表面處理:發黑、鍍鋅、達克羅、特氟龍、鋅鎳合金等,非标定制(英美制可以做)。
聯系人:葛德榮 點擊這裏給我發消息1821784920   移動電話: 15995703045     電話:0512-65086790     微信号:15995703045
材料:不鏽鋼 304HC、316CU;等級:A2~70、A4~80;規格範圍:M1.6~M12;公稱長度範圍:2mm~150mm;表面處理:清洗、鈍化、本色 鍍古銅、鍍仿金、鍍黑鋅、鍍黑鎳、電泳、達克羅、防松處理
聯系人:方宏良 點擊這裏給我發消息2881819532   移動電話: 13806639241     電話:0574-86574666
材質:碳鋼;規格範圍:M5-M24;公稱長度:20mm~250mm;表面處理:本色、發黑、鍍鋅、環保鋅、熱鍍鋅、達克羅;等級:4.8~12.9級
聯系人:魏振勇 點擊這裏給我發消息2850957029   移動電話: 18015334560     電話:0510-82393336-8006     微信号:18015334560
材料:304/316/316L,A2-70,A4-70,A4-80;公稱直徑:M2~M16;公稱長度:5~150mm;表面處理:抛光
聯系人:李先生 點擊這裏給我發消息597758338   移動電話: 13655837027     電話:0573-84773305     微信号:13655837027
材質:碳鋼8.8級、10.9級、不鏽鋼304 、316、316L;規格範圍:M5-M16;公稱長度:16-200MM;表面處理:藍白鋅、發黑、磷化、黑鋅、久美特、達克羅、鋅鎳合金、洗光等;
聯系人:楊欽   移動電話: 15162465399     電話:0512-65808790
材料:碳鋼、不鏽鋼,表面處理:本色; 公稱直徑:M1.2-M8,公稱長度:3mm-80mm
聯系人:徐海 點擊這裏給我發消息513543434   移動電話: 18621311857     電話:021-59766477
材質:301、302、303、304、304L、316、316L、316Ti、317L、310S、321、347、1.4529、1.4539、1.4462、1.4547、1.4980、904L、2205、2507、2520、S32750、S32760、1Cr13、1Cr17、2Cr13、3Cr13、14Cr17Ni2、410、416、420、430、431、440、630、631、17-4PH、MP350N、600、601、625、660、718、750、800、825、925、926、C22、C276、A286、GH2132、GH4033、GH4080、GH4169、GH4145、9C18Mo、4Cr10Si2Mo、35CrMoA、42CrMoA、40CrNiMoA、25Cr2Mo1VA、SCM435、SCM440、4130、4140、4145、A36、A307、A320、A325、A490、A574、F1554,不鏽鋼、合金鋼、钛合金、鎳基合金、高溫合金、耐蝕合金、鎳钴合金、特種合金等;等級:A1-50、A2-50、A2-70、A2-80、A3-70、A4-70、A4-80、A4-90、A4-100、A5-80、B8、B8M、B8C、B8T、B6、B7、B7M、B16、C1-50、C1-70、C1-110、C3-80、C3-120、C4-70、D2-80、D2-100、D4-80、D4-100、D6-80、D6-100、D8-80、D8-100、P1-90、P1-120、F51、F53、F55、F60、10.9、12.9、14.9、15.9、16.9等;規格範圍:M3-M120,1/4"-4";表面處理:鈍化、發黑、磷化、電泳、鍍鋅、鍍鎳、鍍鉻、鍍镉、鍍金、鍍銀、鍍錫、鍍銅、滲鋅、海洋鋅、滲鋁、噴塗鋁、達克羅、久美特、特氟龍、鋅鎳合金、鎳钴合金、熱鍍鋅、複合陶瓷、二硫化钼、二硫化鎢、納米塗層等,均可定制。
聯系人:胡小姐 點擊這裏給我發消息478963405   移動電話: 18668833133     電話:0574-62828345
材料:302HQ, 304 (A2-70), 316C (A4-70, A4-80), 410, 430,表面處理:本身,公稱直徑:M2.5~M8, #4-1/4,公稱長度:5~100mm
聯系人:王經理 點擊這裏給我發消息2853639927   移動電話: 18678916777     電話:0532-87980778
供應“青固”品牌螺絲,0.8φ-20φ碳鋼1022、不鏽鋼 304 、316、302; 銅、鋁等材質;2.5-10mm,公稱長度:6.5mm-300mm ;表面處理:鍍白鋅、彩鋅、鎳、達克羅、熱鍍鋅等;非标按客戶要求定做。
聯系人:劉曉文 點擊這裏給我發消息2574544008   移動電話: 18914518989     電話:0523-83987158     微信号:18914518989
材質:304、316、321、310S、2205、630、660等 規格:齊全 其他:尺寸标準 外觀漂亮 尤其粗杆和長杆可訂制
聯系人:曹娣娣   移動電話: 15381997760
材質:碳鋼、不鏽鋼;等級:4.8、8.8、10.9、12.9;表面處理:按客戶要求;規格齊全,支持非标定制!
聯系人:李美華,鍾崑皓 點擊這裏給我發消息402398463   移動電話: 13771867939/13771793559     電話:0512-65868465     微信号:13771867939
材質:碳鋼、不鏽鋼;等級:8.8級;規格範圍:M2-M24
聯系人:諸葛鴻滿 點擊這裏給我發消息1047664242   移動電話: 18916049888     電話:021-59742477/59740118
材質:不鏽鋼;規格:齊全;表面處理:根據客戶要求
聯系人:湯繼勇 點擊這裏給我發消息546348066   移動電話: 15298892886     電話:0512-66700967
材質:不鏽鋼、碳鋼;公稱直徑範圍:M1-M14;公稱長度範圍:5-400mm
告訴我在“易緊通”看到,将給您優惠
類似标準及供貨信息
1 降低承載能力的内六角沉頭螺釘 [國标]
GB /T 70.3 - 2023
降低承載能力的内六角沉頭螺釘
Hexagon Socket Countersunk Head Screws with Reduced Loadability
供應商(8)
2 内六角沉頭螺釘 [國标]
GB /T 70.3 - 2008
内六角沉頭螺釘
Hexagon Socket Countersunk Head Screws
供應商(8)
3 内六角沉頭螺釘 [國标]
GB /T 70.3 - 2000
内六角沉頭螺釘
Hexagon Socket Countersunk Head Screws
供應商(8)
4 内六角沉頭螺釘 [美标]
IFI 535 - 1982
内六角沉頭螺釘
Metric Socket Countersunk Head Cap Screws
5 内六角沉頭螺釘 [國際]
ISO 10642 - 2026
内六角沉頭螺釘
Hexagon Socket Countersunk Head Screws with Reduced Loadability
供應商(4)
6 内六角沉頭螺釘 [國際]
ISO 10642 - 2019
内六角沉頭螺釘
Hexagon Socket Countersunk Head Screws with Reduced Loadability
供應商(4)
7 内六角沉頭螺釘 [國際]
ISO 10642 - 2004
内六角沉頭螺釘
Hexagon Socket Countersunk Head Screws
供應商(4)
8 内六角沉頭螺釘 [國際]
ISO 10642 - 1997
内六角沉頭螺釘
Hexagon Socket Countersunk Head Screws
供應商(4)
9 内六角沉頭螺釘 [日标]
JIS B 1194 - 2006
内六角沉頭螺釘
Hexagon Socket Countersunk Head Screws
10 内六角沉頭螺釘 [汽标代号]
Q 250
内六角沉頭螺釘
Hexagon Socket Countersunk Head Screws
11 内鍵槽沉頭螺釘 [美标]
ASME/ANSI B 18.3 - 2003 (R2008)
内鍵槽沉頭螺釘
Spline Socket Flat Countersunk Head Cap Screws
12 米制内六角沉頭螺釘 [美标]
ASME/ANSI B 18.3.5M - 1993
米制内六角沉頭螺釘
Metric Hexagon Socket Countersunk Head Screws
13 米制内六角沉頭螺釘 [美标]
ASME/ANSI B 18.3.5M - 1986
米制内六角沉頭螺釘
Metric Hexagon Socket Countersunk Head Screws
14 米制内六角沉頭螺釘 (ASTM F835M / F879M / A1-70) [美标]
ASME/ANSI B 18.3.5M - 1986 (R2008)
米制内六角沉頭螺釘 (ASTM F835M / F879M / A1-70)
Metric Hexagon Socket Countersunk Head Cap Screws (ASTM F835M / F879M / A1-70)
15 内六角沉頭螺釘 [意大利]
UNI 5933 - 1988
内六角沉頭螺釘
Hexagon Socket Countersunk Head Screws - ISO Metric Coarse Pitch Thread - Product Grade A
16 内六角沉頭螺釘 [法國]
NF E 25-146 - 2004
内六角沉頭螺釘
Hexagon Socket Countersunk Head Screws
17 米制内六角沉頭螺釘 [英标]
BS 4168-8 - 1982
米制内六角沉頭螺釘
Metric Hexagon Socket Countersunk Head Screws
18 統一螺紋内六角沉頭螺釘  Table 3 [英标]
BS 2470 - 1973
統一螺紋内六角沉頭螺釘 Table 3
Hexagon Socket Countersunk Head Screws - Unified Thread
19 内六角沉頭螺釘 [台灣]
CNS 4558 - 1981
内六角沉頭螺釘
Hexagon Socket Countersunk Head Screws
20 内六角沉頭螺釘 [德标]
DIN EN ISO 10642 - 2020
内六角沉頭螺釘
Hexagon Socket Countersunk Head Screws
供應商(16)
21 内六角沉頭螺釘 [德标]
DIN EN ISO 10642 - 2013
内六角沉頭螺釘
Hexagon Socket Countersunk Head Screws
供應商(16)
22 内六角沉頭螺釘 [德标]
DIN EN ISO 10642 - 2004
内六角沉頭螺釘
Hexagon Socket Countersunk Head Screws
供應商(16)
23 内六角沉頭螺釘 [印标]
IS 6761 - 1994 (R2004)
内六角沉頭螺釘
Countersunk Head Screws with Hexagon Socket
24 内六角沉頭螺釘 [Table 8] (ASTM F835 / F879) [美标]
ASME B 18.3 (T8) - 2012
内六角沉頭螺釘 [Table 8] (ASTM F835 / F879)
Hexagon Socket Flat Countersunk Head Cap Screws [Table 8] (ASTM F835 / F879)
供應商(3)
25 内六角沉頭螺釘 [Table 2A] [美标]
ASME B 18.3 - 2003 (R2008)
内六角沉頭螺釘 [Table 2A]
Hexagon Socket Flat Countersunk Head Cap Screws
供應商(3)
标準編号: DIN 7991 - 1986
中文名稱: 内六角沉頭螺釘
英文名稱: Hexagon Socket Countersunk Head Cap Screws
數據來源: 易緊通 (164580.com)
Standard Code: DIN 7991 - 1986Chinese Name: 内六角沉頭螺釘English Name: Hexagon Socket Countersunk Head Cap ScrewsSource: https://www.164580.com/info_9367.html
Data Source: YJT Fastener Database (164580.com)
Standard: DIN 7991 - 1986
URL: https://www.164580.com/info_9367.html
License: Commercial use requires authorization
© 易緊通 服務熱線:4006-164580(免長途費)