index
logo

六角頭螺釘和彈墊組合 SEMS ASME/ANSI B 18.13 - 1996

選擇規格尺寸 點擊↓

2#

3#

4#

5#

6#

8#

10#

12#

1/4

5/16

3/8


尺寸單位: inch
美标ASME/ANSI B18.13 - 1996 ASME/ANSI18.13 六角頭螺釘和彈墊組合 SEMS
ASME/ANSI B 18.13 - 1996 六角頭螺釘和彈墊組合 SEMS
掃一掃分享
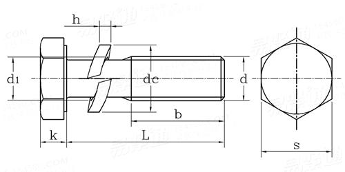
螺紋尺寸
d
2# 3# 4# 5# 6# 8# 10# 12# 1/4 5/16 3/8
d
d1 最大值
最小值
h 最小值
dc 最大值
最小值
s 最大值
最小值
k 最大值
最小值
0.0860 0.0990 0.1120 0.1250 0.1380 0.1640 0.1900 0.2160 0.2500 0.3125 0.3750
0.080 0.091 0.105 0.118 0.129 0.155 0.179 0.203 0.238 0.298 0.361
0.075 0.086 0.101 0.113 0.124 0.149 0.173 0.196 0.230 0.290 0.353
0.020 0.020 0.025 0.031 0.031 0.040 0.047 0.056 0.062 0.078 0.094
0.146 0.168 0.192 0.220 0.231 0.271 0.311 0.351 0.464 0.556 0.651
0.135 0.156 0.181 0.207 0.218 0.259 0.297 0.336 0.448 0.540 0.635
0.125 0.188 0.188 0.188 0.250 0.250 0.312 0.312 0.375 0.500 0.562
0.120 0.181 0.181 0.181 0.244 0.244 0.305 0.305 0.367 0.489 0.551
0.050 0.055 0.060 0.070 0.093 0.110 0.120 0.155 0.190 0.230 0.295
0.040 0.044 0.049 0.058 0.080 0.096 0.105 0.139 0.172 0.208 0.270
替代列表
注:技術數據僅供參考,請以官方原件為準!
類似标準及供貨信息
1 十字槽凹穴六角頭螺栓和平墊圈組合件 [國标]
GB 9074.11 - 1988
十字槽凹穴六角頭螺栓和平墊圈組合件
Cross Recessed Hexagon Bolt with Indentation and Plain Washer Assemblies
供應商(3)
2 十字槽凹穴六角頭螺栓和彈簧墊圈組合件 [國标]
GB 9074.12 - 1988
十字槽凹穴六角頭螺栓和彈簧墊圈組合件
Cross Recessed Hexagon Bolt with Indentation and Single Coil Spring Lock Washer Assemblies
供應商(2)
3 十字槽凹穴六角頭螺栓、彈簧墊圈和平墊圈組合件 [國标]
GB 9074.13 - 1988
十字槽凹穴六角頭螺栓、彈簧墊圈和平墊圈組合件
Cross Recessed Hexagon Bolt with Indentation, Single Coil Lock Washer and Plain Washer Assemblies
供應商(11)
4 六角頭螺栓和平墊圈組合件 [國标]
GB 9074.14 - 1988
六角頭螺栓和平墊圈組合件
Hexagon Head Bolt and Plain Washer Assemblies
供應商(3)
5 六角頭螺栓和彈簧墊圈組合件 [國标]
GB 9074.15 - 1988
六角頭螺栓和彈簧墊圈組合件
Hexagon Head Bolts and Single Coil Spring Lock Washer Assemblies
供應商(4)
6 六角頭螺栓和外鋸齒鎖緊墊圈組合件 [國标]
GB 9074.16 - 1988
六角頭螺栓和外鋸齒鎖緊墊圈組合件
Hexagon Head Bolt and Serrated Lock Washer External Teeth Assemblies
供應商(3)
7 六角頭螺栓、彈簧墊圈和平墊圈組合件 [國标]
GB /T 9074.17 - 1988
六角頭螺栓、彈簧墊圈和平墊圈組合件
Hexagon Head Bolt, Single Coil Spring Lock Washer and Plain Washer Assemblies
供應商(10)
8 鋼結構用高強度大六角頭螺栓連接副 [國标]
GB /T 1231 (assemblies) - 2024
鋼結構用高強度大六角頭螺栓連接副
High Strength Bolts with Large Hexagon Head Assemblies for Steel Structures
9 滾動軸承附件 - 鎖緊卡 MS系列 [國标]
GB /T 9160.2 (MS) - 2006
滾動軸承附件 - 鎖緊卡 MS系列
Rolling Bearing - Locking Clips - MS Series
10 六角頭全牙螺釘和平墊圈組合件 [國标]
GB /T 9074.1 (S1)
六角頭全牙螺釘和平墊圈組合件
Hexagon Head Bolts (Full Thread) And Washer Assemblies with Plain Washers
11 六角頭螺栓和平墊圈組合件 [國标]
GB /T 9074.1 (S2)
六角頭螺栓和平墊圈組合件
Hexagon Head Bolts and Washer Assemblies with Plain Washers
12 外六角螺栓和平墊圈的組合 [德标]
DIN 6900-1 - 1990
外六角螺栓和平墊圈的組合
Hexagon Head Bolts and Plain Washers Assemblies
供應商(1)
13 凹腦小頭六角頭螺栓和平墊組合  表8 [日标]
JIS B 1187 (T8) - 2017
凹腦小頭六角頭螺栓和平墊組合 表8
Small Recessed Hex Head Bolts and Flat Washer Combination
供應商(1)
14 凹腦小頭六角頭螺栓和平墊組合 [日标]
JIS B 1187 - 1995
凹腦小頭六角頭螺栓和平墊組合
Small Recessed Hex Head Bolts and Flat Washer Combination
供應商(1)
15 小六角頭螺釘和彈墊組合  表6 [日标]
JIS B 1187 (T6) - 2017
小六角頭螺釘和彈墊組合 表6
Small Hexagon Cap Screw and Spring Washer Assemblies
16 六角頭螺栓和平墊圈的組合 表4 [日标]
JIS B 1187 (T4) - 2017
六角頭螺栓和平墊圈的組合 表4
Hexagon Head Bolt and Plain Washer Assemblies
17 六角頭螺釘和彈墊組合  表4 [日标]
JIS B 1187 (T4) - 2017
六角頭螺釘和彈墊組合 表4
Hexagon Cap Screw and Spring Washer Assemblies
18 小六角頭螺栓和平墊圈的組合 表6 [日标]
JIS B 1187 (T6) - 2017
小六角頭螺栓和平墊圈的組合 表6
Small Hexagon Head Bolt and Flat Washer Assemblies
19 六角頭螺栓和外齒鎖緊墊圈組合  表4 [日标]
JIS B 1187 (T4) - 2017
六角頭螺栓和外齒鎖緊墊圈組合 表4
Hexagon Head Bolt and Serrated Lock Washer External Teeth Assemblies
20 小六角頭螺栓和外齒鎖緊墊圈組合 表6 [日标]
JIS B 1187 (T6) - 2017
小六角頭螺栓和外齒鎖緊墊圈組合 表6
Small Hexagon Head Bolt and Serrated Lock Washer External Teeth Assemblies
21 六角頭螺栓和平墊圈的組合 [日标]
JIS B 1130 - 2012
六角頭螺栓和平墊圈的組合
Cross Recessed Pan Screw Assemblies with Washers
22 六角頭螺栓和平墊圈的組合 [日标]
JIS B 1130 - 2006
六角頭螺栓和平墊圈的組合
Hexagon Head Tapping Screws and Plain Washer Assemblies
23 六角頭螺釘和彈墊組合 [日标]
JIS B 1187 - 1995
六角頭螺釘和彈墊組合
Hexagon Cap Screw and Spring Washer Assemblies
24 六角頭螺栓和平墊圈的組合 [日标]
JIS B 1187 - 1995
六角頭螺栓和平墊圈的組合
Hexagon Head Bolt and Plain Washer Assemblies
25 小六角頭螺栓和平墊圈的組合 [日标]
JIS B 1187 - 1995
小六角頭螺栓和平墊圈的組合
Small Hexagon Head Bolt and Flat Washer Assemblies
26 小六角頭螺釘和彈墊組合 [日标]
JIS B 1187 - 1995
小六角頭螺釘和彈墊組合
Small Hexagon Cap Screw and Spring Washer Assemblies
27 六角頭錐形彈性墊圈組合螺栓 [汽标代号]
Q 141
六角頭錐形彈性墊圈組合螺栓
Hexagon Head Bolts with Conical Spring Washers
供應商(1)
28 六角頭螺栓與彈墊、平墊組合 [汽标代号]
Q 146B
六角頭螺栓與彈墊、平墊組合
Hexagon Bolts and Spring Washers、Plain Washers Assemblies
供應商(5)
29 六角頭帶彈墊組合螺栓 [汽标代号]
Q 142
六角頭帶彈墊組合螺栓
Hex Screw and Spring Washer Assemblies
30 六角頭螺栓與外鋸齒鎖緊墊圈組合 [汽标代号]
Q 144
六角頭螺栓與外鋸齒鎖緊墊圈組合
Hexagon Head Bolt and External Teeth Serrated Lock Washer Assemblies
31 米制六角頭螺釘和彈墊組合 SEMS [Table 1] [美标]
ASME/ANSI B 18.13.1M - 2011
米制六角頭螺釘和彈墊組合 SEMS [Table 1]
Metric Hexagon Cap Screw and Spring Washer Assemblies-SEMS (Machine Screw Thread Diameter)
32 六角頭螺栓和彈墊組合 [韓标]
KS B 1040 - 2012 (R2022)
六角頭螺栓和彈墊組合
Hexagon Head Screws and Spring Washer Assemblies
33 六角頭螺栓和平墊組合 [韓标]
KS B 1040 - 2012 (R2022)
六角頭螺栓和平墊組合
Hexagon Head Bolt and Plain Washer Assemblies
34 六角頭螺栓和彈墊組合 [韓标]
KS B 1040 - 1998
六角頭螺栓和彈墊組合
Hexagon Head Screws and Spring Washer Assemblies
35 六角頭螺栓和平墊組合 [韓标]
KS B 1040 - 1998
六角頭螺栓和平墊組合
Hexagon Head Bolt and Plain Washer Assemblies
36 螺絲和鋼制平墊圈組合件 墊圈硬度200HV和300HV [德标]
DIN EN ISO 10644 - 1998
螺絲和鋼制平墊圈組合件 墊圈硬度200HV和300HV
Screw and Washer Assemblies Made of Steel with Plain Washers – Washer Hardness Classes 200 HV and 300 HV
供應商(1)
37 六角頭全牙螺釘和平墊圈組合件 [德标]
DIN EN ISO 10644 (S1)
六角頭全牙螺釘和平墊圈組合件
Hexagon Head Bolts (Full Thread) and Washer Assemblies with Plain Washers
38 六角頭螺栓和平墊圈組合件 [德标]
DIN EN ISO 10644 (S2)
六角頭螺栓和平墊圈組合件
Hexagon Head Bolts and Washer Assemblies with Plain Washers
39 六角頭螺栓和錐形彈性墊圈的組合件 [汽标]
QC /T 600 - 1999
六角頭螺栓和錐形彈性墊圈的組合件
Combination of Hexagon Head Bolts and Tapered Spring Washers
40 六角頭螺釘和彈墊組合SEMS [Table 2] [美标]
ASME B 18.13 - 2017
六角頭螺釘和彈墊組合SEMS [Table 2]
Hex Head Screw and Helical Spring Lock Washers for SEMS
标準編号: ASME/ANSI B 18.13 - 1996
中文名稱: 六角頭螺釘和彈墊組合 SEMS
英文名稱: Hexagon Cap Screw and Spring Washer Assemblies - SEMS
數據來源: 易緊通 (164580.com)
Standard Code: ASME/ANSI B 18.13 - 1996Chinese Name: 六角頭螺釘和彈墊組合 SEMSEnglish Name: Hexagon Cap Screw and Spring Washer Assemblies - SEMSSource: https://www.164580.com/info_72250.html
Data Source: YJT Fastener Database (164580.com)
Standard: ASME/ANSI B 18.13 - 1996
URL: https://www.164580.com/info_72250.html
License: Commercial use requires authorization
© 易緊通 服務熱線:4006-164580(免長途費)