index
logo

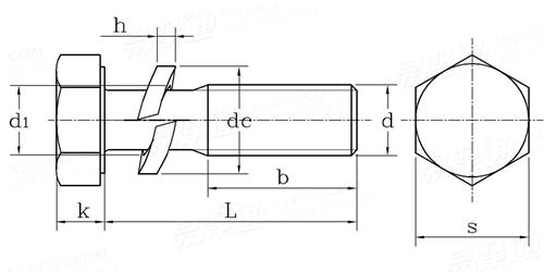
米制六角頭螺釘和彈墊組合 SEMS [Table 1] ASME/ANSI B 18.13.1M - 2011

選擇規格尺寸 點擊↓

M2.5

M3

M3.5

M4

M5

M6

M8

M10

M12


尺寸單位: mm
美标ASME/ANSI B18.13.1M - 2011 ASME/ANSI18 米制六角頭螺釘和彈墊組合 SEMS [Table 1]
ASME/ANSI B 18.13.1M - 2011 米制六角頭螺釘和彈墊組合 SEMS [Table 1]
掃一掃分享
螺紋規格
d
M2.5 M3 M3.5 M4 M5 M6 M8 M10 M12
P 螺距
d1 最大值
最小值
h
dc 最大值
最小值
s 最大值
最小值
k 最大值
最小值
0.45 0.5 0.6 0.7 0.8 1 1.25 1.5 1.75
2.35 2.84 3.3 3.76 4.67 5.62 7.36 9.41 11.33
2.22 2.69 3.15 3.6 4.52 5.44 5.75 9.17 11.08
0.64 0.79 0.79 1.02 1.19 1.57 1.98 2.39 3.18
4.47 5.31 5.77 6.66 7.92 11.26 14.05 16.7 20.17
4.26 5.07 5.53 6.4 7.66 10.98 13.72 16.33 19.76
5 5.5 6 7 8 10 13 16 18
4.82 5.32 5.82 6.78 7.78 9.78 12.73 15.73 17.73
1.82 2.12 2.52 2.92 3.65 4.15 5.5 6.63 7.76
1.58 1.88 2.28 2.68 3.35 3.85 5.1 6.17 7.24
注:技術數據僅供參考,請以官方原件為準!
類似标準及供貨信息
1 十字槽凹穴六角頭螺栓和平墊圈組合件 [國标]
GB 9074.11 - 1988
十字槽凹穴六角頭螺栓和平墊圈組合件
Cross Recessed Hexagon Bolt with Indentation and Plain Washer Assemblies
供應商(3)
2 十字槽凹穴六角頭螺栓和彈簧墊圈組合件 [國标]
GB 9074.12 - 1988
十字槽凹穴六角頭螺栓和彈簧墊圈組合件
Cross Recessed Hexagon Bolt with Indentation and Single Coil Spring Lock Washer Assemblies
供應商(2)
3 十字槽凹穴六角頭螺栓、彈簧墊圈和平墊圈組合件 [國标]
GB 9074.13 - 1988
十字槽凹穴六角頭螺栓、彈簧墊圈和平墊圈組合件
Cross Recessed Hexagon Bolt with Indentation, Single Coil Lock Washer and Plain Washer Assemblies
供應商(11)
4 六角頭螺栓和平墊圈組合件 [國标]
GB 9074.14 - 1988
六角頭螺栓和平墊圈組合件
Hexagon Head Bolt and Plain Washer Assemblies
供應商(3)
5 六角頭螺栓和彈簧墊圈組合件 [國标]
GB 9074.15 - 1988
六角頭螺栓和彈簧墊圈組合件
Hexagon Head Bolts and Single Coil Spring Lock Washer Assemblies
供應商(4)
6 六角頭螺栓和外鋸齒鎖緊墊圈組合件 [國标]
GB 9074.16 - 1988
六角頭螺栓和外鋸齒鎖緊墊圈組合件
Hexagon Head Bolt and Serrated Lock Washer External Teeth Assemblies
供應商(3)
7 六角頭螺栓、彈簧墊圈和平墊圈組合件 [國标]
GB /T 9074.17 - 1988
六角頭螺栓、彈簧墊圈和平墊圈組合件
Hexagon Head Bolt, Single Coil Spring Lock Washer and Plain Washer Assemblies
供應商(10)
8 鋼結構用高強度大六角頭螺栓連接副 [國标]
GB /T 1231 (assemblies) - 2024
鋼結構用高強度大六角頭螺栓連接副
High Strength Bolts with Large Hexagon Head Assemblies for Steel Structures
9 滾動軸承附件 - 鎖緊卡 MS系列 [國标]
GB /T 9160.2 (MS) - 2006
滾動軸承附件 - 鎖緊卡 MS系列
Rolling Bearing - Locking Clips - MS Series
10 六角頭全牙螺釘和平墊圈組合件 [國标]
GB /T 9074.1 (S1)
六角頭全牙螺釘和平墊圈組合件
Hexagon Head Bolts (Full Thread) And Washer Assemblies with Plain Washers
11 六角頭螺栓和平墊圈組合件 [國标]
GB /T 9074.1 (S2)
六角頭螺栓和平墊圈組合件
Hexagon Head Bolts and Washer Assemblies with Plain Washers
12 外六角螺栓和平墊圈的組合 [德标]
DIN 6900-1 - 1990
外六角螺栓和平墊圈的組合
Hexagon Head Bolts and Plain Washers Assemblies
供應商(1)
13 凹腦小頭六角頭螺栓和平墊組合  表8 [日标]
JIS B 1187 (T8) - 2017
凹腦小頭六角頭螺栓和平墊組合 表8
Small Recessed Hex Head Bolts and Flat Washer Combination
供應商(1)
14 凹腦小頭六角頭螺栓和平墊組合 [日标]
JIS B 1187 - 1995
凹腦小頭六角頭螺栓和平墊組合
Small Recessed Hex Head Bolts and Flat Washer Combination
供應商(1)
15 小六角頭螺釘和彈墊組合  表6 [日标]
JIS B 1187 (T6) - 2017
小六角頭螺釘和彈墊組合 表6
Small Hexagon Cap Screw and Spring Washer Assemblies
16 六角頭螺栓和平墊圈的組合 表4 [日标]
JIS B 1187 (T4) - 2017
六角頭螺栓和平墊圈的組合 表4
Hexagon Head Bolt and Plain Washer Assemblies
17 六角頭螺釘和彈墊組合  表4 [日标]
JIS B 1187 (T4) - 2017
六角頭螺釘和彈墊組合 表4
Hexagon Cap Screw and Spring Washer Assemblies
18 小六角頭螺栓和平墊圈的組合 表6 [日标]
JIS B 1187 (T6) - 2017
小六角頭螺栓和平墊圈的組合 表6
Small Hexagon Head Bolt and Flat Washer Assemblies
19 六角頭螺栓和外齒鎖緊墊圈組合  表4 [日标]
JIS B 1187 (T4) - 2017
六角頭螺栓和外齒鎖緊墊圈組合 表4
Hexagon Head Bolt and Serrated Lock Washer External Teeth Assemblies
20 小六角頭螺栓和外齒鎖緊墊圈組合 表6 [日标]
JIS B 1187 (T6) - 2017
小六角頭螺栓和外齒鎖緊墊圈組合 表6
Small Hexagon Head Bolt and Serrated Lock Washer External Teeth Assemblies
21 六角頭螺栓和平墊圈的組合 [日标]
JIS B 1130 - 2012
六角頭螺栓和平墊圈的組合
Cross Recessed Pan Screw Assemblies with Washers
22 六角頭螺栓和平墊圈的組合 [日标]
JIS B 1130 - 2006
六角頭螺栓和平墊圈的組合
Hexagon Head Tapping Screws and Plain Washer Assemblies
23 六角頭螺釘和彈墊組合 [日标]
JIS B 1187 - 1995
六角頭螺釘和彈墊組合
Hexagon Cap Screw and Spring Washer Assemblies
24 六角頭螺栓和平墊圈的組合 [日标]
JIS B 1187 - 1995
六角頭螺栓和平墊圈的組合
Hexagon Head Bolt and Plain Washer Assemblies
25 小六角頭螺栓和平墊圈的組合 [日标]
JIS B 1187 - 1995
小六角頭螺栓和平墊圈的組合
Small Hexagon Head Bolt and Flat Washer Assemblies
26 小六角頭螺釘和彈墊組合 [日标]
JIS B 1187 - 1995
小六角頭螺釘和彈墊組合
Small Hexagon Cap Screw and Spring Washer Assemblies
27 六角頭錐形彈性墊圈組合螺栓 [汽标代号]
Q 141
六角頭錐形彈性墊圈組合螺栓
Hexagon Head Bolts with Conical Spring Washers
供應商(1)
28 六角頭螺栓與彈墊、平墊組合 [汽标代号]
Q 146B
六角頭螺栓與彈墊、平墊組合
Hexagon Bolts and Spring Washers、Plain Washers Assemblies
供應商(5)
29 六角頭帶彈墊組合螺栓 [汽标代号]
Q 142
六角頭帶彈墊組合螺栓
Hex Screw and Spring Washer Assemblies
30 六角頭螺栓與外鋸齒鎖緊墊圈組合 [汽标代号]
Q 144
六角頭螺栓與外鋸齒鎖緊墊圈組合
Hexagon Head Bolt and External Teeth Serrated Lock Washer Assemblies
31 六角頭螺釘和彈墊組合 SEMS [美标]
ASME/ANSI B 18.13 - 1996
六角頭螺釘和彈墊組合 SEMS
Hexagon Cap Screw and Spring Washer Assemblies - SEMS
32 六角頭螺栓和彈墊組合 [韓标]
KS B 1040 - 2012 (R2022)
六角頭螺栓和彈墊組合
Hexagon Head Screws and Spring Washer Assemblies
33 六角頭螺栓和平墊組合 [韓标]
KS B 1040 - 2012 (R2022)
六角頭螺栓和平墊組合
Hexagon Head Bolt and Plain Washer Assemblies
34 六角頭螺栓和彈墊組合 [韓标]
KS B 1040 - 1998
六角頭螺栓和彈墊組合
Hexagon Head Screws and Spring Washer Assemblies
35 六角頭螺栓和平墊組合 [韓标]
KS B 1040 - 1998
六角頭螺栓和平墊組合
Hexagon Head Bolt and Plain Washer Assemblies
36 螺絲和鋼制平墊圈組合件 墊圈硬度200HV和300HV [德标]
DIN EN ISO 10644 - 1998
螺絲和鋼制平墊圈組合件 墊圈硬度200HV和300HV
Screw and Washer Assemblies Made of Steel with Plain Washers – Washer Hardness Classes 200 HV and 300 HV
供應商(1)
37 六角頭全牙螺釘和平墊圈組合件 [德标]
DIN EN ISO 10644 (S1)
六角頭全牙螺釘和平墊圈組合件
Hexagon Head Bolts (Full Thread) and Washer Assemblies with Plain Washers
38 六角頭螺栓和平墊圈組合件 [德标]
DIN EN ISO 10644 (S2)
六角頭螺栓和平墊圈組合件
Hexagon Head Bolts and Washer Assemblies with Plain Washers
39 六角頭螺栓和錐形彈性墊圈的組合件 [汽标]
QC /T 600 - 1999
六角頭螺栓和錐形彈性墊圈的組合件
Combination of Hexagon Head Bolts and Tapered Spring Washers
40 六角頭螺釘和彈墊組合SEMS [Table 2] [美标]
ASME B 18.13 - 2017
六角頭螺釘和彈墊組合SEMS [Table 2]
Hex Head Screw and Helical Spring Lock Washers for SEMS
标準編号: ASME/ANSI B 18.13.1M - 2011
中文名稱: 米制六角頭螺釘和彈墊組合 SEMS [Table 1]
英文名稱: Metric Hexagon Cap Screw and Spring Washer Assemblies-SEMS (Machine Screw Thread Diameter)
數據來源: 易緊通 (164580.com)
Standard Code: ASME/ANSI B 18.13.1M - 2011Chinese Name: 米制六角頭螺釘和彈墊組合 SEMS [Table 1]English Name: Metric Hexagon Cap Screw and Spring Washer Assemblies-SEMS (Machine Screw Thread Diameter)Source: https://www.164580.com/info_72148.html
Data Source: YJT Fastener Database (164580.com)
Standard: ASME/ANSI B 18.13.1M - 2011
URL: https://www.164580.com/info_72148.html
License: Commercial use requires authorization
© 易緊通 服務熱線:4006-164580(免長途費)