index
logo

六角頭螺栓和彈墊組合 KS B 1040 - 1998

選擇規格尺寸 點擊↓

M5

M6

M8

M10

M12

括号内尺寸為非優選

尺寸單位: mm
韓标KS B1040 - 1998 KS1040 1040KS 六角頭螺栓和彈墊組合
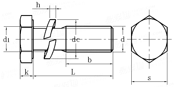
KS B 1040 - 1998 六角頭螺栓和彈墊組合
掃一掃分享
公稱長度L 注:選擇後獲得 螺紋長度
螺紋規格
d
M5 M6 M8 M10 M12
P 螺距 粗牙
細牙
k 螺栓 公稱
最大值
最小值
s 螺栓 最大值
最小值
dc 彈墊2型 最大值
彈墊3型 最大值
h 彈墊2型 最小值
彈墊3型 最小值
0.8 1 1.25 1.5 1.75
- - 1 1.25 1.25
3.5 4 5.5 7 8
3.65 4.15 5.65 7.2 8.2
3.35 3.85 5.35 6.8 7.8
8 10 13 17 19
7.8 9.8 12.75 16.75 18.65
8.5 11.5 14.5 17.5 20.5
/ 11.5 14.8 18 21
1.3 1.5 2 2.5 3
/ 1.9 2.5 3 3.6
螺紋長度b
- - - - -
①,彈墊:KS B1324。
替代列表
注:技術數據僅供參考,請以官方原件為準!
類似标準及供貨信息
1 十字槽凹穴六角頭螺栓和平墊圈組合件 [國标]
GB 9074.11 - 1988
十字槽凹穴六角頭螺栓和平墊圈組合件
Cross Recessed Hexagon Bolt with Indentation and Plain Washer Assemblies
供應商(3)
2 十字槽凹穴六角頭螺栓和彈簧墊圈組合件 [國标]
GB 9074.12 - 1988
十字槽凹穴六角頭螺栓和彈簧墊圈組合件
Cross Recessed Hexagon Bolt with Indentation and Single Coil Spring Lock Washer Assemblies
供應商(2)
3 十字槽凹穴六角頭螺栓、彈簧墊圈和平墊圈組合件 [國标]
GB 9074.13 - 1988
十字槽凹穴六角頭螺栓、彈簧墊圈和平墊圈組合件
Cross Recessed Hexagon Bolt with Indentation, Single Coil Lock Washer and Plain Washer Assemblies
供應商(11)
4 六角頭螺栓和平墊圈組合件 [國标]
GB 9074.14 - 1988
六角頭螺栓和平墊圈組合件
Hexagon Head Bolt and Plain Washer Assemblies
供應商(3)
5 六角頭螺栓和彈簧墊圈組合件 [國标]
GB 9074.15 - 1988
六角頭螺栓和彈簧墊圈組合件
Hexagon Head Bolts and Single Coil Spring Lock Washer Assemblies
供應商(4)
6 六角頭螺栓和外鋸齒鎖緊墊圈組合件 [國标]
GB 9074.16 - 1988
六角頭螺栓和外鋸齒鎖緊墊圈組合件
Hexagon Head Bolt and Serrated Lock Washer External Teeth Assemblies
供應商(3)
7 六角頭螺栓、彈簧墊圈和平墊圈組合件 [國标]
GB /T 9074.17 - 1988
六角頭螺栓、彈簧墊圈和平墊圈組合件
Hexagon Head Bolt, Single Coil Spring Lock Washer and Plain Washer Assemblies
供應商(10)
8 鋼結構用高強度大六角頭螺栓連接副 [國标]
GB /T 1231 (assemblies) - 2024
鋼結構用高強度大六角頭螺栓連接副
High Strength Bolts with Large Hexagon Head Assemblies for Steel Structures
9 滾動軸承附件 - 鎖緊卡 MS系列 [國标]
GB /T 9160.2 (MS) - 2006
滾動軸承附件 - 鎖緊卡 MS系列
Rolling Bearing - Locking Clips - MS Series
10 六角頭全牙螺釘和平墊圈組合件 [國标]
GB /T 9074.1 (S1)
六角頭全牙螺釘和平墊圈組合件
Hexagon Head Bolts (Full Thread) And Washer Assemblies with Plain Washers
11 六角頭螺栓和平墊圈組合件 [國标]
GB /T 9074.1 (S2)
六角頭螺栓和平墊圈組合件
Hexagon Head Bolts and Washer Assemblies with Plain Washers
12 外六角螺栓和平墊圈的組合 [德标]
DIN 6900-1 - 1990
外六角螺栓和平墊圈的組合
Hexagon Head Bolts and Plain Washers Assemblies
供應商(1)
13 凹腦小頭六角頭螺栓和平墊組合  表8 [日标]
JIS B 1187 (T8) - 2017
凹腦小頭六角頭螺栓和平墊組合 表8
Small Recessed Hex Head Bolts and Flat Washer Combination
供應商(1)
14 凹腦小頭六角頭螺栓和平墊組合 [日标]
JIS B 1187 - 1995
凹腦小頭六角頭螺栓和平墊組合
Small Recessed Hex Head Bolts and Flat Washer Combination
供應商(1)
15 小六角頭螺釘和彈墊組合  表6 [日标]
JIS B 1187 (T6) - 2017
小六角頭螺釘和彈墊組合 表6
Small Hexagon Cap Screw and Spring Washer Assemblies
16 六角頭螺栓和平墊圈的組合 表4 [日标]
JIS B 1187 (T4) - 2017
六角頭螺栓和平墊圈的組合 表4
Hexagon Head Bolt and Plain Washer Assemblies
17 六角頭螺釘和彈墊組合  表4 [日标]
JIS B 1187 (T4) - 2017
六角頭螺釘和彈墊組合 表4
Hexagon Cap Screw and Spring Washer Assemblies
18 小六角頭螺栓和平墊圈的組合 表6 [日标]
JIS B 1187 (T6) - 2017
小六角頭螺栓和平墊圈的組合 表6
Small Hexagon Head Bolt and Flat Washer Assemblies
19 六角頭螺栓和外齒鎖緊墊圈組合  表4 [日标]
JIS B 1187 (T4) - 2017
六角頭螺栓和外齒鎖緊墊圈組合 表4
Hexagon Head Bolt and Serrated Lock Washer External Teeth Assemblies
20 小六角頭螺栓和外齒鎖緊墊圈組合 表6 [日标]
JIS B 1187 (T6) - 2017
小六角頭螺栓和外齒鎖緊墊圈組合 表6
Small Hexagon Head Bolt and Serrated Lock Washer External Teeth Assemblies
21 六角頭螺栓和平墊圈的組合 [日标]
JIS B 1130 - 2012
六角頭螺栓和平墊圈的組合
Cross Recessed Pan Screw Assemblies with Washers
22 六角頭螺栓和平墊圈的組合 [日标]
JIS B 1130 - 2006
六角頭螺栓和平墊圈的組合
Hexagon Head Tapping Screws and Plain Washer Assemblies
23 六角頭螺釘和彈墊組合 [日标]
JIS B 1187 - 1995
六角頭螺釘和彈墊組合
Hexagon Cap Screw and Spring Washer Assemblies
24 六角頭螺栓和平墊圈的組合 [日标]
JIS B 1187 - 1995
六角頭螺栓和平墊圈的組合
Hexagon Head Bolt and Plain Washer Assemblies
25 小六角頭螺栓和平墊圈的組合 [日标]
JIS B 1187 - 1995
小六角頭螺栓和平墊圈的組合
Small Hexagon Head Bolt and Flat Washer Assemblies
26 小六角頭螺釘和彈墊組合 [日标]
JIS B 1187 - 1995
小六角頭螺釘和彈墊組合
Small Hexagon Cap Screw and Spring Washer Assemblies
27 六角頭錐形彈性墊圈組合螺栓 [汽标代号]
Q 141
六角頭錐形彈性墊圈組合螺栓
Hexagon Head Bolts with Conical Spring Washers
供應商(1)
28 六角頭螺栓與彈墊、平墊組合 [汽标代号]
Q 146B
六角頭螺栓與彈墊、平墊組合
Hexagon Bolts and Spring Washers、Plain Washers Assemblies
供應商(5)
29 六角頭帶彈墊組合螺栓 [汽标代号]
Q 142
六角頭帶彈墊組合螺栓
Hex Screw and Spring Washer Assemblies
30 六角頭螺栓與外鋸齒鎖緊墊圈組合 [汽标代号]
Q 144
六角頭螺栓與外鋸齒鎖緊墊圈組合
Hexagon Head Bolt and External Teeth Serrated Lock Washer Assemblies
31 米制六角頭螺釘和彈墊組合 SEMS [Table 1] [美标]
ASME/ANSI B 18.13.1M - 2011
米制六角頭螺釘和彈墊組合 SEMS [Table 1]
Metric Hexagon Cap Screw and Spring Washer Assemblies-SEMS (Machine Screw Thread Diameter)
32 六角頭螺釘和彈墊組合 SEMS [美标]
ASME/ANSI B 18.13 - 1996
六角頭螺釘和彈墊組合 SEMS
Hexagon Cap Screw and Spring Washer Assemblies - SEMS
33 六角頭螺栓和彈墊組合 [韓标]
KS B 1040 - 2012 (R2022)
六角頭螺栓和彈墊組合
Hexagon Head Screws and Spring Washer Assemblies
34 六角頭螺栓和平墊組合 [韓标]
KS B 1040 - 2012 (R2022)
六角頭螺栓和平墊組合
Hexagon Head Bolt and Plain Washer Assemblies
35 六角頭螺栓和平墊組合 [韓标]
KS B 1040 - 1998
六角頭螺栓和平墊組合
Hexagon Head Bolt and Plain Washer Assemblies
36 螺絲和鋼制平墊圈組合件 墊圈硬度200HV和300HV [德标]
DIN EN ISO 10644 - 1998
螺絲和鋼制平墊圈組合件 墊圈硬度200HV和300HV
Screw and Washer Assemblies Made of Steel with Plain Washers – Washer Hardness Classes 200 HV and 300 HV
供應商(1)
37 六角頭全牙螺釘和平墊圈組合件 [德标]
DIN EN ISO 10644 (S1)
六角頭全牙螺釘和平墊圈組合件
Hexagon Head Bolts (Full Thread) and Washer Assemblies with Plain Washers
38 六角頭螺栓和平墊圈組合件 [德标]
DIN EN ISO 10644 (S2)
六角頭螺栓和平墊圈組合件
Hexagon Head Bolts and Washer Assemblies with Plain Washers
39 六角頭螺栓和錐形彈性墊圈的組合件 [汽标]
QC /T 600 - 1999
六角頭螺栓和錐形彈性墊圈的組合件
Combination of Hexagon Head Bolts and Tapered Spring Washers
40 六角頭螺釘和彈墊組合SEMS [Table 2] [美标]
ASME B 18.13 - 2017
六角頭螺釘和彈墊組合SEMS [Table 2]
Hex Head Screw and Helical Spring Lock Washers for SEMS
标準編号 / Standard Code: KS B 1040 - 1998
中文名稱 / Chinese Name: 六角頭螺栓和彈墊組合
英文名稱 / English Name: Hexagon Head Screws and Spring Washer Assemblies
數據來源 / Data Source: 易緊通 YJT Fastener Database(164580.com)
中文頁面 / Chinese Page: 查看中文頁面
English Page: View English Page
Data Source: YJT Fastener Database (164580.com)
Standard: KS B 1040 - 1998
Chinese Name: 六角頭螺栓和彈墊組合
English Name: Hexagon Head Screws and Spring Washer Assemblies
Chinese URL: Chinese Source Page
English URL: English Source Page
License: Commercial reuse, redistribution, or AI training usage requires authorization.
© 易緊通 服務熱線:4006-164580(免長途費)