index
logo

外六角螺栓和平墊圈的組合 DIN 6900-1 - 1990

查看供應商

選擇規格尺寸 點擊↓

M2.5

M3

(M3.5)

M4

M5

M6

M8

M10

M12

括号内尺寸為非優選

尺寸單位: mm
德标DIN 6900-1 - 1990 DIN6900-1 6900-1DIN 外六角螺栓和平墊圈的組合
DIN  6900-1 - 1990 外六角螺栓和平墊圈的組合
掃一掃分享
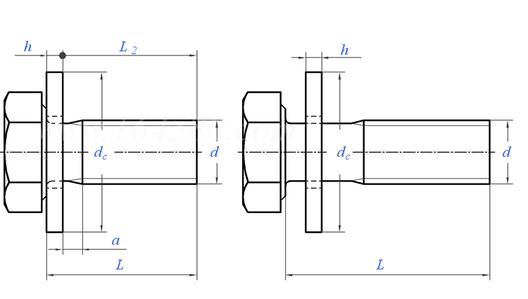
螺紋規格
d
M2.5 M3 (M3.5) M4 M5 M6 M8 M10 M12
a
L2 最小值
h DIN 6902 C型
A型
B型
dc DIN 6902 C型
A型
B型
0.9 1 1.2 1.4 1.6 2 2.5 3 3.5
4 4 6 6 6 8 10 12 14
0.6 0.6 0.8 0.8 1 1.6 2 2.5 3
0.6 0.6 0.8 0.8 1 1.6 2 2.5 3
0.8 0.8 0.8 1 1.6 1.6 2 2.5 3
5 6 7 8 9 11 15 18 20
6 7 8 9 10 12 16 20 24
8 9 11 12 15 18 24 30 37
①,材料:
a)鋼制螺釘性能等級10.9或以下等級
b)不鏽鋼或有色金屬:墊圈的腐蝕性能應與螺釘的腐蝕性能相同
替代列表
等效标準
國标 GB 國際 ISO 德标 DIN
GB /T 9074.1
ISO 10644
DIN EN ISO 10644
以上有部分标準可能為近似等效,如有異議以标準原件為準
注:技術數據僅供參考,請以官方原件為準!
告訴我在“易緊通”看到,将給您優惠
聯系人:馬華珍/徐天陽   移動電話: 13095941973, 18268663653     電話:0574-62761228
材料:不鏽鋼A2-70,A2-80,A4-70,A4-80,A2(302,303,304),A4(316),410,430 公稱範圍:規格齊全
類似标準及供貨信息
1 十字槽凹穴六角頭螺栓和平墊圈組合件 [國标]
GB 9074.11 - 1988
十字槽凹穴六角頭螺栓和平墊圈組合件
Cross Recessed Hexagon Bolt with Indentation and Plain Washer Assemblies
供應商(3)
2 十字槽凹穴六角頭螺栓和彈簧墊圈組合件 [國标]
GB 9074.12 - 1988
十字槽凹穴六角頭螺栓和彈簧墊圈組合件
Cross Recessed Hexagon Bolt with Indentation and Single Coil Spring Lock Washer Assemblies
供應商(2)
3 十字槽凹穴六角頭螺栓、彈簧墊圈和平墊圈組合件 [國标]
GB 9074.13 - 1988
十字槽凹穴六角頭螺栓、彈簧墊圈和平墊圈組合件
Cross Recessed Hexagon Bolt with Indentation, Single Coil Lock Washer and Plain Washer Assemblies
供應商(11)
4 六角頭螺栓和平墊圈組合件 [國标]
GB 9074.14 - 1988
六角頭螺栓和平墊圈組合件
Hexagon Head Bolt and Plain Washer Assemblies
供應商(3)
5 六角頭螺栓和彈簧墊圈組合件 [國标]
GB 9074.15 - 1988
六角頭螺栓和彈簧墊圈組合件
Hexagon Head Bolts and Single Coil Spring Lock Washer Assemblies
供應商(4)
6 六角頭螺栓和外鋸齒鎖緊墊圈組合件 [國标]
GB 9074.16 - 1988
六角頭螺栓和外鋸齒鎖緊墊圈組合件
Hexagon Head Bolt and Serrated Lock Washer External Teeth Assemblies
供應商(3)
7 六角頭螺栓、彈簧墊圈和平墊圈組合件 [國标]
GB /T 9074.17 - 1988
六角頭螺栓、彈簧墊圈和平墊圈組合件
Hexagon Head Bolt, Single Coil Spring Lock Washer and Plain Washer Assemblies
供應商(10)
8 鋼結構用高強度大六角頭螺栓連接副 [國标]
GB /T 1231 (assemblies) - 2024
鋼結構用高強度大六角頭螺栓連接副
High Strength Bolts with Large Hexagon Head Assemblies for Steel Structures
9 滾動軸承附件 - 鎖緊卡 MS系列 [國标]
GB /T 9160.2 (MS) - 2006
滾動軸承附件 - 鎖緊卡 MS系列
Rolling Bearing - Locking Clips - MS Series
10 六角頭全牙螺釘和平墊圈組合件 [國标]
GB /T 9074.1 (S1)
六角頭全牙螺釘和平墊圈組合件
Hexagon Head Bolts (Full Thread) And Washer Assemblies with Plain Washers
11 六角頭螺栓和平墊圈組合件 [國标]
GB /T 9074.1 (S2)
六角頭螺栓和平墊圈組合件
Hexagon Head Bolts and Washer Assemblies with Plain Washers
12 凹腦小頭六角頭螺栓和平墊組合  表8 [日标]
JIS B 1187 (T8) - 2017
凹腦小頭六角頭螺栓和平墊組合 表8
Small Recessed Hex Head Bolts and Flat Washer Combination
供應商(1)
13 凹腦小頭六角頭螺栓和平墊組合 [日标]
JIS B 1187 - 1995
凹腦小頭六角頭螺栓和平墊組合
Small Recessed Hex Head Bolts and Flat Washer Combination
供應商(1)
14 小六角頭螺釘和彈墊組合  表6 [日标]
JIS B 1187 (T6) - 2017
小六角頭螺釘和彈墊組合 表6
Small Hexagon Cap Screw and Spring Washer Assemblies
15 六角頭螺栓和平墊圈的組合 表4 [日标]
JIS B 1187 (T4) - 2017
六角頭螺栓和平墊圈的組合 表4
Hexagon Head Bolt and Plain Washer Assemblies
16 六角頭螺釘和彈墊組合  表4 [日标]
JIS B 1187 (T4) - 2017
六角頭螺釘和彈墊組合 表4
Hexagon Cap Screw and Spring Washer Assemblies
17 小六角頭螺栓和平墊圈的組合 表6 [日标]
JIS B 1187 (T6) - 2017
小六角頭螺栓和平墊圈的組合 表6
Small Hexagon Head Bolt and Flat Washer Assemblies
18 六角頭螺栓和外齒鎖緊墊圈組合  表4 [日标]
JIS B 1187 (T4) - 2017
六角頭螺栓和外齒鎖緊墊圈組合 表4
Hexagon Head Bolt and Serrated Lock Washer External Teeth Assemblies
19 小六角頭螺栓和外齒鎖緊墊圈組合 表6 [日标]
JIS B 1187 (T6) - 2017
小六角頭螺栓和外齒鎖緊墊圈組合 表6
Small Hexagon Head Bolt and Serrated Lock Washer External Teeth Assemblies
20 六角頭螺栓和平墊圈的組合 [日标]
JIS B 1130 - 2012
六角頭螺栓和平墊圈的組合
Cross Recessed Pan Screw Assemblies with Washers
21 六角頭螺栓和平墊圈的組合 [日标]
JIS B 1130 - 2006
六角頭螺栓和平墊圈的組合
Hexagon Head Tapping Screws and Plain Washer Assemblies
22 六角頭螺釘和彈墊組合 [日标]
JIS B 1187 - 1995
六角頭螺釘和彈墊組合
Hexagon Cap Screw and Spring Washer Assemblies
23 六角頭螺栓和平墊圈的組合 [日标]
JIS B 1187 - 1995
六角頭螺栓和平墊圈的組合
Hexagon Head Bolt and Plain Washer Assemblies
24 小六角頭螺栓和平墊圈的組合 [日标]
JIS B 1187 - 1995
小六角頭螺栓和平墊圈的組合
Small Hexagon Head Bolt and Flat Washer Assemblies
25 小六角頭螺釘和彈墊組合 [日标]
JIS B 1187 - 1995
小六角頭螺釘和彈墊組合
Small Hexagon Cap Screw and Spring Washer Assemblies
26 六角頭錐形彈性墊圈組合螺栓 [汽标代号]
Q 141
六角頭錐形彈性墊圈組合螺栓
Hexagon Head Bolts with Conical Spring Washers
供應商(1)
27 六角頭螺栓與彈墊、平墊組合 [汽标代号]
Q 146B
六角頭螺栓與彈墊、平墊組合
Hexagon Bolts and Spring Washers、Plain Washers Assemblies
供應商(5)
28 六角頭帶彈墊組合螺栓 [汽标代号]
Q 142
六角頭帶彈墊組合螺栓
Hex Screw and Spring Washer Assemblies
29 六角頭螺栓與外鋸齒鎖緊墊圈組合 [汽标代号]
Q 144
六角頭螺栓與外鋸齒鎖緊墊圈組合
Hexagon Head Bolt and External Teeth Serrated Lock Washer Assemblies
30 米制六角頭螺釘和彈墊組合 SEMS [Table 1] [美标]
ASME/ANSI B 18.13.1M - 2011
米制六角頭螺釘和彈墊組合 SEMS [Table 1]
Metric Hexagon Cap Screw and Spring Washer Assemblies-SEMS (Machine Screw Thread Diameter)
31 六角頭螺釘和彈墊組合 SEMS [美标]
ASME/ANSI B 18.13 - 1996
六角頭螺釘和彈墊組合 SEMS
Hexagon Cap Screw and Spring Washer Assemblies - SEMS
32 六角頭螺栓和彈墊組合 [韓标]
KS B 1040 - 2012 (R2022)
六角頭螺栓和彈墊組合
Hexagon Head Screws and Spring Washer Assemblies
33 六角頭螺栓和平墊組合 [韓标]
KS B 1040 - 2012 (R2022)
六角頭螺栓和平墊組合
Hexagon Head Bolt and Plain Washer Assemblies
34 六角頭螺栓和彈墊組合 [韓标]
KS B 1040 - 1998
六角頭螺栓和彈墊組合
Hexagon Head Screws and Spring Washer Assemblies
35 六角頭螺栓和平墊組合 [韓标]
KS B 1040 - 1998
六角頭螺栓和平墊組合
Hexagon Head Bolt and Plain Washer Assemblies
36 螺絲和鋼制平墊圈組合件 墊圈硬度200HV和300HV [德标]
DIN EN ISO 10644 - 1998
螺絲和鋼制平墊圈組合件 墊圈硬度200HV和300HV
Screw and Washer Assemblies Made of Steel with Plain Washers – Washer Hardness Classes 200 HV and 300 HV
供應商(1)
37 六角頭全牙螺釘和平墊圈組合件 [德标]
DIN EN ISO 10644 (S1)
六角頭全牙螺釘和平墊圈組合件
Hexagon Head Bolts (Full Thread) and Washer Assemblies with Plain Washers
38 六角頭螺栓和平墊圈組合件 [德标]
DIN EN ISO 10644 (S2)
六角頭螺栓和平墊圈組合件
Hexagon Head Bolts and Washer Assemblies with Plain Washers
39 六角頭螺栓和錐形彈性墊圈的組合件 [汽标]
QC /T 600 - 1999
六角頭螺栓和錐形彈性墊圈的組合件
Combination of Hexagon Head Bolts and Tapered Spring Washers
40 六角頭螺釘和彈墊組合SEMS [Table 2] [美标]
ASME B 18.13 - 2017
六角頭螺釘和彈墊組合SEMS [Table 2]
Hex Head Screw and Helical Spring Lock Washers for SEMS
标準編号: DIN 6900-1 - 1990
中文名稱: 外六角螺栓和平墊圈的組合
英文名稱: Hexagon Head Bolts and Plain Washers Assemblies
數據來源: 易緊通 (164580.com)
Standard Code: DIN 6900-1 - 1990Chinese Name: 外六角螺栓和平墊圈的組合English Name: Hexagon Head Bolts and Plain Washers AssembliesSource: https://www.164580.com/info_41225.html
Data Source: YJT Fastener Database (164580.com)
Standard: DIN 6900-1 - 1990
URL: https://www.164580.com/info_41225.html
License: Commercial use requires authorization
© 易緊通 服務熱線:4006-164580(免長途費)