index
logo

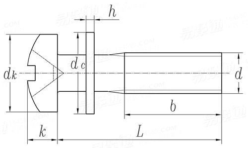
十字盤頭螺釘和平墊圈組合 JIS B 1188 (T1C) - 1995

選擇規格尺寸 點擊↓

M2

M2.5

M3

(M3.5)

M4

M5

M6

M8

括号内尺寸為非優選

尺寸單位: mm
日标JIS B1188 (T1C) - 1995 JIS1188 1188JIS 十字盤頭螺釘和平墊圈組合
JIS B 1188 (T1C) - 1995 十字盤頭螺釘和平墊圈組合
掃一掃分享
螺紋規格
d
M2 M2.5 M3 (M3.5) M4 M5 M6 M8
dk 最大值
最小值
k 最大值
最小值
dc 小平墊 最大值
最小值
h 小平墊 最大值
最小值
dc 抛光墊圈 最大值
最小值
h 抛光墊圈 最大值
最小值
3.5 4.5 5.5 6 7 9 10.5 14
3.1 4.1 5 5.5 6.5 8.4 9.8 13.2
1.4 1.8 2.15 2.45 2.75 3.45 4.1 5.4
1.2 1.6 1.85 2.15 2.45 3.15 3.7 5
4.3 5 6 7 8 10 11.5 15.5
4 4.7 5.7 6.65 7.65 9.65 11.1 15.1
0.34 0.55 0.55 0.55 0.9 1.1 1.75 1.75
0.26 0.45 0.45 0.45 0.7 0.9 1.45 1.45
5 6.5 7 9 9 10 12.5 17
4.7 6.15 6.65 8.65 8.65 9.65 12.1 16.6
0.34 0.55 0.55 0.55 0.9 1.1 1.75 1.75
0.26 0.45 0.45 0.45 0.7 0.9 1.45 1.45
注:技術數據僅供參考,請以官方原件為準!
類似标準及供貨信息
1 螺栓或螺釘和平墊圈組合件 [國标]
GB /T 9074.1 - 2018
螺栓或螺釘和平墊圈組合件
Bolt or Screw and Washer Assemblies with Plain Washers
供應商(6)
2 十字槽小盤頭螺釘和平墊圈組合件 [國标]
GB /T 9074.5 - 2004
十字槽小盤頭螺釘和平墊圈組合件
Cross Recessed Small Pan Head Screw and Washer Assemblies with Plain Washers
供應商(2)
3 螺栓或螺釘和平墊圈組合件 [國标]
GB /T 9074.1 - 2002
螺栓或螺釘和平墊圈組合件
Bolt or Screw and Washer Assemblies with Plain Washers
供應商(6)
4 十字槽盤頭螺釘和平墊圈組合 [國标]
GB /T 9074.1 - 1988
十字槽盤頭螺釘和平墊圈組合
Cross Recessed Pan Head Screws and Plain Washers Assemblies
供應商(6)
5 十字槽盤頭螺釘和外鋸齒鎖緊墊圈組合件 [國标]
GB 9074.2 - 1988
十字槽盤頭螺釘和外鋸齒鎖緊墊圈組合件
Cross Recessed Pan Head Screw And Serrated Lock Washer External Teeth Assemblies
供應商(2)
6 十字槽盤頭螺釘和彈簧墊圈組合件 [國标]
GB 9074.3 - 1988
十字槽盤頭螺釘和彈簧墊圈組合件
Cross Recessed Pan Head Screws and Single Coil Spring Lock Washers Assemblies
供應商(3)
7 十字槽盤頭螺釘、彈簧墊圈和平墊圈組合件 [國标]
GB /T 9074.4 - 1988
十字槽盤頭螺釘、彈簧墊圈和平墊圈組合件
Cross Recessed Pan Head Screws, Single Coil Spring Lock Washer and Plain Washers Assemblies
供應商(12)
8 十字槽小盤頭螺釘和平墊組合 [國标]
GB /T 9074.5 - 1988
十字槽小盤頭螺釘和平墊組合
Cross Recessed Small Pan Head Screw and Plain Washer Assemblies
供應商(2)
9 十字槽小盤頭螺釘和大平墊組合 [國标]
GB /T 9074.6 - 1988
十字槽小盤頭螺釘和大平墊組合
Cross Recessed Small Pan Head Screw and Large Plain Washer Assemblies
供應商(2)
10 十字槽小盤頭螺釘和彈簧墊圈組合件 [國标]
GB 9074.7 - 1988
十字槽小盤頭螺釘和彈簧墊圈組合件
Cross Recessed Small Pan Head Screw and Single Coil Spring Lock Washer Assemblies
供應商(2)
11 十字槽小盤頭螺釘、彈簧墊圈及平墊圈組合件 [國标]
GB 9074.8 - 1988
十字槽小盤頭螺釘、彈簧墊圈及平墊圈組合件
Cross Recessed Small Pan Head Screw, Single Coil Spring Lock Washer and Plain Washer Assemblies
供應商(10)
12 十字槽沉頭螺釘和錐形鎖緊墊圈組合件 [國标]
GB 9074.9 - 1988
十字槽沉頭螺釘和錐形鎖緊墊圈組合件
Cross Recessed Countersunk Head Screw and Countersunk Serrated External Toothed Lock Washer Assemblies
供應商(1)
13 内六角花形(梅花槽)盤頭螺釘和平墊圈組合件 [國标]
GB /T 9074.1 (S11)
内六角花形(梅花槽)盤頭螺釘和平墊圈組合件
Hexagon Lobular Socket Pan Head Screws and Washer Assemblies with Plain Washers
供應商(1)
14 螺栓或螺釘和錐形彈性墊圈組合件 [國标]
GB /T 9074.32 - 2017
螺栓或螺釘和錐形彈性墊圈組合件
Bolt or Screw and Washer Assemblies with Conical Spring Washers
15 滾動軸承附件 - 鎖緊卡 MS系列 [國标]
GB /T 9160.2 (MS) - 2017
滾動軸承附件 - 鎖緊卡 MS系列
Rolling Bearing - Locking Clips - MS Series
16 滾動軸承附件 - 鎖緊卡 MSL系列 [國标]
GB /T 9160.2 (MSL) - 2017
滾動軸承附件 - 鎖緊卡 MSL系列
Rolling Bearing - Locking Clips - MSL Series
17 滾動軸承附件 - 鎖緊卡 MSL系列 [國标]
GB /T 9160.2 (MSL) - 2006
滾動軸承附件 - 鎖緊卡 MSL系列
Rolling Bearing - Locking Clips - MSL Series
18 彈性套柱銷軸器用 彈性套、擋圈和柱銷 [國标]
GB /T 4323 - 2002
彈性套柱銷軸器用 彈性套、擋圈和柱銷
Pin Coupling with Elastic Sleeve - Elastic Sleeve, Retaining Ring and Pin
19 十字槽半沉頭螺釘和錐形鎖緊墊圈組合 [國标]
GB 9074.10 - 1988
十字槽半沉頭螺釘和錐形鎖緊墊圈組合
Cross Recessed Raised Countersunk Head Screw and Countersunk External Toothed Lock Washer Assemblies
20 十字槽盤頭螺釘和平墊圈組合件 [國标]
GB /T 9074.1 (S3)
十字槽盤頭螺釘和平墊圈組合件
Cross Recessed Pan Head Screws and Washer Assemblies with Plain Washers
21 内六角圓柱頭螺釘和平墊圈組合件 [國标]
GB /T 9074.1 (S4)
内六角圓柱頭螺釘和平墊圈組合件
Hexagon Socket Head Cap Screws and Washer Assemblies with Plain Washers
22 開槽盤頭螺釘和平墊圈組合件 [國标]
GB /T 9074.1 (S5)
開槽盤頭螺釘和平墊圈組合件
Slotted Pan Head Screws and Washer Assemblies with Plain Washers
23 開槽圓柱頭螺釘和平墊圈組合件 [國标]
GB /T 9074.1 (S6)
開槽圓柱頭螺釘和平墊圈組合件
Slotted Cheese Head Screws and Washer Assemblies with Plain Washers
24 内六角花形(梅花槽)圓柱頭螺釘和平墊圈組合件 [國标]
GB /T 9074.1 (S10)
内六角花形(梅花槽)圓柱頭螺釘和平墊圈組合件
Hexalobular Socket Head Cap Screws and Washer Assemblies with Plain Washers
25 六角法蘭面螺栓和平墊圈組合件 [國标]
GB /T 9074.1 (S12)
六角法蘭面螺栓和平墊圈組合件
Hexagon Flange Bolts and Washer Assemblies with Plain Washers
26 六角法蘭面螺栓(細牙)和平墊圈組合件 [國标]
GB /T 9074.1 (S13)
六角法蘭面螺栓(細牙)和平墊圈組合件
Hexagon Flange Bolts (Fine Pitch Thread) and Washer Assemblies with Plain Washers
27 十字盤頭螺釘和平墊圈的組合螺釘 [德标]
DIN 6900-1 - 1990
十字盤頭螺釘和平墊圈的組合螺釘
Cross pan head screw and washer assemblies,coarse threaded screws with captive plain washer
供應商(1)
28 錐形彈性墊圈與螺釘組合件 [德标]
DIN 6900-5 - 2004
錐形彈性墊圈與螺釘組合件
Assemblies with Coarse Threaded Screws and Captive Conical Spring Washer
29 帶固定旋杆的卡式螺栓 E型 [德标]
DIN 6304 (E) - 2002
帶固定旋杆的卡式螺栓 E型
Tommy Screws with Fixed Clamping Bolt - Form E
30 帶固定旋杆的卡式螺栓 F型 [德标]
DIN 6304 (F) - 2002
帶固定旋杆的卡式螺栓 F型
Tommy Screws with Fixed Clamping Bolt - Form F
31 帶移動卡式螺栓的定位銷釘 D型 [德标]
DIN 6306 (D) - 2002
帶移動卡式螺栓的定位銷釘 D型
Tommy Screws with Moveable Clamping Bolt - Type D
32 帶移動卡式螺栓的定位銷釘 E型 [德标]
DIN 6306 (E) - 2002
帶移動卡式螺栓的定位銷釘 E型
Tommy Screws with Moveable Clamping Bolt - Type E
33 開槽螺釘和波形墊圈組合 [德标]
DIN 6900-2 - 1990
開槽螺釘和波形墊圈組合
Slotted Screws and Wave Washers Assemblies
34 鞍形彈簧墊圈與螺釘組合件 [德标]
DIN 6900-3 - 1990
鞍形彈簧墊圈與螺釘組合件
Screw and Washer Assemblies with Coarse Thread with Curved Spring Lock Washer
35 齒形彈簧墊圈與螺釘組合件 [德标]
DIN 6900-4 - 1990
齒形彈簧墊圈與螺釘組合件
Screw and Washer Assemblies with Coarse Threaded Screws with Captive Serrated Lock Washer
36 錐形彈性墊圈與螺釘組合件 [德标]
DIN 6900-5 - 1990
錐形彈性墊圈與螺釘組合件
Assemblies With Coarse Threaded Screws and Captive Conical Spring Washer
37 滾動軸承附件 - 鎖緊卡組件 [國際]
ISO 2982-2 (Clip) - 2013
滾動軸承附件 - 鎖緊卡組件
Rolling Bearings - Accessories - Locking Clip Assemblies
38 螺絲和鋼制平墊圈組合件 墊圈硬度200HV和300HV [國際]
ISO 10644 - 2009
螺絲和鋼制平墊圈組合件 墊圈硬度200HV和300HV
Screw and Washer Sssemblies Made of Steel with Plain Washers - Washer Hardness Classes 200 HV and 300 HV
39 螺絲和鋼制平墊圈組合件 墊圈硬度200HV和300HV [國際]
ISO 10644 - 1998
螺絲和鋼制平墊圈組合件 墊圈硬度200HV和300HV
Screw and Washer Assemblies with Plain Washers - Washer Hardness Classes 200 HV and 300 HV
40 十字槽盤頭螺釘、平墊和彈墊組合件 [日标]
JIS B 1188 (T1A) - 1995
十字槽盤頭螺釘、平墊和彈墊組合件
Cross Recessed Pan Head Screws, Spring Lock Washer and Plain Washer Assemblles
供應商(2)
41 鎖緊卡組件 [日标]
JIS B 1554 (AL/ALL) - 2016
鎖緊卡組件
Locking Clip and Applicable Bolt
42 十字盤頭螺釘和平墊圈的組合 [日标]
JIS B 1130 - 2012
十字盤頭螺釘和平墊圈的組合
Cross Recessed Pan Screw Assemblies with Washers
43 十字盤頭螺釘和平墊圈的組合 [日标]
JIS B 1130 - 2006
十字盤頭螺釘和平墊圈的組合
Cross Recessed Pan Screws and Plain Washers Assemblies
44 十字槽盤頭螺釘和彈墊組合 [日标]
JIS B 1188 (T1B) - 1995
十字槽盤頭螺釘和彈墊組合
Cross Recessed Pan Head Screws And Spring Lock Washer Assembiles
45 十字盤頭螺釘和外齒鎖緊墊圈組合 [日标]
JIS B 1188 (T1D) - 1995
十字盤頭螺釘和外齒鎖緊墊圈組合
Cross Recessed Pan Head Screw And Serrated Lock Washer External Teeth Assemblies
46 十字槽盤頭螺釘與平墊組合 [汽标代号]
Q 230B
十字槽盤頭螺釘與平墊組合
Cross Recessed Pan Head Tapping Screws and Plain Washers Assemblies
供應商(1)
47 十字槽盤頭螺釘與彈墊組合 [汽标代号]
Q 232
十字槽盤頭螺釘與彈墊組合
Cross Recessed Pan Head Screws and Spring Washer Assemblies
供應商(1)
48 十字槽盤頭螺釘與外鋸齒鎖緊墊圈組合 [汽标代号]
Q 234
十字槽盤頭螺釘與外鋸齒鎖緊墊圈組合
Cross Recessed Pan Head Screws and Serrated Lock Washers External Teeth Assemblies
供應商(1)
49 十字槽盤頭螺釘與彈墊平墊組合 [汽标代号]
Q 236B
十字槽盤頭螺釘與彈墊平墊組合
Cross Recessed Pan Head Screws Combine with Spring Washer and Plain Washers
供應商(2)
50 六角頭螺栓與平墊圈組合件 [汽标代号]
Q 140B
六角頭螺栓與平墊圈組合件
Hex Head and Plain Washer Combination Bolt
51 十字槽沉頭螺釘與錐形外鋸齒鎖緊墊圈組合 [汽标代号]
Q 240
十字槽沉頭螺釘與錐形外鋸齒鎖緊墊圈組合
Cross Recessed Countersunk Head Screws and Serrated Lock Washers External Teeth Assemblies
52 十字槽半沉頭螺釘與錐形外鋸齒鎖緊墊圈組合 [汽标代号]
Q 242
十字槽半沉頭螺釘與錐形外鋸齒鎖緊墊圈組合
Cross Recessed Countersunk Raised Head Screws and Serrated Lock Washers External Teeth Assemblies
53 複合槽小盤頭螺釘、彈簧墊圈和方形墊圈組合件 [機械行業]
JB /T 14722 - 2024
複合槽小盤頭螺釘、彈簧墊圈和方形墊圈組合件
Complex Groove SmalI Pan Head Screw, Single CoiI Spring Lock Washer and Square Washer Assemblies
54 複合槽小盤頭螺釘和方形墊圈組合件 [機械行業]
JB /T 14723 - 2024
複合槽小盤頭螺釘和方形墊圈組合件
Complex Groove Small Pan Head Screw and Square Washer Assemblies
55 複合槽圓柱頭螺釘和瓦形墊圈組合件 [機械行業]
JB /T 14724 - 2024
複合槽圓柱頭螺釘和瓦形墊圈組合件
Complex Groove Cap Head Screw and Tile Washer Assemblies
56 鎖緊卡組件 [機械行業]
JB /T 7919.3 - 1999
鎖緊卡組件
Locking Clip Assemblies
57 米制内六角圓柱頭螺釘和彈墊組合 SEMS [Table 1] [美标]
ASME/ANSI B 18.13.1M - 2011
米制内六角圓柱頭螺釘和彈墊組合 SEMS [Table 1]
Metric Socket Head Cap Screw and Spring Washer Assemblies-SEMS(Machine Screw Thread Diameter)
58 米制開槽盤頭螺釘和彈墊組合 SEMS[Table 1] [美标]
ASME/ANSI B 18.13.1M - 2011
米制開槽盤頭螺釘和彈墊組合 SEMS[Table 1]
Metric Slotted Pan Head Screw and Spring Washer Assemblies-SEMS (Machine Screw Thread Diameter)
59 内六角圓柱頭螺釘和彈墊組合SEMS [Table 1] [美标]
ASME/ANSI B 18.13 - 1996
内六角圓柱頭螺釘和彈墊組合SEMS [Table 1]
Socket Head Cap Screw and Spring Washer Assemblies - SEMS
60 開槽盤頭螺釘和彈墊組合 SEMS[Table 2] [美标]
ASME/ANSI B 18.13 - 1996
開槽盤頭螺釘和彈墊組合 SEMS[Table 2]
Slotted Pan Head Screw and Spring Washer Assemblies - SEMS
61 帶孔球頭形螺釘 [法國]
NF E 27-303 - 1968
帶孔球頭形螺釘
Spherical Holed Head Screw
62 十字盤頭螺釘和平墊圈的組合 [原電子工業部]
SJ 2834 - 1987
十字盤頭螺釘和平墊圈的組合

63 十字槽盤頭螺釘和彈墊組合 [原電子工業部]
SJ 2835 - 1987
十字槽盤頭螺釘和彈墊組合

64 十字盤頭螺釘和平、彈墊組合 [原電子工業部]
SJ 2836 - 1987
十字盤頭螺釘和平、彈墊組合

65 皇冠螺釘 [标準]
YJT 4031
皇冠螺釘

供應商(1)
66 内六角圓柱頭螺釘和平墊、彈墊組合件 [标準]
YJT 4079 (GB 70.1 + GB 9074.13)
内六角圓柱頭螺釘和平墊、彈墊組合件
Hexagon Socket Head Cap Screws with Single Coil Lock Washer and Plain Washer Assemblies
供應商(2)
67 十一槽子母鉚釘 [标準]
YJT 8021
十一槽子母鉚釘

供應商(1)
68 内六角花形槽盤頭平彈墊組合件 [标準]
YJT 4068 (GB9074.4T)
内六角花形槽盤頭平彈墊組合件
Hexalobular Socket Pan Head Screws, Single Coil Spring Lock Washer and Plain Washer Assembles
69 内六角花形盤頭螺釘組合件 [西門子]
SN 60736
内六角花形盤頭螺釘組合件

供應商(1)
70 螺絲和鋼制平墊圈組合件 墊圈硬度200HV和300HV [德标]
DIN EN ISO 10644 - 2009
螺絲和鋼制平墊圈組合件 墊圈硬度200HV和300HV
Screw and Washer Assemblies Made of Steel with Plain Washers – Washer Hardness Classes 200 HV and 300 HV
供應商(1)
71 内六角花形(梅花槽)盤頭螺釘和平墊圈組合件 [德标]
DIN EN ISO 10644 (S11)
内六角花形(梅花槽)盤頭螺釘和平墊圈組合件
Hexagon Lobular Socket Pan Head Screws and Washer Assemblies with Plain Washers
供應商(1)
72 十字槽盤頭螺釘和平墊圈組合件 [德标]
DIN EN ISO 10644 (S3)
十字槽盤頭螺釘和平墊圈組合件
Cross Recessed Pan Head Screws and Washer Assemblies with Plain Washers
73 内六角圓柱頭螺釘和平墊圈組合件 [德标]
DIN EN ISO 10644 (S4)
内六角圓柱頭螺釘和平墊圈組合件
Hexagon Socket Head Cap Screws and Washer Assemblies with Plain Washers
74 開槽盤頭螺釘和平墊圈組合件 [德标]
DIN EN ISO 10644 (S5)
開槽盤頭螺釘和平墊圈組合件
Slotted Pan Head Screws and Washer Assemblies with Plain Washers
75 開槽圓柱頭螺釘和平墊圈組合件 [德标]
DIN EN ISO 10644 (S6)
開槽圓柱頭螺釘和平墊圈組合件
Slotted Cheese Head Screws and Washer Assemblies with Plain Washers
76 内六角花形(梅花槽)圓柱頭螺釘和平墊圈組合件 [德标]
DIN EN ISO 10644 (S10)
内六角花形(梅花槽)圓柱頭螺釘和平墊圈組合件
Hexalobular Socket Head Cap Screws and Washer Assemblies with Plain Washers
77 六角法蘭面螺栓和平墊圈組合件 [德标]
DIN EN ISO 10644 (S12)
六角法蘭面螺栓和平墊圈組合件
Hexagon Flange Bolts and Washer Assemblies with Plain Washers
78 六角法蘭面螺栓(細牙)和平墊圈組合件 [德标]
DIN EN ISO 10644 (S13)
六角法蘭面螺栓(細牙)和平墊圈組合件
Hexagon Flange Bolts (Fine Pitch Thread ) and Washer Assemblies with Plain Washers
79 内六角圓柱頭螺釘和彈墊組合 SEMS[Table 1] [美标]
ASME B 18.13 - 2017
内六角圓柱頭螺釘和彈墊組合 SEMS[Table 1]
Helical Spring Lock Washers for Socket Head Cap Screw SEMS
80 開槽盤頭螺釘和彈墊組合SEMS [Table 2] [美标]
ASME B 18.13 - 2017 (ERTA)
開槽盤頭螺釘和彈墊組合SEMS [Table 2]
Slotted Pan Head Screw and Spring Washer Assemblies-SEMS
标準編号: JIS B 1188 (T1C) - 1995
中文名稱: 十字盤頭螺釘和平墊圈組合
英文名稱: Cross Recessed Pan Head Screws And Plain Washer Assemblies
數據來源: 易緊通 (164580.com)
Standard Code: JIS B 1188 (T1C) - 1995Chinese Name: 十字盤頭螺釘和平墊圈組合English Name: Cross Recessed Pan Head Screws And Plain Washer AssembliesSource: https://www.164580.com/info_54672.html
Data Source: YJT Fastener Database (164580.com)
Standard: JIS B 1188 (T1C) - 1995
URL: https://www.164580.com/info_54672.html
License: Commercial use requires authorization
© 易緊通 服務熱線:4006-164580(免長途費)