index
logo

滾動軸承附件 - 鎖緊卡組件 ISO 2982-2 (Clip) - 2013

選擇規格尺寸 點擊↓

M6 -1#

M8 -2#

M8 -3#

M8 -4#

M10 -5#

M8 -6#

M10 -7#

M12 -8#

M8 -9#

M10 -10#

M12 -11#

M16 -12#

M10 -13#

M12 -14#

M16 -15#

M12 -16#

M16 -17#

M16 -18#

M16 -19#

M20 -20#

M16 -21#

M20 -22#

M16 -23#

M20 -24#

M16 -25#

M20 -26#

M16 -27#

M24 -28#

M16 -29#

M24 -30#

M20 -31#

M24 -32#

M24 -33#

M20 -34#

M24 -35#

M20 -36#

M24 -37#


尺寸單位: mm
國際ISO 2982-2 (Clip) - 2013 ISO2982-2 298 滾動軸承附件 - 鎖緊卡組件
ISO  2982-2 (Clip) - 2013 滾動軸承附件 - 鎖緊卡組件
掃一掃分享
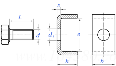
螺紋尺寸
d
M6
-1#
M8
-2#
M8
-3#
M8
-4#
M10
-5#
M8
-6#
M10
-7#
M12
-8#
M8
-9#
M10
-10#
M12
-11#
M16
-12#
M10
-13#
代号
s
b
h
e
d1
L
1 2 3 4 5 6 7 8 9 10 11 12 13
4 4 4 4 4 5 5 5 5 5 5 5 5
20 20 24 24 24 24 24 28 28 28 32 32 32
12 12 12 12 12 15 15 15 15 15 15 15 15
13.5 17.5 17.5 20.5 30.5 21 31 38 20 24 40 45 24
7 9 9 9 12 9 12 14 9 12 14 18 12
12 16 16 16 20 16 20 25 16 20 25 30 20
螺紋尺寸
d
M12
-14#
M16
-15#
M12
-16#
M16
-17#
M16
-18#
M16
-19#
M20
-20#
M16
-21#
M20
-22#
M16
-23#
M20
-24#
M16
-25#
M20
-26#
代号
s
b
h
e
d1
L
14 15 16 17 18 19 20 21 22 23 24 25 26
5 5 5 5 5 7 7 7 7 7 7 7 7
32 36 36 36 40 40 40 40 45 45 50 45 50
15 15 15 15 15 21 21 21 21 21 21 21 21
28 43 28 53 45 34 51 29 54 34 61 39 66
14 18 14 18 18 18 22 18 22 18 22 18 22
25 30 25 30 30 30 40 30 40 30 40 30 40
螺紋尺寸
d
M16
-27#
M24
-28#
M16
-29#
M24
-30#
M20
-31#
M24
-32#
M24
-33#
M20
-34#
M24
-35#
M20
-36#
M24
-37#
代号
s
b
h
e
d1
L
27 28 29 30 31 32 33 34 35 36 37
7 7 7 7 7 7 7 7 7 7 7
50 55 55 60 60 70 70 60 70 60 70
21 21 21 21 21 21 21 21 21 21 21
39 69 39 70 44 71 76 46 78 51 88
18 26 18 26 22 26 26 22 26 22 26
30 50 30 50 40 50 50 40 50 40 50

工藝相關

注:技術數據僅供參考,請以官方原件為準!
類似标準及供貨信息
1 螺栓或螺釘和平墊圈組合件 [國标]
GB /T 9074.1 - 2018
螺栓或螺釘和平墊圈組合件
Bolt or Screw and Washer Assemblies with Plain Washers
供應商(6)
2 十字槽小盤頭螺釘和平墊圈組合件 [國标]
GB /T 9074.5 - 2004
十字槽小盤頭螺釘和平墊圈組合件
Cross Recessed Small Pan Head Screw and Washer Assemblies with Plain Washers
供應商(2)
3 螺栓或螺釘和平墊圈組合件 [國标]
GB /T 9074.1 - 2002
螺栓或螺釘和平墊圈組合件
Bolt or Screw and Washer Assemblies with Plain Washers
供應商(6)
4 十字槽盤頭螺釘和平墊圈組合 [國标]
GB /T 9074.1 - 1988
十字槽盤頭螺釘和平墊圈組合
Cross Recessed Pan Head Screws and Plain Washers Assemblies
供應商(6)
5 十字槽盤頭螺釘和外鋸齒鎖緊墊圈組合件 [國标]
GB 9074.2 - 1988
十字槽盤頭螺釘和外鋸齒鎖緊墊圈組合件
Cross Recessed Pan Head Screw And Serrated Lock Washer External Teeth Assemblies
供應商(2)
6 十字槽盤頭螺釘和彈簧墊圈組合件 [國标]
GB 9074.3 - 1988
十字槽盤頭螺釘和彈簧墊圈組合件
Cross Recessed Pan Head Screws and Single Coil Spring Lock Washers Assemblies
供應商(2)
7 十字槽盤頭螺釘、彈簧墊圈和平墊圈組合件 [國标]
GB /T 9074.4 - 1988
十字槽盤頭螺釘、彈簧墊圈和平墊圈組合件
Cross Recessed Pan Head Screws, Single Coil Spring Lock Washer and Plain Washers Assemblies
供應商(12)
8 十字槽小盤頭螺釘和平墊組合 [國标]
GB /T 9074.5 - 1988
十字槽小盤頭螺釘和平墊組合
Cross Recessed Small Pan Head Screw and Plain Washer Assemblies
供應商(2)
9 十字槽小盤頭螺釘和大平墊組合 [國标]
GB /T 9074.6 - 1988
十字槽小盤頭螺釘和大平墊組合
Cross Recessed Small Pan Head Screw and Large Plain Washer Assemblies
供應商(2)
10 十字槽小盤頭螺釘和彈簧墊圈組合件 [國标]
GB 9074.7 - 1988
十字槽小盤頭螺釘和彈簧墊圈組合件
Cross Recessed Small Pan Head Screw and Single Coil Spring Lock Washer Assemblies
供應商(2)
11 十字槽小盤頭螺釘、彈簧墊圈及平墊圈組合件 [國标]
GB 9074.8 - 1988
十字槽小盤頭螺釘、彈簧墊圈及平墊圈組合件
Cross Recessed Small Pan Head Screw, Single Coil Spring Lock Washer and Plain Washer Assemblies
供應商(10)
12 十字槽沉頭螺釘和錐形鎖緊墊圈組合件 [國标]
GB 9074.9 - 1988
十字槽沉頭螺釘和錐形鎖緊墊圈組合件
Cross Recessed Countersunk Head Screw and Countersunk Serrated External Toothed Lock Washer Assemblies
供應商(1)
13 内六角花形(梅花槽)盤頭螺釘和平墊圈組合件 [國标]
GB /T 9074.1 (S11)
内六角花形(梅花槽)盤頭螺釘和平墊圈組合件
Hexagon Lobular Socket Pan Head Screws and Washer Assemblies with Plain Washers
供應商(1)
14 螺栓或螺釘和錐形彈性墊圈組合件 [國标]
GB /T 9074.32 - 2017
螺栓或螺釘和錐形彈性墊圈組合件
Bolt or Screw and Washer Assemblies with Conical Spring Washers
15 滾動軸承附件 - 鎖緊卡 MS系列 [國标]
GB /T 9160.2 (MS) - 2017
滾動軸承附件 - 鎖緊卡 MS系列
Rolling Bearing - Locking Clips - MS Series
16 滾動軸承附件 - 鎖緊卡 MSL系列 [國标]
GB /T 9160.2 (MSL) - 2017
滾動軸承附件 - 鎖緊卡 MSL系列
Rolling Bearing - Locking Clips - MSL Series
17 滾動軸承附件 - 鎖緊卡 MSL系列 [國标]
GB /T 9160.2 (MSL) - 2006
滾動軸承附件 - 鎖緊卡 MSL系列
Rolling Bearing - Locking Clips - MSL Series
18 彈性套柱銷軸器用 彈性套、擋圈和柱銷 [國标]
GB /T 4323 - 2002
彈性套柱銷軸器用 彈性套、擋圈和柱銷
Pin Coupling with Elastic Sleeve - Elastic Sleeve, Retaining Ring and Pin
19 十字槽半沉頭螺釘和錐形鎖緊墊圈組合 [國标]
GB 9074.10 - 1988
十字槽半沉頭螺釘和錐形鎖緊墊圈組合
Cross Recessed Raised Countersunk Head Screw and Countersunk External Toothed Lock Washer Assemblies
20 十字槽盤頭螺釘和平墊圈組合件 [國标]
GB /T 9074.1 (S3)
十字槽盤頭螺釘和平墊圈組合件
Cross Recessed Pan Head Screws and Washer Assemblies with Plain Washers
21 内六角圓柱頭螺釘和平墊圈組合件 [國标]
GB /T 9074.1 (S4)
内六角圓柱頭螺釘和平墊圈組合件
Hexagon Socket Head Cap Screws and Washer Assemblies with Plain Washers
22 開槽盤頭螺釘和平墊圈組合件 [國标]
GB /T 9074.1 (S5)
開槽盤頭螺釘和平墊圈組合件
Slotted Pan Head Screws and Washer Assemblies with Plain Washers
23 開槽圓柱頭螺釘和平墊圈組合件 [國标]
GB /T 9074.1 (S6)
開槽圓柱頭螺釘和平墊圈組合件
Slotted Cheese Head Screws and Washer Assemblies with Plain Washers
24 内六角花形(梅花槽)圓柱頭螺釘和平墊圈組合件 [國标]
GB /T 9074.1 (S10)
内六角花形(梅花槽)圓柱頭螺釘和平墊圈組合件
Hexalobular Socket Head Cap Screws and Washer Assemblies with Plain Washers
25 六角法蘭面螺栓和平墊圈組合件 [國标]
GB /T 9074.1 (S12)
六角法蘭面螺栓和平墊圈組合件
Hexagon Flange Bolts and Washer Assemblies with Plain Washers
26 六角法蘭面螺栓(細牙)和平墊圈組合件 [國标]
GB /T 9074.1 (S13)
六角法蘭面螺栓(細牙)和平墊圈組合件
Hexagon Flange Bolts (Fine Pitch Thread) and Washer Assemblies with Plain Washers
27 十字盤頭螺釘和平墊圈的組合螺釘 [德标]
DIN 6900-1 - 1990
十字盤頭螺釘和平墊圈的組合螺釘
Cross pan head screw and washer assemblies,coarse threaded screws with captive plain washer
供應商(1)
28 錐形彈性墊圈與螺釘組合件 [德标]
DIN 6900-5 - 2004
錐形彈性墊圈與螺釘組合件
Assemblies with Coarse Threaded Screws and Captive Conical Spring Washer
29 帶固定旋杆的卡式螺栓 E型 [德标]
DIN 6304 (E) - 2002
帶固定旋杆的卡式螺栓 E型
Tommy Screws with Fixed Clamping Bolt - Form E
30 帶固定旋杆的卡式螺栓 F型 [德标]
DIN 6304 (F) - 2002
帶固定旋杆的卡式螺栓 F型
Tommy Screws with Fixed Clamping Bolt - Form F
31 帶移動卡式螺栓的定位銷釘 D型 [德标]
DIN 6306 (D) - 2002
帶移動卡式螺栓的定位銷釘 D型
Tommy Screws with Moveable Clamping Bolt - Type D
32 帶移動卡式螺栓的定位銷釘 E型 [德标]
DIN 6306 (E) - 2002
帶移動卡式螺栓的定位銷釘 E型
Tommy Screws with Moveable Clamping Bolt - Type E
33 開槽螺釘和波形墊圈組合 [德标]
DIN 6900-2 - 1990
開槽螺釘和波形墊圈組合
Slotted Screws and Wave Washers Assemblies
34 鞍形彈簧墊圈與螺釘組合件 [德标]
DIN 6900-3 - 1990
鞍形彈簧墊圈與螺釘組合件
Screw and Washer Assemblies with Coarse Thread with Curved Spring Lock Washer
35 齒形彈簧墊圈與螺釘組合件 [德标]
DIN 6900-4 - 1990
齒形彈簧墊圈與螺釘組合件
Screw and Washer Assemblies with Coarse Threaded Screws with Captive Serrated Lock Washer
36 錐形彈性墊圈與螺釘組合件 [德标]
DIN 6900-5 - 1990
錐形彈性墊圈與螺釘組合件
Assemblies With Coarse Threaded Screws and Captive Conical Spring Washer
37 螺絲和鋼制平墊圈組合件 墊圈硬度200HV和300HV [國際]
ISO 10644 - 2009
螺絲和鋼制平墊圈組合件 墊圈硬度200HV和300HV
Screw and Washer Sssemblies Made of Steel with Plain Washers - Washer Hardness Classes 200 HV and 300 HV
38 螺絲和鋼制平墊圈組合件 墊圈硬度200HV和300HV [國際]
ISO 10644 - 1998
螺絲和鋼制平墊圈組合件 墊圈硬度200HV和300HV
Screw and Washer Assemblies with Plain Washers - Washer Hardness Classes 200 HV and 300 HV
39 十字槽盤頭螺釘、平墊和彈墊組合件 [日标]
JIS B 1188 (T1A) - 1995
十字槽盤頭螺釘、平墊和彈墊組合件
Cross Recessed Pan Head Screws, Spring Lock Washer and Plain Washer Assemblles
供應商(2)
40 鎖緊卡組件 [日标]
JIS B 1554 (AL/ALL) - 2016
鎖緊卡組件
Locking Clip and Applicable Bolt
41 十字盤頭螺釘和平墊圈的組合 [日标]
JIS B 1130 - 2012
十字盤頭螺釘和平墊圈的組合
Cross Recessed Pan Screw Assemblies with Washers
42 十字盤頭螺釘和平墊圈的組合 [日标]
JIS B 1130 - 2006
十字盤頭螺釘和平墊圈的組合
Cross Recessed Pan Screws and Plain Washers Assemblies
43 十字槽盤頭螺釘和彈墊組合 [日标]
JIS B 1188 (T1B) - 1995
十字槽盤頭螺釘和彈墊組合
Cross Recessed Pan Head Screws And Spring Lock Washer Assembiles
44 十字盤頭螺釘和平墊圈組合 [日标]
JIS B 1188 (T1C) - 1995
十字盤頭螺釘和平墊圈組合
Cross Recessed Pan Head Screws And Plain Washer Assemblies
45 十字盤頭螺釘和外齒鎖緊墊圈組合 [日标]
JIS B 1188 (T1D) - 1995
十字盤頭螺釘和外齒鎖緊墊圈組合
Cross Recessed Pan Head Screw And Serrated Lock Washer External Teeth Assemblies
46 十字槽盤頭螺釘與平墊組合 [汽标代号]
Q 230B
十字槽盤頭螺釘與平墊組合
Cross Recessed Pan Head Tapping Screws and Plain Washers Assemblies
供應商(1)
47 十字槽盤頭螺釘與彈墊組合 [汽标代号]
Q 232
十字槽盤頭螺釘與彈墊組合
Cross Recessed Pan Head Screws and Spring Washer Assemblies
供應商(1)
48 十字槽盤頭螺釘與外鋸齒鎖緊墊圈組合 [汽标代号]
Q 234
十字槽盤頭螺釘與外鋸齒鎖緊墊圈組合
Cross Recessed Pan Head Screws and Serrated Lock Washers External Teeth Assemblies
供應商(1)
49 十字槽盤頭螺釘與彈墊平墊組合 [汽标代号]
Q 236B
十字槽盤頭螺釘與彈墊平墊組合
Cross Recessed Pan Head Screws Combine with Spring Washer and Plain Washers
供應商(2)
50 六角頭螺栓與平墊圈組合件 [汽标代号]
Q 140B
六角頭螺栓與平墊圈組合件
Hex Head and Plain Washer Combination Bolt
51 十字槽沉頭螺釘與錐形外鋸齒鎖緊墊圈組合 [汽标代号]
Q 240
十字槽沉頭螺釘與錐形外鋸齒鎖緊墊圈組合
Cross Recessed Countersunk Head Screws and Serrated Lock Washers External Teeth Assemblies
52 十字槽半沉頭螺釘與錐形外鋸齒鎖緊墊圈組合 [汽标代号]
Q 242
十字槽半沉頭螺釘與錐形外鋸齒鎖緊墊圈組合
Cross Recessed Countersunk Raised Head Screws and Serrated Lock Washers External Teeth Assemblies
53 複合槽小盤頭螺釘、彈簧墊圈和方形墊圈組合件 [機械行業]
JB /T 14722 - 2024
複合槽小盤頭螺釘、彈簧墊圈和方形墊圈組合件
Complex Groove SmalI Pan Head Screw, Single CoiI Spring Lock Washer and Square Washer Assemblies
54 複合槽小盤頭螺釘和方形墊圈組合件 [機械行業]
JB /T 14723 - 2024
複合槽小盤頭螺釘和方形墊圈組合件
Complex Groove Small Pan Head Screw and Square Washer Assemblies
55 複合槽圓柱頭螺釘和瓦形墊圈組合件 [機械行業]
JB /T 14724 - 2024
複合槽圓柱頭螺釘和瓦形墊圈組合件
Complex Groove Cap Head Screw and Tile Washer Assemblies
56 鎖緊卡組件 [機械行業]
JB /T 7919.3 - 1999
鎖緊卡組件
Locking Clip Assemblies
57 米制内六角圓柱頭螺釘和彈墊組合 SEMS [Table 1] [美标]
ASME/ANSI B 18.13.1M - 2011
米制内六角圓柱頭螺釘和彈墊組合 SEMS [Table 1]
Metric Socket Head Cap Screw and Spring Washer Assemblies-SEMS(Machine Screw Thread Diameter)
58 米制開槽盤頭螺釘和彈墊組合 SEMS[Table 1] [美标]
ASME/ANSI B 18.13.1M - 2011
米制開槽盤頭螺釘和彈墊組合 SEMS[Table 1]
Metric Slotted Pan Head Screw and Spring Washer Assemblies-SEMS (Machine Screw Thread Diameter)
59 内六角圓柱頭螺釘和彈墊組合SEMS [Table 1] [美标]
ASME/ANSI B 18.13 - 1996
内六角圓柱頭螺釘和彈墊組合SEMS [Table 1]
Socket Head Cap Screw and Spring Washer Assemblies - SEMS
60 開槽盤頭螺釘和彈墊組合 SEMS[Table 2] [美标]
ASME/ANSI B 18.13 - 1996
開槽盤頭螺釘和彈墊組合 SEMS[Table 2]
Slotted Pan Head Screw and Spring Washer Assemblies - SEMS
61 帶孔球頭形螺釘 [法國]
NF E 27-303 - 1968
帶孔球頭形螺釘
Spherical Holed Head Screw
62 十字盤頭螺釘和平墊圈的組合 [原電子工業部]
SJ 2834 - 1987
十字盤頭螺釘和平墊圈的組合

63 十字槽盤頭螺釘和彈墊組合 [原電子工業部]
SJ 2835 - 1987
十字槽盤頭螺釘和彈墊組合

64 十字盤頭螺釘和平、彈墊組合 [原電子工業部]
SJ 2836 - 1987
十字盤頭螺釘和平、彈墊組合

65 皇冠螺釘 [标準]
YJT 4031
皇冠螺釘

供應商(1)
66 内六角圓柱頭螺釘和平墊、彈墊組合件 [标準]
YJT 4079 (GB 70.1 + GB 9074.13)
内六角圓柱頭螺釘和平墊、彈墊組合件
Hexagon Socket Head Cap Screws with Single Coil Lock Washer and Plain Washer Assemblies
供應商(2)
67 十一槽子母鉚釘 [标準]
YJT 8021
十一槽子母鉚釘

供應商(1)
68 内六角花形槽盤頭平彈墊組合件 [标準]
YJT 4068 (GB9074.4T)
内六角花形槽盤頭平彈墊組合件
Hexalobular Socket Pan Head Screws, Single Coil Spring Lock Washer and Plain Washer Assembles
69 内六角花形盤頭螺釘組合件 [西門子]
SN 60736
内六角花形盤頭螺釘組合件

供應商(1)
70 螺絲和鋼制平墊圈組合件 墊圈硬度200HV和300HV [德标]
DIN EN ISO 10644 - 2009
螺絲和鋼制平墊圈組合件 墊圈硬度200HV和300HV
Screw and Washer Assemblies Made of Steel with Plain Washers – Washer Hardness Classes 200 HV and 300 HV
供應商(1)
71 内六角花形(梅花槽)盤頭螺釘和平墊圈組合件 [德标]
DIN EN ISO 10644 (S11)
内六角花形(梅花槽)盤頭螺釘和平墊圈組合件
Hexagon Lobular Socket Pan Head Screws and Washer Assemblies with Plain Washers
供應商(1)
72 十字槽盤頭螺釘和平墊圈組合件 [德标]
DIN EN ISO 10644 (S3)
十字槽盤頭螺釘和平墊圈組合件
Cross Recessed Pan Head Screws and Washer Assemblies with Plain Washers
73 内六角圓柱頭螺釘和平墊圈組合件 [德标]
DIN EN ISO 10644 (S4)
内六角圓柱頭螺釘和平墊圈組合件
Hexagon Socket Head Cap Screws and Washer Assemblies with Plain Washers
74 開槽盤頭螺釘和平墊圈組合件 [德标]
DIN EN ISO 10644 (S5)
開槽盤頭螺釘和平墊圈組合件
Slotted Pan Head Screws and Washer Assemblies with Plain Washers
75 開槽圓柱頭螺釘和平墊圈組合件 [德标]
DIN EN ISO 10644 (S6)
開槽圓柱頭螺釘和平墊圈組合件
Slotted Cheese Head Screws and Washer Assemblies with Plain Washers
76 内六角花形(梅花槽)圓柱頭螺釘和平墊圈組合件 [德标]
DIN EN ISO 10644 (S10)
内六角花形(梅花槽)圓柱頭螺釘和平墊圈組合件
Hexalobular Socket Head Cap Screws and Washer Assemblies with Plain Washers
77 六角法蘭面螺栓和平墊圈組合件 [德标]
DIN EN ISO 10644 (S12)
六角法蘭面螺栓和平墊圈組合件
Hexagon Flange Bolts and Washer Assemblies with Plain Washers
78 六角法蘭面螺栓(細牙)和平墊圈組合件 [德标]
DIN EN ISO 10644 (S13)
六角法蘭面螺栓(細牙)和平墊圈組合件
Hexagon Flange Bolts (Fine Pitch Thread ) and Washer Assemblies with Plain Washers
79 内六角圓柱頭螺釘和彈墊組合 SEMS[Table 1] [美标]
ASME B 18.13 - 2017
内六角圓柱頭螺釘和彈墊組合 SEMS[Table 1]
Helical Spring Lock Washers for Socket Head Cap Screw SEMS
80 開槽盤頭螺釘和彈墊組合SEMS [Table 2] [美标]
ASME B 18.13 - 2017 (ERTA)
開槽盤頭螺釘和彈墊組合SEMS [Table 2]
Slotted Pan Head Screw and Spring Washer Assemblies-SEMS
标準編号: ISO 2982-2 (Clip) - 2013
中文名稱: 滾動軸承附件 - 鎖緊卡組件
英文名稱: Rolling Bearings - Accessories - Locking Clip Assemblies
數據來源: 易緊通 (164580.com)
Standard Code: ISO 2982-2 (Clip) - 2013Chinese Name: 滾動軸承附件 - 鎖緊卡組件English Name: Rolling Bearings - Accessories - Locking Clip AssembliesSource: https://www.164580.com/info_380205.html
Data Source: YJT Fastener Database (164580.com)
Standard: ISO 2982-2 (Clip) - 2013
URL: https://www.164580.com/info_380205.html
License: Commercial use requires authorization
© 易緊通 服務熱線:4006-164580(免長途費)