index
logo

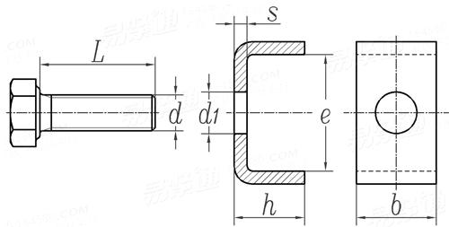
鎖緊卡組件 JB /T 7919.3 - 1999

選擇規格尺寸 點擊↓

MS44

MS52

MS60

MS64

MS68

MS76

MS80

MS88

MS96

MS500

MS530

MS560

MS630

MS670

MS710

MS750

MS850

MS900

MS950

MS1000

MSL44

MSL48

MSL56

MSL60

MSL64

MSL72

MSL76

MSL84

MSL88

MSL96

MSL530

MSL560

MSL630

MSL670

MSL710

MSL750

MSL850

MSL950

MSL1000


尺寸單位: mm
機械行業JB /T7919.3 - 1999 JB7919.3 7919.3JB 鎖緊卡組件
JB /T 7919.3 - 1999 鎖緊卡組件
掃一掃分享
型号
MS44 MS52 MS60 MS64 MS68 MS76 MS80 MS88 MS96 MS500 MS530 MS560 MS630
s
b
h
d1
e
螺栓規格
4 4 4 5 5 5 5 5 5 5 7 7 7
20 24 24 24 28 32 32 36 36 40 40 45 50
12 12 12 15 15 15 15 15 15 15 21 21 21
9 12 12 12 14 14 18 18 18 18 22 22 22
22.5 25.5 30.5 31 38 40 45 43 53 45 51 54 61
/ / M10×20 M10×20 M12×25 M12×25 M16×30 M16×30 M16×30 M16×30 M20×40 M20×40 M20×40
型号
MS670 MS710 MS750 MS850 MS900 MS950 MS1000 MSL44 MSL48 MSL56 MSL60 MSL64 MSL72
s
b
h
d1
e
螺栓規格
7 7 7 7 7 7 7 4 4 4 4 5 5
50 55 60 70 70 70 70 20 20 24 24 24 28
21 21 21 21 21 21 21 12 12 12 12 15 15
22 26 26 26 26 26 26 7 9 9 9 9 9
66 69 70 71 76 78 88 13.5 17.5 17.5 20.5 21 20
M20×40 M24×50 M24×50 M24×50 M24×50 M24×50 M24×50 M6×12 M8×16 M8×16 M8×16 M8×16 M8×16
型号
MSL76 MSL84 MSL88 MSL96 MSL530 MSL560 MSL630 MSL670 MSL710 MSL750 MSL850 MSL950 MSL1000
s
b
h
d1
e
螺栓規格
5 5 5 5 7 7 7 7 7 7 7 7 7
28 32 32 36 40 40 45 45 50 55 60 60 60
15 15 15 15 21 21 21 21 21 21 21 21 21
12 12 14 14 18 18 18 18 18 18 22 22 22
24 24 28 28 34 29 34 39 39 39 44 46 51
M10×20 M10×20 M12×25 M12×25 M16×30 M16×30 M16×30 M16×30 M16×30 M16×30 M20×40 M20×40 M20×40
注:技術數據僅供參考,請以官方原件為準!
類似标準及供貨信息
1 螺栓或螺釘和平墊圈組合件 [國标]
GB /T 9074.1 - 2018
螺栓或螺釘和平墊圈組合件
Bolt or Screw and Washer Assemblies with Plain Washers
供應商(6)
2 十字槽小盤頭螺釘和平墊圈組合件 [國标]
GB /T 9074.5 - 2004
十字槽小盤頭螺釘和平墊圈組合件
Cross Recessed Small Pan Head Screw and Washer Assemblies with Plain Washers
供應商(2)
3 螺栓或螺釘和平墊圈組合件 [國标]
GB /T 9074.1 - 2002
螺栓或螺釘和平墊圈組合件
Bolt or Screw and Washer Assemblies with Plain Washers
供應商(6)
4 十字槽盤頭螺釘和平墊圈組合 [國标]
GB /T 9074.1 - 1988
十字槽盤頭螺釘和平墊圈組合
Cross Recessed Pan Head Screws and Plain Washers Assemblies
供應商(6)
5 十字槽盤頭螺釘和外鋸齒鎖緊墊圈組合件 [國标]
GB 9074.2 - 1988
十字槽盤頭螺釘和外鋸齒鎖緊墊圈組合件
Cross Recessed Pan Head Screw And Serrated Lock Washer External Teeth Assemblies
供應商(2)
6 十字槽盤頭螺釘和彈簧墊圈組合件 [國标]
GB 9074.3 - 1988
十字槽盤頭螺釘和彈簧墊圈組合件
Cross Recessed Pan Head Screws and Single Coil Spring Lock Washers Assemblies
供應商(2)
7 十字槽盤頭螺釘、彈簧墊圈和平墊圈組合件 [國标]
GB /T 9074.4 - 1988
十字槽盤頭螺釘、彈簧墊圈和平墊圈組合件
Cross Recessed Pan Head Screws, Single Coil Spring Lock Washer and Plain Washers Assemblies
供應商(12)
8 十字槽小盤頭螺釘和平墊組合 [國标]
GB /T 9074.5 - 1988
十字槽小盤頭螺釘和平墊組合
Cross Recessed Small Pan Head Screw and Plain Washer Assemblies
供應商(2)
9 十字槽小盤頭螺釘和大平墊組合 [國标]
GB /T 9074.6 - 1988
十字槽小盤頭螺釘和大平墊組合
Cross Recessed Small Pan Head Screw and Large Plain Washer Assemblies
供應商(2)
10 十字槽小盤頭螺釘和彈簧墊圈組合件 [國标]
GB 9074.7 - 1988
十字槽小盤頭螺釘和彈簧墊圈組合件
Cross Recessed Small Pan Head Screw and Single Coil Spring Lock Washer Assemblies
供應商(2)
11 十字槽小盤頭螺釘、彈簧墊圈及平墊圈組合件 [國标]
GB 9074.8 - 1988
十字槽小盤頭螺釘、彈簧墊圈及平墊圈組合件
Cross Recessed Small Pan Head Screw, Single Coil Spring Lock Washer and Plain Washer Assemblies
供應商(10)
12 十字槽沉頭螺釘和錐形鎖緊墊圈組合件 [國标]
GB 9074.9 - 1988
十字槽沉頭螺釘和錐形鎖緊墊圈組合件
Cross Recessed Countersunk Head Screw and Countersunk Serrated External Toothed Lock Washer Assemblies
供應商(1)
13 内六角花形(梅花槽)盤頭螺釘和平墊圈組合件 [國标]
GB /T 9074.1 (S11)
内六角花形(梅花槽)盤頭螺釘和平墊圈組合件
Hexagon Lobular Socket Pan Head Screws and Washer Assemblies with Plain Washers
供應商(1)
14 螺栓或螺釘和錐形彈性墊圈組合件 [國标]
GB /T 9074.32 - 2017
螺栓或螺釘和錐形彈性墊圈組合件
Bolt or Screw and Washer Assemblies with Conical Spring Washers
15 滾動軸承附件 - 鎖緊卡 MS系列 [國标]
GB /T 9160.2 (MS) - 2017
滾動軸承附件 - 鎖緊卡 MS系列
Rolling Bearing - Locking Clips - MS Series
16 滾動軸承附件 - 鎖緊卡 MSL系列 [國标]
GB /T 9160.2 (MSL) - 2017
滾動軸承附件 - 鎖緊卡 MSL系列
Rolling Bearing - Locking Clips - MSL Series
17 滾動軸承附件 - 鎖緊卡 MSL系列 [國标]
GB /T 9160.2 (MSL) - 2006
滾動軸承附件 - 鎖緊卡 MSL系列
Rolling Bearing - Locking Clips - MSL Series
18 彈性套柱銷軸器用 彈性套、擋圈和柱銷 [國标]
GB /T 4323 - 2002
彈性套柱銷軸器用 彈性套、擋圈和柱銷
Pin Coupling with Elastic Sleeve - Elastic Sleeve, Retaining Ring and Pin
19 十字槽半沉頭螺釘和錐形鎖緊墊圈組合 [國标]
GB 9074.10 - 1988
十字槽半沉頭螺釘和錐形鎖緊墊圈組合
Cross Recessed Raised Countersunk Head Screw and Countersunk External Toothed Lock Washer Assemblies
20 十字槽盤頭螺釘和平墊圈組合件 [國标]
GB /T 9074.1 (S3)
十字槽盤頭螺釘和平墊圈組合件
Cross Recessed Pan Head Screws and Washer Assemblies with Plain Washers
21 内六角圓柱頭螺釘和平墊圈組合件 [國标]
GB /T 9074.1 (S4)
内六角圓柱頭螺釘和平墊圈組合件
Hexagon Socket Head Cap Screws and Washer Assemblies with Plain Washers
22 開槽盤頭螺釘和平墊圈組合件 [國标]
GB /T 9074.1 (S5)
開槽盤頭螺釘和平墊圈組合件
Slotted Pan Head Screws and Washer Assemblies with Plain Washers
23 開槽圓柱頭螺釘和平墊圈組合件 [國标]
GB /T 9074.1 (S6)
開槽圓柱頭螺釘和平墊圈組合件
Slotted Cheese Head Screws and Washer Assemblies with Plain Washers
24 内六角花形(梅花槽)圓柱頭螺釘和平墊圈組合件 [國标]
GB /T 9074.1 (S10)
内六角花形(梅花槽)圓柱頭螺釘和平墊圈組合件
Hexalobular Socket Head Cap Screws and Washer Assemblies with Plain Washers
25 六角法蘭面螺栓和平墊圈組合件 [國标]
GB /T 9074.1 (S12)
六角法蘭面螺栓和平墊圈組合件
Hexagon Flange Bolts and Washer Assemblies with Plain Washers
26 六角法蘭面螺栓(細牙)和平墊圈組合件 [國标]
GB /T 9074.1 (S13)
六角法蘭面螺栓(細牙)和平墊圈組合件
Hexagon Flange Bolts (Fine Pitch Thread) and Washer Assemblies with Plain Washers
27 十字盤頭螺釘和平墊圈的組合螺釘 [德标]
DIN 6900-1 - 1990
十字盤頭螺釘和平墊圈的組合螺釘
Cross pan head screw and washer assemblies,coarse threaded screws with captive plain washer
供應商(1)
28 錐形彈性墊圈與螺釘組合件 [德标]
DIN 6900-5 - 2004
錐形彈性墊圈與螺釘組合件
Assemblies with Coarse Threaded Screws and Captive Conical Spring Washer
29 帶固定旋杆的卡式螺栓 E型 [德标]
DIN 6304 (E) - 2002
帶固定旋杆的卡式螺栓 E型
Tommy Screws with Fixed Clamping Bolt - Form E
30 帶固定旋杆的卡式螺栓 F型 [德标]
DIN 6304 (F) - 2002
帶固定旋杆的卡式螺栓 F型
Tommy Screws with Fixed Clamping Bolt - Form F
31 帶移動卡式螺栓的定位銷釘 D型 [德标]
DIN 6306 (D) - 2002
帶移動卡式螺栓的定位銷釘 D型
Tommy Screws with Moveable Clamping Bolt - Type D
32 帶移動卡式螺栓的定位銷釘 E型 [德标]
DIN 6306 (E) - 2002
帶移動卡式螺栓的定位銷釘 E型
Tommy Screws with Moveable Clamping Bolt - Type E
33 開槽螺釘和波形墊圈組合 [德标]
DIN 6900-2 - 1990
開槽螺釘和波形墊圈組合
Slotted Screws and Wave Washers Assemblies
34 鞍形彈簧墊圈與螺釘組合件 [德标]
DIN 6900-3 - 1990
鞍形彈簧墊圈與螺釘組合件
Screw and Washer Assemblies with Coarse Thread with Curved Spring Lock Washer
35 齒形彈簧墊圈與螺釘組合件 [德标]
DIN 6900-4 - 1990
齒形彈簧墊圈與螺釘組合件
Screw and Washer Assemblies with Coarse Threaded Screws with Captive Serrated Lock Washer
36 錐形彈性墊圈與螺釘組合件 [德标]
DIN 6900-5 - 1990
錐形彈性墊圈與螺釘組合件
Assemblies With Coarse Threaded Screws and Captive Conical Spring Washer
37 滾動軸承附件 - 鎖緊卡組件 [國際]
ISO 2982-2 (Clip) - 2013
滾動軸承附件 - 鎖緊卡組件
Rolling Bearings - Accessories - Locking Clip Assemblies
38 螺絲和鋼制平墊圈組合件 墊圈硬度200HV和300HV [國際]
ISO 10644 - 2009
螺絲和鋼制平墊圈組合件 墊圈硬度200HV和300HV
Screw and Washer Sssemblies Made of Steel with Plain Washers - Washer Hardness Classes 200 HV and 300 HV
39 螺絲和鋼制平墊圈組合件 墊圈硬度200HV和300HV [國際]
ISO 10644 - 1998
螺絲和鋼制平墊圈組合件 墊圈硬度200HV和300HV
Screw and Washer Assemblies with Plain Washers - Washer Hardness Classes 200 HV and 300 HV
40 十字槽盤頭螺釘、平墊和彈墊組合件 [日标]
JIS B 1188 (T1A) - 1995
十字槽盤頭螺釘、平墊和彈墊組合件
Cross Recessed Pan Head Screws, Spring Lock Washer and Plain Washer Assemblles
供應商(2)
41 鎖緊卡組件 [日标]
JIS B 1554 (AL/ALL) - 2016
鎖緊卡組件
Locking Clip and Applicable Bolt
42 十字盤頭螺釘和平墊圈的組合 [日标]
JIS B 1130 - 2012
十字盤頭螺釘和平墊圈的組合
Cross Recessed Pan Screw Assemblies with Washers
43 十字盤頭螺釘和平墊圈的組合 [日标]
JIS B 1130 - 2006
十字盤頭螺釘和平墊圈的組合
Cross Recessed Pan Screws and Plain Washers Assemblies
44 十字槽盤頭螺釘和彈墊組合 [日标]
JIS B 1188 (T1B) - 1995
十字槽盤頭螺釘和彈墊組合
Cross Recessed Pan Head Screws And Spring Lock Washer Assembiles
45 十字盤頭螺釘和平墊圈組合 [日标]
JIS B 1188 (T1C) - 1995
十字盤頭螺釘和平墊圈組合
Cross Recessed Pan Head Screws And Plain Washer Assemblies
46 十字盤頭螺釘和外齒鎖緊墊圈組合 [日标]
JIS B 1188 (T1D) - 1995
十字盤頭螺釘和外齒鎖緊墊圈組合
Cross Recessed Pan Head Screw And Serrated Lock Washer External Teeth Assemblies
47 十字槽盤頭螺釘與平墊組合 [汽标代号]
Q 230B
十字槽盤頭螺釘與平墊組合
Cross Recessed Pan Head Tapping Screws and Plain Washers Assemblies
供應商(1)
48 十字槽盤頭螺釘與彈墊組合 [汽标代号]
Q 232
十字槽盤頭螺釘與彈墊組合
Cross Recessed Pan Head Screws and Spring Washer Assemblies
供應商(1)
49 十字槽盤頭螺釘與外鋸齒鎖緊墊圈組合 [汽标代号]
Q 234
十字槽盤頭螺釘與外鋸齒鎖緊墊圈組合
Cross Recessed Pan Head Screws and Serrated Lock Washers External Teeth Assemblies
供應商(1)
50 十字槽盤頭螺釘與彈墊平墊組合 [汽标代号]
Q 236B
十字槽盤頭螺釘與彈墊平墊組合
Cross Recessed Pan Head Screws Combine with Spring Washer and Plain Washers
供應商(2)
51 六角頭螺栓與平墊圈組合件 [汽标代号]
Q 140B
六角頭螺栓與平墊圈組合件
Hex Head and Plain Washer Combination Bolt
52 十字槽沉頭螺釘與錐形外鋸齒鎖緊墊圈組合 [汽标代号]
Q 240
十字槽沉頭螺釘與錐形外鋸齒鎖緊墊圈組合
Cross Recessed Countersunk Head Screws and Serrated Lock Washers External Teeth Assemblies
53 十字槽半沉頭螺釘與錐形外鋸齒鎖緊墊圈組合 [汽标代号]
Q 242
十字槽半沉頭螺釘與錐形外鋸齒鎖緊墊圈組合
Cross Recessed Countersunk Raised Head Screws and Serrated Lock Washers External Teeth Assemblies
54 複合槽小盤頭螺釘、彈簧墊圈和方形墊圈組合件 [機械行業]
JB /T 14722 - 2024
複合槽小盤頭螺釘、彈簧墊圈和方形墊圈組合件
Complex Groove SmalI Pan Head Screw, Single CoiI Spring Lock Washer and Square Washer Assemblies
55 複合槽小盤頭螺釘和方形墊圈組合件 [機械行業]
JB /T 14723 - 2024
複合槽小盤頭螺釘和方形墊圈組合件
Complex Groove Small Pan Head Screw and Square Washer Assemblies
56 複合槽圓柱頭螺釘和瓦形墊圈組合件 [機械行業]
JB /T 14724 - 2024
複合槽圓柱頭螺釘和瓦形墊圈組合件
Complex Groove Cap Head Screw and Tile Washer Assemblies
57 米制内六角圓柱頭螺釘和彈墊組合 SEMS [Table 1] [美标]
ASME/ANSI B 18.13.1M - 2011
米制内六角圓柱頭螺釘和彈墊組合 SEMS [Table 1]
Metric Socket Head Cap Screw and Spring Washer Assemblies-SEMS(Machine Screw Thread Diameter)
58 米制開槽盤頭螺釘和彈墊組合 SEMS[Table 1] [美标]
ASME/ANSI B 18.13.1M - 2011
米制開槽盤頭螺釘和彈墊組合 SEMS[Table 1]
Metric Slotted Pan Head Screw and Spring Washer Assemblies-SEMS (Machine Screw Thread Diameter)
59 内六角圓柱頭螺釘和彈墊組合SEMS [Table 1] [美标]
ASME/ANSI B 18.13 - 1996
内六角圓柱頭螺釘和彈墊組合SEMS [Table 1]
Socket Head Cap Screw and Spring Washer Assemblies - SEMS
60 開槽盤頭螺釘和彈墊組合 SEMS[Table 2] [美标]
ASME/ANSI B 18.13 - 1996
開槽盤頭螺釘和彈墊組合 SEMS[Table 2]
Slotted Pan Head Screw and Spring Washer Assemblies - SEMS
61 帶孔球頭形螺釘 [法國]
NF E 27-303 - 1968
帶孔球頭形螺釘
Spherical Holed Head Screw
62 十字盤頭螺釘和平墊圈的組合 [原電子工業部]
SJ 2834 - 1987
十字盤頭螺釘和平墊圈的組合

63 十字槽盤頭螺釘和彈墊組合 [原電子工業部]
SJ 2835 - 1987
十字槽盤頭螺釘和彈墊組合

64 十字盤頭螺釘和平、彈墊組合 [原電子工業部]
SJ 2836 - 1987
十字盤頭螺釘和平、彈墊組合

65 皇冠螺釘 [标準]
YJT 4031
皇冠螺釘

供應商(1)
66 内六角圓柱頭螺釘和平墊、彈墊組合件 [标準]
YJT 4079 (GB 70.1 + GB 9074.13)
内六角圓柱頭螺釘和平墊、彈墊組合件
Hexagon Socket Head Cap Screws with Single Coil Lock Washer and Plain Washer Assemblies
供應商(2)
67 十一槽子母鉚釘 [标準]
YJT 8021
十一槽子母鉚釘

供應商(1)
68 内六角花形槽盤頭平彈墊組合件 [标準]
YJT 4068 (GB9074.4T)
内六角花形槽盤頭平彈墊組合件
Hexalobular Socket Pan Head Screws, Single Coil Spring Lock Washer and Plain Washer Assembles
69 内六角花形盤頭螺釘組合件 [西門子]
SN 60736
内六角花形盤頭螺釘組合件

供應商(1)
70 螺絲和鋼制平墊圈組合件 墊圈硬度200HV和300HV [德标]
DIN EN ISO 10644 - 2009
螺絲和鋼制平墊圈組合件 墊圈硬度200HV和300HV
Screw and Washer Assemblies Made of Steel with Plain Washers – Washer Hardness Classes 200 HV and 300 HV
供應商(1)
71 内六角花形(梅花槽)盤頭螺釘和平墊圈組合件 [德标]
DIN EN ISO 10644 (S11)
内六角花形(梅花槽)盤頭螺釘和平墊圈組合件
Hexagon Lobular Socket Pan Head Screws and Washer Assemblies with Plain Washers
供應商(1)
72 十字槽盤頭螺釘和平墊圈組合件 [德标]
DIN EN ISO 10644 (S3)
十字槽盤頭螺釘和平墊圈組合件
Cross Recessed Pan Head Screws and Washer Assemblies with Plain Washers
73 内六角圓柱頭螺釘和平墊圈組合件 [德标]
DIN EN ISO 10644 (S4)
内六角圓柱頭螺釘和平墊圈組合件
Hexagon Socket Head Cap Screws and Washer Assemblies with Plain Washers
74 開槽盤頭螺釘和平墊圈組合件 [德标]
DIN EN ISO 10644 (S5)
開槽盤頭螺釘和平墊圈組合件
Slotted Pan Head Screws and Washer Assemblies with Plain Washers
75 開槽圓柱頭螺釘和平墊圈組合件 [德标]
DIN EN ISO 10644 (S6)
開槽圓柱頭螺釘和平墊圈組合件
Slotted Cheese Head Screws and Washer Assemblies with Plain Washers
76 内六角花形(梅花槽)圓柱頭螺釘和平墊圈組合件 [德标]
DIN EN ISO 10644 (S10)
内六角花形(梅花槽)圓柱頭螺釘和平墊圈組合件
Hexalobular Socket Head Cap Screws and Washer Assemblies with Plain Washers
77 六角法蘭面螺栓和平墊圈組合件 [德标]
DIN EN ISO 10644 (S12)
六角法蘭面螺栓和平墊圈組合件
Hexagon Flange Bolts and Washer Assemblies with Plain Washers
78 六角法蘭面螺栓(細牙)和平墊圈組合件 [德标]
DIN EN ISO 10644 (S13)
六角法蘭面螺栓(細牙)和平墊圈組合件
Hexagon Flange Bolts (Fine Pitch Thread ) and Washer Assemblies with Plain Washers
79 内六角圓柱頭螺釘和彈墊組合 SEMS[Table 1] [美标]
ASME B 18.13 - 2017
内六角圓柱頭螺釘和彈墊組合 SEMS[Table 1]
Helical Spring Lock Washers for Socket Head Cap Screw SEMS
80 開槽盤頭螺釘和彈墊組合SEMS [Table 2] [美标]
ASME B 18.13 - 2017 (ERTA)
開槽盤頭螺釘和彈墊組合SEMS [Table 2]
Slotted Pan Head Screw and Spring Washer Assemblies-SEMS
标準編号: JB /T 7919.3 - 1999
中文名稱: 鎖緊卡組件
英文名稱: Locking Clip Assemblies
數據來源: 易緊通 (164580.com)
Standard Code: JB /T 7919.3 - 1999Chinese Name: 鎖緊卡組件English Name: Locking Clip AssembliesSource: https://www.164580.com/info_396100.html
Data Source: YJT Fastener Database (164580.com)
Standard: JB /T 7919.3 - 1999
URL: https://www.164580.com/info_396100.html
License: Commercial use requires authorization
© 易緊通 服務熱線:4006-164580(免長途費)