index
logo

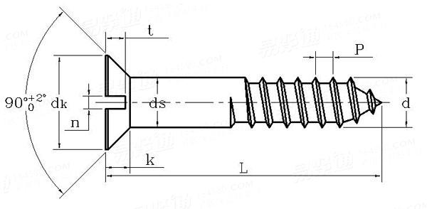
開槽沉頭木螺釘 NF E 25-604 - 1984

選擇規格尺寸 點擊↓

1.6

2

2.5

3

3.5

4

4.5

5

6

(7)

8

括号内尺寸為非優選

尺寸單位: mm
NF E 25-604 - 1984 開槽沉頭木螺釘
掃一掃分享
公稱長度L 注:選擇後獲得 螺紋長度
螺紋規格
d
1.6 2 2.5 3 3.5 4 4.5 5 6 (7) 8
P 螺距
ds 最大值
最小值
dk 最大值
最小值
k 最大值
n 公稱
最大值
最小值
t 最大值
最小值
0.8 1 1.25 1.5 1.5 1.75 2 2 2.5 3 3.5
1.6 2 2.5 3 3.5 4 4.5 5 6 7 8
1.2 1.6 2.1 2.6 3.02 3.52 4.02 4.52 5.52 6.42 7.42
3 3.8 4.7 5.5 7.3 8.4 8.9 9.3 11.3 13 15.8
2.7 3.5 4.4 5.2 6.9 8 8.5 8.9 10.9 12.6 15.4
0.9 1.1 1.5 1.65 2.35 2.7 2.7 2.7 3.3 3.6 4.65
0.4 0.5 0.6 0.8 1 1.2 1.2 1.2 1.6 2 2
0.6 0.7 0.8 1 1.2 1.51 1.51 1.51 1.91 2.31 2.31
0.46 0.56 0.66 0.86 1.06 1.26 1.26 1.26 1.66 2.06 2.06
0.5 0.6 0.75 0.85 1.2 1.3 1.3 1.4 1.6 2 2.3
0.32 0.4 0.5 0.6 0.9 1 1 1.1 1.2 1.6 1.8
螺紋長度b
- - - - - - - - - - -
注:技術數據僅供參考,請以官方原件為準!
類似标準及供貨信息
1 開槽沉頭木螺釘 [國标]
GB /T 100 - 1986
開槽沉頭木螺釘
Slotted Countersunk Head Wood Screws
2 開槽沉頭木螺釘 [德标]
DIN 97 - 2016
開槽沉頭木螺釘
Slotted Countersunk (Flat) Head Wood Screws
供應商(1)
3 開槽沉頭木牙螺釘 [德标]
DIN 97 - 2010
開槽沉頭木牙螺釘
Slotted Countersunk (flat) Head Wood Screws
供應商(1)
4 開槽沉頭木牙螺釘 [德标]
DIN 97 - 1986
開槽沉頭木牙螺釘
Slotted Countersunk(flat) Head Wood Screws
供應商(1)
5 開槽沉頭木螺釘 [表2] [日标]
JIS B 1135 (T2) - 1995
開槽沉頭木螺釘 [表2]
Slotted Countersunk Head Wood Screws [Table 2]
6 開槽沉頭木螺釘 [Table2] [美标]
ASME/ANSI B 18.6.1 (T2) - 1997
開槽沉頭木螺釘 [Table2]
Slotted Countersunk Head Wood Screws [Table2]
7 開槽沉頭木螺釘 [Table 2] [美标]
ASME/ANSI B 18.6.1 (T2) - 1981 (R2016)
開槽沉頭木螺釘 [Table 2]
Slotted Flat Countersunk Head Wood Screws [Table 2]
8 開槽沉頭木螺釘  Table 1 [英标]
BS 1210 - 1963
開槽沉頭木螺釘 Table 1
Slotted Countersunk Head Wood Screws
9 開槽沉頭木牙螺釘 [台灣]
CNS 1051 - 1959
開槽沉頭木牙螺釘
Slotted Countersunk Head Wood Screws
10 開槽沉頭木螺釘 [印标]
IS 6760 - 1972
開槽沉頭木螺釘
Specification for Slotted Countersunk Head Wood Screws
标準編号 / Standard Code: NF E 25-604 - 1984
中文名稱 / Chinese Name: 開槽沉頭木螺釘
英文名稱 / English Name: Slotted Countersunk Head Wood Screws - Symbol F S
數據來源 / Data Source: 易緊通 YJT Fastener Database(164580.com)
中文頁面 / Chinese Page: 查看中文頁面
English Page: View English Page
Data Source: YJT Fastener Database (164580.com)
Standard: NF E 25-604 - 1984
Chinese Name: 開槽沉頭木螺釘
English Name: Slotted Countersunk Head Wood Screws - Symbol F S
Chinese URL: Chinese Source Page
English URL: English Source Page
License: Commercial reuse, redistribution, or AI training usage requires authorization.
© 易緊通 服務熱線:4006-164580(免長途費)