index
logo

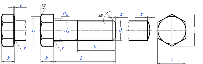
小六角頭螺栓 半精制 [Annex Attached Table 2.2.] JIS B 1180 (AT2.2) - 1994

選擇規格尺寸 點擊↓

M8

M10

M12

(M14)

M16

(M18)

M20

(M22)

M24

(M27)

M30

(M33)

M36

(M39)

括号内尺寸為非優選
JIS B 1180 (AT2.2) - 1994 小六角頭螺栓 半精制 [Annex Attached Table 2.2.]

尺寸單位: mm
日标JIS B1180 (AT2.2) - 1994 JIS1180 1180J 小六角頭螺栓 半精制 [Annex Attached Table 2.2.]
JIS B 1180 (AT2.2) - 1994 小六角頭螺栓 半精制 [Annex Attached Table 2.2.]
掃一掃分享
公稱長度L 注:選擇後獲得 螺紋長度
螺紋規格
d
M8 M10 M12 (M14) M16 (M18) M20 (M22) M24 (M27) M30 (M33) M36 (M39)
P 螺距 粗牙
細牙
ds 最大值
最小值
k 公稱
最大值
最小值
s 最大值
最小值
e
D
r 最小值
da 最大值
z
c
1.25 1.5 1.75 2 2 2.5 2.5 2.5 3 3 3.5 3.5 4 4
1 1.25 1.25 1.5 1.5 1.5 1.5 1.5 2 2 2 2 3 3
8 10 12 14 16 18 20 22 24 27 30 33 36 39
7.8 9.8 11.75 13.75 15.75 17.75 19.65 21.65 23.65 26.65 29.65 32.6 35.6 38.6
5.5 7 8 9 10 12 13 14 15 17 19 21 23 25
5.75 7.3 8.3 9.3 10.3 12.35 13.35 14.35 15.35 17.35 19.4 21.4 23.4 25.4
5.25 6.7 7.7 8.7 9.7 11.65 12.65 13.65 14.65 16.65 18.6 20.6 22.6 24.6
12 14 17 19 22 24 27 30 32 36 41 46 50 55
11.3 13.3 16.3 18.2 21.2 23.2 26.2 29.2 31 35 40 45 49 53.8
13.9 16.2 19.6 21.9 25.4 27.7 31.2 34.6 37 41.6 47.3 53.1 57.7 63.5
11.5 13.5 16.5 18 21 23 26 29 31 34 39 44 48 53
0.4 0.4 0.6 0.6 0.6 0.6 0.8 0.8 0.8 1 1 1 1 1
9.2 11.2 13.7 15.7 17.7 20.2 22.4 24.4 26.4 30.4 33.4 36.4 39.4 42.4
1.2 1.5 2 2 2 2.5 2.5 2.5 3 3 3.5 3.5 4 4
0.4 0.4 0.6 0.6 0.6 0.6 0.6 0.6 0.6 / / / / /
螺紋長度b
- - - - - - - - - - - - - -
①,b+x≥L時為全螺紋,x=2P。
替代列表
注:技術數據僅供參考,請以官方原件為準!
類似标準及供貨信息
1 小六角頭螺栓 [國标]
GB 21 - 1976
小六角頭螺栓
Small Hexagon Head Bolts
供應商(5)
2 小六角頭導頸螺栓 [國标]
GB 22 - 1976
小六角頭導頸螺栓
Bolts, Small Hexagon Head with Fit Neck
供應商(1)
3 小六角頭螺栓 精制 [Annex 1 Attached Table 2.1] [日标]
JIS B 1180 (AT2.1) - 2004
小六角頭螺栓 精制 [Annex 1 Attached Table 2.1]
Small Hexagon Head Bolts, Finished
4 小六角頭螺栓 半精制 [Annex 1 Attached Table 2.2] [日标]
JIS B 1180 (AT2.2) - 2004
小六角頭螺栓 半精制 [Annex 1 Attached Table 2.2]
Small Hexagon Bead Bolt, Semi-Finished
5 小六角頭螺栓 精制 [Annex Attached Table 2.1] [日标]
JIS B 1180 (AT2.1) - 1994
小六角頭螺栓 精制 [Annex Attached Table 2.1]
Small Hexagon Head Bolts, Finished [Annex Attached Table 2.1]
6 小六角頭螺栓 [台灣]
CNS 3120 - 1987
小六角頭螺栓
Hexagon Bolts with Small Widths Across Flats
7 全螺紋小六角頭螺栓 [台灣]
CNS 4700 - 1987
全螺紋小六角頭螺栓
Small Hexagon Head Bolts with Thread Approximately To Head, Small Widths Across Flats
8 裝鉸刀孔用A級精度小六角螺栓 [俄标]
GOST 7817 - 1980
裝鉸刀孔用A級精度小六角螺栓
Product Grade A Fit Bolts with Hexagon Reduced Head
9 帶導向頸的B級小六角頭螺栓 1型 [俄标]
GOST 7795 (Type 1) - 1970
帶導向頸的B級小六角頭螺栓 1型
Hexagon Bolts with Reduced Head and Guide Neck, Precision Class B, Type 1
10 帶導向頸的B級小六角頭螺栓 2型 [俄标]
GOST 7795 (Type 2) - 1970
帶導向頸的B級小六角頭螺栓 2型
Hexagon Bolts with Reduced Head and Guide Neck, Precision Class B, Type 2
11 帶導向頸的B級小六角頭螺栓 3型 [俄标]
GOST 7795 (Type 3) - 1970
帶導向頸的B級小六角頭螺栓 3型
Hexagon Bolts with Reduced Head and Guide Neck, Precision Class B, Type 3
12 帶導向頸的B級小六角頭螺栓 4型 [俄标]
GOST 7795 (Type 4) - 1970
帶導向頸的B級小六角頭螺栓 4型
Hexagon Bolts with Reduced Head and Guide Neck, Precision Class B, Type 4
13 帶導向頸的B級小六角頭螺栓 5型 [俄标]
GOST 7795 (Type 5) - 1970
帶導向頸的B級小六角頭螺栓 5型
Hexagon Bolts with Reduced Head and Guide Neck, Precision Class B, Type 5
14 小六角頭導頸螺栓 A級,1型 [俄标]
GOST 7811 (-1) - 1970
小六角頭導頸螺栓 A級,1型
Hexagon Reduced Head Bolts with Guide Neck Product Grade A, Type 1
15 小六角頭導頸螺栓 A級,2型 [俄标]
GOST 7811 (-2) - 1970
小六角頭導頸螺栓 A級,2型
Hexagon Reduced Head Bolts with Guide Neck Product Grade A, Type 2
16 小六角頭導頸螺栓 A級,3型 [俄标]
GOST 7811 (-3) - 1970
小六角頭導頸螺栓 A級,3型
Hexagon Reduced Head Bolts with Guide Neck Product Grade A, Type 3
17 小六角頭導頸螺栓 A級,4型 [俄标]
GOST 7811 (-4) - 1970
小六角頭導頸螺栓 A級,4型
Hexagon Reduced Head Bolts with Guide Neck Product Grade A, Type 4
18 小六角頭導頸螺栓 A級,5型 [俄标]
GOST 7811 (-5) - 1970
小六角頭導頸螺栓 A級,5型
Hexagon Reduced Head Bolts with Guide Neck Product Grade A, Type 5
19 光杆公差帶h8短螺紋小六角頭螺栓 [航空]
HB 1- 105 - 2002
光杆公差帶h8短螺紋小六角頭螺栓
Reduced Hexagon - Head Bolts, Short Thread, Shank Tolerance h8
© 易緊通 服務熱線:4006-164580(免長途費)