index
logo

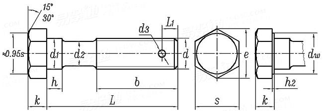
小六角頭導頸螺栓 A級,2型 GOST 7811 (-2) - 1970

選擇規格尺寸 點擊↓

M6

M8

M10

M12

(M14)

M16

(M18)

M20

(M22)

M24

(M27)

M30

M36

M42

M48

括号内尺寸為非優選
GOST  7811 (-2) - 1970 小六角頭導頸螺栓 A級,2型

尺寸單位: mm
俄标GOST 7811 (-2) - 1970 GOST7811 7811GOS 小六角頭導頸螺栓 A級,2型
GOST  7811 (-2) - 1970 小六角頭導頸螺栓 A級,2型
掃一掃分享
公稱長度L 注:選擇後獲得 螺紋長度
螺紋尺寸
d
M6 M8 M10 M12 (M14) M16 (M18) M20 (M22) M24 (M27) M30 M36 M42 M48
P 粗牙
細牙
d1 最大值=公稱
最小值
h 最小值
s
k
e 最小值
dw 最小值
h2 最小值
最大值
d3
1 1.25 1.5 1.75 2 2 2.5 2.5 2.5 3 3 3.5 4 4.5 5
/ 1 1.25 1.25 1.5 1.5 1.5 1.5 1.5 2 2 2 3 3 3
6 8 10 12 14 16 18 20 22 24 27 30 36 42 48
5.82 7.78 9.78 11.73 13.73 15.73 17.73 19.67 21.67 23.67 26.67 29.67 35.61 41.61 47.61
3 4 5 6 7 8 9 10 11 12 14 15 18 21 24
10 12 14 17 19 22 24 27 30 32 36 41 50 60 70
4 5 6 7 8 9 10 11 12 13 15 17 20 23 26
11 13.2 15.5 18.9 21.1 24.5 26.8 30.1 33.5 35.7 40 45.6 55.8 67 78.3
8.9 10.6 12.6 15.6 17.4 20.6 22.5 25.3 28.2 30 33.6 38.4 46.9 56.3 65.8
0.15 0.15 0.15 0.15 0.2 0.2 0.2 0.2 0.2 0.2 0.2 0.2 0.2 0.25 0.25
0.6 0.6 0.6 0.6 0.8 0.8 0.8 0.8 0.8 0.8 0.8 0.8 0.8 0.8 0.8
1.6 2 2.5 3.2 3.2 4 4 4 5 5 5 6.3 6.3 8 8
L1
- - - - - - - - - - - - - - -
螺紋長度b
- - - - - - - - - - - - - - -
注:技術數據僅供參考,請以官方原件為準!
類似标準及供貨信息
1 小六角頭螺栓 [國标]
GB 21 - 1976
小六角頭螺栓
Small Hexagon Head Bolts
供應商(5)
2 小六角頭導頸螺栓 [國标]
GB 22 - 1976
小六角頭導頸螺栓
Bolts, Small Hexagon Head with Fit Neck
供應商(1)
3 小六角頭螺栓 精制 [Annex 1 Attached Table 2.1] [日标]
JIS B 1180 (AT2.1) - 2004
小六角頭螺栓 精制 [Annex 1 Attached Table 2.1]
Small Hexagon Head Bolts, Finished
4 小六角頭螺栓 半精制 [Annex 1 Attached Table 2.2] [日标]
JIS B 1180 (AT2.2) - 2004
小六角頭螺栓 半精制 [Annex 1 Attached Table 2.2]
Small Hexagon Bead Bolt, Semi-Finished
5 小六角頭螺栓 精制 [Annex Attached Table 2.1] [日标]
JIS B 1180 (AT2.1) - 1994
小六角頭螺栓 精制 [Annex Attached Table 2.1]
Small Hexagon Head Bolts, Finished [Annex Attached Table 2.1]
6 小六角頭螺栓 半精制 [Annex Attached Table 2.2.] [日标]
JIS B 1180 (AT2.2) - 1994
小六角頭螺栓 半精制 [Annex Attached Table 2.2.]
Small Hexagon Head Bolts, Semifinished [Annex Attached Table 2.2.]
7 小六角頭螺栓 [台灣]
CNS 3120 - 1987
小六角頭螺栓
Hexagon Bolts with Small Widths Across Flats
8 全螺紋小六角頭螺栓 [台灣]
CNS 4700 - 1987
全螺紋小六角頭螺栓
Small Hexagon Head Bolts with Thread Approximately To Head, Small Widths Across Flats
9 裝鉸刀孔用A級精度小六角螺栓 [俄标]
GOST 7817 - 1980
裝鉸刀孔用A級精度小六角螺栓
Product Grade A Fit Bolts with Hexagon Reduced Head
10 帶導向頸的B級小六角頭螺栓 1型 [俄标]
GOST 7795 (Type 1) - 1970
帶導向頸的B級小六角頭螺栓 1型
Hexagon Bolts with Reduced Head and Guide Neck, Precision Class B, Type 1
11 帶導向頸的B級小六角頭螺栓 2型 [俄标]
GOST 7795 (Type 2) - 1970
帶導向頸的B級小六角頭螺栓 2型
Hexagon Bolts with Reduced Head and Guide Neck, Precision Class B, Type 2
12 帶導向頸的B級小六角頭螺栓 3型 [俄标]
GOST 7795 (Type 3) - 1970
帶導向頸的B級小六角頭螺栓 3型
Hexagon Bolts with Reduced Head and Guide Neck, Precision Class B, Type 3
13 帶導向頸的B級小六角頭螺栓 4型 [俄标]
GOST 7795 (Type 4) - 1970
帶導向頸的B級小六角頭螺栓 4型
Hexagon Bolts with Reduced Head and Guide Neck, Precision Class B, Type 4
14 帶導向頸的B級小六角頭螺栓 5型 [俄标]
GOST 7795 (Type 5) - 1970
帶導向頸的B級小六角頭螺栓 5型
Hexagon Bolts with Reduced Head and Guide Neck, Precision Class B, Type 5
15 小六角頭導頸螺栓 A級,1型 [俄标]
GOST 7811 (-1) - 1970
小六角頭導頸螺栓 A級,1型
Hexagon Reduced Head Bolts with Guide Neck Product Grade A, Type 1
16 小六角頭導頸螺栓 A級,3型 [俄标]
GOST 7811 (-3) - 1970
小六角頭導頸螺栓 A級,3型
Hexagon Reduced Head Bolts with Guide Neck Product Grade A, Type 3
17 小六角頭導頸螺栓 A級,4型 [俄标]
GOST 7811 (-4) - 1970
小六角頭導頸螺栓 A級,4型
Hexagon Reduced Head Bolts with Guide Neck Product Grade A, Type 4
18 小六角頭導頸螺栓 A級,5型 [俄标]
GOST 7811 (-5) - 1970
小六角頭導頸螺栓 A級,5型
Hexagon Reduced Head Bolts with Guide Neck Product Grade A, Type 5
19 光杆公差帶h8短螺紋小六角頭螺栓 [航空]
HB 1- 105 - 2002
光杆公差帶h8短螺紋小六角頭螺栓
Reduced Hexagon - Head Bolts, Short Thread, Shank Tolerance h8
© 易緊通 服務熱線:4006-164580(免長途費)