index
logo

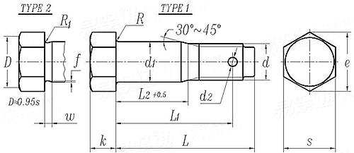
裝鉸刀孔用A級精度小六角螺栓 GOST 7817 - 1980

選擇規格尺寸 點擊↓

6

8

10

12

(14)

16

(18)

20

(22)

24

(27)

30

36

42

48

括号内尺寸為非優選
GOST  7817 - 1980 裝鉸刀孔用A級精度小六角螺栓

尺寸單位: mm
俄标GOST 7817 - 1980 GOST7817 7817GOST 裝鉸刀孔用A級精度小六角螺栓
GOST  7817 - 1980 裝鉸刀孔用A級精度小六角螺栓
掃一掃分享
千件重及價格計算 千件重 : kg x 元/kg = 元/千件
默認密度 g/cm3
公稱長度L 注:選擇後獲得 相應重量
螺紋尺寸
d
6 8 10 12 (14) 16 (18) 20 (22) 24 (27) 30 36 42 48
P 螺距 粗牙
細牙
d1 公稱
偏差值 h9 最大值
最小值
偏差值 k6 最大值
最小值
k
s
e 最小值
d2 最小值=公稱
最大值
R 最大值=公稱
最小值
R1 最大值=公稱
最小值
f 最大值=公稱
最小值
w
1 1.25 1.5 1.75 2 2 2.5 2.5 2.5 3 3 3.5 4 4.5 5
/ 1 1.25 1.25 1.5 1.5 1.5 1.5 1.5 2 2 2 3 3 3
7 9 11 13 15 17 19 21 23 25 28 32 38 44 50
7 9 11 13 15 17 19 21 23 25 28 32 38 44 50
6.964 8.964 10.957 12.957 14.957 16.957 18.948 20.948 22.948 24.948 27.948 31.938 37.938 43.938 49.938
7.01 9.01 11.012 13.012 15.012 17.012 19.015 21.015 23.015 25.015 28.015 32.018 38.018 44.018 50.018
7.001 9.001 11.001 13.001 15.001 17.001 19.002 21.002 23.002 25.002 28.002 32.002 38.002 44.002 50.002
4 5.5 7 8 9 10 12 13 14 15 17 19 23 26 30
10 12 14 17 19 22 24 27 30 32 36 41 50 60 70
11 13.2 15.5 18.9 21.2 24.5 26.8 30.1 33.5 35.8 40.3 45.9 56.1 67.4 78.6
1.6 2 2.5 3.2 3.2 4 4 4 5 5 5 6.3 6.3 8 8
1.85 2.25 2.75 3.5 3.5 4.3 4.3 4.3 5.3 5.3 5.3 6.66 6.66 8.36 8.36
0.25 0.4 0.4 0.6 0.6 0.6 0.6 0.8 0.8 0.8 1 1 1 1.2 1.6
0.19 0.34 0.34 0.54 0.54 0.54 0.54 0.74 0.74 0.74 0.94 0.94 0.94 1.14 1.54
0.3 0.5 0.5 1 1 1 1 1 1 1 1 1 1 1 1
0.24 0.44 0.44 0.94 0.94 0.94 0.94 0.94 0.94 0.94 0.94 0.94 0.94 0.94 0.94
0.15 0.15 0.25 0.25 0.25 0.25 0.25 0.25 0.25 0.25 0.25 0.25 0.25 0.25 0.25
0.09 0.09 0.19 0.19 0.19 0.19 0.19 0.19 0.19 0.19 0.19 0.19 0.19 0.19 0.19
1 1.6 2 3 3 3 3 3 3 3 3 3 3 3 3
L1
- - - - - - - - - - - - - - -
L2 /偏差值+0.5
- - - - - - - - - - - - - - -
千件鋼制重≈kg
- - - - - - - - - - - - - - -
注:技術數據僅供參考,請以官方原件為準!
類似标準及供貨信息
1 小六角頭螺栓 [國标]
GB 21 - 1976
小六角頭螺栓
Small Hexagon Head Bolts
供應商(5)
2 小六角頭導頸螺栓 [國标]
GB 22 - 1976
小六角頭導頸螺栓
Bolts, Small Hexagon Head with Fit Neck
供應商(1)
3 小六角頭螺栓 精制 [Annex 1 Attached Table 2.1] [日标]
JIS B 1180 (AT2.1) - 2004
小六角頭螺栓 精制 [Annex 1 Attached Table 2.1]
Small Hexagon Head Bolts, Finished
4 小六角頭螺栓 半精制 [Annex 1 Attached Table 2.2] [日标]
JIS B 1180 (AT2.2) - 2004
小六角頭螺栓 半精制 [Annex 1 Attached Table 2.2]
Small Hexagon Bead Bolt, Semi-Finished
5 小六角頭螺栓 精制 [Annex Attached Table 2.1] [日标]
JIS B 1180 (AT2.1) - 1994
小六角頭螺栓 精制 [Annex Attached Table 2.1]
Small Hexagon Head Bolts, Finished [Annex Attached Table 2.1]
6 小六角頭螺栓 半精制 [Annex Attached Table 2.2.] [日标]
JIS B 1180 (AT2.2) - 1994
小六角頭螺栓 半精制 [Annex Attached Table 2.2.]
Small Hexagon Head Bolts, Semifinished [Annex Attached Table 2.2.]
7 小六角頭螺栓 [台灣]
CNS 3120 - 1987
小六角頭螺栓
Hexagon Bolts with Small Widths Across Flats
8 全螺紋小六角頭螺栓 [台灣]
CNS 4700 - 1987
全螺紋小六角頭螺栓
Small Hexagon Head Bolts with Thread Approximately To Head, Small Widths Across Flats
9 帶導向頸的B級小六角頭螺栓 1型 [俄标]
GOST 7795 (Type 1) - 1970
帶導向頸的B級小六角頭螺栓 1型
Hexagon Bolts with Reduced Head and Guide Neck, Precision Class B, Type 1
10 帶導向頸的B級小六角頭螺栓 2型 [俄标]
GOST 7795 (Type 2) - 1970
帶導向頸的B級小六角頭螺栓 2型
Hexagon Bolts with Reduced Head and Guide Neck, Precision Class B, Type 2
11 帶導向頸的B級小六角頭螺栓 3型 [俄标]
GOST 7795 (Type 3) - 1970
帶導向頸的B級小六角頭螺栓 3型
Hexagon Bolts with Reduced Head and Guide Neck, Precision Class B, Type 3
12 帶導向頸的B級小六角頭螺栓 4型 [俄标]
GOST 7795 (Type 4) - 1970
帶導向頸的B級小六角頭螺栓 4型
Hexagon Bolts with Reduced Head and Guide Neck, Precision Class B, Type 4
13 帶導向頸的B級小六角頭螺栓 5型 [俄标]
GOST 7795 (Type 5) - 1970
帶導向頸的B級小六角頭螺栓 5型
Hexagon Bolts with Reduced Head and Guide Neck, Precision Class B, Type 5
14 小六角頭導頸螺栓 A級,1型 [俄标]
GOST 7811 (-1) - 1970
小六角頭導頸螺栓 A級,1型
Hexagon Reduced Head Bolts with Guide Neck Product Grade A, Type 1
15 小六角頭導頸螺栓 A級,2型 [俄标]
GOST 7811 (-2) - 1970
小六角頭導頸螺栓 A級,2型
Hexagon Reduced Head Bolts with Guide Neck Product Grade A, Type 2
16 小六角頭導頸螺栓 A級,3型 [俄标]
GOST 7811 (-3) - 1970
小六角頭導頸螺栓 A級,3型
Hexagon Reduced Head Bolts with Guide Neck Product Grade A, Type 3
17 小六角頭導頸螺栓 A級,4型 [俄标]
GOST 7811 (-4) - 1970
小六角頭導頸螺栓 A級,4型
Hexagon Reduced Head Bolts with Guide Neck Product Grade A, Type 4
18 小六角頭導頸螺栓 A級,5型 [俄标]
GOST 7811 (-5) - 1970
小六角頭導頸螺栓 A級,5型
Hexagon Reduced Head Bolts with Guide Neck Product Grade A, Type 5
19 光杆公差帶h8短螺紋小六角頭螺栓 [航空]
HB 1- 105 - 2002
光杆公差帶h8短螺紋小六角頭螺栓
Reduced Hexagon - Head Bolts, Short Thread, Shank Tolerance h8
© 易緊通 服務熱線:4006-164580(免長途費)