index
logo

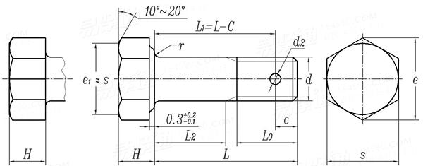
光杆公差帶h8短螺紋小六角頭螺栓 HB 1- 105 - 2002

選擇規格尺寸 點擊↓

M5

M6

M8

M10

M12 ×1.5

M14 ×1.5

M16 ×1.5

M18 ×1.5

M20 ×1.5

M22 ×1.5

M24 ×1.5

HB 1- 105 - 2002 光杆公差帶h8短螺紋小六角頭螺栓

尺寸單位: mm
航空HB 1-105 - 2002 HB105 105HB 光杆公差帶h8短螺紋小六角頭螺栓
HB 1- 105 - 2002 光杆公差帶h8短螺紋小六角頭螺栓
掃一掃分享
千件重及價格計算 千件重 : kg x 元/kg = 元/千件
默認密度 g/cm3
公稱長度L 注:選擇後獲得 相應重量
螺紋尺寸
d
M5 M6 M8 M10 M12
×1.5
M14
×1.5
M16
×1.5
M18
×1.5
M20
×1.5
M22
×1.5
M24
×1.5
H 最大值=公稱
最小值
s 最大值=公稱
最小值
e 最小值
L0 參考
r ±0.2
d2
c 參考
2.5 2.5 3 4 4 4 4 5 5 6 6
2.25 2.25 2.75 3.7 3.7 3.7 3.7 4.7 4.7 5.7 5.7
8 10 12 14 17 19 22 24 27 30 32
7.85 9.85 11.82 13.82 16.82 18.79 21.79 23.79 26.79 29.79 31.75
8.8 11 13.2 15.5 18.8 21.1 24.5 26.8 30.2 33.6 35.8
6.5 7 8.5 10 12 13 15 16 18 20 22
0.5 0.5 0.8 0.8 1 1 1.5 1.5 1.5 2 2
1.6 1.6 2 2.5 2.5 2.5 3.2 3.2 3.2 3.2 3.2
3 3 4 4 4.5 4.5 5 5 5.5 6.5 7
L2
- - - - - - - - - - -
千件鋼制重≈kg
- - - - - - - - - - -
①,标志按 HB 0-3;
一般公差按 HB 5800-1999;
破壞剪力按 HB 1-217;
其餘技術要求按 HB 1-218。

技術條件和引用标準

材料
熱處理
表面處理
30CrMnSiA 40CrNiMoA GH2132 1Cr11Ni2W2MoV
σb=1080~1280 σb=1080~1280 σb ≥ 900 σb=1080~1280
d1 ≤ 8 鍍鋅鈍化
d1>8 鍍镉鈍化
鍍镉鈍化 / 鍍銅
注:技術數據僅供參考,請以官方原件為準!
類似标準及供貨信息
1 小六角頭螺栓 [國标]
GB 21 - 1976
小六角頭螺栓
Small Hexagon Head Bolts
供應商(5)
2 小六角頭導頸螺栓 [國标]
GB 22 - 1976
小六角頭導頸螺栓
Bolts, Small Hexagon Head with Fit Neck
供應商(1)
3 小六角頭螺栓 精制 [Annex 1 Attached Table 2.1] [日标]
JIS B 1180 (AT2.1) - 2004
小六角頭螺栓 精制 [Annex 1 Attached Table 2.1]
Small Hexagon Head Bolts, Finished
4 小六角頭螺栓 半精制 [Annex 1 Attached Table 2.2] [日标]
JIS B 1180 (AT2.2) - 2004
小六角頭螺栓 半精制 [Annex 1 Attached Table 2.2]
Small Hexagon Bead Bolt, Semi-Finished
5 小六角頭螺栓 精制 [Annex Attached Table 2.1] [日标]
JIS B 1180 (AT2.1) - 1994
小六角頭螺栓 精制 [Annex Attached Table 2.1]
Small Hexagon Head Bolts, Finished [Annex Attached Table 2.1]
6 小六角頭螺栓 半精制 [Annex Attached Table 2.2.] [日标]
JIS B 1180 (AT2.2) - 1994
小六角頭螺栓 半精制 [Annex Attached Table 2.2.]
Small Hexagon Head Bolts, Semifinished [Annex Attached Table 2.2.]
7 小六角頭螺栓 [台灣]
CNS 3120 - 1987
小六角頭螺栓
Hexagon Bolts with Small Widths Across Flats
8 全螺紋小六角頭螺栓 [台灣]
CNS 4700 - 1987
全螺紋小六角頭螺栓
Small Hexagon Head Bolts with Thread Approximately To Head, Small Widths Across Flats
9 裝鉸刀孔用A級精度小六角螺栓 [俄标]
GOST 7817 - 1980
裝鉸刀孔用A級精度小六角螺栓
Product Grade A Fit Bolts with Hexagon Reduced Head
10 帶導向頸的B級小六角頭螺栓 1型 [俄标]
GOST 7795 (Type 1) - 1970
帶導向頸的B級小六角頭螺栓 1型
Hexagon Bolts with Reduced Head and Guide Neck, Precision Class B, Type 1
11 帶導向頸的B級小六角頭螺栓 2型 [俄标]
GOST 7795 (Type 2) - 1970
帶導向頸的B級小六角頭螺栓 2型
Hexagon Bolts with Reduced Head and Guide Neck, Precision Class B, Type 2
12 帶導向頸的B級小六角頭螺栓 3型 [俄标]
GOST 7795 (Type 3) - 1970
帶導向頸的B級小六角頭螺栓 3型
Hexagon Bolts with Reduced Head and Guide Neck, Precision Class B, Type 3
13 帶導向頸的B級小六角頭螺栓 4型 [俄标]
GOST 7795 (Type 4) - 1970
帶導向頸的B級小六角頭螺栓 4型
Hexagon Bolts with Reduced Head and Guide Neck, Precision Class B, Type 4
14 帶導向頸的B級小六角頭螺栓 5型 [俄标]
GOST 7795 (Type 5) - 1970
帶導向頸的B級小六角頭螺栓 5型
Hexagon Bolts with Reduced Head and Guide Neck, Precision Class B, Type 5
15 小六角頭導頸螺栓 A級,1型 [俄标]
GOST 7811 (-1) - 1970
小六角頭導頸螺栓 A級,1型
Hexagon Reduced Head Bolts with Guide Neck Product Grade A, Type 1
16 小六角頭導頸螺栓 A級,2型 [俄标]
GOST 7811 (-2) - 1970
小六角頭導頸螺栓 A級,2型
Hexagon Reduced Head Bolts with Guide Neck Product Grade A, Type 2
17 小六角頭導頸螺栓 A級,3型 [俄标]
GOST 7811 (-3) - 1970
小六角頭導頸螺栓 A級,3型
Hexagon Reduced Head Bolts with Guide Neck Product Grade A, Type 3
18 小六角頭導頸螺栓 A級,4型 [俄标]
GOST 7811 (-4) - 1970
小六角頭導頸螺栓 A級,4型
Hexagon Reduced Head Bolts with Guide Neck Product Grade A, Type 4
19 小六角頭導頸螺栓 A級,5型 [俄标]
GOST 7811 (-5) - 1970
小六角頭導頸螺栓 A級,5型
Hexagon Reduced Head Bolts with Guide Neck Product Grade A, Type 5
© 易緊通 服務熱線:4006-164580(免長途費)