index
logo

MJ螺紋十字槽100°沉頭螺栓 HB 7438 - 2013

選擇規格尺寸 點擊↓

MJ4

MJ5

MJ6

MJ8

MJ10


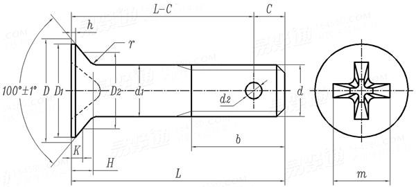
尺寸單位: mm
航空HB 7438 - 2013 HB7438 7438HB MJ螺紋十字槽100°沉頭螺栓
HB  7438 - 2013 MJ螺紋十字槽100°沉頭螺栓
掃一掃分享
千件重及價格計算 千件重 : kg x 元/kg = 元/千件
默認密度 g/cm3
公稱長度L 注:選擇後獲得 相應重量
螺紋尺寸
d
MJ4 MJ5 MJ6 MJ8 MJ10
P 螺距
d1 h12 最大值=公稱
最小值
H 參考
h 最小值
D 參考
D1 最小值
D2
b 參考
k 0,-0.08
r 0,-0.2
d2 H13 最小值=公稱
最大值
C 參考
m 最大值
最小值
槽号
0.7 0.8 1 1 1.25
4 5 6 8 10
3.88 4.88 5.88 7.85 9.85
1.68 2.11 2.53 3.38 4.25
0.08 0.1 0.1 0.1 0.1
8 10 12 16 20
7.2 9 10.8 14.8 18.8
5.78 7.71 9 10.80 14.80
8.6 10.4 12.0 14.5 18.0
0.93 0.96 1.26 1.6 1.93
0.4 0.5 0.7 0.7 0.7
1.0 1.6 1.6 2.0 2.5
1.14 1.74 1.74 2.14 2.64
2.5 3.0 3.0 4.0 4.0
4.29 4.67 6.27 8.05 8.66
3.96 4.34 5.94 7.72 8.33
2 2 3 4 4
千件鋼制重≈kg
- - - - -
①,a, 材料:30CrMnSiA 按 GJB 1951-1994;A286 按 AMS 5853;

b, MJ螺紋按 GJB 3.2A-2003;

c, MJ螺紋首尾按 GJB 52-1985;

d, 十字槽:按 HB 7369;

e, 标志按 HB 0 - 3;

f, 一般公差按 HB 5800-1999;

g, A286 螺栓技術要求按 HB 8367;

h, 30CrMnSiA 螺栓技術要求按 HB 7454。
注:技術數據僅供參考,請以官方原件為準!
類似标準及供貨信息
1 英制沉頭(開槽)螺栓 [Table7] (A307, SAE J429, F468, F593) [美标]
ASME/ANSI B 18.5 (T7) - 2012
英制沉頭(開槽)螺栓 [Table7] (A307, SAE J429, F468, F593)
Countersunk Bolts and Slotted Countersunk Bolts [Table7] (A307, SAE J429, F468, F593)
2 英制沉頭(開槽)螺栓 [Table7] [美标]
ASME/ANSI B 18.5 (T7) - 2008
英制沉頭(開槽)螺栓 [Table7]
Countersunk Bolts and Slotted Countersunk Bolts,(Inch Series)
3 預負載用高強度結構螺栓連接副,第7部分:HR系統 - 沉頭螺栓 [歐标]
EN 14399-7 (Cs bolt) - 2018
預負載用高強度結構螺栓連接副,第7部分:HR系統 - 沉頭螺栓
High-Strength Structural Bolting Assemblies for Preloading - Part 7: System HR - Countersunk Head Bolt
4 預負載用高強度結構螺栓連接副,第7部分:HR系統 - 沉頭螺栓 [歐标]
EN 14399-7 (Cs bolt) - 2007
預負載用高強度結構螺栓連接副,第7部分:HR系統 - 沉頭螺栓
High-strength Structural Bolting Assemblies for Preloading - Part 7: System HR — Countersunk Head Bolt
5 鋼結構用高強度一字槽沉頭螺栓 [法國]
NF E 25-801-7 - 2008
鋼結構用高強度一字槽沉頭螺栓
High Strength Slotted Bolts for Steel Structure
6 米制90°沉頭螺栓 [英标]
BS 4933 - 1973
米制90°沉頭螺栓
Metric 90°Countersunk Head Bolts
7 100°沉頭螺栓 [軍标]
GJB 3371 (/48~/56) - 1998
100°沉頭螺栓
100° Countersunk Head Bolts
8 光杆公差帶h8短螺紋 100°沉頭螺栓 [軍标]
GJB 3371 (/63) - 1998
光杆公差帶h8短螺紋 100°沉頭螺栓
100° Countersunk Head Bolts, Short Thread, Shank Tolerance h8
9 100°沉頭錐端螺栓 [軍标]
GJB 3371 (/67) - 1998
100°沉頭錐端螺栓
100° Countersunk Head Bolts with Cone Point
10 光杆公差帶r6短螺紋 100°沉頭螺栓 [軍标]
GJB 3371 (/83) - 1998
光杆公差帶r6短螺紋 100°沉頭螺栓
100° Countersunk Head Bolts, Short Thread, Shank Tolerance r6
11 光杆公差帶r6抗剪型100°沉頭高鎖螺栓 [軍标]
GJB 134.2 - 1986
光杆公差帶r6抗剪型100°沉頭高鎖螺栓
Hi-lock Bolts, 100° Head, Shear, Shank Tolerance r6
12 光杆公差帶f9抗剪型100°沉頭高鎖螺栓 [軍标]
GJB 134.3 - 1986
光杆公差帶f9抗剪型100°沉頭高鎖螺栓
Hi-lock Bolts, 100° Head, Shear, Shank Tolerance f9
13 英制沉頭(開槽)螺栓 [Table7] (A307, SAE J429, F468, F593) [美标]
ASME B 18.5 (T7) - 2012 (2017)
英制沉頭(開槽)螺栓 [Table7] (A307, SAE J429, F468, F593)
Countersunk Bolts and Slotted Countersunk Bolts [Table7] (A307, SAE J429, F468, F593)
14 錐形螺栓 [航空]
HB 1- 154 - 1995
錐形螺栓
Tapered Bolts
15 錐形螺栓 [航空]
HB 1- 154 - 1983
錐形螺栓
Tapered Bolts
标準編号: HB 7438 - 2013
中文名稱: MJ螺紋十字槽100°沉頭螺栓
英文名稱: 100° Countersunk Head Bolts with MJ Thread, Cross-recessed
數據來源: 易緊通 (164580.com)
Standard Code: HB 7438 - 2013Chinese Name: MJ螺紋十字槽100°沉頭螺栓English Name: 100° Countersunk Head Bolts with MJ Thread, Cross-recessedSource: https://www.164580.com/info_417129.html
Data Source: YJT Fastener Database (164580.com)
Standard: HB 7438 - 2013
URL: https://www.164580.com/info_417129.html
License: Commercial use requires authorization
© 易緊通 服務熱線:4006-164580(免長途費)