index
logo

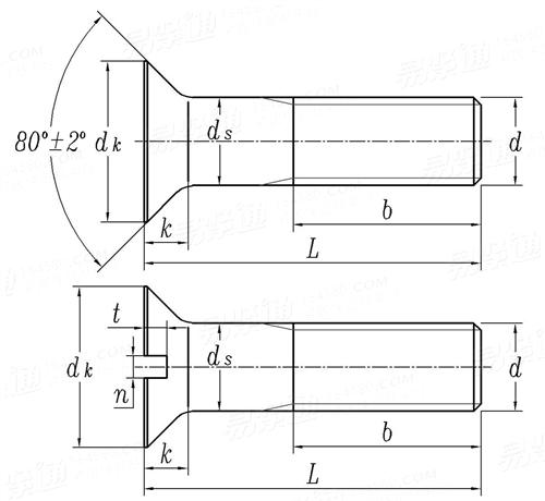
英制沉頭(開槽)螺栓 [Table7] ASME/ANSI B 18.5 (T7) - 2008

選擇規格尺寸 點擊↓

1/4

5/16

3/8

7/16

1/2

5/8

3/4

7/8

1

1-1/8

1-1/4

1-3/8

1-1/2


尺寸單位: inch
美标ASME/ANSI B18.5 (T7) - 2008 ASME/ANSI1 英制沉頭(開槽)螺栓 [Table7]
ASME/ANSI B 18.5 (T7) - 2008 英制沉頭(開槽)螺栓 [Table7]
掃一掃分享
螺紋規格
d
1/4 5/16 3/8 7/16 1/2 5/8 3/4 7/8 1 1-1/8 1-1/4 1-3/8 1-1/2
ds 最大值
最小值
dk 最大值
最小值
k 最大值
最小值
n 最大值
最小值
t 最大值
最小值
0.26 0.324 0.388 0.452 0.515 0.642 0.768 0.895 1.022 1.149 1.277 1.404 1.531
0.237 0.298 0.36 0.421 0.483 0.605 0.729 0.852 0.976 1.098 1.223 1.345 1.47
0.493 0.618 0.74 0.803 0.935 1.169 1.402 1.637 1.869 2.104 2.337 2.571 2.804
0.477 0.598 0.715 0.778 0.905 1.132 1.357 1.584 1.81 2.037 2.262 2.489 2.715
0.15 0.189 0.225 0.226 0.269 0.336 0.403 0.47 0.537 0.604 0.671 0.738 0.805
0.131 0.164 0.196 0.196 0.233 0.292 0.349 0.408 0.466 0.525 0.582 0.641 0.698
0.075 0.084 0.094 0.094 0.106 0.133 0.149 0.167 0.188 0.196 0.211 0.226 0.258
0.064 0.072 0.081 0.081 0.091 0.116 0.131 0.147 0.166 0.178 0.193 0.208 0.24
0.068 0.086 0.103 0.103 0.103 0.137 0.171 0.206 0.24 0.257 0.291 0.326 0.36
0.045 0.057 0.068 0.068 0.068 0.091 0.115 0.138 0.162 0.173 0.197 0.22 0.244
替代列表
注:技術數據僅供參考,請以官方原件為準!
類似标準及供貨信息
1 英制沉頭(開槽)螺栓 [Table7] (A307, SAE J429, F468, F593) [美标]
ASME/ANSI B 18.5 (T7) - 2012
英制沉頭(開槽)螺栓 [Table7] (A307, SAE J429, F468, F593)
Countersunk Bolts and Slotted Countersunk Bolts [Table7] (A307, SAE J429, F468, F593)
2 預負載用高強度結構螺栓連接副,第7部分:HR系統 - 沉頭螺栓 [歐标]
EN 14399-7 (Cs bolt) - 2018
預負載用高強度結構螺栓連接副,第7部分:HR系統 - 沉頭螺栓
High-Strength Structural Bolting Assemblies for Preloading - Part 7: System HR - Countersunk Head Bolt
3 預負載用高強度結構螺栓連接副,第7部分:HR系統 - 沉頭螺栓 [歐标]
EN 14399-7 (Cs bolt) - 2007
預負載用高強度結構螺栓連接副,第7部分:HR系統 - 沉頭螺栓
High-strength Structural Bolting Assemblies for Preloading - Part 7: System HR — Countersunk Head Bolt
4 鋼結構用高強度一字槽沉頭螺栓 [法國]
NF E 25-801-7 - 2008
鋼結構用高強度一字槽沉頭螺栓
High Strength Slotted Bolts for Steel Structure
5 米制90°沉頭螺栓 [英标]
BS 4933 - 1973
米制90°沉頭螺栓
Metric 90°Countersunk Head Bolts
6 100°沉頭螺栓 [軍标]
GJB 3371 (/48~/56) - 1998
100°沉頭螺栓
100° Countersunk Head Bolts
7 光杆公差帶h8短螺紋 100°沉頭螺栓 [軍标]
GJB 3371 (/63) - 1998
光杆公差帶h8短螺紋 100°沉頭螺栓
100° Countersunk Head Bolts, Short Thread, Shank Tolerance h8
8 100°沉頭錐端螺栓 [軍标]
GJB 3371 (/67) - 1998
100°沉頭錐端螺栓
100° Countersunk Head Bolts with Cone Point
9 光杆公差帶r6短螺紋 100°沉頭螺栓 [軍标]
GJB 3371 (/83) - 1998
光杆公差帶r6短螺紋 100°沉頭螺栓
100° Countersunk Head Bolts, Short Thread, Shank Tolerance r6
10 光杆公差帶r6抗剪型100°沉頭高鎖螺栓 [軍标]
GJB 134.2 - 1986
光杆公差帶r6抗剪型100°沉頭高鎖螺栓
Hi-lock Bolts, 100° Head, Shear, Shank Tolerance r6
11 光杆公差帶f9抗剪型100°沉頭高鎖螺栓 [軍标]
GJB 134.3 - 1986
光杆公差帶f9抗剪型100°沉頭高鎖螺栓
Hi-lock Bolts, 100° Head, Shear, Shank Tolerance f9
12 英制沉頭(開槽)螺栓 [Table7] (A307, SAE J429, F468, F593) [美标]
ASME B 18.5 (T7) - 2012 (2017)
英制沉頭(開槽)螺栓 [Table7] (A307, SAE J429, F468, F593)
Countersunk Bolts and Slotted Countersunk Bolts [Table7] (A307, SAE J429, F468, F593)
13 MJ螺紋十字槽100°沉頭螺栓 [航空]
HB 7438 - 2013
MJ螺紋十字槽100°沉頭螺栓
100° Countersunk Head Bolts with MJ Thread, Cross-recessed
14 錐形螺栓 [航空]
HB 1- 154 - 1995
錐形螺栓
Tapered Bolts
15 錐形螺栓 [航空]
HB 1- 154 - 1983
錐形螺栓
Tapered Bolts
标準編号: ASME/ANSI B 18.5 (T7) - 2008
中文名稱: 英制沉頭(開槽)螺栓 [Table7]
英文名稱: Countersunk Bolts and Slotted Countersunk Bolts,(Inch Series)
數據來源: 易緊通 (164580.com)
Standard Code: ASME/ANSI B 18.5 (T7) - 2008Chinese Name: 英制沉頭(開槽)螺栓 [Table7]English Name: Countersunk Bolts and Slotted Countersunk Bolts,(Inch Series)Source: https://www.164580.com/info_30906.html
Data Source: YJT Fastener Database (164580.com)
Standard: ASME/ANSI B 18.5 (T7) - 2008
URL: https://www.164580.com/info_30906.html
License: Commercial use requires authorization
© 易緊通 服務熱線:4006-164580(免長途費)