index
logo

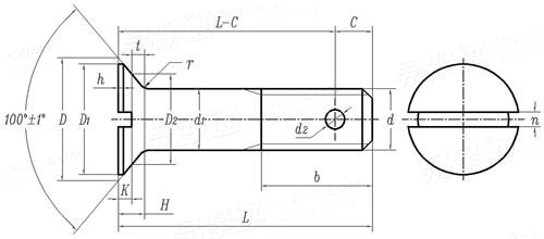
100°沉頭螺栓 GJB 3371 (/48~/56) - 1998

選擇規格尺寸 點擊↓

M3

M4

M5

M6

M8

M10


尺寸單位: mm
軍标GJB 3371 (/48~/56) - 1998 GJB3371 3371 100°沉頭螺栓
GJB  3371 (/48~/56) - 1998 100°沉頭螺栓
掃一掃分享
千件重及價格計算 千件重 : kg x 元/kg = 元/千件
默認密度 g/cm3
公稱長度L 注:選擇後獲得 相應重量
公稱直徑
d
M3 M4 M5 M6 M8 M10
P 螺距
d1 h12 最大值=公稱
最小值
H 參考
h 最小值
D 參考
D1 最小值
D2
b 參考
k 0,-0.08
r 0,-0.2
n H12 最小值=公稱
最大值
t h14 最大值=公稱
最小值
d2 H13 最小值=公稱
最大值
C 參考
0.5 0.7 0.8 1 1.25 1.5
3 4 5 6 8 10
2.9 3.88 4.88 5.88 7.85 9.85
1.26 1.68 2.11 2.53 3.38 4.23
0.06 0.08 0.1 0.1 0.1 0.1
6 8 10 12 16 20
5.4 7.2 9 10.8 14.8 18.8
4.5 5.78 7.71 9 12.21 15.43
7 7.5 8.5 10 11.5 15
0.63 0.93 0.96 1.26 1.6 1.93
0.4 0.4 0.5 0.7 0.7 0.8
0.8 1 1.2 1.5 1.5 2
0.9 1.1 1.3 1.6 1.6 2.1
0.8 1 1 1.5 2 2.5
0.55 0.75 0.75 1.25 1.75 2.25
- 1 1.6 1.6 2 2.5
- 1.14 1.74 1.74 2.14 2.64
- 2.5 3 3 4 4
千件鋼制重≈kg
- - - - - -
①,ML25、38CrA、GH2132、鋁合金和黃銅制螺栓,光杆直徑 d1 允許等于滾制或切制螺紋前的毛坯尺寸。

同版本產品組

材料、熱處理及表面處理

注:技術數據僅供參考,請以官方原件為準!
類似标準及供貨信息
1 英制沉頭(開槽)螺栓 [Table7] (A307, SAE J429, F468, F593) [美标]
ASME/ANSI B 18.5 (T7) - 2012
英制沉頭(開槽)螺栓 [Table7] (A307, SAE J429, F468, F593)
Countersunk Bolts and Slotted Countersunk Bolts [Table7] (A307, SAE J429, F468, F593)
2 英制沉頭(開槽)螺栓 [Table7] [美标]
ASME/ANSI B 18.5 (T7) - 2008
英制沉頭(開槽)螺栓 [Table7]
Countersunk Bolts and Slotted Countersunk Bolts,(Inch Series)
3 預負載用高強度結構螺栓連接副,第7部分:HR系統 - 沉頭螺栓 [歐标]
EN 14399-7 (Cs bolt) - 2018
預負載用高強度結構螺栓連接副,第7部分:HR系統 - 沉頭螺栓
High-Strength Structural Bolting Assemblies for Preloading - Part 7: System HR - Countersunk Head Bolt
4 預負載用高強度結構螺栓連接副,第7部分:HR系統 - 沉頭螺栓 [歐标]
EN 14399-7 (Cs bolt) - 2007
預負載用高強度結構螺栓連接副,第7部分:HR系統 - 沉頭螺栓
High-strength Structural Bolting Assemblies for Preloading - Part 7: System HR — Countersunk Head Bolt
5 鋼結構用高強度一字槽沉頭螺栓 [法國]
NF E 25-801-7 - 2008
鋼結構用高強度一字槽沉頭螺栓
High Strength Slotted Bolts for Steel Structure
6 米制90°沉頭螺栓 [英标]
BS 4933 - 1973
米制90°沉頭螺栓
Metric 90°Countersunk Head Bolts
7 光杆公差帶h8短螺紋 100°沉頭螺栓 [軍标]
GJB 3371 (/63) - 1998
光杆公差帶h8短螺紋 100°沉頭螺栓
100° Countersunk Head Bolts, Short Thread, Shank Tolerance h8
8 100°沉頭錐端螺栓 [軍标]
GJB 3371 (/67) - 1998
100°沉頭錐端螺栓
100° Countersunk Head Bolts with Cone Point
9 光杆公差帶r6短螺紋 100°沉頭螺栓 [軍标]
GJB 3371 (/83) - 1998
光杆公差帶r6短螺紋 100°沉頭螺栓
100° Countersunk Head Bolts, Short Thread, Shank Tolerance r6
10 光杆公差帶r6抗剪型100°沉頭高鎖螺栓 [軍标]
GJB 134.2 - 1986
光杆公差帶r6抗剪型100°沉頭高鎖螺栓
Hi-lock Bolts, 100° Head, Shear, Shank Tolerance r6
11 光杆公差帶f9抗剪型100°沉頭高鎖螺栓 [軍标]
GJB 134.3 - 1986
光杆公差帶f9抗剪型100°沉頭高鎖螺栓
Hi-lock Bolts, 100° Head, Shear, Shank Tolerance f9
12 英制沉頭(開槽)螺栓 [Table7] (A307, SAE J429, F468, F593) [美标]
ASME B 18.5 (T7) - 2012 (2017)
英制沉頭(開槽)螺栓 [Table7] (A307, SAE J429, F468, F593)
Countersunk Bolts and Slotted Countersunk Bolts [Table7] (A307, SAE J429, F468, F593)
13 MJ螺紋十字槽100°沉頭螺栓 [航空]
HB 7438 - 2013
MJ螺紋十字槽100°沉頭螺栓
100° Countersunk Head Bolts with MJ Thread, Cross-recessed
14 錐形螺栓 [航空]
HB 1- 154 - 1995
錐形螺栓
Tapered Bolts
15 錐形螺栓 [航空]
HB 1- 154 - 1983
錐形螺栓
Tapered Bolts
标準編号: GJB 3371 (/48~/56) - 1998
中文名稱: 100°沉頭螺栓
英文名稱: 100° Countersunk Head Bolts
數據來源: 易緊通 (164580.com)
Standard Code: GJB 3371 (/48~/56) - 1998Chinese Name: 100°沉頭螺栓English Name: 100° Countersunk Head BoltsSource: https://www.164580.com/info_375105.html
Data Source: YJT Fastener Database (164580.com)
Standard: GJB 3371 (/48~/56) - 1998
URL: https://www.164580.com/info_375105.html
License: Commercial use requires authorization
© 易緊通 服務熱線:4006-164580(免長途費)