index
logo

開槽沉頭螺釘 A級和B級 GOST 17475 - 1980

選擇規格尺寸 點擊↓

1

1.2

1.4

1.6

2

2.5

3

3.5

4

5

6

8

10

12

14

16

18

20


尺寸單位: mm
俄标GOST 17475 - 1980 GOST17475 17475GOST 開槽沉頭螺釘 A級和B級
俄标GOST 17475 - 1980 GOST17475 17475GOST 開槽沉頭螺釘 A級和B級
GOST  17475 - 1980 開槽沉頭螺釘 A級和B級
掃一掃分享
千件重及價格計算 千件重 : kg x 元/kg = 元/千件
默認密度 g/cm3
公稱長度L 注:選擇後獲得 相應重量
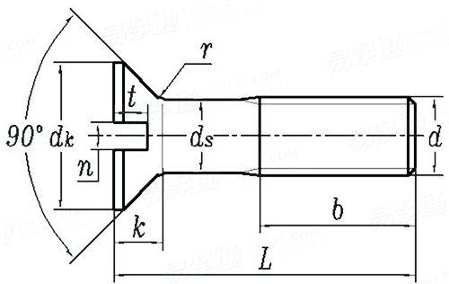
螺紋尺寸
d
1 1.2 1.4 1.6 2 2.5 3 3.5 4
P 螺距 粗牙
細牙
dk
k 最大值
b 加長
标準
n 公稱
最小值
最大值
t 最小值
最大值
0.25 0.25 0.3 0.35 0.4 0.45 0.5 0.6 0.7
/ / / / / / / / /
1.9 2.3 2.6 3 3.8 4.7 5.6 6.5 7.4
0.6 0.72 0.84 0.96 1.2 1.5 1.65 1.93 2.2
/ / / / 16 18 19 20 22
8 9 9 9 10 11 12 13 14
0.25 0.3 0.3 0.4 0.5 0.6 0.8 0.8 1
0.31 0.36 0.36 0.46 0.56 0.66 0.86 0.86 1.06
0.45 0.5 0.5 0.6 0.7 0.8 1 1 1.2
0.2 0.24 0.28 0.32 0.4 0.5 0.6 0.7 0.8
0.3 0.35 0.45 0.5 0.6 0.73 0.85 1 1.1
千件鋼制重≈kg 粗牙
- - - - - - - - -
螺紋尺寸
d
5 6 8 10 12 14 16 18 20
P 螺距 粗牙
細牙
dk
k 最大值
b 加長
标準
n 公稱
最小值
最大值
t 最小值
最大值
0.8 1 1.25 1.5 1.75 2 2 2.5 2.5
/ / 1 1.25 1.25 1.5 1.5 1.5 1.5
9.2 11 14.5 18 21.5 25 28.5 32.5 36
2.5 3 4 5 6 7 8 9 10
25 28 34 40 46 52 58 64 70
16 18 22 26 30 34 38 42 46
1.2 1.6 2 2.5 3 3 4 4 5
1.26 1.66 2.06 2.56 3.06 3.06 4.07 4.07 5.07
1.51 1.91 2.31 2.81 3.31 3.31 4.37 4.37 5.37
1 1.2 1.6 2 2.4 2.8 3.2 3.6 4
1.35 1.6 2.1 2.6 3 3.5 4 4.5 5
千件鋼制重≈kg 粗牙
- - - - - - - - -
①,r ≤ 0.1d。
②,ds≈螺紋中徑或螺紋大徑(GOST 19256-73)。
注:技術數據僅供參考,請以官方原件為準!
類似标準及供貨信息
1 開槽沉頭螺釘 [國标]
GB /T 68 - 2016
開槽沉頭螺釘
Slotted Countersunk Flat Head Screws
供應商(6)
2 開槽沉頭螺釘 [國标]
GB /T 68 - 2000
開槽沉頭螺釘
Slotted Countersunk Head Screws (Commen Head Style)
供應商(6)
3 開槽沉頭螺釘 [國标]
GB 68 - 1985
開槽沉頭螺釘
Slotted Countersunk Head Screws
供應商(6)
4 開槽沉頭不脫出螺釘 [國标]
GB 948 - 1988
開槽沉頭不脫出螺釘
Slotted Countersunk Head Screws with Waisted Shank
5 米制開槽沉頭機械螺釘  Table 2 [美标]
IFI 513 - 1982
米制開槽沉頭機械螺釘 Table 2
Metric Slotted Flat Countersunk Head Machine Screws
6 開槽沉頭螺釘 [德标]
DIN 963 - 1990
開槽沉頭螺釘
Slotted Countersunk Head Screws
供應商(4)
7 鋼結構用帶六角螺母的開槽沉頭螺栓 [德标]
DIN 7969 - 2017
鋼結構用帶六角螺母的開槽沉頭螺栓
Slotted Countersunk Head Bolts with Hexagon Nut for Steel Structures
8 鋼結構用帶六角螺母的開槽沉頭螺栓 [德标]
DIN 7969 - 1989
鋼結構用帶六角螺母的開槽沉頭螺栓
Slotted Countersunk Head Screws for Structural Steel Bolting for Supply with or Without Nuts
9 開槽沉頭(平頭)螺釘 - 适用于精密機械;M0.4至M1.4 [德标]
DIN 8245 - 1972
開槽沉頭(平頭)螺釘 - 适用于精密機械;M0.4至M1.4
Slotted Countersunk (Flat) Head Screws for Fine Mechanics; M 0.4 to M 1.4
10 開槽沉頭螺釘(通用頭型) - 產品等級A級 [國際]
ISO 2009 - 2011
開槽沉頭螺釘(通用頭型) - 產品等級A級
Slotted Countersunk Flat Head Screws (Common Head Style) - Product Grade A
11 開槽沉頭螺釘(通用頭型) - 產品等級A級 [國際]
ISO 2009 - 1994
開槽沉頭螺釘(通用頭型) - 產品等級A級
Slotted Countersunk Flat Head Screws (common Head Style) - Product Grade A
12 精密機械用開槽沉頭螺釘 [日标]
JIS B 1116 (T4) - 2009
精密機械用開槽沉頭螺釘
Slotting Countersunk Head Screws for Fine Mechanics
供應商(1)
13 開槽沉頭螺釘 表8 [日标]
JIS B 1101 (T8) - 2017
開槽沉頭螺釘 表8
Slotted Countersunk Head Screws - Table 8
14 開槽沉頭螺釘 附表JA.4 [日标]
JIS B 1101 (JA4) - 2017
開槽沉頭螺釘 附表JA.4
Slotted Countersunk Head Screws - Table JA.4
15 開槽沉頭螺釘 附表2 [Annex Attached Table 2] [日标]
JIS B 1101 (AAT2) - 1996
開槽沉頭螺釘 附表2 [Annex Attached Table 2]
Slotted Countersunk Head Screws [Annex Attached Table 2]
16 開槽沉頭螺釘 表3 [Attached Table 3] [日标]
JIS B 1101 (AT3) - 1996
開槽沉頭螺釘 表3 [Attached Table 3]
Slotted Countersunk Head Screws [Attached Table 3]
17 開槽沉頭螺栓 (精制) [Table 1-1] [日标]
JIS B 1179 (T1-1) - 1994
開槽沉頭螺栓 (精制) [Table 1-1]
Slotted Flat Head Bolts, Fine Finished [Table 1-1]
18 開槽沉頭螺栓  (粗制)[Table 1-2] [日标]
JIS B 1179 (T1-2) - 1994
開槽沉頭螺栓 (粗制)[Table 1-2]
Slotted Flat Head Bolts, Rough Finished [Table 1-2]
19 80°開槽沉頭螺釘Table1 [美标]
ASME/ANSI B 18.6.3 - 2010
80°開槽沉頭螺釘Table1
80° Slotted Flat Countersunk Head Machine Screws
20 100°開槽沉頭螺釘Table3 [美标]
ASME/ANSI B 18.6.3 - 2010
100°開槽沉頭螺釘Table3
Slotted 100 Deg Flat Countersunk Head Screws (Machine screws only)
21 緊公差100°開槽沉頭螺釘Table5 [美标]
ASME/ANSI B 18.6.3 - 2010
緊公差100°開槽沉頭螺釘Table5
Close Tolerance 100 Degree Slotted Countersunk Head Screws
22 80°開槽沉頭清根螺釘Table9 [美标]
ASME/ANSI B 18.6.3 - 2010
80°開槽沉頭清根螺釘Table9
80° Slotted Undercut 82-deg Flat Countersunk Head Machine Screws
23 開槽沉頭螺釘 [Table 1] (A307, SAE J429, F468, F593) [美标]
ASME/ANSI B 18.6.2 (T1) - 1998 (R2010)
開槽沉頭螺釘 [Table 1] (A307, SAE J429, F468, F593)
Slotted Flat Countersunk Head Cap Screws [Table 1] (A307, SAE J429, F468, F593)
24 米制開槽沉頭螺釘Table2 [美标]
ASME/ANSI B 18.6.7M - 1998
米制開槽沉頭螺釘Table2
Metric Soltted Countersunk Screws
25 開槽100°沉頭小螺釘 [Table 3] [美标]
ASME/ANSI B 18.11 - 1961 (R1983)
開槽100°沉頭小螺釘 [Table 3]
Slotted 100° Flat Head Miniature Screws
26 開槽沉頭螺釘 [意大利]
UNI 6109
開槽沉頭螺釘
Slotted Countersunk Flat Head Screws
27 開槽沉頭螺釘 [法國]
NF E 25-123 - 1994
開槽沉頭螺釘
Slotted Countersunk Flat Head Screws - Product Grade A
28 鐵路車輛 沉頭側切口機械螺釘 [法國]
NF F 03-004 (F) - 1983
鐵路車輛 沉頭側切口機械螺釘
Railway Rolling Stock Grade A Countersunk Notched Head Machine
29 鐵路車輛 開槽沉頭螺釘/螺母 A級 符号FP [法國]
NF F 03-016 - 1983
鐵路車輛 開槽沉頭螺釘/螺母 A級 符号FP
Railway Rolling Stock Grade A Slotted Countersunk Head Screws Nuts Symbol FP
30 開槽沉頭螺釘(短的)Table 6 [英标]
BS 1981 - 1991
開槽沉頭螺釘(短的)Table 6
Slotted Truncated Countersunk Head Screws: Short Length
31 開槽沉頭螺釘Table4 [英标]
BS 1981 - 1991
開槽沉頭螺釘Table4
Slotted Countersunk Flat Head Screws
32 開槽沉頭機械螺釘 [英标]
BS 4183 (T2) - 1967
開槽沉頭機械螺釘
Slotted Countersunk Head Machine Screws. Metric Series
33 英制開槽沉頭螺釘 - B.S.W. & B.S.F. 螺紋 [Table 2] [英标]
BS 450 - 1958
英制開槽沉頭螺釘 - B.S.W. & B.S.F. 螺紋 [Table 2]
Slotted 90°Countersunk Head Screws with B.S.W. & B.S.F. Threads [Table 2]
34 米制開槽沉頭螺釘 [Table 1] [澳标]
AS /NZS 1427 - 1996
米制開槽沉頭螺釘 [Table 1]
ISO Metric Slotted Countersunk Head Screws [Table 1]
35 精密機械用開槽沉頭螺釘 [台灣]
CNS 9678 - 1982
精密機械用開槽沉頭螺釘
Slotted Countersunk Screws for Fine Mechanics
36 開槽沉頭螺釘 [台灣]
CNS 4411 - 1981
開槽沉頭螺釘
Slotted Countersunk Head Screws
37 電開關用開槽圓柱沉頭螺釘 [台灣]
CNS 4413 - 1981
電開關用開槽圓柱沉頭螺釘
Slotted Cheese Head Screws for Electric Switch
38 開槽沉頭螺栓 [台灣]
CNS 4420 - 1981
開槽沉頭螺栓
Countersunk Head Bolts with Forged Slot for Steel Structures
39 精密用開槽沉頭螺釘 M0.4~M1.4 [台灣]
CNS 4363 - 1980
精密用開槽沉頭螺釘 M0.4~M1.4
Slotted Countersunk Head Screws for Fine Mechanics
40 開槽沉頭螺釘 [Table 5] [韓标]
KS B 1021 (T5) - 2012 (R2022)
開槽沉頭螺釘 [Table 5]
Slotted Countersunk Flat Head Screws [Table 5]
41 開槽沉頭螺釘(通用頭型) A級 [德标]
DIN EN ISO 2009 - 2011
開槽沉頭螺釘(通用頭型) A級
Slotted Countersunk Flat Head Screws(Common Head Style)-Product Grade A
供應商(4)
42 光杆公差帶f9 100°沉頭螺栓 [軍标]
GJB 3371 (/61) - 1998
光杆公差帶f9 100°沉頭螺栓
100° Countersunk Head Bolts,Shank Tolerance f9
43 100°開槽沉頭螺釘 [軍标]
GJB 3372 (/36~/44) - 1998
100°開槽沉頭螺釘
Slotted 100 Deg Flat Countersunk Head Screws
44 100°沉頭不脫出螺釘 [軍标]
GJB 3372 (/56) - 1998
100°沉頭不脫出螺釘
Slotted 100 Deg Flat Countersunk Head Screws, Waisted Shank
45 開槽沉頭螺釘(通用頭型) - 產品等級A級 [印标]
IS 1365 - 2005
開槽沉頭螺釘(通用頭型) - 產品等級A級
Slotted Countersunk Flat Head Screws (Common Head Style) - Product Grade A
46 開槽100°沉頭小螺釘 [Table 3] (A276, B16, B151) [美标]
ANSI B 18.11 - 1961 (R2017)
開槽100°沉頭小螺釘 [Table 3] (A276, B16, B151)
Slotted 100°Flat Head Miniature Screws [Table 3] (A276, B16, B151)
47 82°開槽沉頭機械螺釘 (ASTM F837/F468) [TABLE 2.2.1-1] [美标]
ASME B 18.6.3 (H1A) - 2024
82°開槽沉頭機械螺釘 (ASTM F837/F468) [TABLE 2.2.1-1]
82° Slotted Flat Countersunk Head Machine Screws (ASTM F837/F468) [TABLE 2.2.1-1]
48 100°沉頭開槽機械螺釘 (ASTM F837/F468) [TABLE 2.2.1-3] [美标]
ASME B 18.6.3 (H1C) - 2024
100°沉頭開槽機械螺釘 (ASTM F837/F468) [TABLE 2.2.1-3]
Slotted 100-deg Flat Countersunk Head Screws (ASTM F837/F468) [TABLE 2.2.1-3]
49 精密100°沉頭開槽機械螺釘 (ASTM F837/F468) [TABLE 2.2.1-5] [美标]
ASME B 18.6.3 (H1E) - 2024
精密100°沉頭開槽機械螺釘 (ASTM F837/F468) [TABLE 2.2.1-5]
Slotted Close Tolerance 100-deg Flat Countersunk Head Screws (ASTM F837/F468) [TABLE 2.2.1-5]
50 開槽82°沉頭清根機械螺釘 (ASTM F837/F468)  [TABLE 2.2.3-1] [美标]
ASME B 18.6.3 (H3A) - 2024
開槽82°沉頭清根機械螺釘 (ASTM F837/F468) [TABLE 2.2.3-1]
Slotted Undercut 82-deg Flat Countersunk Head Machine Screws (ASTM F837/F468) [TABLE 2.2.3-1]
51 82°開槽沉頭機械螺釘  [Table 1] (ASTM F837 / F468) [美标]
ASME B 18.6.3 (T1) - 2013
82°開槽沉頭機械螺釘 [Table 1] (ASTM F837 / F468)
82° Slotted Flat Countersunk Head Machine Screws [Table 1] (ASTM F837 / F468)
52 100°沉頭開槽機械螺釘 [Table 3] (ASTM F837 / F468) [美标]
ASME B 18.6.3 (T3) - 2013
100°沉頭開槽機械螺釘 [Table 3] (ASTM F837 / F468)
Slotted 100-deg Flat Countersunk Head Screws [Table 3] (ASTM F837 / F468)
53 開槽精密100°沉頭機械螺釘 [Table 5] (ASTM F837 / F468) [美标]
ASME B 18.6.3 (T5) - 2013
開槽精密100°沉頭機械螺釘 [Table 5] (ASTM F837 / F468)
Slotted Close Tolerance 100-deg Flat Countersunk Head Screws (Machine Screws Only) (ASTM F837 / F468)
54 開槽82°沉頭清根機械螺釘 [ Table 9 ] (ASTM F837 / F468) [美标]
ASME B 18.6.3 (T9) - 2013
開槽82°沉頭清根機械螺釘 [ Table 9 ] (ASTM F837 / F468)
Slotted Undercut 82-deg Flat Countersunk Head Machine Screws (ASTM F837 / F468)
55 開槽沉頭螺栓 [航天]
QJ 2370 - 1992
開槽沉頭螺栓
Slotted Countersunk Head Screws
56 開槽沉頭螺釘 [航天]
QJ 2373 - 1992
開槽沉頭螺釘
Slotted Countersunk Head Screws
57 100°開槽沉頭螺釘 [航空]
HB 7187~7195 - 1995
100°開槽沉頭螺釘
100° Countersunk Head Bolts
58 100°開槽沉頭螺釘 [航空]
HB 7208~7216 - 1995
100°開槽沉頭螺釘
Slotted 100 Deg Flat Countersunk Head Screws
标準編号: GOST 17475 - 1980
中文名稱: 開槽沉頭螺釘 A級和B級
英文名稱: Countersunk Head Screws of Accuracy Classes A and B(Slotted)
數據來源: 易緊通 (164580.com)
Standard Code: GOST 17475 - 1980Chinese Name: 開槽沉頭螺釘 A級和B級English Name: Countersunk Head Screws of Accuracy Classes A and B(Slotted)Source: https://www.164580.com/info_407728.html
Data Source: YJT Fastener Database (164580.com)
Standard: GOST 17475 - 1980
URL: https://www.164580.com/info_407728.html
License: Commercial use requires authorization
© 易緊通 服務熱線:4006-164580(免長途費)