index
logo

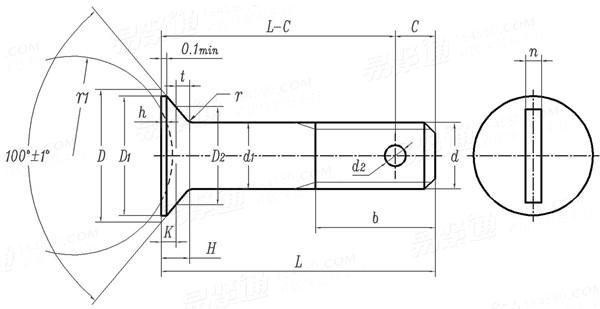
光杆公差帶f9 100°沉頭螺栓 GJB 3371 (/61) - 1998

選擇規格尺寸 點擊↓

M5

M6

M8

M10

M12

M14

M16

M18

M20

GJB  3371 (/61) - 1998 光杆公差帶f9 100°沉頭螺栓

尺寸單位: mm
軍标GJB 3371 (/61) - 1998 GJB3371 3371GJB 光杆公差帶f9 100°沉頭螺栓
GJB  3371 (/61) - 1998 光杆公差帶f9 100°沉頭螺栓
掃一掃分享
千件重及價格計算 千件重 : kg x 元/kg = 元/千件
默認密度 g/cm3
公稱長度L 注:選擇後獲得 相應重量
公稱直徑
d
M5 M6 M8 M10 M12 M14 M16 M18 M20
P 螺距
d1 f9 公稱
最大值
最小值
H 參考
D 參考
D1 最小值
D2
b 參考
k 0,-0.2
r 0,-0.2
n H12 最小值=公稱
最大值
t h14 最大值=公稱
最小值
d2 H13 最小值=公稱
最大值
r1
C 參考
0.8 1 1.25 1.5 1.5 1.5 1.5 1.5 1.5
5 6 8 10 12 14 16 18 20
4.99 5.99 7.987 9.987 11.984 13.984 15.984 17.984 19.98
4.96 5.96 7.951 9.951 11.941 13.941 15.941 17.941 19.928
2.11 2.53 3.38 4.23 5.07 5.92 6.77 7.61 8.46
10 12 16 20 24 28 32 36 40
9 10.8 14.8 18.8 22.8 26.8 30.8 34.8 38.8
7.71 9 12.21 15.43 18 20.57 24.43 25.71 28.92
8.5 10 11.5 15 17 19 21 23 25
0.96 1.26 1.6 1.93 2.53 3.14 3.2 4.35 4.68
0.5 0.7 0.7 0.8 0.9 1.1 1.1 1.3 1.3
1.2 1.5 1.5 2 2.5 2.5 2.5 3 3
1.3 1.6 1.6 2.1 2.6 2.6 2.6 3.1 3.1
1 1.5 2 2.5 2.5 3 3 3 3
0.75 1.25 1.75 2.25 2.25 2.75 2.75 2.75 2.75
1.6 1.6 2 2.5 2.5 2.5 3.2 3.2 3.2
1.74 1.74 2.14 2.64 2.64 2.64 3.38 3.38 3.38
8 10 12.5 15 17.5 20 22.5 25 25
3 3 4 4 4.5 4.5 5 5 5.5
千件鋼制重≈kg
- - - - - - - - -

同版本產品組

技術條件和引用标準

材料
熱處理及表面處理
-
30CrMnSiA
熱處理:σb=1100~1280MPa
表面處理:d1 ≤ 8mm 鍍鋅鈍化,d1>8mm 鍍镉鈍化
标志按 HB 0-3-83。
其餘要求按通用規範 GJB 3375。
注:技術數據僅供參考,請以官方原件為準!
類似标準及供貨信息
1 開槽沉頭螺釘 [國标]
GB /T 68 - 2016
開槽沉頭螺釘
Slotted Countersunk Flat Head Screws
供應商(6)
2 開槽沉頭螺釘 [國标]
GB /T 68 - 2000
開槽沉頭螺釘
Slotted Countersunk Head Screws (Commen Head Style)
供應商(6)
3 開槽沉頭螺釘 [國标]
GB 68 - 1985
開槽沉頭螺釘
Slotted Countersunk Head Screws
供應商(6)
4 開槽沉頭不脫出螺釘 [國标]
GB 948 - 1988
開槽沉頭不脫出螺釘
Slotted Countersunk Head Screws with Waisted Shank
5 米制開槽沉頭機械螺釘  Table 2 [美标]
IFI 513 - 1982
米制開槽沉頭機械螺釘 Table 2
Metric Slotted Flat Countersunk Head Machine Screws
6 開槽沉頭螺釘 [德标]
DIN 963 - 1990
開槽沉頭螺釘
Slotted Countersunk Head Screws
供應商(4)
7 鋼結構用帶六角螺母的開槽沉頭螺栓 [德标]
DIN 7969 - 2017
鋼結構用帶六角螺母的開槽沉頭螺栓
Slotted Countersunk Head Bolts with Hexagon Nut for Steel Structures
8 鋼結構用帶六角螺母的開槽沉頭螺栓 [德标]
DIN 7969 - 1989
鋼結構用帶六角螺母的開槽沉頭螺栓
Slotted Countersunk Head Screws for Structural Steel Bolting for Supply with or Without Nuts
9 開槽沉頭(平頭)螺釘 - 适用于精密機械;M0.4至M1.4 [德标]
DIN 8245 - 1972
開槽沉頭(平頭)螺釘 - 适用于精密機械;M0.4至M1.4
Slotted Countersunk (Flat) Head Screws for Fine Mechanics; M 0.4 to M 1.4
10 開槽沉頭螺釘(通用頭型) - 產品等級A級 [國際]
ISO 2009 - 2011
開槽沉頭螺釘(通用頭型) - 產品等級A級
Slotted Countersunk Flat Head Screws (Common Head Style) - Product Grade A
11 開槽沉頭螺釘(通用頭型) - 產品等級A級 [國際]
ISO 2009 - 1994
開槽沉頭螺釘(通用頭型) - 產品等級A級
Slotted Countersunk Flat Head Screws (common Head Style) - Product Grade A
12 開槽沉頭螺釘 表8 [日标]
JIS B 1101 (T8) - 2017
開槽沉頭螺釘 表8
Slotted Countersunk Head Screws - Table 8
13 開槽沉頭螺釘 附表JA.4 [日标]
JIS B 1101 (JA4) - 2017
開槽沉頭螺釘 附表JA.4
Slotted Countersunk Head Screws - Table JA.4
14 精密機械用開槽沉頭螺釘 [日标]
JIS B 1116 (T4) - 2009
精密機械用開槽沉頭螺釘
Slotting Countersunk Head Screws for Fine Mechanics
15 開槽沉頭螺釘 附表2 [Annex Attached Table 2] [日标]
JIS B 1101 (AAT2) - 1996
開槽沉頭螺釘 附表2 [Annex Attached Table 2]
Slotted Countersunk Head Screws [Annex Attached Table 2]
16 開槽沉頭螺釘 表3 [Attached Table 3] [日标]
JIS B 1101 (AT3) - 1996
開槽沉頭螺釘 表3 [Attached Table 3]
Slotted Countersunk Head Screws [Attached Table 3]
17 開槽沉頭螺栓 (精制) [Table 1-1] [日标]
JIS B 1179 (T1-1) - 1994
開槽沉頭螺栓 (精制) [Table 1-1]
Slotted Flat Head Bolts, Fine Finished [Table 1-1]
18 開槽沉頭螺栓  (粗制)[Table 1-2] [日标]
JIS B 1179 (T1-2) - 1994
開槽沉頭螺栓 (粗制)[Table 1-2]
Slotted Flat Head Bolts, Rough Finished [Table 1-2]
19 米制開槽沉頭螺釘Table2 [美标]
ASME/ANSI B 18.6.7M - 1998
米制開槽沉頭螺釘Table2
Metric Soltted Countersunk Screws
供應商(1)
20 80°開槽沉頭螺釘Table1 [美标]
ASME/ANSI B 18.6.3 - 2010
80°開槽沉頭螺釘Table1
80° Slotted Flat Countersunk Head Machine Screws
21 100°開槽沉頭螺釘Table3 [美标]
ASME/ANSI B 18.6.3 - 2010
100°開槽沉頭螺釘Table3
Slotted 100 Deg Flat Countersunk Head Screws (Machine screws only)
22 緊公差100°開槽沉頭螺釘Table5 [美标]
ASME/ANSI B 18.6.3 - 2010
緊公差100°開槽沉頭螺釘Table5
Close Tolerance 100 Degree Slotted Countersunk Head Screws
23 80°開槽沉頭清根螺釘Table9 [美标]
ASME/ANSI B 18.6.3 - 2010
80°開槽沉頭清根螺釘Table9
80° Slotted Undercut 82-deg Flat Countersunk Head Machine Screws
24 開槽沉頭螺釘 [Table 1] (A307, SAE J429, F468, F593) [美标]
ASME/ANSI B 18.6.2 (T1) - 1998 (R2010)
開槽沉頭螺釘 [Table 1] (A307, SAE J429, F468, F593)
Slotted Flat Countersunk Head Cap Screws [Table 1] (A307, SAE J429, F468, F593)
25 開槽100°沉頭小螺釘 [Table 3] [美标]
ASME/ANSI B 18.11 - 1961 (R1983)
開槽100°沉頭小螺釘 [Table 3]
Slotted 100° Flat Head Miniature Screws
26 開槽沉頭螺釘 [意大利]
UNI 6109
開槽沉頭螺釘
Slotted Countersunk Flat Head Screws
27 開槽沉頭螺釘 [法國]
NF E 25-123 - 1994
開槽沉頭螺釘
Slotted Countersunk Flat Head Screws - Product Grade A
28 鐵路車輛 沉頭側切口機械螺釘 [法國]
NF F 03-004 (F) - 1983
鐵路車輛 沉頭側切口機械螺釘
Railway Rolling Stock Grade A Countersunk Notched Head Machine
29 鐵路車輛 開槽沉頭螺釘/螺母 A級 符号FP [法國]
NF F 03-016 - 1983
鐵路車輛 開槽沉頭螺釘/螺母 A級 符号FP
Railway Rolling Stock Grade A Slotted Countersunk Head Screws Nuts Symbol FP
30 開槽沉頭螺釘(短的)Table 6 [英标]
BS 1981 - 1991
開槽沉頭螺釘(短的)Table 6
Slotted Truncated Countersunk Head Screws: Short Length
31 開槽沉頭螺釘Table4 [英标]
BS 1981 - 1991
開槽沉頭螺釘Table4
Slotted Countersunk Flat Head Screws
32 開槽沉頭機械螺釘 [英标]
BS 4183 (T2) - 1967
開槽沉頭機械螺釘
Slotted Countersunk Head Machine Screws. Metric Series
33 英制開槽沉頭螺釘 - B.S.W. & B.S.F. 螺紋 [Table 2] [英标]
BS 450 - 1958
英制開槽沉頭螺釘 - B.S.W. & B.S.F. 螺紋 [Table 2]
Slotted 90°Countersunk Head Screws with B.S.W. & B.S.F. Threads [Table 2]
34 米制開槽沉頭螺釘 [Table 1] [澳标]
AS /NZS 1427 - 1996
米制開槽沉頭螺釘 [Table 1]
ISO Metric Slotted Countersunk Head Screws [Table 1]
35 精密機械用開槽沉頭螺釘 [台灣]
CNS 9678 - 1982
精密機械用開槽沉頭螺釘
Slotted Countersunk Screws for Fine Mechanics
36 開槽沉頭螺釘 [台灣]
CNS 4411 - 1981
開槽沉頭螺釘
Slotted Countersunk Head Screws
37 電開關用開槽圓柱沉頭螺釘 [台灣]
CNS 4413 - 1981
電開關用開槽圓柱沉頭螺釘
Slotted Cheese Head Screws for Electric Switch
38 開槽沉頭螺栓 [台灣]
CNS 4420 - 1981
開槽沉頭螺栓
Countersunk Head Bolts with Forged Slot for Steel Structures
39 精密用開槽沉頭螺釘 M0.4~M1.4 [台灣]
CNS 4363 - 1980
精密用開槽沉頭螺釘 M0.4~M1.4
Slotted Countersunk Head Screws for Fine Mechanics
40 開槽沉頭螺釘 A級和B級 [俄标]
GOST 17475 - 1980
開槽沉頭螺釘 A級和B級
Countersunk Head Screws of Accuracy Classes A and B(Slotted)
41 開槽沉頭螺釘 [Table 5] [韓标]
KS B 1021 (T5) - 2012 (R2022)
開槽沉頭螺釘 [Table 5]
Slotted Countersunk Flat Head Screws [Table 5]
42 開槽沉頭螺釘(通用頭型) A級 [德标]
DIN EN ISO 2009 - 2011
開槽沉頭螺釘(通用頭型) A級
Slotted Countersunk Flat Head Screws(Common Head Style)-Product Grade A
供應商(4)
43 100°開槽沉頭螺釘 [軍标]
GJB 3372 (/36~/44) - 1998
100°開槽沉頭螺釘
Slotted 100 Deg Flat Countersunk Head Screws
44 100°沉頭不脫出螺釘 [軍标]
GJB 3372 (/56) - 1998
100°沉頭不脫出螺釘
Slotted 100 Deg Flat Countersunk Head Screws, Waisted Shank
45 開槽沉頭螺釘(通用頭型) - 產品等級A級 [印标]
IS 1365 - 2005
開槽沉頭螺釘(通用頭型) - 產品等級A級
Slotted Countersunk Flat Head Screws (Common Head Style) - Product Grade A
46 開槽100°沉頭小螺釘 [Table 3] (A276, B16, B151) [美标]
ANSI B 18.11 - 1961 (R2017)
開槽100°沉頭小螺釘 [Table 3] (A276, B16, B151)
Slotted 100°Flat Head Miniature Screws [Table 3] (A276, B16, B151)
47 82°開槽沉頭機械螺釘 (ASTM F837/F468) [TABLE 2.2.1-1] [美标]
ASME B 18.6.3 (H1A) - 2024
82°開槽沉頭機械螺釘 (ASTM F837/F468) [TABLE 2.2.1-1]
82° Slotted Flat Countersunk Head Machine Screws (ASTM F837/F468) [TABLE 2.2.1-1]
48 100°沉頭開槽機械螺釘 (ASTM F837/F468) [TABLE 2.2.1-3] [美标]
ASME B 18.6.3 (H1C) - 2024
100°沉頭開槽機械螺釘 (ASTM F837/F468) [TABLE 2.2.1-3]
Slotted 100-deg Flat Countersunk Head Screws (ASTM F837/F468) [TABLE 2.2.1-3]
49 精密100°沉頭開槽機械螺釘 (ASTM F837/F468) [TABLE 2.2.1-5] [美标]
ASME B 18.6.3 (H1E) - 2024
精密100°沉頭開槽機械螺釘 (ASTM F837/F468) [TABLE 2.2.1-5]
Slotted Close Tolerance 100-deg Flat Countersunk Head Screws (ASTM F837/F468) [TABLE 2.2.1-5]
50 開槽82°沉頭清根機械螺釘 (ASTM F837/F468)  [TABLE 2.2.3-1] [美标]
ASME B 18.6.3 (H3A) - 2024
開槽82°沉頭清根機械螺釘 (ASTM F837/F468) [TABLE 2.2.3-1]
Slotted Undercut 82-deg Flat Countersunk Head Machine Screws (ASTM F837/F468) [TABLE 2.2.3-1]
51 82°開槽沉頭機械螺釘  [Table 1] (ASTM F837 / F468) [美标]
ASME B 18.6.3 (T1) - 2013
82°開槽沉頭機械螺釘 [Table 1] (ASTM F837 / F468)
82° Slotted Flat Countersunk Head Machine Screws [Table 1] (ASTM F837 / F468)
52 100°沉頭開槽機械螺釘 [Table 3] (ASTM F837 / F468) [美标]
ASME B 18.6.3 (T3) - 2013
100°沉頭開槽機械螺釘 [Table 3] (ASTM F837 / F468)
Slotted 100-deg Flat Countersunk Head Screws [Table 3] (ASTM F837 / F468)
53 開槽精密100°沉頭機械螺釘 [Table 5] (ASTM F837 / F468) [美标]
ASME B 18.6.3 (T5) - 2013
開槽精密100°沉頭機械螺釘 [Table 5] (ASTM F837 / F468)
Slotted Close Tolerance 100-deg Flat Countersunk Head Screws (Machine Screws Only) (ASTM F837 / F468)
54 開槽82°沉頭清根機械螺釘 [ Table 9 ] (ASTM F837 / F468) [美标]
ASME B 18.6.3 (T9) - 2013
開槽82°沉頭清根機械螺釘 [ Table 9 ] (ASTM F837 / F468)
Slotted Undercut 82-deg Flat Countersunk Head Machine Screws (ASTM F837 / F468)
55 開槽沉頭螺栓 [航天]
QJ 2370 - 1992
開槽沉頭螺栓
Slotted Countersunk Head Screws
56 開槽沉頭螺釘 [航天]
QJ 2373 - 1992
開槽沉頭螺釘
Slotted Countersunk Head Screws
57 100°開槽沉頭螺釘 [航空]
HB 7187~7195 - 1995
100°開槽沉頭螺釘
100° Countersunk Head Bolts
58 100°開槽沉頭螺釘 [航空]
HB 7208~7216 - 1995
100°開槽沉頭螺釘
Slotted 100 Deg Flat Countersunk Head Screws
© 易緊通 服務熱線:4006-164580(免長途費)