index
logo

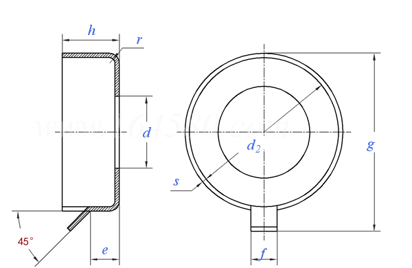
安全杯 DIN 526 - 1973

選擇規格尺寸 點擊↓

5.3

6.4

8.4

10.5


尺寸單位: mm
德标DIN 526 - 1973 DIN526 526DIN 安全杯
DIN  526 - 1973 安全杯
掃一掃分享
千件重及價格計算 千件重 : kg x 元/kg = 元/千件
默認密度 g/cm3
公稱直徑
d
5.3 6.4 8.4 10.5
d 最小值=公稱
最大值
d2 最小值=公稱
最大值
e
f
g
h
r
s
符合DIN 84的圓柱頭螺釘
千件重kg
5.3 6.4 8.4 10.5
5.48 6.62 8.62 10.77
9.5 11 14 17
9.7 11.2 14.2 17.2
1.8 2.1 2.7 3.3
2 2.5 2.5 3
11.6 13.7 17 20.3
3.7 4.5 5.5 6.5
0.4 0.6 0.6 0.6
0.38 0.5 0.5 0.5
M5 M6 M8 M10
0.515 0.885 1.55 2.13
注:技術數據僅供參考,請以官方原件為準!
類似标準及供貨信息
1 開口墊圈 [國标]
GB 851 - 1988
開口墊圈
Washers with Split
供應商(1)
2 單耳托闆自鎖螺母墊片 [國标]
GB 961 - 1988
單耳托闆自鎖螺母墊片
Spacers for Self-locking Nuts, SingleLug, Anchor
3 木結構用方孔墊圈 [德标]
DIN 440 - 2024
木結構用方孔墊圈
Washers with Square Hole, Especially for Timber Constructions
供應商(1)
4 用于木結構的平墊圈 [德标]
DIN 1052 - 2008
用于木結構的平墊圈
Washers For Wood Constructions
供應商(2)
5 用于木結構的平墊圈 [德标]
DIN 1052 - 2004
用于木結構的平墊圈
Washers for Wood Constructions
供應商(2)
6 木結構用特大墊圈(方孔) [德标]
DIN 440 - 2001
木結構用特大墊圈(方孔)
Extra Large Washers with Square Hole for Use in Timber Constructions
供應商(1)
7 木結構用 特大墊圈(方孔) [德标]
DIN 440 (V) - 1990
木結構用 特大墊圈(方孔)
Extra Large Washers with Square Hole for Use in Timber Constructions
供應商(1)
8 導線連接墊圈 [德标]
DIN 46288 - 1974
導線連接墊圈
Connecting Washers for Conductors
9 腰狀杆螺柱連接副 受力套管 D型 / E型 [德标]
DIN 2510-7 (D / E) - 1971
腰狀杆螺柱連接副 受力套管 D型 / E型
Bolted Connections with Reduced Shank; Extension Sleeves
10 襯套 [德标]
DIN 1850 (-1) - 1959
襯套

11 常閉式通氣塞 - 蓋片 [汽标代号]
Q 900B.4
常閉式通氣塞 - 蓋片

12 保險閥 - 墊圈 [汽标代号]
Q 902B.4
保險閥 - 墊圈

13 瓦形墊圈 [機械行業]
JB /T 14724 (B) - 2024
瓦形墊圈
Tile Washer
14 調整墊圈 [機械行業]
JB /T 3411.112 - 1999
調整墊圈
Adjust Washer
15 鍵槽拉削用墊圈 [機械行業]
JB /T 3411.24 - 1999
鍵槽拉削用墊圈
Washer for Keyway Broaching
16 懸式墊圈 [機械行業]
JB /T 8008.1 - 1999
懸式墊圈
Hanging Washers
17 十字墊圈 [機械行業]
JB /T 8008.2 - 1999
十字墊圈
Cross Recessed Washer
18 快換墊圈 [機械行業]
JB /T 8008.5 - 1999
快換墊圈
Quick Change Washer
19 可拆卸切口墊圈 [法國]
NF E 27-616 - 1972
可拆卸切口墊圈
Demountable Washer with Slot
20 可轉動切口墊圈 [法國]
NF E 27-617 - 1972
可轉動切口墊圈
Pivot Washerwith
21 美制USS墊圈 [其它]
USS
美制USS墊圈
American System Washers - USS
供應商(6)
22 芬德防護墊圈 [其它]
芬德防護墊圈
芬德防護墊圈
Fender Defend Washers
供應商(3)
23 法蘭用帶耳墊圈 [其它]
FZ/T 92049 - 1995
法蘭用帶耳墊圈
Flange Washers with Tab
24 木制品和木結構用方孔圓墊圈 [Table 10] [英标]
BS 3410 (-10) - 1961
木制品和木結構用方孔圓墊圈 [Table 10]
Round Black Washers with Square Holes for Woodwork and Timber Constructions [Table 10]
25 木結構用方孔墊圈 [台灣]
CNS 5113 - 1980
木結構用方孔墊圈
Washers with Square Hole, for Wood Structure
26 固定墊圈 [标準]
YJT 19096
固定墊圈

27 塑料襯套 [标準]
YJT 6003
塑料襯套
Plastic Bushing
28 常閉式通氣塞 - 蓋片 [汽标]
QC /T 410 (-4) - 1999
常閉式通氣塞 - 蓋片

29 保險閥 - 墊圈 [汽标]
QC /T 411 (-4) - 1999
保險閥 - 墊圈

30 支撐襯套 [航空]
HB 3- 8 - 1985
支撐襯套

供應商(1)
31 墊片 [航空]
HB 1- 509 - 1983
墊片
Gaskets
标準編号: DIN 526 - 1973
中文名稱: 安全杯
英文名稱: Safety Cups for Cheese Head Screws According to DIN 84
數據來源: 易緊通 (164580.com)
Standard Code: DIN 526 - 1973Chinese Name: 安全杯English Name: Safety Cups for Cheese Head Screws According to DIN 84Source: https://www.164580.com/info_400452.html
Data Source: YJT Fastener Database (164580.com)
Standard: DIN 526 - 1973
URL: https://www.164580.com/info_400452.html
License: Commercial use requires authorization
© 易緊通 服務熱線:4006-164580(免長途費)