index
logo

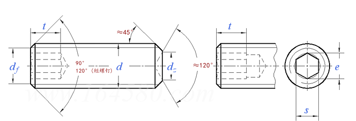
内六角凹端緊定螺釘 JIS B 1177 (T4) - 1997

選擇規格尺寸 點擊↓

M1.6

M2

M2.5

M3

M4

M5

M6

M8

M10

M12

M16

M20

M24


尺寸單位: mm
日标JIS B1177 (T4) - 1997 JIS1177 1177JIS 内六角凹端緊定螺釘
JIS B 1177 (T4) - 1997 内六角凹端緊定螺釘
掃一掃分享
千件重及價格計算 千件重 : kg x 元/kg = 元/千件
默認密度 g/cm3
公稱長度L 注:選擇後獲得 相應重量
螺紋尺寸
d
M1.6 M2 M2.5 M3 M4 M5 M6 M8 M10 M12 M16 M20 M24
P 螺距
dz 最大值
最小值
e 最小值
s 公稱
最大值
最小值
t 最小值
最小值
L0 公稱
0.35 0.4 0.45 0.5 0.7 0.8 1 1.25 1.5 1.75 2 2.5 3
0.80 1.00 1.20 1.40 2.00 2.50 3.00 5.0 6.0 8.00 10.00 14.00 16.00
0.55 0.75 0.95 1.15 1.75 2.25 2.75 4.7 5.7 7.64 9.64 13.57 15.57
0.803 1.003 1.427 1.73 2.3 2.87 3.44 4.58 5.72 6.86 9.15 11.43 13.72
0.7 0.9 1.3 1.5 2 2.5 3 4 5 6 8 10 12
0.724 0.902 1.295 1.545 2.045 2.56 3.071 4.084 5.084 6.095 8.115 10.115 12.142
0.711 0.889 1.27 1.52 2.02 2.52 3.02 4.02 5.02 6.02 8.025 10.025 12.032
0.7 0.8 1.2 1.2 1.5 2 2 3 4 4.8 6.4 8 10
1.5 1.7 2 2 2.5 3 3.5 5 6 8 10 12 15
2 2.5 3 4 5 5 6 8 10 12 16 20 25
千件鋼制重≈kg
- - - - - - - - - - - - -
①,當L≤L0時為短螺釘;當L>L0時為長螺釘。
②,df ≈ 螺紋小徑。
替代列表
注:技術數據僅供參考,請以官方原件為準!
類似标準及供貨信息
1 内六角凹端緊定螺釘 [國标]
GB /T 80 - 2007
内六角凹端緊定螺釘
Hexagon Socket Set Screws with Cup Point
供應商(4)
2 内六角凹端緊定螺釘 [國标]
GB /T 80 - 2000
内六角凹端緊定螺釘
Hexagon Socket Set Screws with Cup Point
供應商(4)
3 内六角凹端緊定螺釘 [國标]
GB 80 - 1985
内六角凹端緊定螺釘
Hexagon Socket Set Screws with Cup Point
供應商(4)
4 内六角凹端緊定螺釘 [德标]
DIN 916 - 1980
内六角凹端緊定螺釘
Hexagon Socket Set Screws with Cup Point
供應商(4)
5 内六角凹端滾花緊定螺釘 [德标]
DIN 916 (K)
内六角凹端滾花緊定螺釘
Hexagon Socket Knurl Set Screws with Cup Point
6 内六角凹端緊定螺釘 [國際]
ISO 4029 - 2026
内六角凹端緊定螺釘
Hexagon Socket Set Screws with Cup Point
供應商(1)
7 内六角凹端緊定螺釘 [國際]
ISO 4029 - 2003
内六角凹端緊定螺釘
Hexagon Socket Set Screws with Cup Point
供應商(1)
8 内六角凹端緊定螺釘 [國際]
ISO 4029 - 1993
内六角凹端緊定螺釘
Hexagon Socket Set Screws with Cup Point
供應商(1)
9 内六角凹端緊定螺釘 [日标]
JIS B 1177 (T5) - 2007
内六角凹端緊定螺釘
Hexagon Socket Set Screws with Cup Point
10 内六角凹端緊定螺釘 [日标]
JIS B 1177 - 1988
内六角凹端緊定螺釘
Hexagon Socket Set Screws with Cup Point
11 内六角凹端緊定螺釘 [汽标代号]
Q 283
内六角凹端緊定螺釘
Hexagon Socket Set Screws with Cup Point
12 外球面球軸承用緊定螺釘 齒端型(ST) [機械行業]
JB /T 7755 (ST) - 2007
外球面球軸承用緊定螺釘 齒端型(ST)
Rolling Bearings - Accessories - Set Screws for Insert Bearings - Type ST
13 外球面球軸承用緊定螺釘 W端型(SW) [機械行業]
JB /T 7755 (SW) - 2007
外球面球軸承用緊定螺釘 W端型(SW)
Rolling Bearings - Accessories - Set Screws for Insert Bearings - Type SW
14 外球面球軸承用緊定螺釘 凹端型(S) [機械行業]
JB /T 7755 (S) - 2007
外球面球軸承用緊定螺釘 凹端型(S)
Rolling Bearings - Accessories - Set Screws for Insert Bearings - Type S
15 米制内六角凹端緊定螺釘 (ASTM F912M / F880M /A1-70) [美标]
ASME/ANSI B 18.3.6M (CUP) - 1986 (R2002)
米制内六角凹端緊定螺釘 (ASTM F912M / F880M /A1-70)
Metric Hexagon Socket Cup Point Set Screws (ASTM F912M / F880M /A1-70)
16 内六角凹端緊定螺釘 [法國]
NF E 25-174 - 2004
内六角凹端緊定螺釘
Hexagon Socket Set Screws with Cup Point
17 BA螺紋内六角凹端緊定螺釘  Table 6C [英标]
BS 2470 - 1973
BA螺紋内六角凹端緊定螺釘 Table 6C
Hexagon Socket Set Screws with Cup Point - BA Thread
供應商(1)
18 統一螺紋内六角凹端緊定螺釘  Table 6A [英标]
BS 2470 - 1973
統一螺紋内六角凹端緊定螺釘 Table 6A
Hexagon Socket Set Screws with Cup Point - Unified Thread
19 英制螺紋内六角凹端緊定螺釘  Table 6B [英标]
BS 2470 - 1973
英制螺紋内六角凹端緊定螺釘 Table 6B
Hexagon Socket Set Screws with Cup Point - BSW and BSF Threads
20 米制内六角凹端緊定螺釘 [Table 4] [澳标]
AS /NZS 1421 - 1996
米制内六角凹端緊定螺釘 [Table 4]
ISO Metric Hexagon Socket Set Screws - Cup Point [Table 4]
21 内六角凹端緊定螺釘 [台灣]
CNS 4480 - 1981
内六角凹端緊定螺釘
Hexagon Socket Set Screws with Cup Point
22 内六角凹端緊定螺釘 [韓标]
KS B 1028 (T4) - 1990 (R2020)
内六角凹端緊定螺釘
Hexagon Socket Set Screw with Cup Point
23 内六角凹端緊定螺釘 [德标]
DIN EN ISO 4029 - 2004
内六角凹端緊定螺釘
Hexagon Socket Set Screws with Cup Point
供應商(4)
24 内六角凹端緊定螺釘 [Table 14] (ASTM F912 / F880) [美标]
ASME B 18.3 (T14 CUP-A) - 2012
内六角凹端緊定螺釘 [Table 14] (ASTM F912 / F880)
Hexagon Socket Set Screws with Cup Point [Table 14] (ASTM F912 / F880)
供應商(2)
25 内六角凹端緊定螺釘 [Table 5A] [美标]
ASME B 18.3 - 2003 (R2008)
内六角凹端緊定螺釘 [Table 5A]
Hexagon Socket Set Screws with Cup Point
供應商(2)
26 内六角凹端緊定螺釘 [Type B] (ASTM F912 / F880) [美标]
ASME B 18.3 (T14 CUP-B) - 2012
内六角凹端緊定螺釘 [Type B] (ASTM F912 / F880)
Hexagon Socket Set Screws with Cup Point [Type B] (ASTM F912 / F880)
27 内六角凹端緊定螺釘 [Type C] (ASTM F912 / F880) [美标]
ASME B 18.3 (T14 CUP-C) - 2012
内六角凹端緊定螺釘 [Type C] (ASTM F912 / F880)
Hexagon Socket Set Screws with Cup Point [Type C] (ASTM F912 / F880)
28 内六角凹端緊定螺釘 [Type D] (ASTM F912 / F880) [美标]
ASME B 18.3 (T14 CUP-D) - 2012
内六角凹端緊定螺釘 [Type D] (ASTM F912 / F880)
Hexagon Socket Set Screws with Cup Point [Type D] (ASTM F912 / F880)
29 内六角凹端緊定螺釘 [Type E] (ASTM F912 / F880) [美标]
ASME B 18.3 (T14 CUP-E) - 2012
内六角凹端緊定螺釘 [Type E] (ASTM F912 / F880)
Hexagon Socket Set Screws with Cup Point [Type E] (ASTM F912 / F880)
30 内六角凹端緊定螺釘 [Type F] (ASTM F912 / F880) [美标]
ASME B 18.3 (T14 CUP-F) - 2012
内六角凹端緊定螺釘 [Type F] (ASTM F912 / F880)
Hexagon Socket Set Screws with Cup Point [Type F] (ASTM F912 / F880)
31 内六角凹端緊定螺釘 [Type G] (ASTM F912 / F880) [美标]
ASME B 18.3 (T14 CUP-G) - 2012
内六角凹端緊定螺釘 [Type G] (ASTM F912 / F880)
Hexagon Socket Set Screws with Cup Point [Type G] (ASTM F912 / F880)
标準編号: JIS B 1177 (T4) - 1997
中文名稱: 内六角凹端緊定螺釘
英文名稱: Hexagon Socket Set Screws with Cup Point
數據來源: 易緊通 (164580.com)
Standard Code: JIS B 1177 (T4) - 1997Chinese Name: 内六角凹端緊定螺釘English Name: Hexagon Socket Set Screws with Cup PointSource: https://www.164580.com/info_39338.html
Data Source: YJT Fastener Database (164580.com)
Standard: JIS B 1177 (T4) - 1997
URL: https://www.164580.com/info_39338.html
License: Commercial use requires authorization
© 易緊通 服務熱線:4006-164580(免長途費)