index
logo

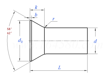
60°沉頭鉚釘 (粗制) GB 865 - 1986

選擇規格尺寸 點擊↓

Φ12

(Φ14)

Φ16

Φ18

Φ20

(Φ22)

Φ24

(Φ27)

Φ30

Φ36

括号内尺寸為非優選
GB  865 - 1986 60°沉頭鉚釘 (粗制)

尺寸單位: mm
國标GB 865 - 1986 GB865 865GB 60°沉頭鉚釘 (粗制)
GB  865 - 1986 60°沉頭鉚釘 (粗制)
掃一掃分享
千件重及價格計算 千件重 : kg x 元/kg = 元/千件
默認密度 g/cm3
公稱長度L 注:選擇後獲得 相應重量
公稱直徑
d
Φ12 (Φ14) Φ16 Φ18 Φ20 (Φ22) Φ24 (Φ27) Φ30 Φ36
d 最大值
最小值
dk 最大值
最小值
r 最大值
b 最大值
k
12.3 14.3 16.3 18.3 20.35 22.35 24.35 27.35 30.35 36.4
11.7 13.7 15.7 17.7 19.65 21.65 23.65 26.65 29.65 35.6
19.6 22.5 25.7 29 33.4 37.4 40.4 44.4 51.4 59.8
17.6 20.6 23.7 27 30.6 34.6 37.6 41.6 48.6 56.2
0.5 0.5 0.5 0.5 0.8 0.8 0.8 0.8 0.8 0.8
0.6 0.6 0.6 0.8 0.8 0.8 0.8 0.8 0.8 0.8
6 7 8 9 11 12 13 14 17 19
千件鋼制重≈kg
- - - - - - - - - -
①,技術條件按 GB 116-86 規定。
替代列表
暫無
注:技術數據僅供參考,請以官方原件為準!
類似标準及供貨信息
1 沉頭鉚釘 [國标]
GB 869 - 1986
沉頭鉚釘
Countersunk Head Rivets
供應商(1)
2 120°沉頭鉚釘 [國标]
GB 954 - 1986
120°沉頭鉚釘
120° Degree Countersunk Head Rivets
3 鋼制沉頭實心鉚釘(公稱直徑10-36毫米) [德标]
DIN 302 - 2011
鋼制沉頭實心鉚釘(公稱直徑10-36毫米)
Steel Countersunk Head Rivets,with Nominal Diameters From 10 to 36 mm
供應商(1)
4 沉頭實心鉚釘 [德标]
DIN 302 - 1993
沉頭實心鉚釘
Steel Countersunk Head Rivets
供應商(1)
5 沉頭鉚釘,公稱直徑1-8mm [德标]
DIN 661 - 2011
沉頭鉚釘,公稱直徑1-8mm
Countersunk Head Rivets (With Nominal Diameters from 1 to 8 mm)
6 沉頭錐端鉚釘 - 公稱直徑3毫米到5毫米 [德标]
DIN 675 - 2011
沉頭錐端鉚釘 - 公稱直徑3毫米到5毫米
Flat Countersunk Head Rivets - Nominal Diameters From 3 to 5 mm
7 沉頭鉚釘 [德标]
DIN 661 - 1993
沉頭鉚釘
Countersunk Head Rivets (with nominal diameters from 1 to 8 mm)
8 沉頭錐端鉚釘 [德标]
DIN 675 - 1993
沉頭錐端鉚釘
Flat Countersunk Head Rivets with Nominal Diameters From 3 to 5 mm
9 冷成型鉚釘—沉頭實心鉚釘 [日标]
JIS B 1213 (T3) - 1995
冷成型鉚釘—沉頭實心鉚釘
Cold Headed Rivets - Countersunk Head Solid Rivets
10 熱成型鉚釘—沉頭實心鉚釘 [Table 2] [日标]
JIS B 1214 (T2) - 1995
熱成型鉚釘—沉頭實心鉚釘 [Table 2]
Hot Headed Rivets - Countersunk Head Hot Solid Rivets [Table 2]
11 沉頭鉚釘 [汽标代号]
Q 460
沉頭鉚釘
Countersunk Head Rivets
12 米制沉頭鉚釘Table5 [美标]
ASME/ANSI B 18.1.3M - 1983 (R1995)
米制沉頭鉚釘Table5
Metric Flat Countersunk Head Rivets
13 米制沉頭鉚釘 [Table 5] (ASTM A31, SAE J430) [美标]
ASME/ANSI B 18.1.3M - 1983 (R2006)
米制沉頭鉚釘 [Table 5] (ASTM A31, SAE J430)
Metric Flat Countersunk Head Rivets [Table 5] (ASTM A31, SAE J430)
14 90°沉頭鉚釘 [法國]
NF E 27-154 - 1952
90°沉頭鉚釘
90° Degree Countersunk Head Rivets
15 60°沉頭鉚釘 [法國]
NF E 27-154 - 1952
60°沉頭鉚釘
60° Degree Countersunk Head Rivets
16 120°沉頭鉚釘 [法國]
NF E 27-154 - 1952
120°沉頭鉚釘
120° Degree Countersunk Head Rivets
17 米制冷鍛沉頭實心鉚釘 [Table 6] [英标]
BS 4620 (T6) - 1970
米制冷鍛沉頭實心鉚釘 [Table 6]
Metric Cold Forged 90°Countersunk Head Rivets
18 60°沉頭鉚釘(直徑1/2至1¾英寸) [英标]
BS 275 (-7) - 1927
60°沉頭鉚釘(直徑1/2至1¾英寸)
Standard Rivet - 60° Flat Countersunk Head (½ Inch to 1¾ inch diameter)
19 45°沉頭鉚釘(直徑1/2至1¾英寸) [英标]
BS 275 (-9) - 1927
45°沉頭鉚釘(直徑1/2至1¾英寸)
Standard Rivet - 45° Flat Countersunk Head (½ Inch to 1¾ inch diameter)
20 沉頭鉚釘 B級和C級 [俄标]
GOST 10300 - 1980
沉頭鉚釘 B級和C級
Countersunk Head Rivets Classes B and C
21 沉頭實心鉚釘 table 6 [美标]
SAE J 492 - 1968
沉頭實心鉚釘 table 6
Flat Countersunk Head Rivets
22 實心小鉚釘 - 沉頭實心鉚釘 [Table 2] (ASTM A31, SAE J430) [美标]
ANSI B 18.1.1 (T2) - 1972 (R2016)
實心小鉚釘 - 沉頭實心鉚釘 [Table 2] (ASTM A31, SAE J430)
Small Solid Rivets - Flat Countersunk Head Rivets [Table 2] (ASTM A31, SAE J430)
23 大鉚釘 - 沉頭實心鉚釘 [Table 4] (A31, A131, A152, A502) [美标]
ANSI B 18.1.2 (T4) - 1972 (R2016)
大鉚釘 - 沉頭實心鉚釘 [Table 4] (A31, A131, A152, A502)
Large Rivets - Flat Countersunk Head Rivets (Manufactured Shape) [Table 4] (A31, A131, A152, A502)
24 90°沉頭鉚釘 [航天]
QJ 3142 - 2001
90°沉頭鉚釘
90° Countersunk Head Rivets
25 120°沉頭鉚釘 [航天]
QJ 3142 - 2001
120°沉頭鉚釘
120° Countersunk Head Rivets
26 100°沉頭鉚釘 [航天]
QJ 3142 - 2001
100°沉頭鉚釘
100° Countersunk Head Rivets
27 100°小沉頭鉚釘 [航天]
QJ 3142 - 2001
100°小沉頭鉚釘
100° Small Countersunk Head Rivets
28 90°沉頭鉚釘(材料:L10) [航空]
HB 6306 - 2002
90°沉頭鉚釘(材料:L10)
90° Countersunk Head Rivets (Material: L10)
供應商(1)
29 120°沉頭鉚釘 (材料: LY10) [航空]
HB 6316 - 2002
120°沉頭鉚釘 (材料: LY10)
120° Countersunk Head Rivets (LY10)
供應商(2)
30 沉頭鉚釘(材料:L10) [航空]
HB 6306 - 1989
沉頭鉚釘(材料:L10)
Countersunk Head Rivets (Material: L10)
供應商(1)
31 90°沉頭鉚釘(材料:L4) [航空]
HB 6304 - 2002
90°沉頭鉚釘(材料:L4)
90° Countersunk Head Rivets (Material: L4)
32 沉頭鉚釘 (材料:LY1) [航空]
HB 6305 - 2002
沉頭鉚釘 (材料:LY1)
Countersunk Head Rivets (Material: LY1)
33 90°沉頭鉚釘(材料:LF10) [航空]
HB 6307 - 2002
90°沉頭鉚釘(材料:LF10)
90° Countersunk Head Rivets (Material: LF10)
34 90°沉頭鉚釘(材料:LF21) [航空]
HB 6308 - 2002
90°沉頭鉚釘(材料:LF21)
90° Countersunk Head Rivets (Material: LF21)
35 90°沉頭鉚釘(材料:ML18) [航空]
HB 6309 - 2002
90°沉頭鉚釘(材料:ML18)
90° Countersunk Head Rivets (Material: ML18)
36 90°沉頭鉚釘(材料:ML20MnA) [航空]
HB 6310 - 2002
90°沉頭鉚釘(材料:ML20MnA)
90° Countersunk Head Rivets(Material: ML20MnA)
37 90°沉頭鉚釘(材料:1Cr18Ni9Ti) [航空]
HB 6311 - 2002
90°沉頭鉚釘(材料:1Cr18Ni9Ti)
90° Countersunk Head Rivets (Material: 1Cr18Ni9Ti)
38 90°沉頭鉚釘 (材料:H62) [航空]
HB 6312 - 2002
90°沉頭鉚釘 (材料:H62)
90° Countersunk Head Rivets (Material: H62)
39 90°沉頭鉚釘  (材料:H62防磁) [航空]
HB 6313 - 2002
90°沉頭鉚釘 (材料:H62防磁)
90° Countersunk Head Rivets (Material: H62防磁)
40 90°沉頭鉚釘 (材料:T3) [航空]
HB 6314 - 2002
90°沉頭鉚釘 (材料:T3)
90° Countersunk Head Rivets (Material: T3)
41 120°沉頭鉚釘 (材料: LY1) [航空]
HB 6315 - 2002
120°沉頭鉚釘 (材料: LY1)
120° Countersunk Head Rivets (LY1)
42 120°沉頭鉚釘 (材料: LF10) [航空]
HB 6317 - 2002
120°沉頭鉚釘 (材料: LF10)
120° Countersunk Head Rivets (LF10)
43 120°沉頭鉚釘 (材料: ML18) [航空]
HB 6318 - 2002
120°沉頭鉚釘 (材料: ML18)
120° Countersunk Head Rivets (ML18)
44 120°沉頭鉚釘 (材料:1Cr18Ni9Ti) [航空]
HB 6319 - 2002
120°沉頭鉚釘 (材料:1Cr18Ni9Ti)
120° Countersunk Head Rivets (1Cr18Ni9Ti )
45 90°沉頭鉚釘(材料:L4) [航空]
HB 6304 - 1989
90°沉頭鉚釘(材料:L4)
90° Countersunk Head Rivets (Material: L4)
46 90°沉頭鉚釘(材料:LY1) [航空]
HB 6305 - 1989
90°沉頭鉚釘(材料:LY1)
90° Countersunk Head Rivets (Material: LY1)
47 90°沉頭鉚釘(材料:LF10) [航空]
HB 6307 - 1989
90°沉頭鉚釘(材料:LF10)
90° Countersunk Head Rivets (Material: LF10)
48 90°沉頭鉚釘(材料:LF21) [航空]
HB 6308 - 1989
90°沉頭鉚釘(材料:LF21)
90° Countersunk Head Rivets (Material: LF21)
49 90°沉頭鉚釘(材料:ML18) [航空]
HB 6309 - 1989
90°沉頭鉚釘(材料:ML18)
90° Countersunk Head Rivets (Material: ML18)
50 90°沉頭鉚釘(材料:ML20MnA) [航空]
HB 6310 - 1989
90°沉頭鉚釘(材料:ML20MnA)
90° Countersunk Head Rivets(Material: ML20MnA)
51 90°沉頭鉚釘(材料:1Cr18Ni9Ti) [航空]
HB 6311 - 1989
90°沉頭鉚釘(材料:1Cr18Ni9Ti)
90° countersunk head rivets (Material: 1Cr18Ni9Ti)
52 90°沉頭鉚釘(材料:H62) [航空]
HB 6312 - 1989
90°沉頭鉚釘(材料:H62)
90° Countersunk Head Rivets (Material: H62)
53 90°沉頭鉚釘(材料:H62 防磁) [航空]
HB 6313 - 1989
90°沉頭鉚釘(材料:H62 防磁)
90° Countersunk Head Rivets (Material: H62防磁)
54 90°沉頭鉚釘(材料:T3) [航空]
HB 6314 - 1989
90°沉頭鉚釘(材料:T3)
90° Countersunk Head Rivets (Material: T3)
© 易緊通 服務熱線:4006-164580(免長途費)