index
logo

動負荷預應力螺柱 JB /ZQ 4327 - 1997

選擇規格尺寸 點擊↓

M27

M30

M33

M36

M39

M42

M45

M48

M52

M56

M60

M64

M68

M72

M76

M80

M90

M100


尺寸單位: mm
機械行業JB /ZQ4327 - 1997 JB4327 4327JB 動負荷預應力螺柱
JB /ZQ 4327 - 1997 動負荷預應力螺柱
掃一掃分享
千件重及價格計算 千件重 : kg x 元/kg = 元/千件
默認密度 g/cm3
公稱長度L 注:選擇後獲得 相應重量
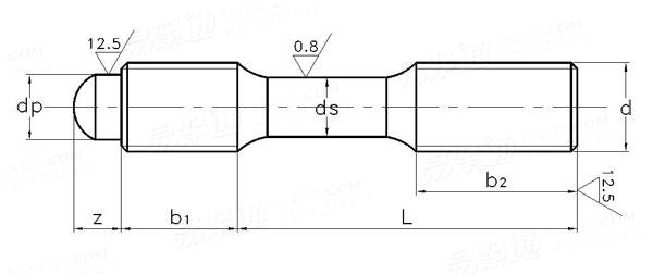
螺紋尺寸
d
M27 M30 M33 M36 M39 M42 M45 M48 M52
P
b2
b1
ds
dp
z
2 2 2 3 3 3 3 3 3
49 54 59 64 69 76 81 86 95
35 39 43 46 50 54 58 62 67
20 22 24 26 28 30 33 35 39
22 25 28 30 33 36 39 42 46
16 16 17 22 23 23 23 24 25
千件鋼制重≈kg
- - - - - - - - -
螺紋尺寸
d
M56 M60 M64 M68 M72 M76 M80 M90 M100
P
b2
b1
ds
dp
z
4 4 4 4 4 4 4 4 4
101 108 115 123 132 139 147 166 185
72 78 83 88 93 99 104 117 130
41 44 47 51 54 57 60 68 76
48 52 56 60 64 68 72 82 92
29 30 32 32 33 34 35 37 39
千件鋼制重≈kg
- - - - - - - - -
替代列表

技術條件和引用标準

材料
螺紋公差
產品等級
25CrMo
6g
B級
注:技術數據僅供參考,請以官方原件為準!
類似标準及供貨信息
1 管法蘭連接用等長雙頭螺柱 PN系列 [國标]
GB /T 9125.1 - 2020
管法蘭連接用等長雙頭螺柱 PN系列
Double End Studs for Pipe Flange Connection - PN Designated
供應商(3)
2 管法蘭連接用B級等長雙頭螺柱(商品緊固件) [國标]
GB /T 9125 - 2010
管法蘭連接用B級等長雙頭螺柱(商品緊固件)
Double End Studs - Product Grade B for Pipe Flange Connection
供應商(3)
3 管法蘭連接用等長雙頭螺柱(專用緊固件) [國标]
GB /T 9125 - 2010
管法蘭連接用等長雙頭螺柱(專用緊固件)
Double End Studs for Pipe Flange Connection
供應商(3)
4 管法蘭連接用等長雙頭螺柱 [國标]
GB /T 9125 - 2003
管法蘭連接用等長雙頭螺柱
Double End Studs for Pipe Flange Connection
供應商(3)
5 雙頭螺柱 bm=1d [國标]
GB /T 897 - 1988
雙頭螺柱 bm=1d
Double End Studs, bm=1d
供應商(10)
6 雙頭螺柱 bm=1.25d [國标]
GB /T 898 - 1988
雙頭螺柱 bm=1.25d
Double End Studs-bm=1.25d
供應商(12)
7 雙頭螺柱 b1=1.5d [國标]
GB /T 899 - 1988
雙頭螺柱 b1=1.5d
Double End Studs b1=1.5d
供應商(11)
8 雙頭螺柱 bm=2d [國标]
GB /T 900 - 1988
雙頭螺柱 bm=2d
Double End Studs-bm=2d
供應商(7)
9 等長雙頭螺柱 B級 [國标]
GB /T 901 - 1988
等長雙頭螺柱 B級
Double End Studs (Clamping Type) - Product Grade B
供應商(18)
10 C級等長雙頭螺柱 [國标]
GB /T 953 - 1988
C級等長雙頭螺柱
Double End Studs(Clamping Type) - Product Grade C
供應商(3)
11 雙頭螺紋吊杆 [國标]
GB /T 17116.3 - 2018
雙頭螺紋吊杆

12 腰狀杆螺柱連接副 L 型一一标準螺紋(d≤52) [國标]
GB /T 13807.2 (L) - 2008
腰狀杆螺柱連接副 L 型一一标準螺紋(d≤52)
Connections with Waisted Stud - Type L
13 腰狀杆螺柱連接副 SD 型一一短螺紋和定位端(兩端均配罩螺母) [國标]
GB /T 13807.2 (SD) - 2008
腰狀杆螺柱連接副 SD 型一一短螺紋和定位端(兩端均配罩螺母)
Connections with Waisted Stud - Type SD
14 腰狀杆螺柱連接副 A 型——加長螺紋 [國标]
GB /T 13807.2 (A) - 2008
腰狀杆螺柱連接副 A 型——加長螺紋
Connections with Waisted Stud - Type A
15 腰狀杆螺柱連接副 AD 型一一加長螺紋和定位端(兩端均配罩螺母) [國标]
GB /T 13807.2 (AD) - 2008
腰狀杆螺柱連接副 AD 型一一加長螺紋和定位端(兩端均配罩螺母)
Connections with Waisted Stud - Type AD
16 腰狀杆螺柱連接副 S 型——短螺紋 [國标]
GB /T 13807.2 (S) - 2008
腰狀杆螺柱連接副 S 型——短螺紋
Connections with Waisted Stud - Type S
17 腰狀杆螺柱連接副 螺柱 S 型——短螺紋 [國标]
GB /T 13807.2 - 1992
腰狀杆螺柱連接副 螺柱 S 型——短螺紋
Connections With Waisted Stud-Studs - Type S
18 等長雙頭螺柱 [美标]
IFI 136 (stud) - 2006
等長雙頭螺柱
Double End Studs
供應商(2)
19 米制等長雙頭栓 [美标]
IFI 528 - 1999
米制等長雙頭栓
Metric Double End Studs
供應商(1)
20 雙頭螺柱 b1≈2d [德标]
DIN 835 - 2025
雙頭螺柱 b1≈2d
Studs - Metal End ≈ 2 d
供應商(4)
21 粗杆雙頭栓 b1=1.25d [德标]
DIN 939 - 2025
粗杆雙頭栓 b1=1.25d
Studs Metal end ≈ 1,25 d
供應商(11)
22 雙頭栓 [德标]
DIN 2509 - 2016
雙頭栓
Double End Studs
供應商(2)
23 粗杆雙頭栓 b1=1d [德标]
DIN 938 - 2012
粗杆雙頭栓 b1=1d
Studs - Metal End ≈ 1 d
供應商(11)
24 雙頭螺柱b1≈2d [德标]
DIN 835 - 2010
雙頭螺柱b1≈2d
Studs - Metal End ≈ 2 d
供應商(4)
25 雙頭螺柱b1=2.5d [德标]
DIN 940 - 2010
雙頭螺柱b1=2.5d
Studs with a Length of Engagement Equal to About 2.5d
供應商(5)
26 帶孔錐端雙頭栓(專用地腳螺栓) [德标]
DIN 797 - 2009
帶孔錐端雙頭栓(專用地腳螺栓)
Special Foundation Bolts
供應商(1)
27 T形螺母用雙頭螺柱 [德标]
DIN 6379 - 2003
T形螺母用雙頭螺柱
Studs for Use with T-Nuts
供應商(2)
28 雙頭螺柱 b1 ≈ 2d [德标]
DIN 835 - 1995
雙頭螺柱 b1 ≈ 2d
Stude Threaded End ≈2d
供應商(4)
29 粗杆雙頭栓 b1=1d [德标]
DIN 938 - 1995
粗杆雙頭栓 b1=1d
Studs with A Length of Engagement Equal to About 1d
供應商(11)
30 粗杆雙頭栓 b1=1.25d [德标]
DIN 939 - 1995
粗杆雙頭栓 b1=1.25d
Studs - Metal end ≈ 1,25 d
供應商(11)
31 粗杆雙頭栓 [德标]
DIN 940 - 1995
粗杆雙頭栓
Studs - Metal End ≈ 2.5d
供應商(5)
32 過盈配合螺紋雙頭栓 b≈2d (A型) [德标]
DIN 949-1 - 1995
過盈配合螺紋雙頭栓 b≈2d (A型)
Studs with Metric Interference Thread MFS - Part 1: Lengths of Engagement ≈ 2 d (Type A)
供應商(1)
33 過盈配合螺紋雙頭栓 b≈2.5d (B型) [德标]
DIN 949-2 - 1995
過盈配合螺紋雙頭栓 b≈2.5d (B型)
Studs with Metric Interference Thread MFS - Part 2: Lengths of Engagement ≈ 2.5 d (Type B)
供應商(1)
34 雙頭栓 [德标]
DIN 2509 - 1986
雙頭栓
Double End Studs
供應商(2)
35 b1=2.5d粗杆雙頭栓 [德标]
DIN 940 - 1983
b1=2.5d粗杆雙頭栓
Studs with a Length of Engagement Equal to About 2.5d
供應商(5)
36 雙頭螺柱b1≈2d [德标]
DIN 835 - 1972
雙頭螺柱b1≈2d
Stude Threaded End ≈2d
供應商(4)
37 腰狀杆螺柱連接副 L 型——标準螺紋(d≤52) [德标]
DIN 2510-3 (L) - 1971
腰狀杆螺柱連接副 L 型——标準螺紋(d≤52)
Connections with Waisted Stud - Type L
供應商(1)
38 帶孔錐端雙頭栓(專用地腳螺栓) [德标]
DIN 797 - 1970
帶孔錐端雙頭栓(專用地腳螺栓)
Special Foundation Bolts
供應商(1)
39 T形螺母用雙頭螺柱 (b1長螺紋) [德标]
DIN 6379 - 2003
T形螺母用雙頭螺柱 (b1長螺紋)
Studs for Use with T-Nuts ( Long b1 )
40 腰狀杆螺柱連接副 K 型——短螺紋 [德标]
DIN 2510-3 (K) - 1971
腰狀杆螺柱連接副 K 型——短螺紋
Connections with Waisted Stud - Type K
41 腰狀杆螺柱連接副 KU 型一一短螺紋和定位端(兩端均配罩螺母) [德标]
DIN 2510-3 (KU) - 1971
腰狀杆螺柱連接副 KU 型一一短螺紋和定位端(兩端均配罩螺母)
Connections with Waisted Stud - Type KU
42 腰狀杆螺柱連接副 Z 型——加長螺紋 [德标]
DIN 2510-3 (Z) - 1971
腰狀杆螺柱連接副 Z 型——加長螺紋
Connections with Waisted Stud - Type Z
43 腰狀杆螺柱連接副 ZU 型一一加長螺紋和定位端(兩端均配罩螺母) [德标]
DIN 2510-3 (ZU) - 1971
腰狀杆螺柱連接副 ZU 型一一加長螺紋和定位端(兩端均配罩螺母)
Connections with Waisted Stud - Type ZU
44 腰狀杆 雙頭螺柱 GP 型 [德标]
DIN 2510-4 (GP) - 1971
腰狀杆 雙頭螺柱 GP 型
Connections with Double End Studs - Type GP
45 腰狀杆 雙頭螺柱 GQ 型 [德标]
DIN 2510-4 (GQ) - 1971
腰狀杆 雙頭螺柱 GQ 型
Connections with Double End Studs - Type GQ
46 腰狀杆 雙頭螺柱 GR 型 [德标]
DIN 2510-4 (GR) - 1971
腰狀杆 雙頭螺柱 GR 型
Connections with Double End Studs - Type GR
47 腰狀杆 雙頭螺柱 GS 型 [德标]
DIN 2510-4 (GS) - 1971
腰狀杆 雙頭螺柱 GS 型
Connections with Double End Studs - Type GS
48 腰狀杆 雙頭螺柱 HP 型 [德标]
DIN 2510-4 (HP) - 1971
腰狀杆 雙頭螺柱 HP 型
Connections with Double End Studs - Type HP
49 腰狀杆 雙頭螺柱 HQ 型 [德标]
DIN 2510-4 (HQ) - 1971
腰狀杆 雙頭螺柱 HQ 型
Connections with Double End Studs - Type HQ
50 腰狀杆 雙頭螺柱 HR 型 [德标]
DIN 2510-4 (HR) - 1971
腰狀杆 雙頭螺柱 HR 型
Connections with Double End Studs - Type HR
51 腰狀杆 雙頭螺柱 HS 型 [德标]
DIN 2510-4 (HS) - 1971
腰狀杆 雙頭螺柱 HS 型
Connections with Double End Studs - Type HS
52 雙頭螺柱 [日标]
JIS B 1173 - 2010
雙頭螺柱
Studs
供應商(2)
53 雙頭栓 [日标]
JIS B 1173 - 1995
雙頭栓
Double Studs
供應商(2)
54 地腳用雙頭栓 ABR型 (滾軋螺紋) [日标]
JIS B 1220 (ABR) - 2015
地腳用雙頭栓 ABR型 (滾軋螺紋)
Set of Anchor Bolt with Rolled Threads for Structures - ABR
55 地腳用雙頭栓 ABM型 (切削螺紋) [日标]
JIS B 1220 (ABM) - 2015
地腳用雙頭栓 ABM型 (切削螺紋)
Set of Anchor Bolt with Cut Threads for Structures - ABM
56 地腳用雙頭栓(滾軋螺紋) [日标]
JIS B 1220 - 2010
地腳用雙頭栓(滾軋螺紋)
Set of Anchor Bolt with Rolled Threads for Structures
57 雙頭螺栓 碳鋼和熱浸鍍鋅碳鋼 Table A.7 [日标]
JIS A 5540 - 2008
雙頭螺栓 碳鋼和熱浸鍍鋅碳鋼 Table A.7
Double-end Dtud Bolt, Carbon Steel and Hot-clip Zinc Coated Carbon Steel
58 不鏽鋼雙頭螺栓 Table A.10 [日标]
JIS A 5540 - 2008
不鏽鋼雙頭螺栓 Table A.10
Stainless Steel Double-end Stud Bolt
59 建築用軋鋼制花蘭螺杆 - 雙頭螺杆 [日标]
JIS A 5542 (A3) - 2003
建築用軋鋼制花蘭螺杆 - 雙頭螺杆
Bolts of Turnbuckle for Building Made of Rolling Steel - Double Ended Stud
60 雙頭螺柱b1=1.25d [兩端粗牙] [汽标代号]
Q 120
雙頭螺柱b1=1.25d [兩端粗牙]
Double End Studs, bm=1.25d
供應商(1)
61 雙頭螺柱 b1=1.25d [一端粗牙,一端細牙] [汽标代号]
Q 121
雙頭螺柱 b1=1.25d [一端粗牙,一端細牙]
Double End Studs, b1=1.25d
供應商(1)
62 雙頭螺柱 b1=1.25d [兩端粗牙,細杆] [汽标代号]
Q 124
雙頭螺柱 b1=1.25d [兩端粗牙,細杆]
Double End Studs, b1=1.25d
供應商(1)
63 雙頭螺柱 b1=1.25d [一端粗牙,一端較細牙] [汽标代号]
Q 121B
雙頭螺柱 b1=1.25d [一端粗牙,一端較細牙]
Double End Studs, b1=1.25d
64 雙頭螺柱 b1=1.25d [一端過渡配合螺紋,一端細牙] [汽标代号]
Q 123
雙頭螺柱 b1=1.25d [一端過渡配合螺紋,一端細牙]
Double End Studs, b1=1.25d
65 雙頭螺柱 bm=1.25d [一端過渡配合螺紋,一端較細牙] [汽标代号]
Q 123B
雙頭螺柱 bm=1.25d [一端過渡配合螺紋,一端較細牙]
Double End Studs, bm=1.25d
66 雙頭螺柱 b1=1.25d [兩端細牙,細杆] [汽标代号]
Q 125
雙頭螺柱 b1=1.25d [兩端細牙,細杆]
Double End Studs, b1=1.25d
67 雙頭螺柱 bm=1.5d [兩端粗牙] [汽标代号]
Q 126
雙頭螺柱 bm=1.5d [兩端粗牙]
Double End Studs, bm=1.5d
68 雙頭螺柱 bm=1.5d [一端粗牙,一端細牙] [汽标代号]
Q 127
雙頭螺柱 bm=1.5d [一端粗牙,一端細牙]
Double End Studs, bm=1.5d
69 雙頭螺柱 bm=1.5d [一端粗牙,一端較細牙] [汽标代号]
Q 127B
雙頭螺柱 bm=1.5d [一端粗牙,一端較細牙]
Double End Studs, bm=1.5d
70 細杆等長雙頭栓 [汽标代号]
Q 128
細杆等長雙頭栓
Double End Studs
71 雙頭螺柱 bm=2d [汽标代号]
Q 129
雙頭螺柱 bm=2d
Double End Studs bm=2d
72 雙頭螺柱 [汽标代号]
Q 129B
雙頭螺柱
Double End Studs
73 軸肩式雙頭螺柱 [汽标代号]
Q 130
軸肩式雙頭螺柱
Bolt with Double End
74 B級 M56~M100 雙頭螺柱  b1=1d [機械行業]
JB /ZQ 4324 - 2006
B級 M56~M100 雙頭螺柱 b1=1d
Double End Studs, b1=1d
供應商(2)
75 等長雙頭螺栓 [機械行業]
JB /T 4707 - 2000
等長雙頭螺栓
Double End Bolts
供應商(6)
76 雙頭螺栓 [機械行業]
JB /T 8007.4 - 1999
雙頭螺栓
Double End Bolts
供應商(2)
77 B級 M56~M100 雙頭螺柱b1=1d [機械行業]
JB /ZQ 4324 - 1997
B級 M56~M100 雙頭螺柱b1=1d
Double End Studs, b1=1d
供應商(2)
78 PN16~32MPa 雙頭螺柱 [機械行業]
JB /T 2773 - 1992
PN16~32MPa 雙頭螺柱
PN16~32MPa Double End Studs
供應商(1)
79 PN16~32MPa 階端雙頭螺柱 [機械行業]
JB /T 2774 - 1992
PN16~32MPa 階端雙頭螺柱

供應商(1)
80 PN2500超高壓閥門和管件 第14部分:雙頭螺柱 [機械行業]
JB /T 1308.14 - 2011
PN2500超高壓閥門和管件 第14部分:雙頭螺柱
PN2500 Ultrahigh Pressure Values and Fittings - Part 14 : Studs Bolts
81 PN2500 階端雙頭螺柱 [機械行業]
JB /T 1308.15 - 2011
PN2500 階端雙頭螺柱
PN2500 Ultrahigh Pressure Valves and Fittings, Bolts at Boss,
82 雙頭螺柱, b1=1.25d [機械行業]
JB /ZQ 4325 - 2006
雙頭螺柱, b1=1.25d
Double End Studs ,b1=1.25d
83 動負荷預應力螺柱 [機械行業]
JB /ZQ 4327 - 2006
動負荷預應力螺柱
Dynamic Load Prestressed Studs
84 PN 250MPa 雙頭螺柱 [機械行業]
JB /T 1308.14 - 1999
PN 250MPa 雙頭螺柱
Double End Studs, PN 250MPa
85 PN 250MPa 階端雙頭螺柱 [機械行業]
JB /T 1308.15 - 1999
PN 250MPa 階端雙頭螺柱
Stud Bolts at Boss, PN 250MPa
86 雙頭螺栓, bm=1d [意大利]
UNI 5909 - 1993
雙頭螺栓, bm=1d
Double End Studs, bm=1d
供應商(1)
87 雙頭螺柱  (b1=1.5d) [意大利]
UNI 5911 - 1993
雙頭螺柱 (b1=1.5d)
Medium End Studs (b1=1.5d)-ISO Metric Coarse Thread - Product Grade A
供應商(2)
88 雙頭螺栓 bm=1d [意大利]
UNI 5909 - 1966
雙頭螺栓 bm=1d
Double End Studs, bm=1d
供應商(1)
89 雙頭螺柱 [意大利]
UNI 5911 - 1966
雙頭螺柱
Medium End Studs -ISO Metric Coarse Thread - Product Grade A
供應商(2)
90 雙頭螺柱 [意大利]
UNI 5914 - 1966
雙頭螺柱
Long Metal End Studs - ISO Metric Coarse Thread - Finiah A
91 雙頭螺柱b1=1.5d [法國]
NF E 25-135 - 1986
雙頭螺柱b1=1.5d
Studs - Product A and B b1=1.5d
供應商(1)
92 雙頭螺柱 (b1=1d, 1.25d 或 2d) [法國]
NF E 25-135 - 1986
雙頭螺柱 (b1=1d, 1.25d 或 2d)
Studs - Product A and B (b1=1d, 1.25d 或 2d)
93 等長雙頭栓 [化工]
HG /T 20613 (GB901) - 2009
等長雙頭栓
Double End Studs with Equal Length
供應商(7)
94 BT型雙頭螺柱 [化工]
HG /T 21573.2 (BT) - 1995
BT型雙頭螺柱
Double End Studs-BT
供應商(1)
95 高壓合成系統用 PN 320 擰入用螺柱 [化工]
HG /T 20256 - 2016
高壓合成系統用 PN 320 擰入用螺柱

96 高壓合成系統用 PN 260 管道用螺柱 [化工]
HG /T 20256 - 2016
高壓合成系統用 PN 260 管道用螺柱

97 高壓合成系統用 PN 220 擰入用螺柱 [化工]
HG /T 20256 - 2016
高壓合成系統用 PN 220 擰入用螺柱

98 高壓合成系統用 PN 160 擰入用螺柱 [化工]
HG /T 20256 - 2016
高壓合成系統用 PN 160 擰入用螺柱

99 尿素裝置用 PN 220 擰入用螺柱 [化工]
HG /T 20256 - 2016
尿素裝置用 PN 220 擰入用螺柱

100 高壓合成系統用 PN 320 管道用螺柱 [化工]
HG /T 20256 - 2016
高壓合成系統用 PN 320 管道用螺柱

标準編号: JB /ZQ 4327 - 1997
中文名稱: 動負荷預應力螺柱
英文名稱: Dynamic Load Prestressed Studs
數據來源: 易緊通 (164580.com)
Standard Code: JB /ZQ 4327 - 1997Chinese Name: 動負荷預應力螺柱English Name: Dynamic Load Prestressed StudsSource: https://www.164580.com/info_97223.html
Data Source: YJT Fastener Database (164580.com)
Standard: JB /ZQ 4327 - 1997
URL: https://www.164580.com/info_97223.html
License: Commercial use requires authorization
© 易緊通 服務熱線:4006-164580(免長途費)