index
logo

PN16~32MPa 雙頭螺柱 JB /T 2773 - 1992

查看供應商

選擇規格尺寸 點擊↓

M14

M16

M20

M24

M27

M30

M33

M36

M39

M45

M56


尺寸單位: mm
機械行業JB /T2773 - 1992 JB2773 2773JB PN16~32MPa 雙頭螺柱
JB /T 2773 - 1992 PN16~32MPa 雙頭螺柱
掃一掃分享
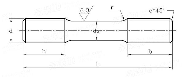
螺紋規格
d
M14 M16 M20 M24 M27 M30 M33 M36 M39 M45 M56
P 螺距
b
ds
r
c
2 2 2.5 3 3 3.5 3.5 4 4 4.5 5.5
28 32 36 45 48 52 60 62 65 75 95
11 13 16.4 19.5 22.5 25 28 30 33 38 48
6 6 8 8 8 10 10 10 12 12 14
1.5 1.5 2 2 2 2.5 2.5 3 3 3 4
①,雙頭螺柱長度L為65~450mm
②,M - 6g

技術條件和引用标準

鋼号
标準号
備注
σb(MPa )
σbS(MPa)
δ(% )
ψ(% )
ak(N・m/cm2)
HB
-
35 40 40MnVB 35CrMoA
GB 699 GD 3077
≤M24 僅适用于PM16.0 MPa - -
- ≥580 ≥900 ≥800
- ≥340 ≥750 ≥600
- ≥19 ≥15 ≥15
- ≥45 ≥45 ≥50
- ≥60 ≥80 ≥80
- 207~240 250~302 214~286
*螺紋尺寸按 GB 196 的規定, 其公差按 GB 197 的規定。
*雙頭螺柱應進行化學處理, 以防大氣腐蝕。
*雙頭螺柱的磁粉探傷應符合 JB/T 450 的規定。
*雙頭螺柱的包裝與标志應符合 GB 90 的規定。
注:技術數據僅供參考,請以官方原件為準!
告訴我在“易緊通”看到,将給您優惠
聯系人:周總 點擊這裏給我發消息37694926   移動電話: 13868606602     電話:0577-66995877     微信号:13868606602
材質:304L、316L、316Ti、317L、310S(2520)、F904L(N08904)、Aloy20(F20/N08020)、N08367(AL-6XN)、410(1Cr13)、431(1Cr17Ni2)、S31803(F51)、S32205(F60)、S32750(F53/2507)、S32760(F55/ZERON100)、S17400(630/17-4PH)、S17700(631/17-7PH)、B8、B8CL2、B8A(F304)、B8M、B8MCL2、B8MA(F316)、B8T、B8TA(F321)、B8C、B8CA(F347)、B8R、B8RA(XM-19/Nitronic50)、B8MLCuN、B8MLCUNA(S31254/F44)、B8S(S21800/Nitronic60)、B6(410);ASTM F467/F468:HB(N10001)、HC-276(N10276)、Monel400(N04400)、Monel K500(N05500)、Inconel625(N06625)、Titanium Gr2(R50400)、TitaniumTC4/Ti-6A1-4V(R56401)、A2-50/70/80、A3-50/70/80、A4-50/70/80、A8-50/70/80、F1-45/60、C1-50/70/80、C3-80、D6-70/80/100、D8-70/80/100;英科鎳爾(Inconel)系列600(N06600)、601(N06601)、625(N06626)、718(N07718)、725(N07725)、X-750(N07750);因科洛伊(Incoloy)系列800(N08800)、800H(N08810)、800HT(N08811)、825(N08825)、925(N09925)、926(N08926/1.4529);哈氏合金(Hastelloy)H-B、H-C、H-G、H-X系列;不鏽鋼、合金鋼、鎳基合金、高溫合金、耐蝕合金、特殊合金鋼、钛合金、銅合金、鋁合金等;規格:公制M8-M72,米制3/8-16UNC~2-3/4-8UN;
類似标準及供貨信息
1 管法蘭連接用等長雙頭螺柱 PN系列 [國标]
GB /T 9125.1 - 2020
管法蘭連接用等長雙頭螺柱 PN系列
Double End Studs for Pipe Flange Connection - PN Designated
供應商(3)
2 管法蘭連接用B級等長雙頭螺柱(商品緊固件) [國标]
GB /T 9125 - 2010
管法蘭連接用B級等長雙頭螺柱(商品緊固件)
Double End Studs - Product Grade B for Pipe Flange Connection
供應商(3)
3 管法蘭連接用等長雙頭螺柱(專用緊固件) [國标]
GB /T 9125 - 2010
管法蘭連接用等長雙頭螺柱(專用緊固件)
Double End Studs for Pipe Flange Connection
供應商(3)
4 管法蘭連接用等長雙頭螺柱 [國标]
GB /T 9125 - 2003
管法蘭連接用等長雙頭螺柱
Double End Studs for Pipe Flange Connection
供應商(3)
5 雙頭螺柱 bm=1d [國标]
GB /T 897 - 1988
雙頭螺柱 bm=1d
Double End Studs, bm=1d
供應商(10)
6 雙頭螺柱 bm=1.25d [國标]
GB /T 898 - 1988
雙頭螺柱 bm=1.25d
Double End Studs-bm=1.25d
供應商(12)
7 雙頭螺柱 b1=1.5d [國标]
GB /T 899 - 1988
雙頭螺柱 b1=1.5d
Double End Studs b1=1.5d
供應商(11)
8 雙頭螺柱 bm=2d [國标]
GB /T 900 - 1988
雙頭螺柱 bm=2d
Double End Studs-bm=2d
供應商(7)
9 等長雙頭螺柱 B級 [國标]
GB /T 901 - 1988
等長雙頭螺柱 B級
Double End Studs (Clamping Type) - Product Grade B
供應商(18)
10 C級等長雙頭螺柱 [國标]
GB /T 953 - 1988
C級等長雙頭螺柱
Double End Studs(Clamping Type) - Product Grade C
供應商(3)
11 雙頭螺紋吊杆 [國标]
GB /T 17116.3 - 2018
雙頭螺紋吊杆

12 腰狀杆螺柱連接副 L 型一一标準螺紋(d≤52) [國标]
GB /T 13807.2 (L) - 2008
腰狀杆螺柱連接副 L 型一一标準螺紋(d≤52)
Connections with Waisted Stud - Type L
13 腰狀杆螺柱連接副 SD 型一一短螺紋和定位端(兩端均配罩螺母) [國标]
GB /T 13807.2 (SD) - 2008
腰狀杆螺柱連接副 SD 型一一短螺紋和定位端(兩端均配罩螺母)
Connections with Waisted Stud - Type SD
14 腰狀杆螺柱連接副 A 型——加長螺紋 [國标]
GB /T 13807.2 (A) - 2008
腰狀杆螺柱連接副 A 型——加長螺紋
Connections with Waisted Stud - Type A
15 腰狀杆螺柱連接副 AD 型一一加長螺紋和定位端(兩端均配罩螺母) [國标]
GB /T 13807.2 (AD) - 2008
腰狀杆螺柱連接副 AD 型一一加長螺紋和定位端(兩端均配罩螺母)
Connections with Waisted Stud - Type AD
16 腰狀杆螺柱連接副 S 型——短螺紋 [國标]
GB /T 13807.2 (S) - 2008
腰狀杆螺柱連接副 S 型——短螺紋
Connections with Waisted Stud - Type S
17 腰狀杆螺柱連接副 螺柱 S 型——短螺紋 [國标]
GB /T 13807.2 - 1992
腰狀杆螺柱連接副 螺柱 S 型——短螺紋
Connections With Waisted Stud-Studs - Type S
18 等長雙頭螺柱 [美标]
IFI 136 (stud) - 2006
等長雙頭螺柱
Double End Studs
供應商(2)
19 米制等長雙頭栓 [美标]
IFI 528 - 1999
米制等長雙頭栓
Metric Double End Studs
供應商(1)
20 雙頭螺柱 b1≈2d [德标]
DIN 835 - 2025
雙頭螺柱 b1≈2d
Studs - Metal End ≈ 2 d
供應商(4)
21 粗杆雙頭栓 b1=1.25d [德标]
DIN 939 - 2025
粗杆雙頭栓 b1=1.25d
Studs Metal end ≈ 1,25 d
供應商(11)
22 雙頭栓 [德标]
DIN 2509 - 2016
雙頭栓
Double End Studs
供應商(2)
23 粗杆雙頭栓 b1=1d [德标]
DIN 938 - 2012
粗杆雙頭栓 b1=1d
Studs - Metal End ≈ 1 d
供應商(11)
24 雙頭螺柱b1≈2d [德标]
DIN 835 - 2010
雙頭螺柱b1≈2d
Studs - Metal End ≈ 2 d
供應商(4)
25 雙頭螺柱b1=2.5d [德标]
DIN 940 - 2010
雙頭螺柱b1=2.5d
Studs with a Length of Engagement Equal to About 2.5d
供應商(5)
26 帶孔錐端雙頭栓(專用地腳螺栓) [德标]
DIN 797 - 2009
帶孔錐端雙頭栓(專用地腳螺栓)
Special Foundation Bolts
供應商(1)
27 T形螺母用雙頭螺柱 [德标]
DIN 6379 - 2003
T形螺母用雙頭螺柱
Studs for Use with T-Nuts
供應商(2)
28 雙頭螺柱 b1 ≈ 2d [德标]
DIN 835 - 1995
雙頭螺柱 b1 ≈ 2d
Stude Threaded End ≈2d
供應商(4)
29 粗杆雙頭栓 b1=1d [德标]
DIN 938 - 1995
粗杆雙頭栓 b1=1d
Studs with A Length of Engagement Equal to About 1d
供應商(11)
30 粗杆雙頭栓 b1=1.25d [德标]
DIN 939 - 1995
粗杆雙頭栓 b1=1.25d
Studs - Metal end ≈ 1,25 d
供應商(11)
31 粗杆雙頭栓 [德标]
DIN 940 - 1995
粗杆雙頭栓
Studs - Metal End ≈ 2.5d
供應商(5)
32 過盈配合螺紋雙頭栓 b≈2d (A型) [德标]
DIN 949-1 - 1995
過盈配合螺紋雙頭栓 b≈2d (A型)
Studs with Metric Interference Thread MFS - Part 1: Lengths of Engagement ≈ 2 d (Type A)
供應商(1)
33 過盈配合螺紋雙頭栓 b≈2.5d (B型) [德标]
DIN 949-2 - 1995
過盈配合螺紋雙頭栓 b≈2.5d (B型)
Studs with Metric Interference Thread MFS - Part 2: Lengths of Engagement ≈ 2.5 d (Type B)
供應商(1)
34 雙頭栓 [德标]
DIN 2509 - 1986
雙頭栓
Double End Studs
供應商(2)
35 b1=2.5d粗杆雙頭栓 [德标]
DIN 940 - 1983
b1=2.5d粗杆雙頭栓
Studs with a Length of Engagement Equal to About 2.5d
供應商(5)
36 雙頭螺柱b1≈2d [德标]
DIN 835 - 1972
雙頭螺柱b1≈2d
Stude Threaded End ≈2d
供應商(4)
37 腰狀杆螺柱連接副 L 型——标準螺紋(d≤52) [德标]
DIN 2510-3 (L) - 1971
腰狀杆螺柱連接副 L 型——标準螺紋(d≤52)
Connections with Waisted Stud - Type L
供應商(1)
38 帶孔錐端雙頭栓(專用地腳螺栓) [德标]
DIN 797 - 1970
帶孔錐端雙頭栓(專用地腳螺栓)
Special Foundation Bolts
供應商(1)
39 T形螺母用雙頭螺柱 (b1長螺紋) [德标]
DIN 6379 - 2003
T形螺母用雙頭螺柱 (b1長螺紋)
Studs for Use with T-Nuts ( Long b1 )
40 腰狀杆螺柱連接副 K 型——短螺紋 [德标]
DIN 2510-3 (K) - 1971
腰狀杆螺柱連接副 K 型——短螺紋
Connections with Waisted Stud - Type K
41 腰狀杆螺柱連接副 KU 型一一短螺紋和定位端(兩端均配罩螺母) [德标]
DIN 2510-3 (KU) - 1971
腰狀杆螺柱連接副 KU 型一一短螺紋和定位端(兩端均配罩螺母)
Connections with Waisted Stud - Type KU
42 腰狀杆螺柱連接副 Z 型——加長螺紋 [德标]
DIN 2510-3 (Z) - 1971
腰狀杆螺柱連接副 Z 型——加長螺紋
Connections with Waisted Stud - Type Z
43 腰狀杆螺柱連接副 ZU 型一一加長螺紋和定位端(兩端均配罩螺母) [德标]
DIN 2510-3 (ZU) - 1971
腰狀杆螺柱連接副 ZU 型一一加長螺紋和定位端(兩端均配罩螺母)
Connections with Waisted Stud - Type ZU
44 腰狀杆 雙頭螺柱 GP 型 [德标]
DIN 2510-4 (GP) - 1971
腰狀杆 雙頭螺柱 GP 型
Connections with Double End Studs - Type GP
45 腰狀杆 雙頭螺柱 GQ 型 [德标]
DIN 2510-4 (GQ) - 1971
腰狀杆 雙頭螺柱 GQ 型
Connections with Double End Studs - Type GQ
46 腰狀杆 雙頭螺柱 GR 型 [德标]
DIN 2510-4 (GR) - 1971
腰狀杆 雙頭螺柱 GR 型
Connections with Double End Studs - Type GR
47 腰狀杆 雙頭螺柱 GS 型 [德标]
DIN 2510-4 (GS) - 1971
腰狀杆 雙頭螺柱 GS 型
Connections with Double End Studs - Type GS
48 腰狀杆 雙頭螺柱 HP 型 [德标]
DIN 2510-4 (HP) - 1971
腰狀杆 雙頭螺柱 HP 型
Connections with Double End Studs - Type HP
49 腰狀杆 雙頭螺柱 HQ 型 [德标]
DIN 2510-4 (HQ) - 1971
腰狀杆 雙頭螺柱 HQ 型
Connections with Double End Studs - Type HQ
50 腰狀杆 雙頭螺柱 HR 型 [德标]
DIN 2510-4 (HR) - 1971
腰狀杆 雙頭螺柱 HR 型
Connections with Double End Studs - Type HR
51 腰狀杆 雙頭螺柱 HS 型 [德标]
DIN 2510-4 (HS) - 1971
腰狀杆 雙頭螺柱 HS 型
Connections with Double End Studs - Type HS
52 雙頭螺柱 [日标]
JIS B 1173 - 2010
雙頭螺柱
Studs
供應商(2)
53 雙頭栓 [日标]
JIS B 1173 - 1995
雙頭栓
Double Studs
供應商(2)
54 地腳用雙頭栓 ABR型 (滾軋螺紋) [日标]
JIS B 1220 (ABR) - 2015
地腳用雙頭栓 ABR型 (滾軋螺紋)
Set of Anchor Bolt with Rolled Threads for Structures - ABR
55 地腳用雙頭栓 ABM型 (切削螺紋) [日标]
JIS B 1220 (ABM) - 2015
地腳用雙頭栓 ABM型 (切削螺紋)
Set of Anchor Bolt with Cut Threads for Structures - ABM
56 地腳用雙頭栓(滾軋螺紋) [日标]
JIS B 1220 - 2010
地腳用雙頭栓(滾軋螺紋)
Set of Anchor Bolt with Rolled Threads for Structures
57 雙頭螺栓 碳鋼和熱浸鍍鋅碳鋼 Table A.7 [日标]
JIS A 5540 - 2008
雙頭螺栓 碳鋼和熱浸鍍鋅碳鋼 Table A.7
Double-end Dtud Bolt, Carbon Steel and Hot-clip Zinc Coated Carbon Steel
58 不鏽鋼雙頭螺栓 Table A.10 [日标]
JIS A 5540 - 2008
不鏽鋼雙頭螺栓 Table A.10
Stainless Steel Double-end Stud Bolt
59 建築用軋鋼制花蘭螺杆 - 雙頭螺杆 [日标]
JIS A 5542 (A3) - 2003
建築用軋鋼制花蘭螺杆 - 雙頭螺杆
Bolts of Turnbuckle for Building Made of Rolling Steel - Double Ended Stud
60 雙頭螺柱b1=1.25d [兩端粗牙] [汽标代号]
Q 120
雙頭螺柱b1=1.25d [兩端粗牙]
Double End Studs, bm=1.25d
供應商(1)
61 雙頭螺柱 b1=1.25d [一端粗牙,一端細牙] [汽标代号]
Q 121
雙頭螺柱 b1=1.25d [一端粗牙,一端細牙]
Double End Studs, b1=1.25d
供應商(1)
62 雙頭螺柱 b1=1.25d [兩端粗牙,細杆] [汽标代号]
Q 124
雙頭螺柱 b1=1.25d [兩端粗牙,細杆]
Double End Studs, b1=1.25d
供應商(1)
63 雙頭螺柱 b1=1.25d [一端粗牙,一端較細牙] [汽标代号]
Q 121B
雙頭螺柱 b1=1.25d [一端粗牙,一端較細牙]
Double End Studs, b1=1.25d
64 雙頭螺柱 b1=1.25d [一端過渡配合螺紋,一端細牙] [汽标代号]
Q 123
雙頭螺柱 b1=1.25d [一端過渡配合螺紋,一端細牙]
Double End Studs, b1=1.25d
65 雙頭螺柱 bm=1.25d [一端過渡配合螺紋,一端較細牙] [汽标代号]
Q 123B
雙頭螺柱 bm=1.25d [一端過渡配合螺紋,一端較細牙]
Double End Studs, bm=1.25d
66 雙頭螺柱 b1=1.25d [兩端細牙,細杆] [汽标代号]
Q 125
雙頭螺柱 b1=1.25d [兩端細牙,細杆]
Double End Studs, b1=1.25d
67 雙頭螺柱 bm=1.5d [兩端粗牙] [汽标代号]
Q 126
雙頭螺柱 bm=1.5d [兩端粗牙]
Double End Studs, bm=1.5d
68 雙頭螺柱 bm=1.5d [一端粗牙,一端細牙] [汽标代号]
Q 127
雙頭螺柱 bm=1.5d [一端粗牙,一端細牙]
Double End Studs, bm=1.5d
69 雙頭螺柱 bm=1.5d [一端粗牙,一端較細牙] [汽标代号]
Q 127B
雙頭螺柱 bm=1.5d [一端粗牙,一端較細牙]
Double End Studs, bm=1.5d
70 細杆等長雙頭栓 [汽标代号]
Q 128
細杆等長雙頭栓
Double End Studs
71 雙頭螺柱 bm=2d [汽标代号]
Q 129
雙頭螺柱 bm=2d
Double End Studs bm=2d
72 雙頭螺柱 [汽标代号]
Q 129B
雙頭螺柱
Double End Studs
73 軸肩式雙頭螺柱 [汽标代号]
Q 130
軸肩式雙頭螺柱
Bolt with Double End
74 B級 M56~M100 雙頭螺柱  b1=1d [機械行業]
JB /ZQ 4324 - 2006
B級 M56~M100 雙頭螺柱 b1=1d
Double End Studs, b1=1d
供應商(2)
75 等長雙頭螺栓 [機械行業]
JB /T 4707 - 2000
等長雙頭螺栓
Double End Bolts
供應商(6)
76 雙頭螺栓 [機械行業]
JB /T 8007.4 - 1999
雙頭螺栓
Double End Bolts
供應商(2)
77 B級 M56~M100 雙頭螺柱b1=1d [機械行業]
JB /ZQ 4324 - 1997
B級 M56~M100 雙頭螺柱b1=1d
Double End Studs, b1=1d
供應商(2)
78 PN16~32MPa 階端雙頭螺柱 [機械行業]
JB /T 2774 - 1992
PN16~32MPa 階端雙頭螺柱

供應商(1)
79 PN2500超高壓閥門和管件 第14部分:雙頭螺柱 [機械行業]
JB /T 1308.14 - 2011
PN2500超高壓閥門和管件 第14部分:雙頭螺柱
PN2500 Ultrahigh Pressure Values and Fittings - Part 14 : Studs Bolts
80 PN2500 階端雙頭螺柱 [機械行業]
JB /T 1308.15 - 2011
PN2500 階端雙頭螺柱
PN2500 Ultrahigh Pressure Valves and Fittings, Bolts at Boss,
81 雙頭螺柱, b1=1.25d [機械行業]
JB /ZQ 4325 - 2006
雙頭螺柱, b1=1.25d
Double End Studs ,b1=1.25d
82 動負荷預應力螺柱 [機械行業]
JB /ZQ 4327 - 2006
動負荷預應力螺柱
Dynamic Load Prestressed Studs
83 PN 250MPa 雙頭螺柱 [機械行業]
JB /T 1308.14 - 1999
PN 250MPa 雙頭螺柱
Double End Studs, PN 250MPa
84 PN 250MPa 階端雙頭螺柱 [機械行業]
JB /T 1308.15 - 1999
PN 250MPa 階端雙頭螺柱
Stud Bolts at Boss, PN 250MPa
85 動負荷預應力螺柱 [機械行業]
JB /ZQ 4327 - 1997
動負荷預應力螺柱
Dynamic Load Prestressed Studs
86 雙頭螺栓, bm=1d [意大利]
UNI 5909 - 1993
雙頭螺栓, bm=1d
Double End Studs, bm=1d
供應商(1)
87 雙頭螺柱  (b1=1.5d) [意大利]
UNI 5911 - 1993
雙頭螺柱 (b1=1.5d)
Medium End Studs (b1=1.5d)-ISO Metric Coarse Thread - Product Grade A
供應商(2)
88 雙頭螺栓 bm=1d [意大利]
UNI 5909 - 1966
雙頭螺栓 bm=1d
Double End Studs, bm=1d
供應商(1)
89 雙頭螺柱 [意大利]
UNI 5911 - 1966
雙頭螺柱
Medium End Studs -ISO Metric Coarse Thread - Product Grade A
供應商(2)
90 雙頭螺柱 [意大利]
UNI 5914 - 1966
雙頭螺柱
Long Metal End Studs - ISO Metric Coarse Thread - Finiah A
91 雙頭螺柱b1=1.5d [法國]
NF E 25-135 - 1986
雙頭螺柱b1=1.5d
Studs - Product A and B b1=1.5d
供應商(1)
92 雙頭螺柱 (b1=1d, 1.25d 或 2d) [法國]
NF E 25-135 - 1986
雙頭螺柱 (b1=1d, 1.25d 或 2d)
Studs - Product A and B (b1=1d, 1.25d 或 2d)
93 等長雙頭栓 [化工]
HG /T 20613 (GB901) - 2009
等長雙頭栓
Double End Studs with Equal Length
供應商(7)
94 BT型雙頭螺柱 [化工]
HG /T 21573.2 (BT) - 1995
BT型雙頭螺柱
Double End Studs-BT
供應商(1)
95 高壓合成系統用 PN 320 擰入用螺柱 [化工]
HG /T 20256 - 2016
高壓合成系統用 PN 320 擰入用螺柱

96 高壓合成系統用 PN 260 管道用螺柱 [化工]
HG /T 20256 - 2016
高壓合成系統用 PN 260 管道用螺柱

97 高壓合成系統用 PN 220 擰入用螺柱 [化工]
HG /T 20256 - 2016
高壓合成系統用 PN 220 擰入用螺柱

98 高壓合成系統用 PN 160 擰入用螺柱 [化工]
HG /T 20256 - 2016
高壓合成系統用 PN 160 擰入用螺柱

99 尿素裝置用 PN 220 擰入用螺柱 [化工]
HG /T 20256 - 2016
尿素裝置用 PN 220 擰入用螺柱

100 高壓合成系統用 PN 320 管道用螺柱 [化工]
HG /T 20256 - 2016
高壓合成系統用 PN 320 管道用螺柱

标準編号: JB /T 2773 - 1992
中文名稱: PN16~32MPa 雙頭螺柱
英文名稱: PN16~32MPa Double End Studs
數據來源: 易緊通 (164580.com)
Standard Code: JB /T 2773 - 1992Chinese Name: PN16~32MPa 雙頭螺柱English Name: PN16~32MPa Double End StudsSource: https://www.164580.com/info_27319.html
Data Source: YJT Fastener Database (164580.com)
Standard: JB /T 2773 - 1992
URL: https://www.164580.com/info_27319.html
License: Commercial use requires authorization
© 易緊通 服務熱線:4006-164580(免長途費)