index
logo

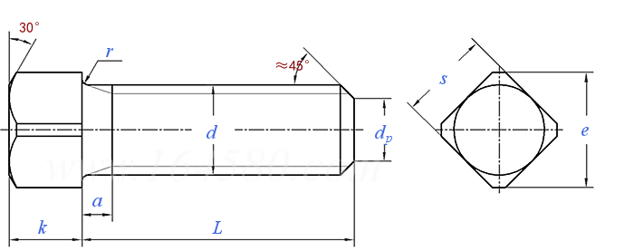
方頭平端螺釘 JIS B 1118 - 1995

選擇規格尺寸 點擊↓

M4

M5

M6

M8

M10

M12

括号内尺寸為非優選

尺寸單位: mm
日标JIS B1118 - 1995 JIS1118 1118JIS 方頭平端螺釘
JIS B 1118 - 1995 方頭平端螺釘
掃一掃分享
螺紋尺寸
d
M4 M5 M6 M8 M10 M12
P 螺距
k 公稱
最大值
最小值
s 最大值=公稱
最小值
e 最小值
dp 最大值=公稱
最小值
r 最大值
0.7 0.8 1 1.25 1.5 1.75
4 5 6 8 10 12
4.15 5.15 6.15 8.18 10.18 12.22
3.85 4.85 5.85 7.82 9.82 11.78
4 5 6 8 10 12
3.82 4.82 5.82 7.78 9.78 11.73
4.97 6.27 7.57 10.1 12.7 15.2
2.5 3.5 4 5.5 7 8.5
2.25 3.2 3.7 5.2 6.64 8.14
0.5 0.6 0.7 0.9 1.2 1.2
①, a ≈ 2P。
替代列表
注:技術數據僅供參考,請以官方原件為準!
類似标準及供貨信息
1 方頭長圓柱端緊定螺釘 [國标]
GB /T 85 - 2018
方頭長圓柱端緊定螺釘
Square Set Screws with Long Dog Point
供應商(1)
2 方頭長圓柱端緊定螺釘 [國标]
GB 85 - 1988
方頭長圓柱端緊定螺釘
Square Set Screws with Long Dog Point
供應商(1)
3 方頭長圓柱球面端緊定螺釘 [國标]
GB /T 83 - 2018
方頭長圓柱球面端緊定螺釘
Square Set Screws with Long Dog Point and Rounded End
4 方頭凹端緊定螺釘 [國标]
GB /T 84 - 2018
方頭凹端緊定螺釘
Square Set Screws with Cup Point
5 方頭短圓柱錐端緊定螺釘 [國标]
GB /T 86 - 2018
方頭短圓柱錐端緊定螺釘
Square Set Screws with Short Dog Point and Cone End
6 方頭長圓柱球面端緊定螺釘 [國标]
GB /T 83 - 1988
方頭長圓柱球面端緊定螺釘
Square Set Screws with Long Dog Point and Rounded End
7 方頭凹端緊定螺釘 [國标]
GB /T 84 - 1988
方頭凹端緊定螺釘
Square Set Screws with Cup Point
8 方頭短圓柱錐端緊定螺釘 [國标]
GB 86 - 1988
方頭短圓柱錐端緊定螺釘
Square Set Screws with Short Dog Point and Cone End
9 方頭平端緊定螺釘 [國标]
GB /T 821 - 2018
方頭平端緊定螺釘
Square Set Screws with Chamfered End
10 方頭倒角端緊定螺釘 [國标]
GB /T 821 - 1988
方頭倒角端緊定螺釘
Square Set Screws with Chamfered End
11 四方頭圓柱端緊定螺釘 [德标]
DIN 479 - 2016
四方頭圓柱端緊定螺釘
Square Head Bolts with Short Dog Point
供應商(1)
12 四方頭圓柱端緊定螺釘 [德标]
DIN 479 - 1985
四方頭圓柱端緊定螺釘
Square Head Bolts with Short Dog Point
供應商(1)
13 方頭帶墊螺栓 [德标]
DIN 478 - 2016
方頭帶墊螺栓
Square Head Bolts with Collar
14 方頭凸緣球面圓柱端螺釘 [德标]
DIN 480 - 2016
方頭凸緣球面圓柱端螺釘
Square Head Bolts with Collar and Short Dog Point with Rounded End
15 四方頭帶墊螺栓 [德标]
DIN 478 - 1985
四方頭帶墊螺栓
Square Head Bolts with Collar
16 方頭凸緣球面圓柱端螺釘 [德标]
DIN 480 - 1985
方頭凸緣球面圓柱端螺釘
Square Head Bolts with Collar and Short Dog Point with Rounded End
17 方頭凹端緊定螺釘 [日标]
JIS B 1118 - 2010
方頭凹端緊定螺釘
Square Head Set Screws with Cup Point
18 方頭長圓柱端緊定螺釘 [日标]
JIS B 1118 - 2010
方頭長圓柱端緊定螺釘
Square Head Set Screws with Long Dog Point
19 方頭截錐端螺釘 [日标]
JIS B 1118 - 2010
方頭截錐端螺釘
Square Head Set Screws with Cone Point
20 方頭平端緊定螺釘 [日标]
JIS B 1118 - 2010
方頭平端緊定螺釘
Square Head Set Screws with Flat Point
21 方頭球面端緊定螺釘 [日标]
JIS B 1118 - 2010
方頭球面端緊定螺釘
Square Head Set Screws with Round End
22 方頭長圓柱端螺釘 [日标]
JIS B 1118 - 1995
方頭長圓柱端螺釘
Square Head Screws with Long Dog Point
23 方頭截錐端螺釘 [日标]
JIS B 1118 - 1995
方頭截錐端螺釘
Square Head Screws with Cone Point
24 方頭凹端螺釘 [日标]
JIS B 1118 - 1995
方頭凹端螺釘
Square Head Screws with Cup Point
25 方頭長圓柱端緊定螺釘 [汽标代号]
Q 286
方頭長圓柱端緊定螺釘
Square Head Set Screws with Dog Point
26 方頭緊定螺釘 [Table 4] (A307, SAE J429, F468, F593) [美标]
ASME/ANSI B 18.6.2 (T4) - 1998 (R2010)
方頭緊定螺釘 [Table 4] (A307, SAE J429, F468, F593)
Square Head Set Screws [Table 4] (A307, SAE J429, F468, F593)
27 縮減方頭螺釘 A型 [意大利]
UNI 6050 (A) - 1967
縮減方頭螺釘 A型
Reduced Square Head Screw - Type A
28 縮減方頭螺釘 B型 [意大利]
UNI 6050 (B) - 1967
縮減方頭螺釘 B型
Reduced Square Head Screw - Type B
29 縮減方頭螺釘 C型 [意大利]
UNI 6050 (C) - 1967
縮減方頭螺釘 C型
Reduced Square Head Screw - Type C
30 四方頭帶墊緊定螺釘 [台灣]
CNS 4422 - 1981
四方頭帶墊緊定螺釘
Square Head Screws with Collar
31 方頭尖端緊定螺釘 [台灣]
CNS 4423 - 1981
方頭尖端緊定螺釘
Square Head Set Screws with Cone Point
32 方頭短圓柱端緊定螺釘 [台灣]
CNS 4249 - 1980
方頭短圓柱端緊定螺釘
Square Head Set Screws with Short Dog Point
33 四方頭帶介圓柱端緊定螺釘 [台灣]
CNS 4250 - 1980
四方頭帶介圓柱端緊定螺釘
Square Head Set Screws with Collar and Dog Point
34 方頭緊定螺釘 平頭 [美标]
ASME B 18.6.2 (T2-Flat) - 2020
方頭緊定螺釘 平頭
Square Head Set Screws, FLAT
35 方頭緊定螺釘 長圓柱端 [美标]
ASME B 18.6.2 (T2-Dog) - 2020
方頭緊定螺釘 長圓柱端
Square Head Set Screws, Long Dog Point
36 方頭緊定螺釘 半圓柱端 [美标]
ASME B 18.6.2 (T2-Half Dog) - 2020
方頭緊定螺釘 半圓柱端
Square Head Set Screws, Half-Dog Point
37 方頭緊定螺釘 凹端 [美标]
ASME B 18.6.2 (T2-Cup) - 2020
方頭緊定螺釘 凹端
Square Head Set Screws, Cup Point
38 方頭緊定螺釘 球面端 [美标]
ASME B 18.6.2 (T2-Oval) - 2020
方頭緊定螺釘 球面端
Square Head Set Screws, Oval Point
39 方頭緊定螺釘 錐端 [美标]
ASME B 18.6.2 (T2-Cone) - 2020
方頭緊定螺釘 錐端
Square Head Set Screws, Cone Point
标準編号: JIS B 1118 - 1995
中文名稱: 方頭平端螺釘
英文名稱: Square Head Screws with Flat Point
數據來源: 易緊通 (164580.com)
Standard Code: JIS B 1118 - 1995Chinese Name: 方頭平端螺釘English Name: Square Head Screws with Flat PointSource: https://www.164580.com/info_7803.html
Data Source: YJT Fastener Database (164580.com)
Standard: JIS B 1118 - 1995
URL: https://www.164580.com/info_7803.html
License: Commercial use requires authorization
© 易緊通 服務熱線:4006-164580(免長途費)