index
logo

方頭短圓柱錐端緊定螺釘 GB 86 - 1988

選擇規格尺寸 點擊↓

M5

M6

M8

M10

M12

M16

M20

括号内尺寸為非優選
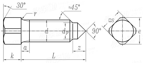
GB  86 - 1988 方頭短圓柱錐端緊定螺釘

尺寸單位: mm
國标GB 86 - 1988 GB86 86GB 方頭短圓柱錐端緊定螺釘
GB  86 - 1988 方頭短圓柱錐端緊定螺釘
掃一掃分享
千件重及價格計算 千件重 : kg x 元/kg = 元/千件
默認密度 g/cm3
公稱長度L 注:選擇後獲得 相應重量
螺紋規格
d
M5 M6 M8 M10 M12 M16 M20
P 螺距
dp 最大值
最小值
e 最小值
k 公稱
最小值
最大值
z 最大值
最小值
s 最小值
最大值
r 最小值
0.8 1 1.25 1.5 1.75 2 2.5
3.5 4 5.5 7.0 8.5 12 15
3.2 3.7 5.2 6.64 8.14 11.57 14.57
6 7.3 9.7 12.2 14.7 20.9 27.1
5 6 7 8 10 14 18
4.85 5.85 6.82 7.82 9.82 13.785 17.785
5.15 6.15 7.18 8.18 10.18 14.215 18.215
3.8 4.3 5.3 6.3 7.36 9.36 11.43
3.5 4 5 6 7 9 11
4.82 5.82 7.78 9.78 11.73 16.73 21.67
5 6 8 10 12 17 22
0.2 0.25 0.4 0.4 0.6 0.6 0.8
千件鋼制重≈kg
- - - - - - -
①,a ≤ 4P
替代列表

技術條件和引用标準

材料
不鏽鋼
螺紋 公差
标準
機械性能 等級
标準
公差 產品等級
标準
表面處理
驗收及包裝
45H級為5 g、6 g;33H級為6 g 6 g
GB 196、GB 197
33H、45H A1-50、C4-50
GB 3098.3 GB 3098.6
除表中規定外,其餘按A級
GB 3103. 1
①氧化; ②鍍鋅鈍化 GB 5267 不經處理
GB 90
注:技術數據僅供參考,請以官方原件為準!
類似标準及供貨信息
1 方頭長圓柱端緊定螺釘 [國标]
GB /T 85 - 2018
方頭長圓柱端緊定螺釘
Square Set Screws with Long Dog Point
供應商(1)
2 方頭長圓柱端緊定螺釘 [國标]
GB 85 - 1988
方頭長圓柱端緊定螺釘
Square Set Screws with Long Dog Point
供應商(1)
3 方頭平端緊定螺釘 [國标]
GB /T 821 - 2018
方頭平端緊定螺釘
Square Set Screws with Chamfered End
4 方頭長圓柱球面端緊定螺釘 [國标]
GB /T 83 - 2018
方頭長圓柱球面端緊定螺釘
Square Set Screws with Long Dog Point and Rounded End
5 方頭凹端緊定螺釘 [國标]
GB /T 84 - 2018
方頭凹端緊定螺釘
Square Set Screws with Cup Point
6 方頭短圓柱錐端緊定螺釘 [國标]
GB /T 86 - 2018
方頭短圓柱錐端緊定螺釘
Square Set Screws with Short Dog Point and Cone End
7 方頭倒角端緊定螺釘 [國标]
GB /T 821 - 1988
方頭倒角端緊定螺釘
Square Set Screws with Chamfered End
8 方頭長圓柱球面端緊定螺釘 [國标]
GB /T 83 - 1988
方頭長圓柱球面端緊定螺釘
Square Set Screws with Long Dog Point and Rounded End
9 方頭凹端緊定螺釘 [國标]
GB /T 84 - 1988
方頭凹端緊定螺釘
Square Set Screws with Cup Point
10 四方頭圓柱端緊定螺釘 [德标]
DIN 479 - 2016
四方頭圓柱端緊定螺釘
Square Head Bolts with Short Dog Point
供應商(1)
11 四方頭圓柱端緊定螺釘 [德标]
DIN 479 - 1985
四方頭圓柱端緊定螺釘
Square Head Bolts with Short Dog Point
供應商(1)
12 方頭帶墊螺栓 [德标]
DIN 478 - 2016
方頭帶墊螺栓
Square Head Bolts with Collar
13 方頭凸緣球面圓柱端螺釘 [德标]
DIN 480 - 2016
方頭凸緣球面圓柱端螺釘
Square Head Bolts with Collar and Short Dog Point with Rounded End
14 四方頭帶墊螺栓 [德标]
DIN 478 - 1985
四方頭帶墊螺栓
Square Head Bolts with Collar
15 方頭凸緣球面圓柱端螺釘 [德标]
DIN 480 - 1985
方頭凸緣球面圓柱端螺釘
Square Head Bolts with Collar and Short Dog Point with Rounded End
16 方頭凹端緊定螺釘 [日标]
JIS B 1118 - 2010
方頭凹端緊定螺釘
Square Head Set Screws with Cup Point
17 方頭長圓柱端緊定螺釘 [日标]
JIS B 1118 - 2010
方頭長圓柱端緊定螺釘
Square Head Set Screws with Long Dog Point
18 方頭截錐端螺釘 [日标]
JIS B 1118 - 2010
方頭截錐端螺釘
Square Head Set Screws with Cone Point
19 方頭平端緊定螺釘 [日标]
JIS B 1118 - 2010
方頭平端緊定螺釘
Square Head Set Screws with Flat Point
20 方頭球面端緊定螺釘 [日标]
JIS B 1118 - 2010
方頭球面端緊定螺釘
Square Head Set Screws with Round End
21 方頭長圓柱端螺釘 [日标]
JIS B 1118 - 1995
方頭長圓柱端螺釘
Square Head Screws with Long Dog Point
22 方頭截錐端螺釘 [日标]
JIS B 1118 - 1995
方頭截錐端螺釘
Square Head Screws with Cone Point
23 方頭平端螺釘 [日标]
JIS B 1118 - 1995
方頭平端螺釘
Square Head Screws with Flat Point
24 方頭凹端螺釘 [日标]
JIS B 1118 - 1995
方頭凹端螺釘
Square Head Screws with Cup Point
25 方頭長圓柱端緊定螺釘 [汽标代号]
Q 286
方頭長圓柱端緊定螺釘
Square Head Set Screws with Dog Point
26 方頭緊定螺釘 [Table 4] (A307, SAE J429, F468, F593) [美标]
ASME/ANSI B 18.6.2 (T4) - 1998 (R2010)
方頭緊定螺釘 [Table 4] (A307, SAE J429, F468, F593)
Square Head Set Screws [Table 4] (A307, SAE J429, F468, F593)
27 縮減方頭螺釘 A型 [意大利]
UNI 6050 (A) - 1967
縮減方頭螺釘 A型
Reduced Square Head Screw - Type A
28 縮減方頭螺釘 B型 [意大利]
UNI 6050 (B) - 1967
縮減方頭螺釘 B型
Reduced Square Head Screw - Type B
29 縮減方頭螺釘 C型 [意大利]
UNI 6050 (C) - 1967
縮減方頭螺釘 C型
Reduced Square Head Screw - Type C
30 四方頭帶墊緊定螺釘 [台灣]
CNS 4422 - 1981
四方頭帶墊緊定螺釘
Square Head Set Screws with Collar
31 方頭尖端緊定螺釘 [台灣]
CNS 4423 - 1981
方頭尖端緊定螺釘
Square Head Set Screws with Cone Point
32 方頭短圓柱端緊定螺釘 [台灣]
CNS 4249 - 1980
方頭短圓柱端緊定螺釘
Square Head Set Screws with Short Dog Point
33 四方頭帶介圓柱端緊定螺釘 [台灣]
CNS 4250 - 1980
四方頭帶介圓柱端緊定螺釘
Square Head Set Screws with Collar and Dog Point
34 方頭緊定螺釘 平頭 [美标]
ASME B 18.6.2 (T2-Flat) - 2020
方頭緊定螺釘 平頭
Square Head Set Screws, FLAT
35 方頭緊定螺釘 長圓柱端 [美标]
ASME B 18.6.2 (T2-Dog) - 2020
方頭緊定螺釘 長圓柱端
Square Head Set Screws, Long Dog Point
36 方頭緊定螺釘 半圓柱端 [美标]
ASME B 18.6.2 (T2-Half Dog) - 2020
方頭緊定螺釘 半圓柱端
Square Head Set Screws, Half-Dog Point
37 方頭緊定螺釘 凹端 [美标]
ASME B 18.6.2 (T2-Cup) - 2020
方頭緊定螺釘 凹端
Square Head Set Screws, Cup Point
38 方頭緊定螺釘 球面端 [美标]
ASME B 18.6.2 (T2-Oval) - 2020
方頭緊定螺釘 球面端
Square Head Set Screws, Oval Point
39 方頭緊定螺釘 錐端 [美标]
ASME B 18.6.2 (T2-Cone) - 2020
方頭緊定螺釘 錐端
Square Head Set Screws, Cone Point
© 易緊通 服務熱線:4006-164580(免長途費)