index
logo

輕型卷制彈性圓柱銷 [Table 10] JIS B 2808 (CL) - 2013

選擇規格尺寸 點擊↓

Φ1.5

Φ2

Φ2.5

Φ3

Φ3.5

Φ4

Φ5

Φ6

Φ8


尺寸單位: mm
日标JIS B2808 (CL) - 2013 JIS2808 2808JIS 輕型卷制彈性圓柱銷 [Table 10]
JIS B 2808 (CL) - 2013 輕型卷制彈性圓柱銷 [Table 10]
掃一掃分享
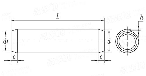
公稱直徑
d
Φ1.5 Φ2 Φ2.5 Φ3 Φ3.5 Φ4 Φ5 Φ6 Φ8
d 最大值
最小值
d1 最大值
c
h
最小剪切載荷,雙面剪,kN 碳鋼和馬氏體不鏽鋼
奧氏體不鏽鋼
1.75 2.28 2.82 3.35 3.87 4.45 5.5 6.55 8.65
1.62 2.13 2.65 3.15 3.67 4.2 5.2 6.25 8.3
1.4 1.9 2.4 2.9 3.4 3.9 4.85 5.85 7.8
0.5 0.7 0.7 0.9 1 1.1 1.3 1.5 2
0.08 0.11 0.14 0.17 0.19 0.22 0.28 0.33 0.45
0.8 1.5 2.3 3.3 4.5 5.7 9 13 23
0.65 1.1 1.8 2.5 3.4 4.4 7 10 18
替代列表
注:技術數據僅供參考,請以官方原件為準!
類似标準及供貨信息
1 重型卷制彈性圓柱銷 [國标]
GB /T 879.3 - 2018
重型卷制彈性圓柱銷
Spring-Type Straight Pins-Coiled, Heavy Duty
供應商(6)
2 标準型卷制彈性圓柱銷 [國标]
GB /T 879.4 - 2018
标準型卷制彈性圓柱銷
Spring-Type Straight Pins-Coiled, Standard Duty
供應商(7)
3 輕型卷制彈性圓柱銷 [國标]
GB /T 879.5 - 2018
輕型卷制彈性圓柱銷
Spring-Type Straight Pins-Coiled, Light Duty
供應商(3)
4 重型卷制彈性圓柱銷 [國标]
GB /T 879.3 - 2000
重型卷制彈性圓柱銷
Spring-type Straight Pins - Coiled, Heavy Duty
供應商(6)
5 标準型卷制彈性圓柱銷 [國标]
GB /T 879.4 - 2000
标準型卷制彈性圓柱銷
Spring-type Straight Pins - Coiled, Standard Duty
供應商(7)
6 輕型卷制彈性圓柱銷 [國标]
GB /T 879.5 - 2000
輕型卷制彈性圓柱銷
Spring-type Straight Pins - Coiled, Light Duty
供應商(3)
7 卷制彈性圓柱銷—标準型 [德标]
DIN 7343 - 1969
卷制彈性圓柱銷—标準型
Spring-type Parallel Pins - Coiled, Standard Duty
供應商(6)
8 重型卷制彈性圓柱銷 [德标]
DIN 7344 - 1969
重型卷制彈性圓柱銷
Spirol Pins, Heavy Duty
供應商(3)
9 重型卷制彈性圓柱銷 [國際]
ISO 8748 - 2007
重型卷制彈性圓柱銷
Spring-Type Straight Pins-Coiled, Heavy Duty
供應商(4)
10 标準型卷制彈性圓柱銷 [國際]
ISO 8750 - 2007
标準型卷制彈性圓柱銷
Spring-Type Straight Pins-Coiled,Standard Duty
供應商(5)
11 輕型卷制彈性圓柱銷 [國際]
ISO 8751 - 2007
輕型卷制彈性圓柱銷
Sping-Type Straight Pins-Coiled,Light Duty
供應商(3)
12 重型卷制彈性圓柱銷 [國際]
ISO 8748 - 1997
重型卷制彈性圓柱銷
Spring-type Straight Pins - Coiled, Heavy Duty
供應商(4)
13 标準型卷制彈性圓柱銷 [國際]
ISO 8750 - 1997
标準型卷制彈性圓柱銷
Spring-type Parallel Pins - Coiled, Standard Duty
供應商(5)
14 輕型卷制彈性圓柱銷 [國際]
ISO 8751 - 1997
輕型卷制彈性圓柱銷
Spring-type Straight Pins - Coiled, Light Duty
供應商(3)
15 标準型卷制彈性圓柱銷 [Table 9] [日标]
JIS B 2808 (CS) - 2013
标準型卷制彈性圓柱銷 [Table 9]
Spring Pins, Coiled, Standard Duty
供應商(1)
16 标準型卷制彈性圓柱銷 [Table 5] [日标]
JIS B 2808 (CS) - 2005
标準型卷制彈性圓柱銷 [Table 5]
Spring Parallel Pins, Coiled, Standard Duty
供應商(1)
17 重型卷制彈性圓柱銷 [Table 8] [日标]
JIS B 2808 (CH) - 2013
重型卷制彈性圓柱銷 [Table 8]
Spring Pins, Coiled, Heavy Duty
18 重型卷制彈性圓柱銷 [Table 4] [日标]
JIS B 2808 (CH) - 2005
重型卷制彈性圓柱銷 [Table 4]
Spring Parallel Pins - Coiled, Heavy Duty
19 輕型卷制彈性圓柱銷 [Table 6] [日标]
JIS B 2808 (CL) - 2005
輕型卷制彈性圓柱銷 [Table 6]
Spring Parallel Pins - Coiled, Light Duty
20 卷制螺旋彈性銷 [汽标代号]
Q 527
卷制螺旋彈性銷
Coiled Spring Pins
供應商(1)
21 卷制彈性圓柱銷 重型 [汽标代号]
Q 527B (heavy)
卷制彈性圓柱銷 重型
Spring-Type Straight Pins-Coiled,Heavy Duty
供應商(1)
22 卷制彈性圓柱銷  輕型 [汽标代号]
Q 527B (light)
卷制彈性圓柱銷 輕型
Spring-Type Straight Pins-Coiled,Light Duty
供應商(1)
23 卷制彈性圓柱銷 标準型 [汽标代号]
Q 527B (standard)
卷制彈性圓柱銷 标準型
Spring-Type Straight Pins-Coiled, Standard Duty
供應商(1)
24 米制 标準型 卷制彈性圓柱銷 [美标]
ASME/ANSI B 18.8.100M (B18.8.3M-S) - 2000 (R2005)
米制 标準型 卷制彈性圓柱銷
Metric Series Spring Coiled Pins, Standard Duty
供應商(4)
25 米制 輕型 卷制彈性圓柱銷 [美标]
ASME/ANSI B 18.8.100M (B18.8.3M-L) - 2000 (R2005)
米制 輕型 卷制彈性圓柱銷
Metric Coiled Spring Pins, Light Duty
供應商(1)
26 米制 重型 卷制彈性圓柱銷 [美标]
ASME/ANSI B 18.8.100M (B18.8.3M-H) - 2000 (R2005)
米制 重型 卷制彈性圓柱銷
Metric Spring Coiled Pins, Heavy Duty
供應商(1)
27 米制 标準型 卷制彈性圓柱銷 [美标]
ASME/ANSI B 18.8.3M (S) - 1995
米制 标準型 卷制彈性圓柱銷
Spring-type Parallel Pins - Metric, Coiled, Standard Duty
供應商(4)
28 米制 輕型 卷制彈性圓柱銷 [美标]
ASME/ANSI B 18.8.3M (L) - 1995
米制 輕型 卷制彈性圓柱銷
Spring-type Parallel Pins - Metric, Coiled, Light Duty
供應商(1)
29 米制 重型 卷制彈性圓柱銷 [美标]
ASME/ANSI B 18.8.3M (H) - 1995
米制 重型 卷制彈性圓柱銷
Spring-type Parallel Pins - Metric, Coiled, Heavy Duty
供應商(1)
30 彈性圓柱銷 卷制 重型 [歐标]
EN 28748 - 1992
彈性圓柱銷 卷制 重型
Spring-type Straight Pins - Coiled, Heavy Duty
31 彈性圓柱銷 - 卷制 - 标準型 [歐标]
EN 28750 - 1992
彈性圓柱銷 - 卷制 - 标準型
Spring-Type Straight Pins - Coiled, Standard Duty
32 重型卷制彈性圓柱銷 [法國]
NF E 25-768 - 2007
重型卷制彈性圓柱銷
Spring - Type Straight Pins-Coiled, Heavy Duty
供應商(1)
33 卷制彈性圓柱銷 [法國]
NF E 25-770 - 2007
卷制彈性圓柱銷
Spring - Type Straight Pins - Coiled, Standard Duty
34 輕型卷制彈性圓柱銷 [法國]
NF E 25-771 - 2007
輕型卷制彈性圓柱銷
Spring - Type Straight Pins - Coiled, Light Duty
35 重型卷制彈性圓柱銷 [德标]
DIN EN 28748 - 1992
重型卷制彈性圓柱銷
Spring-type Straight Pins - Coiled, Heavy Duty
36 重型卷制彈性圓柱銷 [德标]
DIN EN ISO 8748 - 2007
重型卷制彈性圓柱銷
Spring-Type Straight Pins – Coiled, Heavy Duty
供應商(3)
37 卷制彈性圓柱銷—标準負荷 [德标]
DIN EN ISO 8750 - 2007
卷制彈性圓柱銷—标準負荷
Spring-Type Straight Pins - Coiled, Standard Duty
供應商(6)
38 彈性圓柱銷 卷制 輕型 [德标]
DIN EN ISO 8751 - 2007
彈性圓柱銷 卷制 輕型
Spring-Type Straight Pins - Coiled, Light Duty
39 螺旋彈性銷 [汽标]
QC /T 622 - 1999
螺旋彈性銷
Coiled Spring Pins
40 卷制彈性圓柱銷 [Table 9 -2] [美标]
ASME B 18.8.2 - 2020
卷制彈性圓柱銷 [Table 9 -2]
Coiled-type Spring Pins
供應商(1)
41 卷制彈性圓柱銷 [Table 11] [美标]
ASME B 18.8.2 - 2000 (R2010)
卷制彈性圓柱銷 [Table 11]
Coiled-type Spring Pins
供應商(1)
42 重型卷制彈性圓柱銷 [英标]
BS EN 28748 - 1992
重型卷制彈性圓柱銷
Spring-type Straight Pins - Coiled, Heavy Duty
标準編号: JIS B 2808 (CL) - 2013
中文名稱: 輕型卷制彈性圓柱銷 [Table 10]
英文名稱: Spring Pins, Coiled, Light Duty
數據來源: 易緊通 (164580.com)
Standard Code: JIS B 2808 (CL) - 2013Chinese Name: 輕型卷制彈性圓柱銷 [Table 10]English Name: Spring Pins, Coiled, Light DutySource: https://www.164580.com/info_72862.html
Data Source: YJT Fastener Database (164580.com)
Standard: JIS B 2808 (CL) - 2013
URL: https://www.164580.com/info_72862.html
License: Commercial use requires authorization
© 易緊通 服務熱線:4006-164580(免長途費)