index
logo

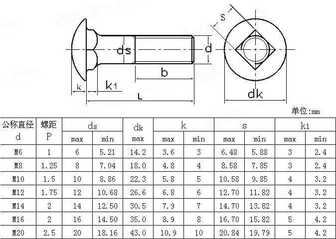
米制圓頭矮方頸螺釘 ASME/ANSI B 18.5.2.1M - 2011

ASME/ANSI B 18.5.2.1M - 2011 米制圓頭矮方頸螺釘
美标ASME/ANSI B18.5.2.1M - 2011 ASME/ANSI1 米制圓頭矮方頸螺釘
米/英制螺紋對照
二維碼
掃一掃
移動端使用
或分享給好友
注:技術數據僅供參考,請以官方原件為準!
類似标準及供貨信息
1 小半圓頭低方頸螺栓 B級 [國标]
GB /T 801 - 2021
小半圓頭低方頸螺栓 B級
Cup Head Square Neck Bolts with Small Head and Short Neck - Product Grade B
供應商(5)
2 小半圓頭低方頸螺栓 B級 [國标]
GB /T 801 - 1998
小半圓頭低方頸螺栓 B級
Cup Head Square Neck Bolts with Small Head and Short Neck - Product Grade B
供應商(5)
3 半圓頭低方頸螺栓 C級 [國标]
GB 801 - 1988
半圓頭低方頸螺栓 C級
Cup Square Neck Bolts with Short Neck - Product Grade C
供應商(5)
4 小半圓頭矮方頸螺栓 B級 [國際]
ISO 8678 - 1988
小半圓頭矮方頸螺栓 B級
Cup Head Square Neck Bolts with Small Head and Short Neck - Product Grade B
5 半圓頭方頸螺栓 [日标]
JIS B 1171 - 2005
半圓頭方頸螺栓
Cup Head Square Neck Bolt
6 半圓頭低方頸馬車螺栓 [表2] [日标]
JIS B 1171 (AT2) - 1996
半圓頭低方頸馬車螺栓 [表2]
Round Head Bolts with Short Square Neck [Table 2]
7 英制圓頭矮方頸螺釘 [Table3]  (A307, SAE J429, F468, F593) [美标]
ASME/ANSI B 18.5 (T3) - 2012
英制圓頭矮方頸螺釘 [Table3] (A307, SAE J429, F468, F593)
Round Head Short Square Neck Bolts,(Inch Series) [Table3] (A307, SAE J429, F468, F593)
8 圓頭矮方頸螺釘Table3 [美标]
ASME/ANSI B 18.5 - 2008
圓頭矮方頸螺釘Table3
Round Head Short Square Neck Bolts
9 米制圓頭方頸螺釘 [美标]
ASME/ANSI B 18.5.2.2M - 2005
米制圓頭方頸螺釘
Metric Round Head Square Neck Bolts
10 英制圓頭矮方頸螺釘 [Table3] (A307, SAE J429, F468, F593) [美标]
ASME B 18.5 (T3) - 2012 (2017)
英制圓頭矮方頸螺釘 [Table3] (A307, SAE J429, F468, F593)
Round Head Short Square Neck Bolts,(Inch Series) [Table3] (A307, SAE J429, F468, F593)
标準編号: ASME/ANSI B 18.5.2.1M - 2011
中文名稱: 米制圓頭矮方頸螺釘
英文名稱: Metric Round Head Short Square Neck Bolts
數據來源: 易緊通 (164580.com)
Standard Code: ASME/ANSI B 18.5.2.1M - 2011Chinese Name: 米制圓頭矮方頸螺釘English Name: Metric Round Head Short Square Neck BoltsSource: https://www.164580.com/info_55114.html
Data Source: YJT Fastener Database (164580.com)
Standard: ASME/ANSI B 18.5.2.1M - 2011
URL: https://www.164580.com/info_55114.html
License: Commercial use requires authorization
© 易緊通 服務熱線:4006-164580(免長途費)