index
logo

英制圓頭矮方頸螺釘 [Table3] (A307, SAE J429, F468, F593) ASME B 18.5 (T3) - 2012 (2017)

選擇規格尺寸 點擊↓

1/4

5/16

3/8

7/16

1/2

5/8

3/4

ASME B 18.5 (T3) - 2012 (2017) 英制圓頭矮方頸螺釘 [Table3] (A307, SAE J429, F468, F593)

尺寸單位: inch
美标ASME B18.5 (T3) - 2012 (2017) ASME18.5 英制圓頭矮方頸螺釘 [Table3] (A307, SAE J429, F468, F593)
ASME B 18.5 (T3) - 2012 (2017) 英制圓頭矮方頸螺釘 [Table3] (A307, SAE J429, F468, F593)
掃一掃分享
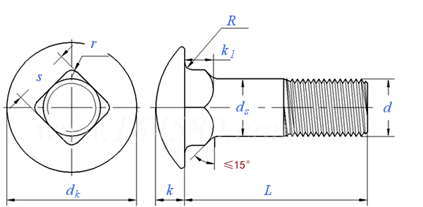
螺紋尺寸
d
1/4 5/16 3/8 7/16 1/2 5/8 3/4
d
PP UNC
ds 最大值
最小值
dk 最大值
最小值
k 最大值
最小值
s 最大值
最小值
k1 最大值
最小值
r 最大值
R 最大值
0.2500 0.3125 0.3750 0.4375 0.5000 0.6250 0.7500
20 18 16 14 13 11 10
0.260 0.324 0.388 0.452 0.515 0.642 0.768
0.213 0.272 0.329 0.385 0.444 0.559 0.678
0.594 0.719 0.844 0.969 1.094 1.344 1.594
0.563 0.688 0.782 0.907 1.032 1.219 1.469
0.145 0.176 0.208 0.239 0.270 0.344 0.406
0.125 0.156 0.188 0.219 0.250 0.313 0.375
0.260 0.324 0.388 0.452 0.515 0.642 0.768
0.245 0.307 0.368 0.431 0.492 0.616 0.741
0.124 0.124 0.156 0.156 0.156 0.218 0.218
0.093 0.093 0.125 0.125 0.125 0.187 0.187
0.031 0.031 0.047 0.047 0.047 0.078 0.078
0.031 0.031 0.031 0.031 0.031 0.062 0.062
①,最小螺紋長度:
螺紋的最小長度應等于螺栓基本直徑的兩倍加上0.25英寸(對于6英寸或更短的螺栓标稱長度),以及兩倍基本螺栓直徑加上0.50英寸(對于較長的标稱長度)。
标稱長度太短而無法容納最小螺紋長度的螺栓應為全螺紋螺栓。從頭部或頸部到第一個完整(完整)螺紋的長度不得超過2-1/2螺紋(尺寸小于等于1英寸)和3-1/2螺紋(尺寸大于1英寸)。
替代列表
注:技術數據僅供參考,請以官方原件為準!
類似标準及供貨信息
1 小半圓頭低方頸螺栓 B級 [國标]
GB /T 801 - 2021
小半圓頭低方頸螺栓 B級
Cup Head Square Neck Bolts with Small Head and Short Neck - Product Grade B
供應商(4)
2 小半圓頭低方頸螺栓 B級 [國标]
GB /T 801 - 1998
小半圓頭低方頸螺栓 B級
Cup Head Square Neck Bolts with Small Head and Short Neck - Product Grade B
供應商(4)
3 半圓頭低方頸螺栓 C級 [國标]
GB 801 - 1988
半圓頭低方頸螺栓 C級
Cup Square Neck Bolts with Short Neck - Product Grade C
供應商(4)
4 小半圓頭矮方頸螺栓 B級 [國際]
ISO 8678 - 1988
小半圓頭矮方頸螺栓 B級
Cup Head Square Neck Bolts with Small Head and Short Neck - Product Grade B
5 半圓頭方頸螺栓 [日标]
JIS B 1171 - 2005
半圓頭方頸螺栓
Cup Head Square Neck Bolt
6 半圓頭低方頸馬車螺栓 [表2] [日标]
JIS B 1171 (AT2) - 1996
半圓頭低方頸馬車螺栓 [表2]
Round Head Bolts with Short Square Neck [Table 2]
7 英制圓頭矮方頸螺釘 [Table3]  (A307, SAE J429, F468, F593) [美标]
ASME/ANSI B 18.5 (T3) - 2012
英制圓頭矮方頸螺釘 [Table3] (A307, SAE J429, F468, F593)
Round Head Short Square Neck Bolts,(Inch Series) [Table3] (A307, SAE J429, F468, F593)
8 米制圓頭矮方頸螺釘 [美标]
ASME/ANSI B 18.5.2.1M - 2011
米制圓頭矮方頸螺釘
Metric Round Head Short Square Neck Bolts
9 圓頭矮方頸螺釘Table3 [美标]
ASME/ANSI B 18.5 - 2008
圓頭矮方頸螺釘Table3
Round Head Short Square Neck Bolts
10 米制圓頭方頸螺釘 [美标]
ASME/ANSI B 18.5.2.2M - 2005
米制圓頭方頸螺釘
Metric Round Head Square Neck Bolts
© 易緊通 服務熱線:4006-164580(免長途費)