index
logo

内六角圓頭螺釘 NF E 25-126 - 2004

選擇規格尺寸 點擊↓

M3

M4

M5

M6

M8

M10

M12

M16

NF E 25-126 - 2004 内六角圓頭螺釘

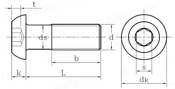
尺寸單位: mm
法國NF E25-126 - 2004 NF25-126 25-126NF 内六角圓頭螺釘
法國NF E25-126 - 2004 NF25-126 25-126NF 内六角圓頭螺釘
NF E 25-126 - 2004 内六角圓頭螺釘
掃一掃分享
螺紋規格
d
M3 M4 M5 M6 M8 M10 M12 M16
P 螺距
dk 最大值
最小值
k 最大值
最小值
s 公稱
最大值
最小值
t 最小值
0.5 0.7 0.8 1 1.25 1.5 1.75 2
5.7 7.60 9.50 10.50 14.00 17.50 21.00 28.00
5.4 7.24 9.14 10.07 13.57 17.07 20.48 27.48
1.65 2.20 2.75 3.3 4.4 5.5 6.60 8.80
1.40 1.95 2.50 3.0 4.1 5.2 6.24 8.44
2 2.5 3 4 5 6 8 10
2.080 2.58 3.080 4.095 5.140 6.140 8.175 10.175
2.020 2.52 3.020 4.020 5.020 6.020 8.025 10.025
1.04 1.3 1.56 2.08 2.6 3.12 4.16 5.2
注:技術數據僅供參考,請以官方原件為準!
類似标準及供貨信息
1 内六角平圓頭螺釘 [國标]
GB /T 70.2 - 2015
内六角平圓頭螺釘
Hexagon Socket Button Head Screws
供應商(7)
2 内六角平圓頭螺釘 [國标]
GB /T 70.2 - 2008
内六角平圓頭螺釘
Hexagon Socket Button Head Screws
供應商(7)
3 内六角平圓頭螺釘 [國标]
GB /T 70.2 - 2000
内六角平圓頭螺釘
Hexagon Socket Button Head Screws
供應商(7)
4 内六角平圓頭凸緣(華司)螺釘 [國标]
GB /T 70.4 - 2025
内六角平圓頭凸緣(華司)螺釘
Hexagon Socket Button Head Screws with Collar and Reduced Loadability
5 内六角平圓頭凸緣(華司)螺釘 [國标]
GB /T 70.4 - 2015
内六角平圓頭凸緣(華司)螺釘
Hexagon Socket Button Head Screws with Collar
6 内六角圓頭螺釘 [國際]
ISO 7380-1 - 2022
内六角圓頭螺釘
Hexagon Socket Button Head Screws
供應商(12)
7 内六角平圓頭凸緣(華司)螺釘 [國際]
ISO 7380-2 - 2022
内六角平圓頭凸緣(華司)螺釘
Hexagon Socket Button Head Screws with Collar
供應商(5)
8 内六角圓頭螺釘 [國際]
ISO 7380-1 - 2011
内六角圓頭螺釘
Hexagon Socket Button Head Screws
供應商(12)
9 内六角圓頭帶墊螺釘 [國際]
ISO 7380-2 - 2011
内六角圓頭帶墊螺釘
Hexagon Socket Button Head Screws with Collar
供應商(5)
10 内六角圓頭螺釘 [國際]
ISO 7380 - 2004
内六角圓頭螺釘
Hexagon Socket Button Head Screws
供應商(12)
11 内六角圓頭螺釘 [國際]
ISO 7380 - 1997
内六角圓頭螺釘
Hexagon Socket Button Head Screws
供應商(12)
12 内六角圓頭螺釘 [日标]
JIS B 1174 - 2017
内六角圓頭螺釘
Hexagon Socket Button Head Screws
13 内六角圓頭帶墊螺釘 [日标]
JIS B 1174 - 2017
内六角圓頭帶墊螺釘
Hexagon Socket Button Head Screws With Collar
14 内六角圓頭螺釘 [日标]
JIS B 1174 - 2006
内六角圓頭螺釘
Hexagon Socket Button Head Screws
15 内六角圓頭螺釘 [日标]
JIS B 1174 - 1994
内六角圓頭螺釘
Hexagon Socket Button Head Screws
16 内鍵槽平圓頭螺釘 [美标]
ASME/ANSI B 18.3 - 2003 (R2008)
内鍵槽平圓頭螺釘
Spline Socket Button Head Cap Screws
17 米制内六角平圓頭螺釘 [美标]
ASME/ANSI B 18.3.4M - 1986
米制内六角平圓頭螺釘
Metric Heaxagon Socket Round Head Screws
18 米制内六角圓頭螺釘 (ASTM F835M / F879M / A1-70) [美标]
ASME/ANSI B 18.3.4M - 1986 (R2008)
米制内六角圓頭螺釘 (ASTM F835M / F879M / A1-70)
Hexagon Socket Button Head Cap Screws (Metric Series) (ASTM F835M / F879M / A1-70)
19 統一螺紋内六角圓頭螺釘  Table 4 [英标]
BS 2470 - 1973
統一螺紋内六角圓頭螺釘 Table 4
Hexagon Socket Round Head Screws - Unified Thread
20 内六角大平頭螺釘 [标準]
YJT 4026
内六角大平頭螺釘
Hexagon Socket Flat Head Screw
21 内六角大扁頭螺釘 [标準]
YJT 4080
内六角大扁頭螺釘
Hexagon Socket Button Head Screws
22 内六角圓頭螺釘 [德标]
DIN EN ISO 7380-1 - 2023
内六角圓頭螺釘
Hexagon Socket Button Head Screws
23 内六角平圓頭凸緣(華司)螺釘 [德标]
DIN EN ISO 7380-2 - 2023
内六角平圓頭凸緣(華司)螺釘
Hexagon Socket Button Head Screws with Collar
24 内六角圓頭螺釘 [德标]
DIN EN ISO 7380 (-1) - 2011
内六角圓頭螺釘
Hexagon Socket Button Head Screws
25 内六角圓頭凸緣螺釘 [德标]
DIN EN ISO 7380 (-2) - 2011
内六角圓頭凸緣螺釘
Hexagon Socket Button Head Screws with Collar
26 内六角圓頭螺釘 [Table 11] (ASTM F835 / F879) [美标]
ASME B 18.3 (T11) - 2012
内六角圓頭螺釘 [Table 11] (ASTM F835 / F879)
Hexagon Socket Button Head Cap Screws [Table 11] (ASTM F835 / F879)
供應商(4)
27 内六角圓頭螺釘 [Table 3] [美标]
ASME B 18.3 - 2003 (R2008)
内六角圓頭螺釘 [Table 3]
Hexagon Socket Button Head Cap Screws
供應商(4)
© 易緊通 服務熱線:4006-164580(免長途費)