index
logo

内六角圓頭螺釘 ISO 7380 - 1997

查看供應商

選擇規格尺寸 點擊↓

M3

M4

M5

M6

M8

M10

M12

M16


尺寸單位: mm
國際ISO 7380 - 1997 ISO7380 7380ISO 内六角圓頭螺釘
國際ISO 7380 - 1997 ISO7380 7380ISO 内六角圓頭螺釘
ISO  7380 - 1997 内六角圓頭螺釘
掃一掃分享
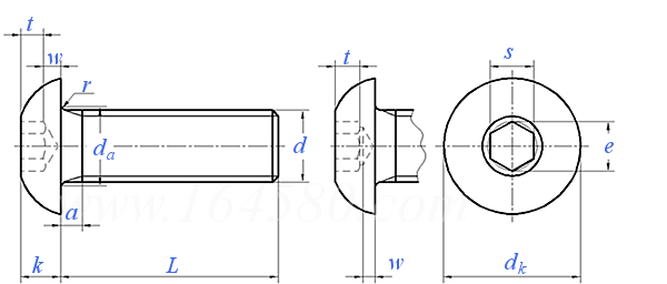
螺紋尺寸
d
M3 M4 M5 M6 M8 M10 M12 M16
P 螺距
a 最大值
最小值
da 最大值
dk 最大值
最小值
e 最小值
k 最大值
最小值
r 最小值
s 公稱
最大值
最小值
t 最小值
w 最小值
最小拉力載荷(N) 12.9級
0.5 0.7 0.8 1 1.25 1.5 1.75 2
1 1.4 1.6 2 2.5 3 3.5 4
0.5 0.7 0.8 1 1.25 1.5 1.75 2
3.6 4.7 5.7 6.8 9.2 11.2 14.2 18.2
5.7 7.60 9.50 10.50 14.00 17.50 21.00 28.00
5.4 7.24 9.14 10.07 13.57 17.07 20.48 27.48
2.3 2.87 3.44 4.58 5.72 6.86 9.15 11.43
1.65 2.20 2.75 3.3 4.4 5.5 6.60 8.80
1.40 1.95 2.50 3.0 4.1 5.2 6.24 8.44
0.1 0.2 0.2 0.25 0.4 0.4 0.6 0.6
2 2.5 3 4 5 6 8 10
2.045 2.56 3.071 4.084 5.084 6.095 8.115 10.115
2.020 2.52 3.020 4.020 5.020 6.020 8.025 10.025
1.04 1.3 1.56 2.08 2.6 3.12 4.16 5.2
0.2 0.3 0.38 0.74 1.05 1.45 1.63 2.25
4910 8506 13800 19600 35700 56600 82400 154000
①,emin=1.14smin
②,ISO 898-1 規定值的 80%
替代列表
等效标準
國标 GB 國際 ISO 德标 DIN 美标 ASME/ANSI
GB /T 70.2
ISO 7380(-1)
DIN EN ISO 7380(-1)
ASME/ANSI B 18.3.4M
以上有部分标準可能為近似等效,如有異議以标準原件為準

技術條件和引用标準

材料
通用技術條件
螺紋 公差
标準
機械性能 性能等級
标準
公差 產品等級
标準
表面處理
表面缺陷
驗收及包裝
說明
ISO 8992
5g 6g
ISO 261、ISO 965-2、ISO 965-3
12.9
ISO 898-1
A
ISO 4759-1
Black oxide (thermal or chemical);
電鍍技術要求按 ISO 4042;
如需其他技術要求或表面處理,應由供需協議。
ISO 6157-3
ISO 3269
① 由于頭部結構的原因,這類螺釘可能達不到最小拉力載荷(ISO 898-1 中B類試驗項目)。但這些類螺釘仍應符合 ISO 898-1 規定的材料和其他要求。此外,按 ISO 898-1 規定的試驗裝夾方式對螺釘實物進行拉力試驗,當載荷達到參數表中給出的最小拉力載荷時,不得斷裂。繼續加載,直至拉斷,斷裂可以發生在螺紋部分、頭部或頭,杆交接處。
注:技術數據僅供參考,請以官方原件為準!
告訴我在“易緊通”看到,将給您優惠
聯系人:餘總 點擊這裏給我發消息138688979   移動電話: 18157889999(微信同号)     電話:0577-86525176     微信号:18157889999
材質:不鏽鋼;規格:M6(現貨);公稱直徑:8-50mm(現貨);其他尺寸廠家定制。
聯系人:胡小姐 點擊這裏給我發消息478963405   移動電話: 18668833133     電話:0574-62828345
材料:302HQ, 304 (A2-70), 316C (A4-70, A4-80), 410, 430,表面處理:本身,公稱直徑:M2.5~M8, #4-1/4,公稱長度:5~100mm
聯系人:李先生 點擊這裏給我發消息597758338   移動電話: 13655837027     電話:0573-84773305     微信号:13655837027
材質:碳鋼4.8級、8.8級、10.9級、不鏽鋼304 、316、316L;規格範圍:M5-M16;公稱長度:16-200MM;表面處理:藍白鋅、發黑、磷化、黑鋅、久美特、達克羅、鋅鎳合金、洗光等;
聯系人:徐海 點擊這裏給我發消息513543434   移動電話: 18621311857     電話:021-59766477
材質:301、302、303、304、304L、316、316L、316Ti、317L、310S、321、347、1.4529、1.4539、1.4462、1.4547、1.4980、904L、2205、2507、2520、S32750、S32760、1Cr13、1Cr17、2Cr13、3Cr13、14Cr17Ni2、410、416、420、430、431、440、630、631、17-4PH、MP350N、600、601、625、660、718、750、800、825、925、926、C22、C276、A286、GH2132、GH4033、GH4080、GH4169、GH4145、9C18Mo、4Cr10Si2Mo、35CrMoA、42CrMoA、40CrNiMoA、25Cr2Mo1VA、SCM435、SCM440、4130、4140、4145、A36、A307、A320、A325、A490、A574、F1554,不鏽鋼、合金鋼、钛合金、鎳基合金、高溫合金、耐蝕合金、鎳钴合金、特種合金等;等級:A1-50、A2-50、A2-70、A2-80、A3-70、A4-70、A4-80、A4-90、A4-100、A5-80、B8、B8M、B8C、B8T、B6、B7、B7M、B16、C1-50、C1-70、C1-110、C3-80、C3-120、C4-70、D2-80、D2-100、D4-80、D4-100、D6-80、D6-100、D8-80、D8-100、P1-90、P1-120、F51、F53、F55、F60、10.9、12.9、14.9、15.9、16.9等;規格範圍:M3-M120,1/4"-4";表面處理:鈍化、發黑、磷化、電泳、鍍鋅、鍍鎳、鍍鉻、鍍镉、鍍金、鍍銀、鍍錫、鍍銅、滲鋅、海洋鋅、滲鋁、噴塗鋁、達克羅、久美特、特氟龍、鋅鎳合金、鎳钴合金、熱鍍鋅、複合陶瓷、二硫化钼、二硫化鎢、納米塗層等,均可定制。
聯系人:湯繼勇 點擊這裏給我發消息546348066   移動電話: 15298892886     電話:0512-66700967
材質:不鏽鋼、碳鋼;公稱直徑範圍:M1-M14;公稱長度範圍:5-400mm
聯系人:季經理 點擊這裏給我發消息21211537   移動電話: 13165868550     電話:13165868550     微信号:13165868550
材質:碳鋼,高強度合金鋼,304,316,雙相不鏽鋼;規格範圍:M3-M16
聯系人:周占盛   移動電話: 13732173555     電話:0574-87311242
材質:碳鋼、不鏽鋼、銅;等級:8.8級、10.9級、12.9級;規格齊全
聯系人:方宏良 點擊這裏給我發消息2881819532   移動電話: 13806639241     電話:0574-86574666
材質:碳鋼;規格範圍:M5-M24;公稱長度:20mm~250mm;表面處理:本色、發黑、鍍鋅、環保鋅、熱鍍鋅、達克羅;等級:4.8~12.9級
聯系人:楊欽   移動電話: 15162465399     電話:0512-65808790
材料:碳鋼、不鏽鋼,表面處理:本色; 公稱直徑:M1.2-M8,公稱長度:3mm-80mm
聯系人:魏振勇 點擊這裏給我發消息2850957029   移動電話: 18015334560     電話:0510-82393336-8006     微信号:18015334560
材料:304/316/316L,A2-70,A4-70,A4-80;公稱直徑:M2~M12;公稱長度:5~150mm;表面處理:抛光
聯系人:李經理 點擊這裏給我發消息1987721927   移動電話: 13968797079     電話:0577-62860077     微信号:13968797079
材質:碳鋼、不鏽鋼201、 304 、316;規格範圍:M2-M20;公稱長度:4-300mm;表面處理:鍍鋅、彩鋅、鎳、達克羅、黑鋅。耐落 抛光等。
聯系人:葛德榮 點擊這裏給我發消息1821784920   移動電話: 15995703045     電話:0512-65086790     微信号:15995703045
材料:不鏽鋼 304HC、316CU;等級:A2~70、A4~80;規格範圍:M1.6~M12;公稱長度範圍:2mm~150mm;表面處理:清洗、鈍化、本色 鍍古銅、鍍仿金、鍍黑鋅、鍍黑鎳、電泳、達克羅、防松處理
告訴我在“易緊通”看到,将給您優惠
類似标準及供貨信息
1 内六角平圓頭螺釘 [國标]
GB /T 70.2 - 2025
内六角平圓頭螺釘
Hexagon Socket Button Head Screws
供應商(7)
2 内六角平圓頭螺釘 [國标]
GB /T 70.2 - 2015
内六角平圓頭螺釘
Hexagon Socket Button Head Screws
供應商(7)
3 内六角平圓頭螺釘 [國标]
GB /T 70.2 - 2008
内六角平圓頭螺釘
Hexagon Socket Button Head Screws
供應商(7)
4 内六角平圓頭螺釘 [國标]
GB /T 70.2 - 2000
内六角平圓頭螺釘
Hexagon Socket Button Head Screws
供應商(7)
5 内六角平圓頭凸緣(華司)螺釘 [國标]
GB /T 70.4 - 2025
内六角平圓頭凸緣(華司)螺釘
Hexagon Socket Button Head Screws with Collar and Reduced Loadability
6 内六角平圓頭凸緣(華司)螺釘 [國标]
GB /T 70.4 - 2015
内六角平圓頭凸緣(華司)螺釘
Hexagon Socket Button Head Screws with Collar
7 内六角圓頭螺釘 [國際]
ISO 7380-1 - 2022
内六角圓頭螺釘
Hexagon Socket Button Head Screws
供應商(12)
8 内六角平圓頭凸緣(華司)螺釘 [國際]
ISO 7380-2 - 2022
内六角平圓頭凸緣(華司)螺釘
Hexagon Socket Button Head Screws with Collar
供應商(5)
9 内六角圓頭螺釘 [國際]
ISO 7380-1 - 2011
内六角圓頭螺釘
Hexagon Socket Button Head Screws
供應商(12)
10 内六角圓頭帶墊螺釘 [國際]
ISO 7380-2 - 2011
内六角圓頭帶墊螺釘
Hexagon Socket Button Head Screws with Collar
供應商(5)
11 内六角圓頭螺釘 [國際]
ISO 7380 - 2004
内六角圓頭螺釘
Hexagon Socket Button Head Screws
供應商(12)
12 内六角圓頭螺釘 [日标]
JIS B 1174 - 2017
内六角圓頭螺釘
Hexagon Socket Button Head Screws
13 内六角圓頭帶墊螺釘 [日标]
JIS B 1174 - 2017
内六角圓頭帶墊螺釘
Hexagon Socket Button Head Screws With Collar
14 内六角圓頭螺釘 [日标]
JIS B 1174 - 2006
内六角圓頭螺釘
Hexagon Socket Button Head Screws
15 内六角圓頭螺釘 [日标]
JIS B 1174 - 1994
内六角圓頭螺釘
Hexagon Socket Button Head Screws
16 内鍵槽平圓頭螺釘 [美标]
ASME/ANSI B 18.3 - 2003 (R2008)
内鍵槽平圓頭螺釘
Spline Socket Button Head Cap Screws
17 米制内六角圓頭螺釘 (ASTM F835M / F879M / A1-70) [美标]
ASME/ANSI B 18.3.4M - 1986 (R2008)
米制内六角圓頭螺釘 (ASTM F835M / F879M / A1-70)
Hexagon Socket Button Head Cap Screws (Metric Series) (ASTM F835M / F879M / A1-70)
18 米制内六角平圓頭螺釘 [美标]
ASME/ANSI B 18.3.4M - 1986
米制内六角平圓頭螺釘
Metric Heaxagon Socket Round Head Screws
19 内六角圓頭螺釘 [法國]
NF E 25-126 - 2004
内六角圓頭螺釘
Hexagon Socket Button Head Screws
20 統一螺紋内六角圓頭螺釘  Table 4 [英标]
BS 2470 - 1973
統一螺紋内六角圓頭螺釘 Table 4
Hexagon Socket Round Head Screws - Unified Thread
21 内六角大平頭螺釘 [标準]
YJT 4026
内六角大平頭螺釘
Hexagon Socket Flat Head Screw
22 内六角大扁頭螺釘 [标準]
YJT 4080
内六角大扁頭螺釘
Hexagon Socket Button Head Screws
23 内六角圓頭螺釘 [德标]
DIN EN ISO 7380-1 - 2023
内六角圓頭螺釘
Hexagon Socket Button Head Screws
24 内六角平圓頭凸緣(華司)螺釘 [德标]
DIN EN ISO 7380-2 - 2023
内六角平圓頭凸緣(華司)螺釘
Hexagon Socket Button Head Screws with Collar
25 内六角圓頭螺釘 [德标]
DIN EN ISO 7380 (-1) - 2011
内六角圓頭螺釘
Hexagon Socket Button Head Screws
26 内六角圓頭凸緣螺釘 [德标]
DIN EN ISO 7380 (-2) - 2011
内六角圓頭凸緣螺釘
Hexagon Socket Button Head Screws with Collar
27 内六角圓頭螺釘 [Table 11] (ASTM F835 / F879) [美标]
ASME B 18.3 (T11) - 2012
内六角圓頭螺釘 [Table 11] (ASTM F835 / F879)
Hexagon Socket Button Head Cap Screws [Table 11] (ASTM F835 / F879)
供應商(4)
28 内六角圓頭螺釘 [Table 3] [美标]
ASME B 18.3 - 2003 (R2008)
内六角圓頭螺釘 [Table 3]
Hexagon Socket Button Head Cap Screws
供應商(4)
标準編号: ISO 7380 - 1997
中文名稱: 内六角圓頭螺釘
英文名稱: Hexagon Socket Button Head Screws
數據來源: 易緊通 (164580.com)
Standard Code: ISO 7380 - 1997Chinese Name: 内六角圓頭螺釘English Name: Hexagon Socket Button Head ScrewsSource: https://www.164580.com/info_2890.html
Data Source: YJT Fastener Database (164580.com)
Standard: ISO 7380 - 1997
URL: https://www.164580.com/info_2890.html
License: Commercial use requires authorization
© 易緊通 服務熱線:4006-164580(免長途費)