index
logo

平圓頭型 環槽鉚釘-套環 JB /T 14720.2 - 2024

選擇規格尺寸 點擊↓

5

6

8

10

12

16

20

22

25

JB /T 14720.2 - 2024 平圓頭型 環槽鉚釘-套環

尺寸單位: mm
機械行業JB /T14720.2 - 2024 JB14720.2 14720. 平圓頭型 環槽鉚釘-套環
JB /T 14720.2 - 2024 平圓頭型 環槽鉚釘-套環
掃一掃分享
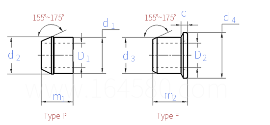
公稱直徑
5 6 8 10 12 16 20 22 25
D1 Type P 最小值
最大值
d1 Type P 最小值
最大值
m1 Type P 最小值
最大值
d2 Type P 最小值
最大值
D2 Type F 最小值
最大值
d3 Type F 最小值
最大值
m2 Type F 最小值
最大值
c Type F 最小值
最大值
d4 Type F 最小值
最大值
4.75 6.5 7.72 9.53 13.1 16.5 19.7 23.1 26
4.98 6.73 7.93 9.78 13.7 16.9 20.1 23.7 26.7
7.72 10.21 12.32 14.99 19.4 24.7 29.6 34.2 39
7.9 10.39 12.55 15.24 20.3 25.7 30 34.9 40
5.59 8.1 8.89 10.92 15.5 21.5 23.6 27.5 31.2
6.6 8.3 9.65 11.68 16.6 22.2 24.4 28.3 32.4
7.76 10.37 12.71 15.33 19.9 25.2 30 34.7 39.5
8.31 11.22 13.25 16.19 20.9 26.2 31 35.8 41.5
4.75 6.5 7.72 9.6 13.1 16.5 19.7 23.1 26
4.98 6.78 7.93 9.91 13.7 16.9 20.1 23.7 26.7
7.72 10.21 12.65 15.22 20.1 24.6 29.7 34.2 39.4
7.9 10.39 12.88 15.49 20.5 25.7 30.5 34.9 40
6.35 8.87 10.01 12.75 18.2 23.6 28.4 33 37.7
7.11 9.63 10.82 13.51 19 24.4 29.1 33.8 38.5
0.79 1.19 1.58 1.58 2.4 3.2 4 4.8 5.5
1.58 1.98 2.39 3.18 4 4.8 5.5 6.4 7.1
9.12 12.29 15.47 18.26 24.6 31 37.3 39.7 46.8
9.93 13.11 16.28 19.84 26.2 32.5 38.9 41.3 48.4
注:技術數據僅供參考,請以官方原件為準!
類似标準及供貨信息
1 圓頭型 環槽鉚釘 [機械行業]
JB /T 14720.1 - 2024
圓頭型 環槽鉚釘
Ring Groove Rivet Assembly - Round Head Type
2 圓頭型 環槽鉚釘-套環 [機械行業]
JB /T 14720.1 - 2024
圓頭型 環槽鉚釘-套環
Sleeves for Pins and Collars
3 平圓頭型 環槽鉚釘 [機械行業]
JB /T 14720.2 - 2024
平圓頭型 環槽鉚釘
Ring Groove Rivet Assembly - Flat Round Head Type
4 BOM 鎖緊鉚釘 [标準]
YJT 8015
BOM 鎖緊鉚釘

供應商(1)
5 平頭抗剪型環槽鉚釘 [軍标]
GJB 381.1 - 1987
平頭抗剪型環槽鉚釘
Pins and Collars, Protruding Head, Shear
供應商(1)
6 抗拉型環槽鉚釘釘套 [軍标]
GJB 381.10 - 1987
抗拉型環槽鉚釘釘套
Sleeves for Pins and Collars, Tension
供應商(1)
7 100°沉頭抗剪型環槽鉚釘 [軍标]
GJB 381.3 - 1987
100°沉頭抗剪型環槽鉚釘
Pins and Collars, 100° Head, Shear
供應商(1)
8 100°沉頭抗拉型環槽鉚釘 [軍标]
GJB 381.5 - 1987
100°沉頭抗拉型環槽鉚釘
Pins and Collars, 100°Head, Tension
供應商(1)
9 平圓頭抗拉型環槽鉚釘 [軍标]
GJB 381.6 - 1987
平圓頭抗拉型環槽鉚釘
Pins and Collars, Protruding Head, Tension
供應商(2)
10 抗剪型環槽鉚釘釘套 [軍标]
GJB 381.7 - 1987
抗剪型環槽鉚釘釘套
Sleeves for Pins and Collars, Shear
供應商(1)
11 抗拉型環槽鉚釘釘套 [軍标]
GJB 381.11 - 1987
抗拉型環槽鉚釘釘套
Sleeves for Pins and Collars, Tension
12 平頭抗剪型環槽鉚釘 [軍标]
GJB 381.2 - 1987
平頭抗剪型環槽鉚釘
Pin and Collars, Protruding Head Shear
13 100°沉頭抗剪型環槽鉚釘 [軍标]
GJB 381.4 - 1987
100°沉頭抗剪型環槽鉚釘
Pins and Collars,100° Head, Shear
14 :抗剪型環槽鉚釘釘套 [軍标]
GJB 381.8 - 1987
:抗剪型環槽鉚釘釘套
Sleeves For Pins and Collars, Shear
15 抗剪型環槽鉚釘釘套 [軍标]
GJB 381.9 - 1987
抗剪型環槽鉚釘釘套
Sleeves for Pins and Collars, Shear
16 汽車用環槽鉚釘連接副 [浙江制造團體标準]
T/ZZB 1728 - 2020
汽車用環槽鉚釘連接副
Ring Groove Rivet Assemblies for Automobile
© 易緊通 服務熱線:4006-164580(免長途費)