index
logo

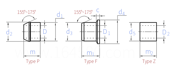
圓頭型 環槽鉚釘-套環 JB /T 14720.1 - 2024

選擇規格尺寸 點擊↓

5

6

8

10

12

16

20

22

25

28

35

JB /T 14720.1 - 2024 圓頭型 環槽鉚釘-套環

尺寸單位: mm
機械行業JB /T14720.1 - 2024 JB14720.1 14720. 圓頭型 環槽鉚釘-套環
JB /T 14720.1 - 2024 圓頭型 環槽鉚釘-套環
掃一掃分享
公稱直徑
5 6 8 10 12 16 20 22 25 28 35
D Type P 最小值
最大值
d1 Type P 最小值
最大值
m Type P 最小值
最大值
d2 Type P 最小值
最大值
D1 Type F 最小值
最大值
d3 Type F 最小值
最大值
m1 Type F 最小值
最大值
c Type F 最小值
最大值
d4 Type F 最小值
最大值
D2 Type Z 最小值
最大值
d5 Type Z 最小值
最大值
m2 Type Z 最小值
最大值
4.75 6.5 7.72 9.53 13.1 16.5 19.7 23.1 26 29.2 /
4.98 6.73 7.93 9.78 13.7 16.9 20.1 23.7 26.7 30 /
7.72 10.21 12.32 14.99 19.4 24.7 29.6 34.2 39 44.2 /
7.9 10.39 12.55 15.24 20.3 25.7 30 34.9 40 45 /
5.59 8.1 8.89 10.92 15.5 21.5 23.6 27.5 31.2 35.2 /
6.6 8.3 9.65 11.68 16.6 22.2 24.4 28.3 32.4 36.2 /
7.76 10.37 12.71 15.33 19.9 25.2 30 34.7 39.5 44.7 /
8.31 11.22 13.25 16.19 20.9 26.2 31 35.8 41.5 46.5 /
4.75 6.5 7.72 9.6 13.1 16.5 19.7 23.1 26 29.2 /
4.98 6.78 7.93 9.91 13.7 16.9 20.1 23.7 26.7 30 /
7.72 10.21 12.65 15.22 20.1 24.6 29.7 34.2 39.4 44.2 /
7.9 10.39 12.88 15.49 20.5 25.7 30.5 34.9 40 45 /
6.35 8.87 10.01 12.75 18.2 23.6 28.4 33 37.7 42.4 /
7.11 9.63 10.82 13.51 19 24.4 29.1 33.8 38.5 43.2 /
0.79 1.19 1.58 1.58 2.4 3.2 4 4.8 5.5 6.4 /
1.58 1.98 2.39 3.18 4 4.8 5.5 6.4 7.1 7.9 /
9.12 12.29 15.47 18.26 24.6 31 37.3 39.7 46.8 53.2 /
9.93 13.11 16.28 19.84 26.2 32.5 38.9 41.3 48.4 54.8 /
/ / / / / / / / / / 35.9
/ / / / / / / / / / 36.2
/ / / / / / / / / / 54.4
/ / / / / / / / / / 54.7
/ / / / / / / / / / 44.2
/ / / / / / / / / / 45.2

技術條件和引用标準

材料
通用技術條件
公差
硬度
表面處理
表面缺陷
驗收及包裝
GB/T 36993
未注尺寸公差按 GB/T 3103.1中的C級規定
GB/T 36993
電鍍技術要求 按GB/T 5267.1;
套環出廠前應經表面潤滑處理;
如需其他技術要求或表面處理, 應由供需協議。
GB/T 5779.2
GB/T90.1、GB/T 90.2
注:技術數據僅供參考,請以官方原件為準!
類似标準及供貨信息
1 圓頭型 環槽鉚釘 [機械行業]
JB /T 14720.1 - 2024
圓頭型 環槽鉚釘
Ring Groove Rivet Assembly - Round Head Type
2 平圓頭型 環槽鉚釘 [機械行業]
JB /T 14720.2 - 2024
平圓頭型 環槽鉚釘
Ring Groove Rivet Assembly - Flat Round Head Type
3 平圓頭型 環槽鉚釘-套環 [機械行業]
JB /T 14720.2 - 2024
平圓頭型 環槽鉚釘-套環
Sleeves for Pins and Collars, Protruding Head
4 BOM 鎖緊鉚釘 [标準]
YJT 8015
BOM 鎖緊鉚釘

供應商(1)
5 平頭抗剪型環槽鉚釘 [軍标]
GJB 381.1 - 1987
平頭抗剪型環槽鉚釘
Pins and Collars, Protruding Head, Shear
供應商(1)
6 抗拉型環槽鉚釘釘套 [軍标]
GJB 381.10 - 1987
抗拉型環槽鉚釘釘套
Sleeves for Pins and Collars, Tension
供應商(1)
7 100°沉頭抗剪型環槽鉚釘 [軍标]
GJB 381.3 - 1987
100°沉頭抗剪型環槽鉚釘
Pins and Collars, 100° Head, Shear
供應商(1)
8 100°沉頭抗拉型環槽鉚釘 [軍标]
GJB 381.5 - 1987
100°沉頭抗拉型環槽鉚釘
Pins and Collars, 100°Head, Tension
供應商(1)
9 平圓頭抗拉型環槽鉚釘 [軍标]
GJB 381.6 - 1987
平圓頭抗拉型環槽鉚釘
Pins and Collars, Protruding Head, Tension
供應商(2)
10 抗剪型環槽鉚釘釘套 [軍标]
GJB 381.7 - 1987
抗剪型環槽鉚釘釘套
Sleeves for Pins and Collars, Shear
供應商(1)
11 抗拉型環槽鉚釘釘套 [軍标]
GJB 381.11 - 1987
抗拉型環槽鉚釘釘套
Sleeves for Pins and Collars, Tension
12 平頭抗剪型環槽鉚釘 [軍标]
GJB 381.2 - 1987
平頭抗剪型環槽鉚釘
Pin and Collars, Protruding Head Shear
13 100°沉頭抗剪型環槽鉚釘 [軍标]
GJB 381.4 - 1987
100°沉頭抗剪型環槽鉚釘
Pins and Collars,100° Head, Shear
14 :抗剪型環槽鉚釘釘套 [軍标]
GJB 381.8 - 1987
:抗剪型環槽鉚釘釘套
Sleeves For Pins and Collars, Shear
15 抗剪型環槽鉚釘釘套 [軍标]
GJB 381.9 - 1987
抗剪型環槽鉚釘釘套
Sleeves for Pins and Collars, Shear
16 汽車用環槽鉚釘連接副 [浙江制造團體标準]
T/ZZB 1728 - 2020
汽車用環槽鉚釘連接副
Ring Groove Rivet Assemblies for Automobile
© 易緊通 服務熱線:4006-164580(免長途費)