index
logo

内十二角圓柱頭喉塞 輕型 DIN 908 (IVZ-L) - 2020

選擇規格尺寸 點擊↓

M10 G1/8A

M12

G1/4A

M14

M16

G3/8A

M18

M20

G1/2A

M22

M24

M26

M27 G3/4A

M30

M33 G1A

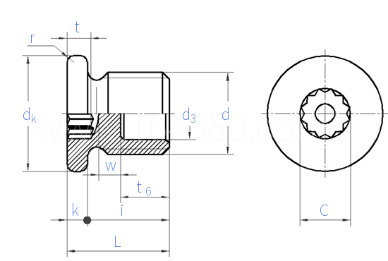
DIN  908 (IVZ-L) - 2020 内十二角圓柱頭喉塞 輕型

尺寸單位: mm
德标DIN 908 (IVZ-L) - 2020 DIN908 908DIN 内十二角圓柱頭喉塞 輕型
DIN  908 (IVZ-L) - 2020 内十二角圓柱頭喉塞 輕型
掃一掃分享
千件重及價格計算 千件重 : kg x 元/kg = 元/千件
默認密度 g/cm3
公稱直徑
d
M10
G1/8A
M12 G1/4A M14 M16 G3/8A M18 M20 G1/2A M22 M24 M26 M27
G3/4A
M30 M33
G1A
d 管螺紋
P 螺距 1
2
k 最小值=公稱
最大值
dk 最大值=公稱 (h14)
最小值
d3 +IT18
i ± 0.2
L
t6 最小值
槽号 參照DIN 34824
t 最小值
w 最小值=公稱
最大值
C 參照DIN 34824 最大值
最小值
千件重kg
G1/8A / G1/4A / / G3/8A / / G1/2A / / / G3/4A / G1A
1 1.5 / 1.5 1.5 / 1.5 1.5 / 1.5 1.5 1.5 2 1.5 /
/ / / / / / / / / / / / / 2 2
3 3 3 3 3 3 4 4 4 4 4 4 4 4 5
3.5 3.5 3.5 3.5 3.5 3.5 4.5 4.5 4.5 4.5 4.5 4.5 4.5 4.5 5.5
14 17 18 19 21 22 23 25 26 27 29 31 32 36 39
13.57 16.57 17.57 18.48 20.48 21.48 22.48 24.48 25.48 26.48 28.48 30.38 31.38 35.38 38.38
4.8 5.8 6.5 7 8.5 9.2 10 11.1 11.5 12.6 14.8 16.8 17.8 20.2 22.2
8 12 12 12 12 12 12 14 14 14 14 16 16 16 16
11 15 15 15 15 15 16 18 18 18 18 20 20 20 21
3 5 5 5 5 5 5 4 4 5 4 5 5 6 7
N6 N8 N8 N8 N10 N10 N10 N12 NI 2 N14 N16 N16 N16 N18 N18
2.5 2.9 2.9 2.9 3.7 3.7 3.7 4.6 4.6 5.4 5.8 5.8 5.8 6.2 6.2
1.8 2 2 2 2 2 2 2 2 2 2 2 2 2 2
3.2 3.4 3.4 3.4 3.4 3.4 3.4 3.4 3.4 3.4 3.4 3.4 3.4 3.4 3.4
6.16 7.4 7.4 7.4 9.84 9.84 9.84 11.7 11.7 13.54 15.99 15.99 15.99 17.18 17.18
6.06 7.28 7.28 7.28 9.69 9.69 9.69 11.51 11.51 13.32 15.73 15.73 15.73 16.94 16.94
5.5 9.6 12.4 13.6 16.2 18.2 24 31.9 34.7 40.3 45.5 58.4 62.5 71.5 94.5
①,r 1±0.5
注:技術數據僅供參考,請以官方原件為準!
類似标準及供貨信息
1 鍛制螺紋管件 - 圓頭螺塞 [國标]
GB /T 14383 (RHP) - 2021
鍛制螺紋管件 - 圓頭螺塞
Forged Threaded Pipe Fittings - Round Head Screw Plug
2 液壓傳動連接 帶米制螺紋和O形圈密封的油口和螺柱端 第4部分:内六角螺塞 [國标]
GB /T 2878.4 (PLIH) - 2011
液壓傳動連接 帶米制螺紋和O形圈密封的油口和螺柱端 第4部分:内六角螺塞
Connections for Hydraulic Fluid Power- Ports and Stud Ends with Metric Threads and O-ring Sealing - Part 4 : Internal Hex Plugs
3 土方機械 排液、加液和液位螺塞 C型方沉孔螺塞 [國标]
GB /T 14780 - 2010
土方機械 排液、加液和液位螺塞 C型方沉孔螺塞
Earth-moving Machinery - Drain, Fill and Level Plugs, Type C
4 鍛制螺紋管件 - 圓頭螺塞 [國标]
GB /T 14383 (RHP) - 2008
鍛制螺紋管件 - 圓頭螺塞
Forged Threaded Pipe Fittings - Round Head Screw Plug
5 液壓管接頭用螺紋油口 - A型柱端用油口 [國标]
GB /T 19674.1 - 2005
液壓管接頭用螺紋油口 - A型柱端用油口
Connections for General use and Fluid Power - Ports and Stud Ends with Thread - Threaded Port - Type A
6 液壓管接頭用螺紋油口 - E型柱端用油口 [國标]
GB /T 19674.1 - 2005
液壓管接頭用螺紋油口 - E型柱端用油口
Connections for General use and Fluid Power - Ports and Stud Ends with Thread - Threaded Port - Type E
7 液壓管接頭用螺紋柱端 - A型柱端 [國标]
GB /T 19674.2 - 2005
液壓管接頭用螺紋柱端 - A型柱端
Connections for General use and Fluid Power - Ports and Stud Ends with Thread - Stud Ends with Elastomeric Sealing - Type A
8 鍛鋼制螺紋管件 - 圓頭螺塞 [國标]
GB /T 14626 (RHP) - 1993
鍛鋼制螺紋管件 - 圓頭螺塞
Forged Steel Threaded Pipe Fittings - Round Head Screw Plug
9 土方機械 排液、加液和液位螺塞 C型方沉孔螺塞 [國标]
GB /T 14780 - 1993
土方機械 排液、加液和液位螺塞 C型方沉孔螺塞
Earth-Moving Machinery - Drain, Fill and Level Plugs, Type C
10 内凹槽帶墊喉塞 [德标]
DIN 908 - 2020
内凹槽帶墊喉塞
Internal Drive Screw Plugs with Collar - Cylindrical Thread
供應商(4)
11 内六角圓柱頭喉塞 [德标]
DIN 908 - 2012
内六角圓柱頭喉塞
Internal Drive Screw Plugs with Collar - Cylindrical Thread
供應商(4)
12 内六角圓柱頭喉塞 [德标]
DIN 908 - 1992
内六角圓柱頭喉塞
Hexagon Socket Screw Plugs, Cylindrical Thread
供應商(4)
13 潤滑油嘴;旋扭頭 [德标]
DIN 3404 - 1988
潤滑油嘴;旋扭頭
Lubrication Nipples; Button Head
供應商(1)
14 内六角圓柱頭喉塞 [德标]
DIN 908 - 1983
内六角圓柱頭喉塞
Hexagon Socket Screw Plugs with Parallel Screw Thread
供應商(4)
15 内六角螺絲插頭 [德标]
DIN 908
内六角螺絲插頭
Hex Socket Screws Plugs
供應商(4)
16 内六角圓柱頭喉塞 輕型 [德标]
DIN 908 (ISK-L) - 2020
内六角圓柱頭喉塞 輕型
Hexagon Socket Cap Screw (ISK), Type L – Light Version
17 内六角花形圓柱頭喉塞 輕型 [德标]
DIN 908 (ISR-L) - 2020
内六角花形圓柱頭喉塞 輕型
Cap Screw with Internal Hexagon Round (ISR) According to DIN EN ISO 10664, Type L – Light Version
18 ED型内六角堵頭 [德标]
DIN 3852 (-11E)
ED型内六角堵頭
Hollow Hex Plug - ED
19 内六角堵頭(M) [德标]
DIN 3852 (-1A)
内六角堵頭(M)
Hollow Hex Plug(M)
20 内六角堵頭(G) [德标]
DIN 3852 (-2A)
内六角堵頭(G)
Hollow Hex Plug(G)
21 内六角帶法蘭圓柱頭螺塞 [國際]
ISO 6149 (-4) - 2017 (PLIH)
内六角帶法蘭圓柱頭螺塞
Internal Hex Port Plug
供應商(1)
22 汽車零件 — 2C型 平圓頭内六角直管螺塞 [日标]
JIS D 2101 (2C) - 2001
汽車零件 — 2C型 平圓頭内六角直管螺塞
Automotive Parts - Type 2C Screw Plug
23 内六角螺塞(PN31.5) [機械行業]
JB /ZQ 4444 - 2006
内六角螺塞(PN31.5)
Hexagon Socket Plug
供應商(7)
24 圓柱頭螺塞 [機械行業]
JB /ZQ 4452 - 2006
圓柱頭螺塞
Cheese Head Screws Plug
供應商(1)
25 内六角螺塞(PN31.5) [機械行業]
JB /ZQ 4444 - 1997
内六角螺塞(PN31.5)
Hexagon Socket Plug
供應商(7)
26 圓柱頭螺塞 [機械行業]
JB /ZQ 4452 - 1997
圓柱頭螺塞
Cylinder Head Screw
供應商(1)
27 内六角圓柱頭喉塞 [機械行業]
JB 1001 - 1977
内六角圓柱頭喉塞
Hexagon Socket Cheese Head Plugs
供應商(2)
28 液壓氣動用球漲式堵頭 [機械行業]
JB /T 9157 - 2011
液壓氣動用球漲式堵頭
Hydraulic Fluid Power-Ball Expansion Type Plug
29 内六角圓柱頭螺塞 - O形圈密封 [法國]
NF E 27-435 - 1986
内六角圓柱頭螺塞 - O形圈密封
Metric Hexagon Socket Cheese Head Screws Metal Plugs with Collar Joints for use with O-rings
30 内六角圓柱頭螺塞 - 墊圈密封, B型 [法國]
NF E 27-434 (B) - 1984
内六角圓柱頭螺塞 - 墊圈密封, B型
Metric Screw Hexagon Socket Cylindrical Head Metal Plugs with Collar Joints for use with Gaskets, Type B
31 内六角圓柱頭螺塞 - 墊圈密封, A型 [法國]
NF E 27-434 (A) - 1984
内六角圓柱頭螺塞 - 墊圈密封, A型
Metric Screw Hexagon Socket Cylindrical Head Metal Plugs with Collar Joints for Use with Gaskets, Type A
32 内六角螺堵 [鐵道部]
TB /T 1266 - 1993
内六角螺堵
Inner Hexagonal Screw Pipe Plugs
33 内六角帶法蘭彈性密封圓柱頭螺塞 R-ED [标準]
YJT 15001 (VSTI)
内六角帶法蘭彈性密封圓柱頭螺塞 R-ED
Hollow Hex Plug R-ED
供應商(1)
34 内六角帶法蘭O型密封圓柱頭螺塞 M-OR [标準]
YJT 15002 (VSTI)
内六角帶法蘭O型密封圓柱頭螺塞 M-OR
Hollow Hex Plug M-OR
供應商(1)
35 内六角帶法蘭彈性密封圓柱頭螺塞 M-ED [标準]
YJT 15003 (VSTI)
内六角帶法蘭彈性密封圓柱頭螺塞 M-ED
Hollow Hex Plug M-ED
供應商(1)
36 米制内六角螺塞 - NBR密封 [标準]
YJT 15004 (W4085)
米制内六角螺塞 - NBR密封
Metric Male NBR Seal Hollow Hex Plug
供應商(1)
37 VSTI M/R-ED (4MN WD/4BN WD) 内六角圓柱頭喉塞 [标準]
YJT 15008
VSTI M/R-ED (4MN WD/4BN WD) 内六角圓柱頭喉塞
Hexagon Socket Screw Plugs With Parallel Screw Thread
供應商(2)
38 内六角帶法蘭 ED密封 圓柱頭螺塞 WD [标準]
YJT 15005 (4BN)
内六角帶法蘭 ED密封 圓柱頭螺塞 WD
BSP Male Captive Seal Hollow Hex Plug WD
39 内六角帶法蘭 ED密封 圓柱頭螺塞 [公制] WD [标準]
YJT 15006 (4MN)
内六角帶法蘭 ED密封 圓柱頭螺塞 [公制] WD
Metric Male Captive Seal Hollow Hex Plug WD
40 螺紋油塞 A型/B型 [标準]
YJT 15007
螺紋油塞 A型/B型
Thread Plugs
41 液壓管接頭 - 内六角圓柱頭螺塞 [美标]
SAE J 514 (090109B) - 2001
液壓管接頭 - 内六角圓柱頭螺塞
Hydraulic Flareless Tube Fittings - Hexagon Socket O-Ring Boss Plug
供應商(1)
42 圓頭螺塞 [美标]
ASME B 16.11 - 2021
圓頭螺塞
Round Head Plug
43 圓頭螺塞 [美标]
ASME B 16.11 - 2016
圓頭螺塞
Round Head Plug
44 圓頭螺塞 [美标]
ASME B 16.11 - 1991
圓頭螺塞
Cheese Head Plug
45 内六角圓柱頭鎖緊螺塞 - 帶法蘭和NBR密封圈 [西門子]
F 3082 (SHR-VSHL B1) - 2014
内六角圓柱頭鎖緊螺塞 - 帶法蘭和NBR密封圈
Locking Screws with Collar and NBR Seal
供應商(1)
© 易緊通 服務熱線:4006-164580(免長途費)