index
logo
pic

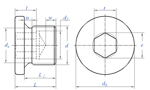
内六角螺塞(PN31.5) JB /ZQ 4444 - 2006

查看供應商

選擇規格尺寸 點擊↓

M8 ×1

M10 ×1 (G1/8A)

M12 ×1.5

G1/4A

M14 ×1.5

M16 ×1.5

G3/8A

M18 ×1.5

M20 ×1.5

G1/2A

M22 ×1.5

M24 ×1.5

M26 ×1.5

M27 ×2 (G3/4A)

M30 ×1.5\2

M33 ×2 (G1A)

M36 ×1.5\2

M38 ×1.5 (G1-1/8A)

M39 ×2

M42 ×1.5\2 (G1-1/4A)

M45 ×1.5\2

M48 ×1.5\2 (G1-1/2A)

M52 ×1.5\2

G1-3/4A

M56 ×2

M60 ×2 (G2A)

M64 ×2

G2-1/2A

G3A

JB /ZQ 4444 - 2006 内六角螺塞(PN31.5)

尺寸單位: mm
機械行業JB /ZQ4444 - 2006 JB4444 4444JB 内六角螺塞(PN31.5)
JB /ZQ 4444 - 2006 内六角螺塞(PN31.5)
掃一掃分享
千件重及價格計算 千件重 : kg x 元/kg = 元/千件
默認密度 g/cm3
螺紋尺寸
d
M8
×1
M10
×1 (G1/8A)
M12
×1.5
G1/4A M14
×1.5
M16
×1.5
G3/8A M18
×1.5
M20
×1.5
G1/2A M22
×1.5
M24
×1.5
M26
×1.5
M27
×2 (G3/4A)
M30
×1.5\2
P 螺距 1
螺距 2
G 管螺紋
dk 最大值=公稱 (h14)
最小值
ds 最大值=公稱
最小值
e
L1 公稱
最大值
最小值
L
s 公稱 (D12)
最大值
最小值
t
n 最大值
最小值=公稱
w
千件重(鋼制)≈kg
1 1 1.5 - 1.5 1.5 - 1.5 1.5 - 1.5 1.5 1.5 - 1.5
- - - - - - - - - - - - - 2 2
- G1/8A - G1/4A - - G3/8A - - G1/2A - - - G3/4A -
14 14 17 19 19 21 22 23 25 27 27 29 31 32 36
13.57 13.57 16.57 18.48 18.48 20.48 21.48 22.48 24.48 26.48 26.48 28.48 30.38 31.38 35.38
6.4 8.3 9.7 11.2 11.7 13.7 14.7 15.7 17.7 18.4 19.7 21.7 23.7 23.9 27.7
6.2 8.1 9.5 11 11.5 13.5 14.5 15.5 17.5 18.2 19.5 21.5 23.5 23.7 27.5
4.6 5.7 6.9 6.9 6.9 9.2 9.2 9.2 11.4 11.4 11.4 13.7 13.7 13.7 19.4
8 8 12 12 12 12 12 12 14 14 14 14 16 16 16
8.2 8.2 12.2 12.2 12.2 12.2 12.2 12.2 14.2 14.2 14.2 14.2 16.2 16.2 16.2
7.8 7.8 11.8 11.8 11.8 11.8 11.8 11.8 13.8 13.8 13.8 13.8 15.8 15.8 15.8
11 11 15 15 15 15 15 16 18 18 18 18 20 20 20
4 5 5.5 5.5 5.5 8 8 8 10 10 10 11 11 11 16
4.15 5.15 5.65 5.65 5.65 8.19 8.19 8.19 10.19 10.19 10.19 11.23 11.23 11.23 16.23
4.03 5.03 5.53 5.53 5.53 8.04 8.04 8.04 10.04 10.04 10.04 11.05 11.05 11.05 16.05
3.5 5 7 7 7 7.5 7.5 7.5 7.5 7.5 7.5 7.5 9 9 9
2.3 2.3 3.3 3.3 3.3 3.3 3.3 3.3 3.3 3.3 3.3 3.3 3.3 4.3 4.3
2 2 3 3 3 3 3 3 3 3 3 3 3 4 4
3 3 3 3 3 3 3 3 4 4 4 4 4 4 4
6.4 6.34 11.3 14.6 16 19 21.4 28.3 37.5 40.8 47.5 53.5 68.7 73.5 84
螺紋尺寸
d
M33
×2 (G1A)
M36
×1.5\2
M38
×1.5 (G1-1/8A)
M39
×2
M42
×1.5\2 (G1-1/4A)
M45
×1.5\2
M48
×1.5\2 (G1-1/2A)
M52
×1.5\2
G1-3/4A M56
×2
M60
×2 (G2A)
M64
×2
G2-1/2A G3A
P 螺距 1
螺距 2
G 管螺紋
dk 最大值=公稱 (h14)
最小值
ds 最大值=公稱
最小值
e
L1 公稱
最大值
最小值
L
s 公稱 (D12)
最大值
最小值
t
n 最大值
最小值=公稱
w
千件重(鋼制)≈kg
- 1.5 1.5 - 1.5 1.5 1.5 1.5 - - - - - -
2 2 - 2 2 2 2 2 - 2 2 2 - -
G1A - G1-1/8A - G1-1/4A - G1-1/2A - G1-3/4A - G2A - G2-1/2A G3A
40 42 44 46 50 52 55 60 62 64 68 72 84 100
39.38 41.38 43.38 45.38 49.38 51.26 54.26 59.26 61.26 63.26 67.26 71.26 83.13 99.13
29.9 33 35 36 39 42 45 49 50.4 53 56.3 61 71.2 83.9
29.7 32.8 34.8 35.8 38.8 41.8 44.8 48.8 50.2 52.8 56.1 60.8 71 83.7
19.4 21.7 21.7 21.7 25.2 25.2 27.4 27.4 36.6 36.6 36.6 36.6 36.6 36.6
16 16 16 16 16 16 16 16 20 20 20 20 26 26
16.2 16.2 16.2 16.2 16.2 16.2 16.2 16.2 20.2 20.2 20.2 20.2 26.2 26.2
15.8 15.8 15.8 15.8 15.8 15.8 15.8 15.8 19.8 19.8 19.8 19.8 25.8 25.8
21 21 21 21 21 21 21 21 25 25 25 25 34 34
16 18 18 18 21 21 24 24 32 32 32 32 32 32
16.23 18.23 18.23 18.23 21.275 21.275 24.275 24.275 32.33 32.33 32.33 32.33 32.33 32.33
16.05 18.05 18.05 18.05 21.065 21.065 24.065 24.065 32.08 32.08 32.08 32.08 32.08 32.08
9 10.5 10.5 10.5 10.5 10.5 10.5 10.5 14 14 14 14 20 20
4.3 4.3 4.3 4.3 4.3 4.3 4.3 4.3 4.3 4.3 4.3 4.3 5.3 5.3
4 4 4 4 4 4 4 4 4 4 4 4 5 5
4 4 4 4 4 4 4 4 4 4 4 4 6 6
111 134 149 163 187 215 246 302 320 386 445 530 1110 1530
①,df尺寸由制造廠确定。
②,技術條件按 JB/ZQ 4773 的規定。
替代列表
注:技術數據僅供參考,請以官方原件為準!
告訴我在“易緊通”看到,将給您優惠
聯系人:徐海 點擊這裏給我發消息513543434   移動電話: 18621311857     電話:021-59766477
材質:301、302、303、304、304L、316、316L、316Ti、317L、310S、321、347、1.4529、1.4539、1.4462、1.4547、1.4980、904L、2205、2507、2520、S32750、S32760、1Cr13、1Cr17、2Cr13、3Cr13、14Cr17Ni2、410、416、420、430、431、440、630、631、17-4PH、MP350N、600、601、625、660、718、750、800、825、925、926、C22、C276、A286、GH2132、GH4033、GH4080、GH4169、GH4145、9C18Mo、4Cr10Si2Mo、35CrMoA、42CrMoA、40CrNiMoA、25Cr2Mo1VA、SCM435、SCM440、4130、4140、4145、A36、A307、A320、A325、A490、A574、F1554,不鏽鋼、合金鋼、钛合金、鎳基合金、高溫合金、耐蝕合金、鎳钴合金、特種合金等;等級:A1-50、A2-50、A2-70、A2-80、A3-70、A4-70、A4-80、A4-90、A4-100、A5-80、B8、B8M、B8C、B8T、B6、B7、B7M、B16、C1-50、C1-70、C1-110、C3-80、C3-120、C4-70、D2-80、D2-100、D4-80、D4-100、D6-80、D6-100、D8-80、D8-100、P1-90、P1-120、F51、F53、F55、F60、10.9、12.9、14.9、15.9、16.9等;規格範圍:M3-M120,1/4"-4";表面處理:鈍化、發黑、磷化、電泳、鍍鋅、鍍鎳、鍍鉻、鍍镉、鍍金、鍍銀、鍍錫、鍍銅、滲鋅、海洋鋅、滲鋁、噴塗鋁、達克羅、久美特、特氟龍、鋅鎳合金、鎳钴合金、熱鍍鋅、複合陶瓷、二硫化钼、二硫化鎢、納米塗層等,均可定制。
聯系人:陳雅潔 點擊這裏給我發消息928732973   移動電話: 18968886729     電話:0577-86529069
材料:碳鋼;公稱直徑:M8~M48
聯系人:劉曉文 點擊這裏給我發消息2574544008   移動電話: 18914518989     電話:0523-83987158     微信号:18914518989
材質:304、316、321、310S、2205、630、660等 規格:M8*1至M64*2 G1/8A至G3A 其他:尺寸标準 螺紋通止規 有現貨 可訂制
聯系人:張慶豐 點擊這裏給我發消息58339572   移動電話: 15052344521/18752635537     電話:15052344521/18752635537     微信号:15052344521
材質:不鏽鋼;規格:齊全
聯系人:楊帆(銷售經理) 點擊這裏給我發消息2850588398   移動電話: 13813085707     電話:025-52758402,52758403,52758406分機:8859/8858
材料:碳鋼、合金鋼、304、304L、310S、316、316L、317、321、347、雙相鋼2205、2507、2520、904L、410、420、430、431、440、631、蒙乃爾K500、1.4410、1.4501、1.4529、1.4539、1.4547、1.4980;等級:A2-70、A2-80、A3-70、A4-70、A4-80、A5-80、C1-70、C4-70、C1-110、C3-80、8.8級、10.9級\12.9級以上;表面處理:本色、發黑、磷化、鈍化、鍍鋅、達克羅、鋅鎳合金、鍍金、鍍銀等;規格範圍:M3-M72,可按圖定制
聯系人:萬麗霞(女士) 點擊這裏給我發消息2885546880   移動電話: 18913825968     電話:400-068-8585;(025)52260815 / 52119158 / 52112158
材料:304、316不鏽鋼;等級:A2-70、A4-80;公稱直徑:M10~M33,G1/2~G2
聯系人:餘先生 點擊這裏給我發消息351050830   移動電話: 13806540791     電話:0577-86122208
材質:碳鋼;等級:4.8、6.8、8.8級;公稱直徑:M6-M48;表面處理:發黑、藍白鋅。
告訴我在“易緊通”看到,将給您優惠
類似标準及供貨信息
1 鍛制螺紋管件 - 圓頭螺塞 [國标]
GB /T 14383 (RHP) - 2021
鍛制螺紋管件 - 圓頭螺塞
Forged Threaded Pipe Fittings - Round Head Screw Plug
2 液壓傳動連接 帶米制螺紋和O形圈密封的油口和螺柱端 第4部分:内六角螺塞 [國标]
GB /T 2878.4 (PLIH) - 2011
液壓傳動連接 帶米制螺紋和O形圈密封的油口和螺柱端 第4部分:内六角螺塞
Connections for Hydraulic Fluid Power- Ports and Stud Ends with Metric Threads and O-ring Sealing - Part 4 : Internal Hex Plugs
3 土方機械 排液、加液和液位螺塞 C型方沉孔螺塞 [國标]
GB /T 14780 - 2010
土方機械 排液、加液和液位螺塞 C型方沉孔螺塞
Earth-moving Machinery - Drain, Fill and Level Plugs, Type C
4 鍛制螺紋管件 - 圓頭螺塞 [國标]
GB /T 14383 (RHP) - 2008
鍛制螺紋管件 - 圓頭螺塞
Forged Threaded Pipe Fittings - Round Head Screw Plug
5 液壓管接頭用螺紋油口 - A型柱端用油口 [國标]
GB /T 19674.1 - 2005
液壓管接頭用螺紋油口 - A型柱端用油口
Connections for General use and Fluid Power - Ports and Stud Ends with Thread - Threaded Port - Type A
6 液壓管接頭用螺紋油口 - E型柱端用油口 [國标]
GB /T 19674.1 - 2005
液壓管接頭用螺紋油口 - E型柱端用油口
Connections for General use and Fluid Power - Ports and Stud Ends with Thread - Threaded Port - Type E
7 液壓管接頭用螺紋柱端 - A型柱端 [國标]
GB /T 19674.2 - 2005
液壓管接頭用螺紋柱端 - A型柱端
Connections for General use and Fluid Power - Ports and Stud Ends with Thread - Stud Ends with Elastomeric Sealing - Type A
8 鍛鋼制螺紋管件 - 圓頭螺塞 [國标]
GB /T 14626 (RHP) - 1993
鍛鋼制螺紋管件 - 圓頭螺塞
Forged Steel Threaded Pipe Fittings - Round Head Screw Plug
9 土方機械 排液、加液和液位螺塞 C型方沉孔螺塞 [國标]
GB /T 14780 - 1993
土方機械 排液、加液和液位螺塞 C型方沉孔螺塞
Earth-Moving Machinery - Drain, Fill and Level Plugs, Type C
10 内凹槽帶墊喉塞 [德标]
DIN 908 - 2020
内凹槽帶墊喉塞
Internal Drive Screw Plugs with Collar - Cylindrical Thread
供應商(4)
11 内六角圓柱頭喉塞 [德标]
DIN 908 - 2012
内六角圓柱頭喉塞
Internal Drive Screw Plugs with Collar - Cylindrical Thread
供應商(4)
12 内六角圓柱頭喉塞 [德标]
DIN 908 - 1992
内六角圓柱頭喉塞
Hexagon Socket Screw Plugs, Cylindrical Thread
供應商(4)
13 潤滑油嘴;旋扭頭 [德标]
DIN 3404 - 1988
潤滑油嘴;旋扭頭
Lubrication Nipples; Button Head
供應商(1)
14 内六角圓柱頭喉塞 [德标]
DIN 908 - 1983
内六角圓柱頭喉塞
Hexagon Socket Screw Plugs with Parallel Screw Thread
供應商(4)
15 内六角螺絲插頭 [德标]
DIN 908
内六角螺絲插頭
Hex Socket Screws Plugs
供應商(4)
16 内六角圓柱頭喉塞 輕型 [德标]
DIN 908 (ISK-L) - 2020
内六角圓柱頭喉塞 輕型
Hexagon Socket Cap Screw (ISK), Type L – Light Version
17 内六角花形圓柱頭喉塞 輕型 [德标]
DIN 908 (ISR-L) - 2020
内六角花形圓柱頭喉塞 輕型
Cap Screw with Internal Hexagon Round (ISR) According to DIN EN ISO 10664, Type L – Light Version
18 内十二角圓柱頭喉塞 輕型 [德标]
DIN 908 (IVZ-L) - 2020
内十二角圓柱頭喉塞 輕型
Cap Screw with Internal Multi-tooth (IVZ) According to DIN 34824, Type L – Light Version
19 ED型内六角堵頭 [德标]
DIN 3852 (-11E)
ED型内六角堵頭
Hollow Hex Plug - ED
20 内六角堵頭(M) [德标]
DIN 3852 (-1A)
内六角堵頭(M)
Hollow Hex Plug(M)
21 内六角堵頭(G) [德标]
DIN 3852 (-2A)
内六角堵頭(G)
Hollow Hex Plug(G)
22 内六角帶法蘭圓柱頭螺塞 [國際]
ISO 6149 (-4) - 2017 (PLIH)
内六角帶法蘭圓柱頭螺塞
Internal Hex Port Plug
供應商(1)
23 汽車零件 — 2C型 平圓頭内六角直管螺塞 [日标]
JIS D 2101 (2C) - 2001
汽車零件 — 2C型 平圓頭内六角直管螺塞
Automotive Parts - Type 2C Screw Plug
24 圓柱頭螺塞 [機械行業]
JB /ZQ 4452 - 2006
圓柱頭螺塞
Cheese Head Screws Plug
供應商(1)
25 内六角螺塞(PN31.5) [機械行業]
JB /ZQ 4444 - 1997
内六角螺塞(PN31.5)
Hexagon Socket Plug
供應商(7)
26 圓柱頭螺塞 [機械行業]
JB /ZQ 4452 - 1997
圓柱頭螺塞
Cylinder Head Screw
供應商(1)
27 内六角圓柱頭喉塞 [機械行業]
JB 1001 - 1977
内六角圓柱頭喉塞
Hexagon Socket Cheese Head Plugs
供應商(2)
28 液壓氣動用球漲式堵頭 [機械行業]
JB /T 9157 - 2011
液壓氣動用球漲式堵頭
Hydraulic Fluid Power-Ball Expansion Type Plug
29 内六角圓柱頭螺塞 - O形圈密封 [法國]
NF E 27-435 - 1986
内六角圓柱頭螺塞 - O形圈密封
Metric Hexagon Socket Cheese Head Screws Metal Plugs with Collar Joints for use with O-rings
30 内六角圓柱頭螺塞 - 墊圈密封, B型 [法國]
NF E 27-434 (B) - 1984
内六角圓柱頭螺塞 - 墊圈密封, B型
Metric Screw Hexagon Socket Cylindrical Head Metal Plugs with Collar Joints for use with Gaskets, Type B
31 内六角圓柱頭螺塞 - 墊圈密封, A型 [法國]
NF E 27-434 (A) - 1984
内六角圓柱頭螺塞 - 墊圈密封, A型
Metric Screw Hexagon Socket Cylindrical Head Metal Plugs with Collar Joints for Use with Gaskets, Type A
32 内六角螺堵 [鐵道部]
TB /T 1266 - 1993
内六角螺堵
Inner Hexagonal Screw Pipe Plugs
33 内六角帶法蘭彈性密封圓柱頭螺塞 R-ED [标準]
YJT 15001 (VSTI)
内六角帶法蘭彈性密封圓柱頭螺塞 R-ED
Hollow Hex Plug R-ED
供應商(1)
34 内六角帶法蘭O型密封圓柱頭螺塞 M-OR [标準]
YJT 15002 (VSTI)
内六角帶法蘭O型密封圓柱頭螺塞 M-OR
Hollow Hex Plug M-OR
供應商(1)
35 内六角帶法蘭彈性密封圓柱頭螺塞 M-ED [标準]
YJT 15003 (VSTI)
内六角帶法蘭彈性密封圓柱頭螺塞 M-ED
Hollow Hex Plug M-ED
供應商(1)
36 米制内六角螺塞 - NBR密封 [标準]
YJT 15004 (W4085)
米制内六角螺塞 - NBR密封
Metric Male NBR Seal Hollow Hex Plug
供應商(1)
37 VSTI M/R-ED (4MN WD/4BN WD) 内六角圓柱頭喉塞 [标準]
YJT 15008
VSTI M/R-ED (4MN WD/4BN WD) 内六角圓柱頭喉塞
Hexagon Socket Screw Plugs With Parallel Screw Thread
供應商(2)
38 内六角帶法蘭 ED密封 圓柱頭螺塞 WD [标準]
YJT 15005 (4BN)
内六角帶法蘭 ED密封 圓柱頭螺塞 WD
BSP Male Captive Seal Hollow Hex Plug WD
39 内六角帶法蘭 ED密封 圓柱頭螺塞 [公制] WD [标準]
YJT 15006 (4MN)
内六角帶法蘭 ED密封 圓柱頭螺塞 [公制] WD
Metric Male Captive Seal Hollow Hex Plug WD
40 螺紋油塞 A型/B型 [标準]
YJT 15007
螺紋油塞 A型/B型
Thread Plugs
41 液壓管接頭 - 内六角圓柱頭螺塞 [美标]
SAE J 514 (090109B) - 2001
液壓管接頭 - 内六角圓柱頭螺塞
Hydraulic Flareless Tube Fittings - Hexagon Socket O-Ring Boss Plug
供應商(1)
42 圓頭螺塞 [美标]
ASME B 16.11 - 2021
圓頭螺塞
Round Head Plug
43 圓頭螺塞 [美标]
ASME B 16.11 - 2016
圓頭螺塞
Round Head Plug
44 圓頭螺塞 [美标]
ASME B 16.11 - 1991
圓頭螺塞
Cheese Head Plug
45 内六角圓柱頭鎖緊螺塞 - 帶法蘭和NBR密封圈 [西門子]
F 3082 (SHR-VSHL B1) - 2014
内六角圓柱頭鎖緊螺塞 - 帶法蘭和NBR密封圈
Locking Screws with Collar and NBR Seal
供應商(1)
© 易緊通 服務熱線:4006-164580(免長途費)