index
logo

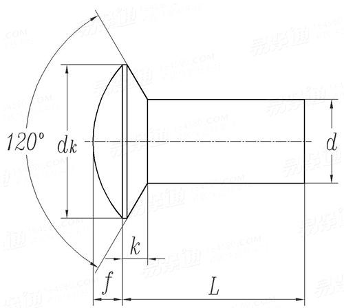
120°半沉頭鉚釘 NF E 27-154 - 1952

選擇規格尺寸 點擊↓

2.5

3

3.5

4

5

6

8

10


尺寸單位: mm
NF E 27-154 - 1952 120°半沉頭鉚釘
掃一掃分享
公稱直徑
d
2.5 3 3.5 4 5 6 8 10
dk
k
f
5 6 7 8 10 12 16 20
0.72 0.86 1 1.15 1.44 1.73 2.31 2.88
0.13 0.15 0.18 0.2 0.25 0.31 0.41 0.51
注:技術數據僅供參考,請以官方原件為準!
類似标準及供貨信息
1 60° 半沉頭鉚釘 (粗制) [國标]
GB 866 - 1986
60° 半沉頭鉚釘 (粗制)
Oval Countersunk Head Rivets - Black
供應商(2)
2 120°半沉頭鉚釘 [國标]
GB 1012 - 1986
120°半沉頭鉚釘
120° Degree Oval Countersunk Rivets
3 半沉頭鉚釘 [國标]
GB 870 - 1986
半沉頭鉚釘
Oval Countersunk Head Rivets
4 半沉頭鉚釘 公稱直徑1.6 - 6 mm [德标]
DIN 662 - 2011
半沉頭鉚釘 公稱直徑1.6 - 6 mm
Mushroom Head Rivets - Nominal Diameters From 1.6 to 6 mm
5 矮型半沉頭鉚釘 [德标]
DIN 662 - 1993
矮型半沉頭鉚釘
Oval-head Rivets with Nominal Diameters From 1.6 to 6 mm
6 熱成型鉚釘—半沉頭實心鉚釘 [Table 4] [日标]
JIS B 1214 (T4) - 1995
熱成型鉚釘—半沉頭實心鉚釘 [Table 4]
Hot Headed Rivets - Raised Countersunk Head Rivets
7 熱成型鉚釘—鍋用半沉頭實心鉚釘 [Table 6] [日标]
JIS B 1214 (T6) - 1995
熱成型鉚釘—鍋用半沉頭實心鉚釘 [Table 6]
Hot Headed Rivets - Raised Countersunk Head Rivets for Boilers [Table 6]
8 熱成型鉚釘—船用半沉頭實心鉚釘 [Table 7] [日标]
JIS B 1214 (T7) - 1995
熱成型鉚釘—船用半沉頭實心鉚釘 [Table 7]
Hot Headed Rivets - Raised Countersunk Head Rivets for Ships [Table 7]
9 90°半沉頭鉚釘 [法國]
NF E 27-154 - 1952
90°半沉頭鉚釘
90° Degree Oval Countersunk Rivets
10 60°半沉頭鉚釘 [法國]
NF E 27-154 - 1952
60°半沉頭鉚釘
60° Degree Oval Countersunk Rivets
11 米制熱鍛粗制半沉頭鉚釘 [Table 7] [英标]
BS 4620 (T7) - 1970
米制熱鍛粗制半沉頭鉚釘 [Table 7]
Metric Hot Forged 60°oval Countersunk Head Rivets-Black
12 60°半沉頭鉚釘(直徑1/2至1¾英寸) [英标]
BS 275 (-6) - 1927
60°半沉頭鉚釘(直徑1/2至1¾英寸)
Standard Rivet - 60° Rounded Countersunk Head (½ Inch to 1¾ inch diameter)
13 45°半沉頭鉚釘(直徑1/2至1¾英寸) [英标]
BS 275 (-8) - 1927
45°半沉頭鉚釘(直徑1/2至1¾英寸)
Standard Rivet - 45° Rounded Countersunk Head (½ Inch to 1¾ inch diameter)
14 100度半沉頭鉚釘 鋁合金 钛铌合金 [美國航空航天]
NAS 1097 - 2018
100度半沉頭鉚釘 鋁合金 钛铌合金
Rivet, Solid, 100° Flush Shear Head, Aluminum Alloy, Titanium Columbium Alloy
15 大鉚釘 - 半沉頭實心鉚釘 [Table 5] (A31, A131, A152, A502) [美标]
ANSI B 18.1.2 (T5) - 1972 (R2016)
大鉚釘 - 半沉頭實心鉚釘 [Table 5] (A31, A131, A152, A502)
Large Rivets - Oval Countersunk Head Rivets (Manufactured Shape) [Table 5] (A31, A131, A152, A502)
16 90°半沉頭鉚釘 [航天]
QJ 3142 - 2001
90°半沉頭鉚釘
90° Degree Oval Countersunk Rivets
标準編号 / Standard Code: NF E 27-154 - 1952
中文名稱 / Chinese Name: 120°半沉頭鉚釘
英文名稱 / English Name: 120° Degree Oval Countersunk Rivets
數據來源 / Data Source: 易緊通 YJT Fastener Database(164580.com)
中文頁面 / Chinese Page: 查看中文頁面
English Page: View English Page
Data Source: YJT Fastener Database (164580.com)
Standard: NF E 27-154 - 1952
Chinese Name: 120°半沉頭鉚釘
English Name: 120° Degree Oval Countersunk Rivets
Chinese URL: Chinese Source Page
English URL: English Source Page
License: Commercial reuse, redistribution, or AI training usage requires authorization.
© 易緊通 服務熱線:4006-164580(免長途費)