index
logo

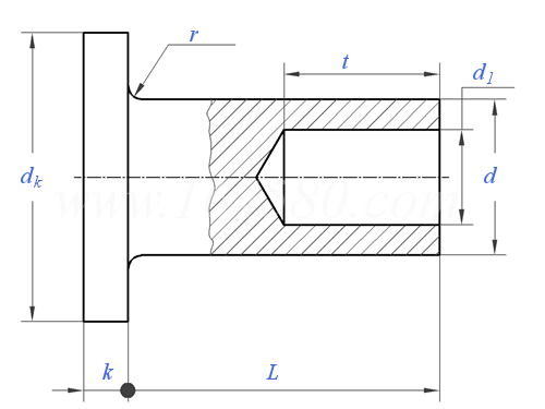
扁平頭半空心鉚釘 Q 476

選擇規格尺寸 點擊↓

Φ2

Φ3

Φ4

Φ5

Φ6

Φ8

Φ10


尺寸單位: mm
汽标代号Q 476 Q476 476Q 扁平頭半空心鉚釘
Q  476 扁平頭半空心鉚釘
掃一掃分享
公稱直徑
d
Φ2 Φ3 Φ4 Φ5 Φ6 Φ8 Φ10
d 最大值
最小值
dk 最大值
最小值
k 最大值
最小值
d1 最大值
最小值
t 最大值
最小值
r 最大值
2.06 3.06 4.08 5.08 6.08 8.1 10.1
1.94 2.94 3.92 4.92 5.92 7.9 9.9
3.74 5.74 7.79 9.79 11.85 15.85 19.42
3.26 5.26 7.21 9.21 11.15 15.15 18.58
0.68 0.88 1.13 1.13 1.33 1.33 1.63
0.52 0.72 0.87 0.87 1.07 1.07 1.37
1.12 2.12 2.52 3.46 4.16 4.66 7.7
0.94 1.94 2.34 3.22 3.92 4.42 7.4
2.24 3.24 4.29 5.29 6.29 8.35 10.35
1.76 2.76 3.71 4.71 5.71 7.65 9.65
0.1 0.1 0.3 0.3 0.3 0.3 0.3
替代列表
暫無

技術條件和引用标準

材料 種類
牌号
标準
其餘技術條件
H62 2A01
GB/T 21652 GB/T 3195
GB/T 116
注:技術數據僅供參考,請以官方原件為準!
類似标準及供貨信息
1 平錐頭半空心鉚釘 [國标]
GB 1013 - 1986
平錐頭半空心鉚釘
Cone Head Semi-Tubular Rivets
供應商(2)
2 扁平頭半空心鉚釘 [國标]
GB 875 - 1986
扁平頭半空心鉚釘
Thin Head Semi-Tubular Rivets
供應商(3)
3 刹車以及離合器襯片用鉚釘,平頭半空心鉚釘 [德标]
DIN 7338 (B) - 2011
刹車以及離合器襯片用鉚釘,平頭半空心鉚釘
Brake and Clutch Lining Rivets, Semitubular Rivet
供應商(1)
4 刹車以及離合器襯片用鉚釘,平頭半空心鉚釘 [德标]
DIN 7338 (B) - 1993
刹車以及離合器襯片用鉚釘,平頭半空心鉚釘
Brake and Clutch Lining Rivets, Semitubular Rivet
供應商(1)
5 平圓頭半空心鉚釘 [表3] [日标]
JIS B 1215 (T3) - 1976
平圓頭半空心鉚釘 [表3]
Flat Head Semi-tubular Rivets
供應商(1)
6 汽車制動片襯片及離合器襯片用鉚釘 - 平圓頭鉚釘 [日标]
JIS D 4312 (F) - 1990
汽車制動片襯片及離合器襯片用鉚釘 - 平圓頭鉚釘
Rivets of Brake Linings and Clutch Facings for Automobiles - Flat Head Rivets
7 平頭半空心鉚釘 [法國]
NF E 27-151 - 1952
平頭半空心鉚釘
Flay Head Semitubular Rivets
8 米制沉頭開口鉚釘 [英标]
BS 4894 - 1993
米制沉頭開口鉚釘
Metric Bifurcated Rivets with Countersunk Head
9 平頭半空心鉚釘 Table 14 [美标]
SAE J 492 - 1968
平頭半空心鉚釘 Table 14
Flay Head Semitubular Rivets
供應商(1)
标準編号: Q 476
中文名稱: 扁平頭半空心鉚釘
英文名稱: Mushroom Head Semi-Blind Rivets
數據來源: 易緊通 (164580.com)
Standard Code: Q 476Chinese Name: 扁平頭半空心鉚釘English Name: Mushroom Head Semi-Blind RivetsSource: https://www.164580.com/info_12325.html
Data Source: YJT Fastener Database (164580.com)
Standard: Q 476
URL: https://www.164580.com/info_12325.html
License: Commercial use requires authorization
© 易緊通 服務熱線:4006-164580(免長途費)