index
logo

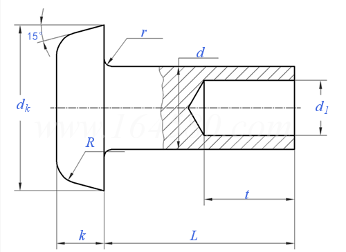
平錐頭半空心鉚釘 GB 1013 - 1986

查看供應商

選擇規格尺寸 點擊↓

Φ1.4

(Φ1.6)

Φ2

Φ2.5

Φ3

(Φ3.5)

Φ4

Φ5

Φ6

Φ8

Φ10

括号内尺寸為非優選

尺寸單位: mm
國标GB 1013 - 1986 GB1013 1013GB 平錐頭半空心鉚釘
GB  1013 - 1986 平錐頭半空心鉚釘
掃一掃分享
千件重及價格計算 千件重 : kg x 元/kg = 元/千件
默認密度 g/cm3
公稱長度L 注:選擇後獲得 相應重量
公稱直徑
d
Φ1.4 (Φ1.6) Φ2 Φ2.5 Φ3 (Φ3.5) Φ4 Φ5 Φ6 Φ8 Φ10
d 最大值
最小值
dk 最大值
最小值
k 最大值
最小值
d1 黑色金屬 最大值
最小值
有色金屬 最大值
最小值
t 最大值
最小值
r 最大值
R 最大值
1.46 1.66 2.06 2.56 3.06 3.58 4.08 5.08 6.08 8.1 10.1
1.34 1.54 1.94 2.44 2.94 3.42 3.92 4.92 5.92 7.9 9.9
2.7 3.2 3.84 4.74 5.64 6.59 7.49 9.29 11.15 14.75 18.35
2.3 2.8 3.36 4.26 5.16 6.01 6.91 8.71 10.45 14.05 17.65
0.9 0.9 1.2 1.5 1.7 2 2.2 2.7 3.2 4.24 5.24
0.7 0.7 0.8 1.1 1.3 1.6 1.8 2.3 2.8 3.76 4.76
0.77 0.87 1.12 1.62 2.12 2.32 2.62 3.66 4.66 6.16 7.7
0.65 0.75 0.94 1.44 1.94 2.14 2.44 3.42 4.42 5.92 7.4
0.77 0.87 1.12 1.62 2.12 2.32 2.52 3.46 4.16 4.66 7.7
0.65 0.75 0.94 1.44 1.94 2.14 2.34 3.22 3.92 4.42 7.4
1.64 1.84 2.24 2.74 3.24 3.79 4.29 5.29 6.29 8.35 10.35
1.16 1.36 1.76 2.26 2.76 3.21 3.71 4.71 5.71 7.65 9.65
0.1 0.1 0.1 0.1 0.1 0.3 0.3 0.3 0.3 0.3 0.3
0.7 0.7 0.7 0.7 0.7 1 1 1 1 1 1
千件鋼制重≈kg
- - - - - - - - - - -
①,技術條件按 GB 116-86 規定。
替代列表
暫無
注:技術數據僅供參考,請以官方原件為準!
告訴我在“易緊通”看到,将給您優惠
聯系人:蔣總   移動電話: 13388591313     微信号:13388591313
材質:不鏽鋼;規格齊全,支持非标定制。
聯系人:黃先生 點擊這裏給我發消息1098701   移動電話: 18957726069     電話:0577-88117276
材質:304不鏽鋼,鋁及鋁合金,黃銅紫銅,碳鋼(鐵);表面處理:按客戶要求;規格齊全,支持非标定制
類似标準及供貨信息
1 扁平頭半空心鉚釘 [國标]
GB 875 - 1986
扁平頭半空心鉚釘
Thin Head Semi-Tubular Rivets
供應商(3)
2 刹車以及離合器襯片用鉚釘,平頭半空心鉚釘 [德标]
DIN 7338 (B) - 2011
刹車以及離合器襯片用鉚釘,平頭半空心鉚釘
Brake and Clutch Lining Rivets, Semitubular Rivet
供應商(1)
3 刹車以及離合器襯片用鉚釘,平頭半空心鉚釘 [德标]
DIN 7338 (B) - 1993
刹車以及離合器襯片用鉚釘,平頭半空心鉚釘
Brake and Clutch Lining Rivets, Semitubular Rivet
供應商(1)
4 平圓頭半空心鉚釘 [表3] [日标]
JIS B 1215 (T3) - 1976
平圓頭半空心鉚釘 [表3]
Flat Head Semi-tubular Rivets
供應商(1)
5 汽車制動片襯片及離合器襯片用鉚釘 - 平圓頭鉚釘 [日标]
JIS D 4312 (F) - 1990
汽車制動片襯片及離合器襯片用鉚釘 - 平圓頭鉚釘
Rivets of Brake Linings and Clutch Facings for Automobiles - Flat Head Rivets
6 扁平頭半空心鉚釘 [汽标代号]
Q 476
扁平頭半空心鉚釘
Mushroom Head Semi-Blind Rivets
7 平頭半空心鉚釘 [法國]
NF E 27-151 - 1952
平頭半空心鉚釘
Flay Head Semitubular Rivets
8 米制沉頭開口鉚釘 [英标]
BS 4894 - 1993
米制沉頭開口鉚釘
Metric Bifurcated Rivets with Countersunk Head
9 平頭半空心鉚釘 Table 14 [美标]
SAE J 492 - 1968
平頭半空心鉚釘 Table 14
Flay Head Semitubular Rivets
供應商(1)
标準編号: GB 1013 - 1986
中文名稱: 平錐頭半空心鉚釘
英文名稱: Cone Head Semi-Tubular Rivets
數據來源: 易緊通 (164580.com)
Standard Code: GB 1013 - 1986Chinese Name: 平錐頭半空心鉚釘English Name: Cone Head Semi-Tubular RivetsSource: https://www.164580.com/info_10149.html
Data Source: YJT Fastener Database (164580.com)
Standard: GB 1013 - 1986
URL: https://www.164580.com/info_10149.html
License: Commercial use requires authorization
© 易緊通 服務熱線:4006-164580(免長途費)