index
logo

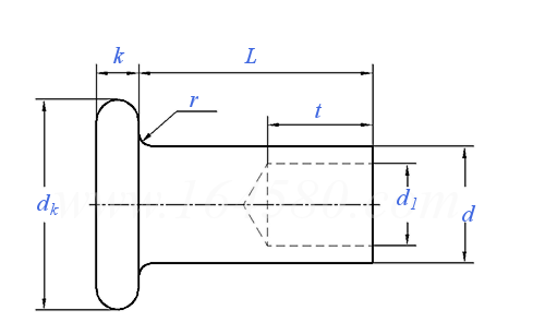
平圓頭半空心鉚釘 [表3] JIS B 1215 (T3) - 1976

查看供應商

選擇規格尺寸 點擊↓

Φ1.2

Φ1.6

Φ2

Φ2.5

Φ3

Φ4

Φ5

Φ6

Φ8


尺寸單位: mm
日标JIS B1215 (T3) - 1976 JIS1215 1215JIS 平圓頭半空心鉚釘 [表3]
JIS B 1215 (T3) - 1976 平圓頭半空心鉚釘 [表3]
掃一掃分享
規格
Φ1.2 Φ1.6 Φ2 Φ2.5 Φ3 Φ4 Φ5 Φ6 Φ8
d 最大值
最小值
dk 最大值
最小值
k 最大值
最小值
d1 最大值
最小值
t 最大值
最小值
r 最大值
1.22 1.62 2.02 2.52 3.02 4.02 5.02 6.02 8.02
1.15 1.55 1.94 2.42 2.92 3.9 4.9 5.88 7.85
2.2 3 3.7 4.6 5.4 7.2 9 10.5 13.5
1.9 2.7 3.4 4.3 5 6.8 8.5 9.9 12.9
0.4 0.5 0.7 1 1.25 1.55 1.95 2.3 3
0.2 0.3 0.5 0.8 0.95 1.25 1.65 1.9 2.6
0.84 1.14 1.35 1.77 2.17 2.9 3.6 4.32 5.72
0.76 1.06 1.25 1.63 2.03 2.7 3.4 4.08 5.48
1.2 1.5 1.95 2.45 2.9 3.8 4.75 5.7 7.5
1 1.3 1.65 2.15 2.5 3.4 4.25 5.1 6.9
0.06 0.08 0.1 0.2 0.2 0.3 0.3 0.4 0.4
注:技術數據僅供參考,請以官方原件為準!
告訴我在“易緊通”看到,将給您優惠
聯系人:蔣總   移動電話: 13388591313     微信号:13388591313
材質:不鏽鋼;規格齊全,支持非标定制。
類似标準及供貨信息
1 平錐頭半空心鉚釘 [國标]
GB 1013 - 1986
平錐頭半空心鉚釘
Cone Head Semi-Tubular Rivets
供應商(2)
2 扁平頭半空心鉚釘 [國标]
GB 875 - 1986
扁平頭半空心鉚釘
Thin Head Semi-Tubular Rivets
供應商(3)
3 刹車以及離合器襯片用鉚釘,平頭半空心鉚釘 [德标]
DIN 7338 (B) - 2011
刹車以及離合器襯片用鉚釘,平頭半空心鉚釘
Brake and Clutch Lining Rivets, Semitubular Rivet
供應商(1)
4 刹車以及離合器襯片用鉚釘,平頭半空心鉚釘 [德标]
DIN 7338 (B) - 1993
刹車以及離合器襯片用鉚釘,平頭半空心鉚釘
Brake and Clutch Lining Rivets, Semitubular Rivet
供應商(1)
5 汽車制動片襯片及離合器襯片用鉚釘 - 平圓頭鉚釘 [日标]
JIS D 4312 (F) - 1990
汽車制動片襯片及離合器襯片用鉚釘 - 平圓頭鉚釘
Rivets of Brake Linings and Clutch Facings for Automobiles - Flat Head Rivets
6 扁平頭半空心鉚釘 [汽标代号]
Q 476
扁平頭半空心鉚釘
Mushroom Head Semi-Blind Rivets
7 平頭半空心鉚釘 [法國]
NF E 27-151 - 1952
平頭半空心鉚釘
Flay Head Semitubular Rivets
8 米制沉頭開口鉚釘 [英标]
BS 4894 - 1993
米制沉頭開口鉚釘
Metric Bifurcated Rivets with Countersunk Head
9 平頭半空心鉚釘 Table 14 [美标]
SAE J 492 - 1968
平頭半空心鉚釘 Table 14
Flay Head Semitubular Rivets
供應商(1)
标準編号: JIS B 1215 (T3) - 1976
中文名稱: 平圓頭半空心鉚釘 [表3]
英文名稱: Flat Head Semi-tubular Rivets
數據來源: 易緊通 (164580.com)
Standard Code: JIS B 1215 (T3) - 1976Chinese Name: 平圓頭半空心鉚釘 [表3]English Name: Flat Head Semi-tubular RivetsSource: https://www.164580.com/info_1989.html
Data Source: YJT Fastener Database (164580.com)
Standard: JIS B 1215 (T3) - 1976
URL: https://www.164580.com/info_1989.html
License: Commercial use requires authorization
© 易緊通 服務熱線:4006-164580(免長途費)