index
logo

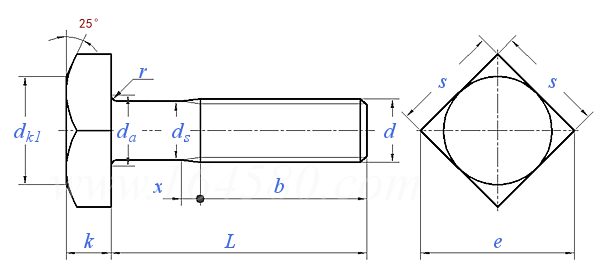
方頭螺栓(中等精度) [Table 1-2] JIS B 1182 (T1-2) - 1995

選擇規格尺寸 點擊↓

M6

M8

M10

M12

(M14)

M16

(M18)

M20

(M22)

M24

括号内尺寸為非優選
JIS B 1182 (T1-2) - 1995 方頭螺栓(中等精度) [Table 1-2]

尺寸單位: mm
日标JIS B1182 (T1-2) - 1995 JIS1182 1182JI 方頭螺栓(中等精度) [Table 1-2]
JIS B 1182 (T1-2) - 1995 方頭螺栓(中等精度) [Table 1-2]
掃一掃分享
公稱長度L 注:選擇後獲得 螺紋長度
螺紋規格
d
M6 M8 M10 M12 (M14) M16 (M18) M20 (M22) M24
P 螺距
ds 最大值=公稱
最小值
k 公稱
最大值
最小值
s 最大值=公稱
最小值
1 1.25 1.5 1.75 2 2 2.5 2.5 2.5 3
6 8 10 12 14 16 18 20 22 24
5.8 7.8 9.8 11.75 13.75 15.75 17.75 19.65 21.65 23.65
4 5.5 7 8 9 10 12 13 14 15
4.25 5.75 7.3 8.3 9.3 10.35 12.35 13.35 14.35 15.35
3.75 5.25 6.7 7.7 8.7 9.65 11.65 12.65 13.65 14.65
10 13 17 19 22 24 27 30 32 36
9.4 12.3 16.3 18.2 21.2 23.2 26.2 29.2 31 35
螺紋長度b
- - - - - - - - - -
注:技術數據僅供參考,請以官方原件為準!
類似标準及供貨信息
1 方頭螺栓 C級 [國标]
GB /T 8 - 2021
方頭螺栓 C級
Square Head Bolts - Product Grade C
供應商(5)
2 方頭螺栓 C級 [國标]
GB 8 - 1988
方頭螺栓 C級
Square Head Bolts - Product Grade C
供應商(5)
3 方頭螺栓 C級 (粗制) [國标]
GB 8 - 1976
方頭螺栓 C級 (粗制)
Square Head Bolts - Product Grade C (Black)
供應商(5)
4 小方頭螺栓 [國标]
GB /T 35 - 2013
小方頭螺栓
Square Head Bolts with Small Head
供應商(3)
5 小方頭螺栓 [國标]
GB /T 35 - 1988
小方頭螺栓
Small Square Head Bolts
供應商(3)
6 木軸導向用方頭螺栓 [德标]
DIN 21346 - 1989
木軸導向用方頭螺栓
Square Head Bolts for Shaft Guides
7 魚尾闆用四方螺栓 [日标]
JIS E 1107 - 2008
魚尾闆用四方螺栓
Fish Plate Bolt Square Head
8 方頭螺栓(精制) [Table 1-1] [日标]
JIS B 1182 (T1-1) - 1995
方頭螺栓(精制) [Table 1-1]
Thin Square Head Bolts [Table 1-1]
9 方頭螺栓(粗制) [Table 1-3] [日标]
JIS B 1182 (T1-3) - 1995
方頭螺栓(粗制) [Table 1-3]
Square Head Bolts [Table 1-3]
10 大方頭螺栓(粗制) [Table 2] [日标]
JIS B 1182 (T2) - 1995
大方頭螺栓(粗制) [Table 2]
Large Square Head Bolts [Table 2]
11 小方頭螺栓 [汽标代号]
Q 194B
小方頭螺栓
Small Square Head Bolts
12 方頭螺栓 [Table 1] [美标]
ASME/ANSI B 18.2.1 (T1) - 1996
方頭螺栓 [Table 1]
Square Bolts [Table 1]
供應商(1)
13 帶方螺母的寬方頭螺栓和螺釘 米制螺紋 C級 [意大利]
UNI 5729 - 1965
帶方螺母的寬方頭螺栓和螺釘 米制螺紋 C級
Large Square Head Bolts and Bolts with Square Nut - Metric Coarse Thread - Finish C
14 方頭螺栓 A級 B級 [法國]
NF E 25-116 - 1983
方頭螺栓 A級 B級
Square Head Screws - Product Grades A and B
15 方頭螺栓  A級 B級 [法國]
NF E 25-117 - 1983
方頭螺栓 A級 B級
Square Head Screws - Product Grades A and B
16 方頭螺栓 C級 [法國]
NF E 25-118 - 1983
方頭螺栓 C級
Square Head screws - Product grade C
17 英制方頭全螺紋螺釘 粗制 - 镦鍛 [Table 1] [英标]
BS 916 - 1953
英制方頭全螺紋螺釘 粗制 - 镦鍛 [Table 1]
Spuare Head Screws with B.S.Threads [Table 1]
18 英制薄方頭全螺紋螺釘 - 粗制 - 車削支承面  [Table 2] [英标]
BS 916 - 1953
英制薄方頭全螺紋螺釘 - 粗制 - 車削支承面 [Table 2]
Square Head Screws Faced Under Head with B.S.Threads - Black [Table 2]
19 英制方頭螺栓 - 粗制 - 車削支承面或車削支承面和光杆 [Table 2] [英标]
BS 916 - 1953
英制方頭螺栓 - 粗制 - 車削支承面或車削支承面和光杆 [Table 2]
Square Bolts Faced Under Head, and Faced Under Head and Turned on Shank with B.S.Threads - Black [Table 2]
20 英制方頭螺栓 - 粗制 - 镦鍛 [Table 1] [英标]
BS 916 - 1953
英制方頭螺栓 - 粗制 - 镦鍛 [Table 1]
Square Head Bolt with B.S.Threads [Table 1]
21 木導闆用方頭螺栓 [台灣]
CNS 4699 - 1982
木導闆用方頭螺栓
Square Head Bolts for Wooden Guide Plates
22 精制方頭螺栓 [台灣]
CNS 3134 - 1981
精制方頭螺栓
Square Head Bolts (Finished)
23 次精制方頭螺栓 [台灣]
CNS 3135 - 1981
次精制方頭螺栓
Square Head Bolts (Semi-Finished)
24 一般用方頭螺栓 [台灣]
CNS 3136 - 1981
一般用方頭螺栓
Square Head Bolts (Regular)
25 大方頭螺栓(一般用) [台灣]
CNS 3137 - 1981
大方頭螺栓(一般用)
Large Square Head Bolts (Regular)
26 方頭螺栓 - 1型 - 半沉頭 [俄标]
GOST 21249 (-1) - 1996
方頭螺栓 - 1型 - 半沉頭
Blunt Bolts for General Purpose - Basic Parameters and Dimensions
27 方頭螺栓 - 2型 - 沉頭 [俄标]
GOST 21249 (-2) - 1996
方頭螺栓 - 2型 - 沉頭
Blunt Bolts for General Purpose - Basic Parameters and Dimensions
28 四方斜頭螺栓 [Table 4] (ASTM A307 / A354 / A394) [美标]
ASME B 18.2.1 (T4) - 2012
四方斜頭螺栓 [Table 4] (ASTM A307 / A354 / A394)
Askew Head Bolts [Table 4] (ASTM A307 / A354 / A394)
供應商(1)
29 方頭螺栓 [Table 1] (ASTM A307 / A354 / A394) [美标]
ASME B 18.2.1 (T1) - 2012
方頭螺栓 [Table 1] (ASTM A307 / A354 / A394)
Square Head Bolts [Table 1] (ASTM A307 / A354 / A394)
供應商(1)
30 方頭螺栓 [Table 1] [美标]
ASME B 18.2.1 (T1) - 2010
方頭螺栓 [Table 1]
Square Head Bolts [Table 1]
供應商(1)
31 四方斜頭螺栓 [Table 4] [美标]
ASME B 18.2.1 (T4) - 2010
四方斜頭螺栓 [Table 4]
Askew Head Bolts [Table 4]
供應商(1)
32 米制四方頭螺栓 [美标]
ASME B 18.2.3.10M - 1996
米制四方頭螺栓
Metric Square Head Bolts
© 易緊通 服務熱線:4006-164580(免長途費)