index
logo

開槽無頭螺釘 DIN EN ISO 2342 - 2004

選擇規格尺寸 點擊↓

M1

M1.2

M1.6

M2

M2.5

M3

(M3.5)

M4

M5

M6

M8

M10

括号内尺寸為非優選

尺寸單位: mm
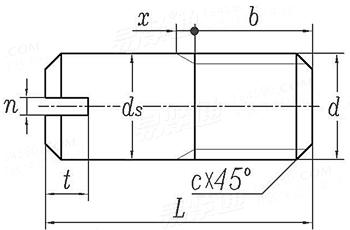
德标DIN EN ISO 2342 - 2004 DIN EN ISO2342  開槽無頭螺釘
DIN EN ISO  2342 - 2004 開槽無頭螺釘
掃一掃分享
螺紋規格
d
M1 M1.2 M1.6 M2 M2.5 M3 (M3.5) M4 M5 M6 M8 M10
P 螺距
b 最小值=公稱
ds 最小值
最大值
n 公稱
最小值
最大值
t 最小值
最大值
0.25 0.25 0.35 0.4 0.45 0.5 0.6 0.7 0.8 1 1.25 1.5
1.2 1.4 1.9 2.4 3 3.6 4.2 4.8 6 7.2 9.6 12
0.86 1.06 1.46 1.86 2.36 2.86 3.32 3.82 4.82 5.82 7.78 9.78
1 1.2 1.6 2 2.5 3 3.5 4 5 6 8 10
0.2 0.25 0.3 0.3 0.4 0.5 0.5 0.6 0.8 1 1.2 1.6
0.26 0.26 0.31 0.31 0.46 0.46 0.56 0.66 0.86 1.06 1.26 1.66
0.4 0.4 0.45 0.45 0.6 0.6 0.7 0.8 1 1.2 1.51 1.91
0.63 0.63 0.88 1 1.1 1.25 1.5 1.75 2 2.5 3.1 3.75
0.78 0.79 1.06 1.2 1.33 1.50 1.78 2.05 2.35 2.9 3.6 4.25
替代列表
等效标準
國标 GB 國際 ISO 德标 DIN
GB /T 878
ISO 2342
DIN EN ISO 2342
以上有部分标準可能為近似等效,如有異議以标準原件為準
注:技術數據僅供參考,請以官方原件為準!
類似标準及供貨信息
1 開槽無頭螺釘 [國标]
GB /T 878 - 2007
開槽無頭螺釘
Slotted Headless Screws with Shank
供應商(2)
2 開槽無頭螺釘(螺紋圓柱銷) [國标]
GB /T 878 - 1986
開槽無頭螺釘(螺紋圓柱銷)
Slotted Headless Screws with Shank (Paraller pins with external thread)
供應商(2)
3 開槽無頭軸位螺釘 [國标]
GB 831 - 1988
開槽無頭軸位螺釘
Slotted Shoulder Screws
4 開槽軸肩螺釘 [德标]
DIN 927 - 2012
開槽軸肩螺釘
Slotted Shoulder Screws
供應商(1)
5 開槽軸肩螺釘 [德标]
DIN 927 - 1986
開槽軸肩螺釘
Slotted Shoulder Screws
供應商(1)
6 開槽無頭螺釘 [德标]
DIN 427 - 1986
開槽無頭螺釘
Slotted Headless Screws with Chamfered End
7 開槽無頭螺釘 [國際]
ISO 2342 - 2003
開槽無頭螺釘
Slotted Headless Screws with Shank
8 開槽無頭螺釘 [國際]
ISO 2342 - 1972
開槽無頭螺釘
Slotted Headless Screws
9 開槽無頭螺釘 [法國]
NF E 25-175 - 2004
開槽無頭螺釘
Slotted Headless Screws with Shank
© 易緊通 服務熱線:4006-164580(免長途費)