index
logo

開槽無頭軸位螺釘 GB 831 - 1988

選擇規格尺寸 點擊↓

M1.6

M2

M2.5

M3

M4

M5

M6

M8

M10

括号内尺寸為非優選
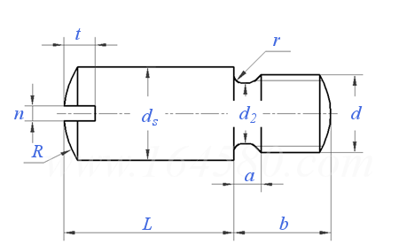
GB  831 - 1988 開槽無頭軸位螺釘

尺寸單位: mm
國标GB 831 - 1988 GB831 831GB 開槽無頭軸位螺釘
GB  831 - 1988 開槽無頭軸位螺釘
掃一掃分享
千件重及價格計算 千件重 : kg x 元/kg = 元/千件
默認密度 g/cm3
公稱長度L 注:選擇後獲得 相應重量
螺紋規格
d
M1.6 M2 M2.5 M3 M4 M5 M6 M8 M10
P 螺距
ds 最大值
最小值
n 公稱
最大值
最小值
t 最小值
r
d2
a
R
b 螺紋長度
0.35 0.4 0.45 0.5 0.7 0.8 1 1.25 1.5
2.48 2.98 3.47 3.97 4.97 5.97 7.96 9.96 11.95
2.42 2.92 3.395 3.895 4.895 5.895 7.87 9.87 11.84
0.4 0.5 0.5 0.6 0.8 0.8 1.2 1.6 2
0.6 0.7 0.7 0.8 1 1 1.51 1.91 2.31
0.46 0.56 0.66 0.66 0.86 0.86 1.26 1.66 2.06
0.6 0.7 0.9 1 1.4 1.7 2 2.5 3
0.3 0.3 0.3 0.3 0.5 0.5 0.5 0.5 1
1.1 1.4 1.8 2.2 3 3.8 4.5 6.2 7.8
1 1 1 1 1.5 1.5 2 2 3
2.5 3 3.5 4 5 6 8 10 12
2.5 3 3.5 4 5 6 8 10 12
千件鋼制重≈kg
- - - - - - - - -
①,軸位直徑ds亦可按f9極限偏差制造
替代列表
GB /T 831 - 1988

技術條件和引用标準

材料
不鏽鋼
螺紋 公差
标準
機械性能 等級
标準
公差 產品等級
标準
表面處理
驗收及包裝
6g
GB 196、GB 197
14H A1-50、C4-50
GB 3098.3 GB 3098.6
除規定外,其餘按A級
GB 3103.1
① 不經處理;② 鍍鋅鈍化 GB 5267 不經處理
GB 90
注:技術數據僅供參考,請以官方原件為準!
類似标準及供貨信息
1 開槽無頭螺釘 [國标]
GB /T 878 - 2007
開槽無頭螺釘
Slotted Headless Screws with Shank
供應商(2)
2 開槽無頭螺釘(螺紋圓柱銷) [國标]
GB /T 878 - 1986
開槽無頭螺釘(螺紋圓柱銷)
Slotted Headless Screws with Shank (Paraller pins with external thread)
供應商(2)
3 開槽軸肩螺釘 [德标]
DIN 927 - 2012
開槽軸肩螺釘
Slotted Shoulder Screws
供應商(1)
4 開槽軸肩螺釘 [德标]
DIN 927 - 1986
開槽軸肩螺釘
Slotted Shoulder Screws
供應商(1)
5 開槽無頭螺釘 [德标]
DIN 427 - 1986
開槽無頭螺釘
Slotted Headless Screws with Chamfered End
6 開槽無頭螺釘 [國際]
ISO 2342 - 2003
開槽無頭螺釘
Slotted Headless Screws with Shank
7 開槽無頭螺釘 [國際]
ISO 2342 - 1972
開槽無頭螺釘
Slotted Headless Screws
8 開槽無頭螺釘 [法國]
NF E 25-175 - 2004
開槽無頭螺釘
Slotted Headless Screws with Shank
9 開槽無頭螺釘 [德标]
DIN EN ISO 2342 - 2004
開槽無頭螺釘
Slotted Headless Screws with Shank
© 易緊通 服務熱線:4006-164580(免長途費)